User Manual
GP-IC-2000 GP-IC-3000![]()

Congratulations on purchasing your Go Power! IC Series Inverter/Charger. The IC Series Inverter/Charger combines the functions of a pure sine wave inverter, battery charger, and AC transfer switch into one unit – saving space, installation time, and system complexity. The IC Series is designed for mobile and home power applications.
- Pure Sine Wave Inverter Output – assures the AC output voltage is perfectly reliable even when limited external AC power is available
- 50-amp leg AC pass-through capability (Neutral rated to 50A)
- Multi-stage battery charging
- Inverter mounted ON/OFF switch with LED indicator
- Built-in handles for easy installation
- Battery Temperature Sensor (BTS) provides automatic battery temperature compensation for optimum charging even during extreme temperature changes
Combined with the numerous DC power systems Go Power! manufactures and sells, the IC Series allows you to enjoy the luxuries that electricity provides, with or without a campsite hookup. This manual will aid in the process of installing the Go Power! IC Series Inverter/ Charger. Please read and understand this manual before installing the Go Power! IC Series Inverter/Charger. Please retain this manual for future reference.
Record the unit’s model and serial number below. It is much easier and quicker to record this information now at the pre-installation stage.
Model Number:
Serial Number:
Date of Install:
Battery Bank Information: (size, install date, battery type)
Product Packaging
Please safely store the packing the IC Series was delivered in or recycle the packaging components as outlined below:
Local recycling centers can be found here: www.earth911.com/recycling-center-search-guides
GENERAL INFORMATION
2.1 CAUTIONS/WARNINGS
This document contains important safety instructions for the products produced by Go Power! Read all instructions and cautionary markings on the product and on any accessories or additional equipment included in the installation. Failure to follow these instructions could result in severe shock or possible electrocution. Use extreme caution at all times to prevent accidents.
All electrical work must be performed in accordance with local and national electrical codes. These instructions are for use by qualified personnel who meet all local and governmental code requirements for licensing and training for the installation of electrical power systems with AC and DC voltage up to 600 volts.
Installation, maintenance, and connection of inverters must be performed by qualified personnel, in compliance with local electrical standards, wiring rules, and the requirements of local power authorities and/or companies.
Safety regulations relevant to the location shall be followed during installation, operation, and maintenance. Improper operation may have a risk of electric shock or damage to equipment and property.
| WARNING! Hazard to Human Life | This type of notation indicates that the hazard could be harmful to human life. | |
![]() | WARNING! Shock Hazard | The danger of Shock or electrocution. |
![]() | WARNING! Burn/Fire Hazard | The danger of hot surfaces and/or fire. |
![]() | CAUTION! Hazard to Equipment | This type of notation indicates that the hazard may cause damage to the equipment. |
| IMPORTANT | This type of notation indicates that the information provided is important to the installation, operation, and/or maintenance of the equipment. Failure to follow the recommendations in such a notation could result in the annulment of the equipment warranty. |
General Safety
| WARNING! Limitations on Use | This equipment is NOT intended for use with life support equipment or other medical equipment or devices. | |
![]() | CAUTION! Equipment Damage | This product is designed for indoor/compartment installation. It must not be exposed to any liquids or moisture of any type. |
| Only use components or accessories recommended or sold by Go Power! or its authorized agents. | ||
| IMPORTANT | Do not attempt to install this equipment if it appears to be damaged in any way. See the Warranty section for instructions on returning the equipment. |
Personal Safety
| WARNING! Personal Injury | Use safe lifting techniques when lifting this equipment as recommended by the Occupational Safety and Health Association (OSHA) or other local codes. | |
| Use standard safety equipment when working on this equipment, such as safety glasses, ear protection, steel-toed safety boots, safety hard hats, etc. | ||
| Use standard safety practices when working with electrical equipment. (Remove all jewelry, use insulated tools, wear cotton clothing, etc.) | ||
| Never work alone when installing or servicing this equipment. Have someone nearby that can assist if necessary. | ||
| Do not touch the Inverter/Charger during operation. The temperature of some parts of the inverter may exceed 60° during operation. Let it cool for at least 5 minutes after shutdown before touching it. | ||
| Ensure that children, pets, and other animals are kept away from the inverter, solar arrays, battery bank, and utility grid components. | ||
| If the equipment is used in a manner not specified by the manufacturer, the protection provided by the equipment may be impaired. |
![]() | WARNING! Lethal Voltage | Review the system configuration to identify all possible sources of energy. Ensure ALL sources of power are disconnected before performing any installation or maintenance on this equipment. Confirm that the terminals are de-energized using a validated voltmeter (rated for a minimum 1000 VAC and 1000 VDC) to verify the de-energized condition. |
| Do not perform any servicing other than that specified in the installation instructions unless qualified to do so, or have been instructed to do so by Go Power! Technical Support personnel. | ||
| To avoid electric shock, disconnect the DC input and AC input of the inverter at least 5 minutes before performing any installation or maintenance. | ||
| Do not tighten the AC and DC terminals or pull on the AC and DC wiring when the inverter is running. | ||
![]() | WARNING! Fire Hazard | Do not keep combustible or flammable materials in the same room with the equipment. Some products contain relays with moving parts and are not ignition-protected. |
| Ensure AC, DC, and ground cable sizes conform to local codes. See product manuals for minimum size requirements. | ||
| Ensure all conductors are in good condition. | ||
| Do not operate the unit with damaged or substandard cabling. | ||
![]() | CAUTION! Equipment Damage | When connecting cables from the inverter to the battery terminals, ensure the proper polarity is observed. Connecting the cables incorrectly can damage or destroy the equipment and the warranty may be annulled. |
| Thoroughly inspect the equipment prior to energizing. Verify that no tools or equipment have been inadvertently left behind. | ||
| Ensure clearance requirements are strictly enforced. | ||
| Keep all vents clear of obstructions that can prevent proper airflow around, or through, the unit. | ||
![]() | CAUTION! Equipment Damage | Static electricity may damage electronic components. Take appropriate steps to prevent such damage to the inverter; otherwise, the warranty may be annulled. |
![]() WARNING!Explosion, Electrocution, or Fire Hazard | Ensure the cables (conductors) are properly sized. |
| Ensure clearance requirements around the batteries are strictly enforced. | |
| Ensure the area around the batteries is well-ventilated and clean of debris. | |
| Never smoke, or allow a spark or flame, near the batteries. | |
| Always use insulated tools. Avoid dropping tools onto batteries or other electrical parts. | |
| Never charge a frozen battery. | |
| Never use old or untested batteries. Check each battery’s label for age, type, and date code to ensure all batteries are identical. | |
| If a battery must be removed, always remove the grounded terminal from the battery first. Make sure all devices are de-energized or disconnected to avoid causing a spark. | |
IMPORTANT | Use the battery types recommended by Go Power!. Follow the battery manufacturer’s recommendations for installation and maintenance. |
| Insulate batteries as appropriate against freezing temperatures. A discharged battery will freeze more easily than a charged one. | |
| If a remote or automatic generator control system is used, disable the starting circuit and/or disconnect the generator from its starting battery while performing maintenance to prevent accidental starting. | |
| Wear complete eye and clothing protection when working with batteries. Avoid touching bare skin or eyes while working near batteries. | |
| Keep plenty of fresh water and soap nearby in case battery acid contacts skin, nothing, or eyes. | |
| If battery acid contacts skin or clothing, wash immediately with soap and water. If acid enters the eye, immediately flood it with cold running water for at least 20 minutes and get medical attention as soon as possible. |
2.2 DISCLAIMERS
IMPORTANT: Please follow installation and wiring instructions exactly as outlined to ensure safety. We recommend installation by an RV technician or professional electrician to ensure adherence to relevant electrical codes. We have made every reasonable effort to ensure the accuracy of the instructions in this manual, but Go Power! does not guarantee that the information is error-free, nor do we make any other representation, warranty, or guarantee that the information is accurate, correct, reliable, or current. The specifications in this manual are for reference purposes only and are subject to change without notice. For additional information please see www.gpelectric.com.
DISCLAIMER: Go Power! disclaims liability for any direct, indirect, or incidental damages caused by, or in case of, installation not performed following the instructions and cautions in this manual. Go Power! will refuse requests for exchanges or returns, resulting from the purchase and installation of items that do not comply with local codes. To avoid such concerns Go Power! recommends installation by a professional electrician or RV technician. Examples that are shown within this manual are for illustrative purposes only.
2.3 IC SERIES KIT PARTS
Note Please unpack and make sure all parts shown in the list below are included in the kit. If any parts are missing please contact Go Power!’s customer service team at [email protected] or 1.866.247.6527.
2.3.1 PARTS CHECKLIST
| ITEM # | DESCRIPTION | |
| 1 | IC Series Inverter/Charger | 1 |
| 2 | Battery Temperature Sensor | 1 |
| 3 | DC Terminal Covers (Black and Red) | 2 |
| 4 | Phillips screw | 8 |
| 5 | M8 x 1.25 Nut, Split Washer, Flat Washer (installed on DC Terminals) | 2 |
| 6 | 3/8” Ring Lug | 2 |
| 7 | Spanish Warning Label (not shown below) | 1 |

2.4 UNIT FEATURES
| 1 | AC Emry/Exit Terminals – Two 1-3/8″ knockouts provided to accommodate up to 1-1/4″ 50 amp RV Cable. Strain relief clamps provided to secure the AC input and output wires. |
| 2 | DC Ground Terminal – Use this connection to ground the exposed chassis of the inverter to the DC grounding system. This terminal accepts CU/AL conductors from #14 to #2 AWG (2.1 to 33.6mm”). |
| 3 | Remote Control Port – Use this port to connect the optional remote control unit to the Inverter/Charger. |
| 4 | Battery Temperature Sensor Port – Use this port to connect the battery temperature sensor to the Inverter/Charger. |
| 5 | Mounting Flange – Use this to secure the Inverter/Charger to the mounting surface. |
| 6 | Negative (-) DC Terminal – Use this connection point to secure the battery bank negative (-) cable to the Inverter/Charger. Always ensure the DC terminal cover is used to protect this terminal. |
| 7 | Positive (+) DC Terminal – Use this connection point to secure the battery bank positive (+) cable to the Inverter/Charger. Always ensure the DC terminal cover is used to protect this terminal. |
| 8 | Intake Air Vents – These cut-outs are used as ventilation openings. Air is drawn in through the front of the Inverter/Charger and passes through to keep the electronics cool for optimum performance. |
| 9 | Status LED – Green, Red Blink, Red Fast Blink, Orange Solid, Orange Blink & Orange Fast Blink Status. See page 38 for further explanation. |
| 10 | Inverter/Charger LED – Inverter Mode = Solid Green Charging Mode = Green Blink |
| 11 | Power ON/OFF Switch – This push button switch can be used to turn the unit on/off. Warning! Power OFF does not disconnect the batteries or AC power source. Therefore, the “AC output load” is still active. |

| 12 | Dip Switches – Reserved for future use. |
| 13 | Exhaust Air Vents – These cut-outs are used as ventilation openings. Air is drawn in through the front of the Inverter/Charger and passes through to keep the electronics cool for optimum performance. |
| 14 | Serial Number Label – This label displays the unit serial number, date of manufacture, and Inverter/Charger specifications. |
| 15 | AC Input Circuit Breaker – CB1 & CB2 – These circuit breakers protect the unit’s internal charger wiring and pass-through relay when in AC pass-through mode. Press in to reset. The input circuit breakers are not branch-rated. |
| 16 | AC Access Cover – Remove this panel to access the internal wiring terminal block. This terminal block is used to hardwire all inverter AC input and output wiring connections. |
| 17 | Built-In Handles – Use these handles to safely move the Inverter/Charger |
WARNING: Turning the unit OFF does not disconnect the batteries or AC power source. Therefore, the “AC output load” is still active.
CAUTION: This Inverter does not include any output circuit breakers. So 20A branch-rated circuit breakers must be installed in the inverter’s output wiring (breaker panel).
CAUTION: The Inverter’s internal transfer AC transfer relay is rated for 50 amps per leg. The pass-through current must be no greater than 50 amps per leg or damage to the relays and/or the input circuit breakers may occur.
2.5 UNIT DIMENSIONS
2.6 UNIT ACCESSORIES
The IC Series Inverter/Charger has two accessories available:
- IC Series remote (not included).
- Battery temperature sensor (included).
IC Series Remote
This remote control device can be used for monitoring the performance of the unit. It is also used to program certain settings on the Inverter, Charger, and AC pass-through.
Battery Temperature Sensor (BTS)
This sensor monitors the temperature of the battery bank. The temperature data is used to provide optimum battery charging even during extreme temperature changes. 
2.7 REQUIRED TOOLS AND MATERIALS
| Required Tools a. 13mm or adjustable wrench b. Screwdriver (Phillips & Flathead) c. Wire strippers and cutters d. Electric hand drill and drill bits | Optional Tools e. Keyhole saw f. Pencil or marker g. Pliers h. Caulking gun i. Sealant j. Digital multimeter k. Torque driver l. Butt splice crimping tool |
| Materials a. Conduit b. Strain-reliefs c. Electrical tape (Black, Red, Green, Blue, Brown, White) d. Zip-ties e. Mounting hardware |
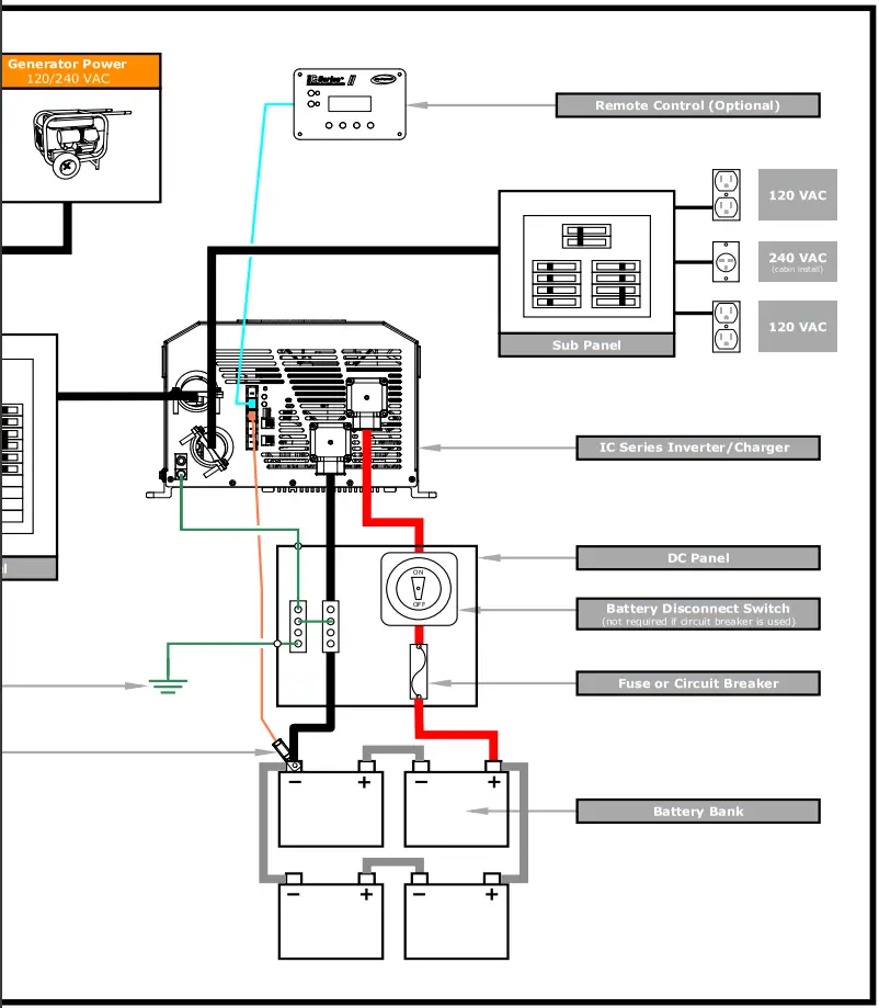
3.1 TYPICAL SYSTEM OVERVIEW
The following diagrams on pages 12-15 show how the IC Series is typically installed in a mobile RV application. The diagrams show where the Inverter/Charger is installed and how the mobile power system can be integrated with a Go Power! RV Solar Kit (sold separately by Go Power; please contact us directly.)



3.2 LOCATION AND ENVIRONMENTAL REQUIREMENTS
The IC Series Inverter/Charger must be installed in a location that meets the following requirements:
1. TEMPERATURE
Make sure the Inverter/Charger is installed in a location where the normal air temperature is between 0 °C and 50 °C. The cooler the better within this range. Note the IC Series maximum output wattage will derate in temperatures above 45 °C.
2. MOISTURE
Do not allow water or other fluids to come into contact with the IC Series Inverter/Charger. Do not expose to rain, snow, or water.
CAUTION! Equipment Damage. Installing the IC Series Inverter/Charger in environments where moisture may occur will cause the Inverter/Charger to be exposed to the harmful effects of corrosive environments and the service life of certain components will be compromised and not covered by the warranty.
3. VENTILATION
For optimum Inverter/Charger performance the IC Series Inverter/Charger must be installed so the front, side and rear air vents are not blocked or obstructed in any way. Do not install the Inverter/Charger in an area with limited air flow. Allow as much space around the Inverter/Charger as possible, leaving at least 6” of airspace clearance around all ventilation areas.
CAUTION! Equipment Damage. Do not mount the Inverter/Charger in a zero clearance compartment. Do not cover the ventilation openings. Overheating and mechanical failure may occur.
4. FIRE
Install the Inverter/Charger away from the battery bank, away from any flammable or combustible material (paper, flammable liquids, gasoline, cloths) that may be ignited by heat, sparks, or flames. Never place the Inverter/Charger directly above the battery bank.
Gases from the batteries will corrode and damage the Inverter/Charger. Never allow battery acid to drip onto the unit.
5. ACCESSIBILITY/ORIENTATION
Do not block access to the IC Series remote control and battery temperature access ports, status LEDs and the On/Off switch. Allow enough room to access the AC and DC wiring terminals and connections as they will need to be checked and tightened periodically. The Inverter/Charger must be installed in one of the approved mounting orientations detailed on page 17.
6. CLEAN
The Inverter/Charger should be installed in a location that is clean and limits the introduction of dust, fumes, insects, or rodents that could enter and block the Inverter/Charger’s ventilation openings.
7. PROXIMITY TO BATTERY BANK
The Inverter/Charger should be located as close to the batteries as possible but not within the same compartment. The length and size of the DC Cables will affect performance. Long DC wires tend to lose efficiency and reduce the overall performance of the Inverter/ Charger. Use the DC cables recommended on page 20.
3.3 MOUNTING THE INVERTER/CHARGER
Before connecting any wires to the Inverter/Charger the unit must be mounted securely in a location that meets the requirements detailed in section 3.2.
The GP-IC-2000 weighs: 39 lbs (17.6kg). The GP-IC-3000 weighs: 52lbs (23.6kg). Take the necessary precautions required whilst lifting, moving, and installing the unit. It is recommended to use two people whilst mounting the unit. All mounting surfaces and hardware must be capable of supporting at least twice the weight of the Inverter/Charger.
The Inverter/Charger base can reach high temperatures and should be mounted on a non-combustible surface.
IC Series Inverter Chargers must be mounted in the positions highlighted below to meet regulatory requirements.
After determining the mounting position use the dimensions on page 10 or use the base of the Inverter/Charger to mark the mounting screw locations. Mount the unit with the appropriate mounting hardware (not supplied). Ensure the unit is fastened securely.
The IC Series Inverter/Charger is Marine UL listed. In order to properly mount the Inverter/Charger in a marine application, you must use a drip shield. Please follow the installation instructions below.
1. Use the screws to mount the drip shield
2. Use the screws to mount the GP-IC-2000 under the drip shield. Please make sure the height from the ground to the GP-IC-2000 is at least
1. Use the screws to mount the drip shield and the Inverter/ Charger together to the ceiling.
2. Ensure the Inverter/Charger is centered and that there is at least 8″ (20cm)of space 
3.4 GENERAL WIRING SPECIFICATIONS
The following sections detail how the IC Series Inverter/Charger should be wired. Before starting any wiring, read and understand these instructions. Wiring should meet all local codes and standards and be performed by qualified personnel such as a licensed electrician. The NEC (National Electrical Code) and CEC (Canadian Electrical Code) provide the standards for safely wiring, wire sizes, over-current protection, installation methods, and requirements.
IC Series systems can handle power from multiple sources (utility, generator, and batteries) which make the wiring hazardous and challenging.
The input and output AC and DC circuits are isolated from the Inverter/Charger chassis. The Inverter/Charger grounding is the responsibility of the installer in accordance with NEC/CEC or the local electrical codes.
CABLE PROTECTION
All the DC and AC cables leading to/from the Inverter/Charger must be protected as required by code. This can be accomplished using jacketed (armored) cable or by feeding the wire through a conduit.
CABLE STRAIN RELIEF & TORQUE REQUIREMENTS
The Inverter/Charger AC input/output terminals can handle multi-core cables up to 1.3” in diameter. If using large diameter cable it is highly recommended to use additional (non-metallic) cable strain relief clamps mounted outside the Inverter/Charger. These will ease the torque and leverage forces that could be present at the cable entry/exit locations.
Torque all AC and DC wiring connections, (including the manufacturer’s side of the mounting block), to 16 in lbf (1.8 N-m), make sure the connections are secure and re-check all connections periodically (at least every 6 months; more frequently for heavy RV use) to make sure they remain secure.
CABLE REQUIREMENTS
- Protect all conductors that may be at risk of physical damage by using conduit, or tape, or placing them in a raceway.
- Do not mix AC and DC Wiring in the same conduit or panel. Where DC wiring must cross AC, try to make sure the wires cross perpendicular to each other.
- Both AC and DC over-current protection must be provided.
- The Inverter/Charger requires a reliable negative and ground return path to the battery.
- Use only copper wires with a minimum temperature rating of 75 °C.
CABLE LAYOUT PLANNING
Before connecting any cables, determine all cable routes to/from the Inverter/Charger.
- AC Input cables from the external transfer switch (if using shore and generator).
- DC Input cables from the batteries.
- AC Output cables from the Inverter/Charger to the AC breaker panel.
- Battery Temperature Sensor cable from the Inverter/Charger to the batteries.
- Remote Control cable to the Inverter/Charger.
- Ground wiring to/from the Inverter/Charger.
3.5 DC WIRING
The cables linking the Inverter/Charger to the battery bank are the DC cables. These cables handle the Direct Current power used to charge the batteries (Charging Mode) and power the main appliances (Inverter Mode). It is important to select the correct wire size and to provide adequate over-current protection between the Inverter/Charger and battery bank.
The following points must be observed for the DC Wiring.
- The DC positive and negative cables connected to the Inverter/Charger from the battery bank should be linked together with zip ties or electrical tape every 6” (15cm). This helps to reduce radio frequency interference and reduces the effects of inductance, both of which improve the Inverter/Charger waveform and reduce the wear of the filter capacitors.
- To ensure optimum Inverter/Charger performance, the number of connections between the battery bank and the Inverter/Charger unit should be minimized except the over-current and battery disconnect devices. All additional connection points will cause extra voltage drops.
- The Battery bank voltage must match the DC voltage required by the IC Series, which is 12V. Do not connect a 24V battery bank to the Inverter/Charger.
- All DC cable wire terminations should use crimped and sealed copper ring terminal lugs. Lugs with an 8mm (5/16”) hole should be used to connect the DC cables to the Inverter/Charger’s DC terminals.
- Make sure all cables have a smooth bend radius and no kinks are present.
- Colour code all DC Cables coming to/from the battery bank. Use colored electrical tape or heat shrink tubing. Red for positive (+), Black for negative (-), and Green for DC ground.
NOTE: Properly rated bus bars and battery disconnects are recommended but not required..
3.5.1 DC WIRE SIZING
The distance between the battery bank and the Inverter/Charger should be as short as possible to achieve maximum efficiency and to reduce fire hazards. The cables should be as short as possible and the overall length of both cables added together should be less than 10 ft (3m) to comply with code requirements. Keeping your wire runs as short as possible helps to prevent low voltage shutdowns and nuisance tripping of the DC breaker because of increased current draw. The table below shows the recommended DC cable size, fuses/circuit breakers, and DC grounding cable sizes for the IC Series (Note: these values are correct for cables in free air, not conduit)
| DC Cable Size | Inline Fuse/Circuit Breaker | Overall Length of Positive and Negative Cable combined | Recommended Go Power! DC Kit | DC Grounding Cable Size |
| No. 2/0 AWG | 300A Class T | 10 ft (3m) | #4 | No. 6 AWG |
| No. 4/0 AWG | 400A Class T | 10 ft (3m) | #5 | No. 6 AWG |
3.5.2 DC OVERCURRENT PROTECTION AND DC DISCONNECT
Batteries are capable of providing very large currents in case of a short circuit. If this occurs with no DC overcurrent protection, it will result in overheating and melting of the cables and possibly serious injury and/or fire.
DC overcurrent protection is not included with the IC Series. It must be installed between the Inverter/Charger and battery bank for safety reasons and to comply with code regulations.
Use a very fast-acting DC fuse or circuit breaker in the positive cable, the fuse should be installed as close to possible to the battery positive terminal. Ideally, the fuse/circuit breaker should be installed within 18” (45cm of the battery). The fuse required for DC Cable lengths up to 5ft is detailed in the above table.
In all installations, a battery disconnect switch is required. If you install a circuit breaker for overcurrent protection this will suffice as a disconnect switch. If you install a fuse for overcurrent protection, then a separate disconnect switch will need to be installed.
3.5.3 PREPARING THE DC CABLES
Go Power! supplies 2 ring lugs with the IC Series, which can be used for the Inverter/Charger end of the DC Cables. Source the correct ring terminals for the batteries you are using.
- Cut the negative and positive cables to the required length.
- Strip off enough insulation so you can install the ring lugs provided.
- Use the correct crimp connector to install the ring lugs.
- Attach the connectors to both ends of both cables. Make sure no stray wire strands protrude from the connectors.
3.5.4 DC CABLE CONNECTIONS
When installing the battery cable ring lug onto the Inverter/Charger DC terminal and the battery post, do not put anything between the ring lug and the metal surface. Incorrectly installed hardware causes a high resistance connection which could lead to poor Inverter/ Charger performance and may melt the cable and terminal connections. Refer to the figures on page 21 to connect the DC Cables and to install the hardware correctly. Use a 13mm wrench or socket to tighten the M8 x 1.25mm Nuts. Tighten the terminal connections securely. Periodically check the connections to make sure they remain tight and secure at 16 in lbf (1.8 N-m).
To help prevent seizing and corrosion around the terminals, the use of an anti-seize lubricant is highly recommended. Apply the antioxidant grease or spray after all the connections are made and tightened. 
3.5.5 BATTERY TEMPERATURE SENSOR INSTALLATION
The Battery Temperature Sensor (BTS) extends the life of the battery by preventing overcharging in warm temperatures and undercharging in cold temperatures. The BTS provides the Inverter/Charger with precise battery temperature information to automatically adjust the absorb and float charge voltage set points. If the BTS is NOT installed and the battery bank is subjected to large temperature changes, the battery life will be reduced.
- Install the battery temperature sensor ring terminal onto the NEGATIVE battery terminal.
- Route the sensor’s cable to the Inverter/Charger following existing wire runs.
- Connect the RJ11 connector end of the BTS cable to the “Battery Temp” port on the Inverter/Charger.

3.5.6 WIRING THE INVERTER/CHARGER TO THE BATTERY BANK
WARNING: Lethal currents will be present if the positive and negative cables attached to the battery bank touch each other. During the installation and wiring process, ensure the cable ends are insulated or covered to prevent shorting the cables.
WARNING: DO NOT connect the DC Wires from the battery bank to the Inverter/Charger until all the DC and AC wiring is complete and the AC and DC overcurrent protection has been installed.
The IC Series are 12V Inverter/Chargers so the battery bank must be wired in series, parallel, or series-parallel to provide the correct voltage: 12V. Example battery configurations are shown on page 23. The interconnecting wires between the individual batteries must be sized and rated exactly the same as those used between the battery bank and Inverter/Charger.
For the IC Series to perform optimally a 200Ahr battery bank must be used for light/moderate loads (<1000W) and for heavy loads of 1000W> a 400Ahr battery bank is recommended.
To ensure the best performance from your Inverter/Charger system, batteries should be the same size, type, rating, and age. Do not use old or untested batteries.
WARNING: The Inverter/Charger is not reverse polarity protected. If the Inverter/Charger is wired incorrectly severe damage will occur and will not be covered by the warranty. It is advised to clearly mark the positive and negative cables coming from the battery bank. Use red and black electrical tape to clearly indicate positive and negative cables.
DC Positive and Negative Wires
- Connect the negative cable from the battery bank negative terminal to the Inverter/Charger’s negative terminal. Mount the DC circuit breaker or fuse assembly and leave it open (no power to the Inverter/Charger). Connect the positive cables from the circuit breaker/fuse to the battery bank and to the Inverter/Chargers positive terminal.
- Ensure the DC wire connections are flush on the surface of the DC terminals and the hardware used to hold these connections are stacked correctly. Verify all DC connections are secured tightly.
- Attach the red and black terminal covers (see below) over the Inverter/Charger’s DC connectors and secure them in place with the supplied screws.

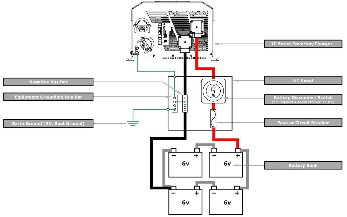
3.5.7 BATTERY BANK CONFIGURATIONS

3.5.8 DC GROUNDING
To protect against electrical shock hazards the IC Series metal chassis must be connected to the DC grounding system. The DC grounding system is sometimes referred to as the earth ground or another designated ground. For example, on an RV, the metal frame of the RV is designated as the negative DC ground/RV ground. On a boat, the ground is simply referred to as boat ground.
The IC Series Inverter/Charger consists of a DC and an AC section that are isolated through a transformer. Both these sections are required to be grounded appropriately.
The DC ground wire connection on the IC Series is used to connect the exposed chassis of the Inverter/Charger to the DC grounding system. Use copper wire that is either bare or provided with green insulation. This terminal accepts CU/AL conductors from #14 to #2 AWG (2.1 to 33.6mm2). The size of this conductor should be coordinated with the size of the over-current devices used.
In Marine Applications the DC Ground wire has to be the same size as the battery negative cable. To attach a larger gauge wire, follow these steps:
- Remove the M8mm nut and star washer holding the DC ground wire connection boss to the metal chassis.

- Remove the connection boss and store safely.
- Attach the correctly sized ground cable with a ring terminal to the Inverter/Charger Chassis. The ring terminal must have a hole size ≥ 1/4”.
- Place the M8mm nut and star washer over the ground cable and securely tighten the nut.
DC grounding involves proper grounding of the negative terminal of the battery, the DC panel, and the DC side of the Inverter/Charger. The DC panel is normally used to connect the batteries and distribute DC power to the Inverter/Charger and to the other DC loads.
A common earth ground should be used to bond the Inverter/Charger, negative bus bar, and the negative battery terminal. All connections must be tight against bare metal. Use star washers to penetrate paint and corrosion.
3.6 AC WIRING
The AC cables link the Inverter/Charger to the main panel and the sub panel. These cables handle the incoming alternating current (AC) utility or generator power which can be passed through the Inverter/Charger to directly power the main appliances (pass-through mode) and/or used to charge the batteries (charging mode). It is important to select the correct wire size and to provide adequate over-current protection between the Inverter/Charger main panel and sub panel.
The following points must be observed for the AC Wiring:
- Review the safety information at the start of this manual before completing any AC wire installation steps.
- All AC Wiring must be approved for the application (RV, Marine, Residential). For RV applications, this may be solid wire in multi-conductor cables, but the stranded wire is required if single conductors are used.
- All wiring must be rated to 75°C or higher.
- Do not connect the AC Output to an AC Power source (generator/shore power). Severe damage may occur and will not be covered under the warranty.
- Always use properly rated circuit breakers/fuses.
- Color code and label all AC Cables coming to/from the Inverter/Charger. Use colored electrical tape or heat shrink tubing.
- Make sure all cables have a smooth bend radius and no kinks are present.
3.6.1 AC POWER SOURCE TYPES
AC Input power to the IC Series can be supplied from a split-phase or dual-input single-phase AC source. These sources typically include utility power or a generator.
- Split Phase: This source has 4 lines: 2 Hot Lines, one neutral, and one ground. The 2 hotlines are 120VAC and are 180 degrees out of phase with each other so that the 2 voltages equal 240VAC. The voltage between each hot line and neutral is 120VAC and the voltage between the neutral and ground is approximately zero. Because the 2 lines
are out of phase, the currents from each line subtract in the neutral, and the neutral current will be approximately zero if the loads on each line are equal. For example, if Hot 1 is supplying 20A and Hot 2 is supplying 15A, the current in the neutral will be 5A. - Dual Input: This source has 4 lines: 2 Hotlines, one neutral, and one ground. The 2 Hot Lines are 120VAC and are in phase and must come from the same source. The voltage between the 2 hotlines is zero. The voltage between each hotline and the neutral is 120VAC and the voltage between the neutral and the ground is approximately zero. Because the 2 lines are in phase, the currents from each line add together in the neutral. For example, if Hot 1 is supplying 20A and Hot 2 is supplying 15A, the current in the neutral will be 35A.
3.6.2 AC WIRE SIZE AND OVERCURRENT PROTECTION
The wires used for the Input AC and Output AC must be sized to meet local electrical safety requirements. The AC wiring must be protected from short circuits and overloads by an overcurrent protection device. These requirements are usually met using a main panel and sub-panel (with suitable circuit breakers/fuses installed) located before and after the Inverter/Charger as shown on pages 30-33.
CAUTION: The IC Series inverters’ internal transfer contacts are rated for 50 amps, The pass-through current for relay contact must be no greater than 50 amps or damage to this relay may occur.
3.6.3 GFCI (GROUND FAULT CIRCUIT INTERRUPTION) OUTLETS
Compliance with UL standards requires that Go Power! test and recommend specific GFCIs for use on the AC output of the IC Series. GFCIs shall be installed in the AC output wiring system to protect all branch circuits.
A GFCI is a device that de-energizes a circuit when a current exceeds a specified value that is less than that required to open the circuit breaker. GFCIs are intended to protect people from electric shocks and are usually required in wet or damp locations.
The table below lists GFCIs that have been tested and will function properly when connected to the AC output of the Inverter/Charger.
| MANUFACTURER | MODEL NUMBER |
| Cooper Wiring Devices | SGF20 |
| Leviton Mfg Co Inc | GFNT2 |
| Hubbell Inc Wiring Device Dev | GFRST20 |
| Pass & Seymour Inc | 2097 |

3.6.4 AC TERMINAL BLOCK CONNECTIONS
The IC Series has a six-pole AC terminal block and two AC ground terminals to connect the Inverter/Charger’s AC input and output wiring.
The terminal block and ground terminals can be accessed by removing the three Phillips screws holding the AC cover plate.
Each connection on the AC terminal block is rated to accept one #14 to #6 AWG CU stranded wire, or two #12 AWG CU stranded wires. Use a flathead screwdriver to release and tighten the set screws.
The AC ground terminals can accept two #14 to #6 AWG CU stranded wires. Use a flathead screwdriver to release and tighten the set screws.
The IC Series’ ACN-IN and ACN-OUT terminals are electrically isolated from each other when in “inverting mode”, which helps to prevent ground loops. If the installation requires the AC Input and AC Output neutrals to be connected together, the Inverter/ Charger’s neutral-to-ground connection must be disconnected (See section 3.6.11).
3.6.5 AC CONDUCTOR WIRING
Make sure the IC Series is fully disconnected from the battery bank and no AC power is connected to the Inverter/ Charger before commencing any AC wiring connections. Tighten terminal blocks on both sides periodically to correct torque specs.
AC INPUTS WIRING (50A Dual IN, Dual Out Configuration)
- Remove the AC cover plate.
- Route the wires: IN1 (Hot1), IN2 (Hot2), ACN-IN (neutral), and Ground from the main panel through the AC Input strain relief clamp. Tighten the strain relief clamp securely on the wires. Always leave a little extra slack in the wiring.
- Connect the HOT1 wire (black) from the main panel to the Inverter/Chargers IN1 terminal. Connect the HOT2 wire (red) from the main panel to the Inverter/Charger’s IN2 terminal. Tighten the terminals securely, to 16 in lbf (1.8 N-m).
Note: To use the Battery Charger, IN1 must always be connected to an AC Input. - Connect the NEUTRAL (white) from the main panel to the Inverter/Chargers ACN-IN terminal. Tighten the terminal securely to 16 in lbf (1.8 N-m).

AC OUTPUTS WIRING
- Route the wires (hot, neutral, and ground) from the sub panel through the AC INV. Output strain relief clamp. Tighten the strain relief clamp securely on the wires. Always leave a little extra slack in the wiring.
- Connect the OUT1 wire (black) and OUT2 (red) from the Inverter/Charger to the sub panel. Tighten the terminals securely, to 16 in lbf (1.8 N-m).
- Connect the ACN-OUT Neutral out (white) from the Inverter/Charger to the sub panel. Tighten the terminal securely, to 16 in lbf (1.8 N-m).
- To prevent possible damage to the case, always add additional external non-conductive strain relief when using large diameter multi-conductor cables for AC inputs and AC outputs
NOTE Double-check the manufacturer’s side of the terminal block. Tighten to 16 in lbf (1.8 N-m) if they come loose.
AC GROUND WIRING
- Connect the ground (Green) wire from the main panel to the AC Ground IN terminal. Tighten the terminal securely, to 16 in-lbs (1.8 N-m)
- Connect the ground (Green) wire from the sub panel to the AC Ground OUT terminal. Tighten the terminal securely, to 16 in-lbs (1.8 N-m)
Note The Ground terminals are lugs and they are not labeled within the compartment. See the diagram on the following page.
AC WIRING CHECKS
- Ensure all wires are secured. In RV applications use zip ties or other non-conductive fasteners to prevent chaffing or damage from movement and vibration.
- Ensure strain reliefs or grommets are in place to prevent damage to the wiring or conduit where it passes through the walls/bulkheads or other openings.
- If using a large diameter multi-core cable, add additional external non-conductive strain relief(s) to prevent damage to the Inverter/Charger case.
- After checking all AC connections and ensuring all the terminal set screws are tightened securely, replace the AC Cover Plate, 3 x Phillips set screws, and the covers on the main and sub-panels.
AC WIRING FOR MARINE APPLICATIONS
To comply with American Boat and Yacht Council (ABYC) requirements for marine installations, all wire connections into the AC terminal blocks must be protected with stainless steel wire protectors such as pin terminals to prevent wire damage from the set screw.
3.6.6 AC WIRING 1 – SINGLE PHASE, ≤30A SERVICE, SINGLE IN/SINGLE OUT [NO SUB PANEL]
3.6.7 AC WIRING 2 – SINGLE PHASE, 30A> SERVICE, SINGLE IN /SINGLE OUT [SUB PANEL]
3.6.8 AC WIRING 3 – SPLIT PHASE, 50A SERVICE, DUAL IN, DUAL OUT, OPTION 1 [NO SUB PANEL]
3.6.9 AC WIRING 4 – SPLIT PHASE, 50A SERVICE, DUAL IN, DUAL OUT, OPTION 2 [SUB PANEL]
3.6.10 GROUNDING THE INVERTER – AC GROUNDING
The IC Series Inverter/Charger should always be connected to a permanent, grounded wiring system. An Inverter/Charger system that is properly grounded will reduce the risk of electric shock, and reduce radio frequency noise. The main aim of any grounding system is to provide a well-defined, very low resistance path from the electrical system to the grounding system. The low resistance grounding path carries fault currents directly to the ground if the electrical system malfunctions.
The neutral and safe ground should be connected at the AC source. The AC source could be shore power (utility power), generator or Inverter (battery bank). The AC neutral should be connected to one safety ground at a time. This single connection is required to make the electrical panels neutral line safe by connecting it to the ground. If more than one connection between the neutral and ground is made, currents can circulate between neutral and ground and cause ground loop currents. Ground loop currents can trip GFCIs and cause an electric shock hazard.
When using the IC Series in inverting mode and when using multiple other AC power sources (shore or generator power), there is the potential of having multiple connections between neutral and ground. The Inverter/Charger automatically switches the neutral to the ground when switching from Inverting to AC pass-through mode.
In inverting mode the relays switch to position 1. This means the AC neutral output is connected to the chassis ground on the IC Series, which is usually connected to the earth ground on the RV, work truck, or boat.
In AC pass-through mode, the relays switch to position 2. The chassis ground to neutral output on the Inverter/Charger is disconnected and the AC power source neutral to ground (usually located at utility panel or generator) is used to provide the neutral to ground for the AC power being used in the RV, work truck, or boat.
3.6.11 DISABLING THE NEUTRAL TO CHASSIS GROUND CONNECTION
The IC Series Inverter/Charger has the automatic neutral to ground switching feature enabled as a factory default setting. In some installations, this feature must be physically disabled by disconnecting the neutral to chassis ground connection. Please consult your local code requirements to see if this feature must be physically disconnected.
The chassis ground connection (used for AC and DC grounding) on the outside of the Inverter/Charger should still be connected to the system’s earth ground, even if the ground to neutral switching has been disabled.
WARNING: Disconnect all AC and DC power sources before working in the AC terminal wiring area.
- Remove the AC cover plate.
- Locate the two ground terminals. To the left of these connectors is a Phillips screw. This screw must be unscrewed and removed from the compartment. Keep this screw in a safe place.
- Re-attach the AC cover plate.

3.6.12 GROUNDING ON BOATS
If you are installing the IC Series Inverter/Charger on a boat there are some specific guidelines/standards to follow. The Inverter/Charger must be installed adhering to the standards of the ABYC (American Boat and Yacht Council). Some guidelines are outlined below but these notes do not replace the full guidelines detailed in the ABYC standard. Always install the Inverter/Charger using the ABYC standard as the primary reference.
Safe AC and DC Ground Connection
As detailed in the last section when the AC power source is being supplied by shore power (marina) the onboard neutral must be connected to the safety ground on the dock. This feature is automatically taken care of by the Inverter/Charger. When the AC power source is being supplied by the Inverter (battery bank) the onboard neutral must be connected to the common boat ground. The DC ground terminal must also be connected to the common boat ground. This ensures that both the AC and DC ground are connected to one common boat ground.
Corrosion
The IC Series’ AC and DC terminals must be connected to the common boat ground to provide an important safety feature. This ground connection can introduce the risk of galvanic corrosion and/or electrolysis of the boat’s underwater metallic hardware. A galvanic isolator or an onboard isolation transformer can be used to prevent galvanic corrosion.
3.7 FINAL INSPECTION
- Verify all cables/conduit runs are secured with zip ties or other non-conductive cable clamps to prevent damage from vibration.
- Ensure all cables that pass-through walls, bulkheads, or any other openings are protected against abrasion by using strain reliefs and/or grommets.
- Check all AC, DC and ground connections are securely tightened, and if required, covered with suitable anti-seizing grease.
- Check the AC terminal connection cover plate has been securely re-attached.
- Check all connections are secure in the main and sub-panels. Replace all covers.
- If required by code, have the installation inspected by an electrical inspector.
3.8 TESTING THE INSTALLATION
- Apply battery power to the inverter by engaging the fuse, switching the breaker on or switching the battery disconnect switch to the ON position. The Inverter/Charger will remain off.
- Disconnect all AC loads from the breaker panel by switching the main on/off the breaker or all individual breakers to the OFF position.
- Press the ON/OFF button. Verify the inverter turns on and its status indicator shows solid green (ON).
- Turn the inverter off then connect a 25W light bulb to the inverter output. Verify the light comes on and shines normally when the inverter is switched back on. A dim light will indicate poor AC output. The exact output can be checked at the remote if installed.
The remote should also indicate if the inverter is in Inverting mode by the “INV” symbol in the lower-left corner of the display. - Press and release the ON/OFF button to turn the Inverter / Charger off, the bulb will turn off and the status indicator will turn off.
- Turn the inverter back on. Note: the inverter must be turned on before shore power is applied. Apply AC shore power (utility or generator) to the Inverter/Charger. After around 10 seconds the Inverter / Charger will click and the incoming power will be passed through and the light bulb will turn on. The status indicator on the inverter will be green. The remote should indicate the inverter is in charge (CHR) mode.
Note: Once shore power is applied the inverter cannot be turned off as it requires power from the inverter to run the pass-through mode to the transfer switch. When shore power is removed the inverter can be turned off. - Turn on one AC load at the fuse panel and determine if AC is applied to this circuit. If AC is present slowly turn each load on one by one checking for AC each time.
- Disconnect the AC shore power, the light bulb and the inverter should remain on. The light is now being powered by the Inverter (battery bank). The light bulb can now be removed and the system re-assembled.
Note: the inverter must be turned on before shore or generator power is applied. Also, check the “Shore Power Max” setting on the remote. This will coordinate with the circuit breaker rating from the incoming AC source and ensures any AC loads receive the maximum current available. For example, if plugged into 50 amp service set the ”Shore Power Max” Setting to 50 amps.
3.9 WARNING LABELS
When an Inverter/Charger is installed in a building the National Electrical Code (NEC) requires a label or plaque to be provided. This label/plaque is required to be easily visible and to inform users of the location of all electrical system disconnects. Buildings with stand-alone power systems (solar, generator) and utility power must have a permanent plaque or directory providing the location of both system disconnects.
An Inverter warning label should be installed in a clearly visible location on the breaker panel that is being powered by the Inverter/ Charger. This label is used because it might be falsely assumed that the panel is no longer “live” after the AC Shore Power is turned off, when power may actually still be available from the Inverter (battery bank) powering the sub panel.
OPERATION
4.1 GENERAL OPERATING NOTES ON/OFF SWITCH
When the Inverter/Charger is first connected to the battery bank, the ON/OFF switch must be lightly pressed to turn the Inverter ON.
Once the Inverter has been turned ON, pressing the ON/OFF switch turns the Inverter on and off.
WARNING: The ON/OFF switch does not turn the battery charger on or remove AC pass-through mode. If AC power is connected to the AC Input, this AC power will also be available on the AC output and is not controlled by the Power ON/OFF switch. If the button is pressed it will start to flash. Once shore power is removed, the inverter will turn off. If the ON/OFF button is not pressed and shore power is removed the inverter will stay on and start to pick up the load.
INV./CHR. MODE LED INDICATOR
| LED Status | Status |
| Solid Green | Inverting Mode |
| Green Blink | Charging Mode |

STATUS LED INDICATOR
| LED Status | Status | Recovery Point |
| Green | Normal | |
| Red Slow Blink | Over Voltage Protection (Input DC voltage over specification) | I14.5 VDC |
| Red Fast Blink | Under Voltage Protection (Input DC voltage under specification) | 12.5 VDC |
| Orange | Over Load Protection Short Circuit Protection | |
| Orange Slow Blink | Over Temperature Protection | |
| Orange Fast Blink | Under Temperature Protection |
The IC Series has two basic operating modes: Inverting and AC power pass-through. Within these two modes, the Inverter/Charger functions differently depending on the load power and shore power specifications/requirements. These different operating modes are outlined over the following pages.
SEARCH WATTS
When the Inverter in the IC Series is turned ON, the automatic search function is enabled. This feature is used to conserve battery power when no AC power is required (no appliances being used).
In search mode, the Inverter/Charger continually scans the AC output looking for an AC load (appliance turned on). When an AC appliance is turned on, an AC load is registered at the AC output and the Inverter switches ON and supplies AC power (from the battery bank) to the appliance.
The AC load required to switch the Inverter ON is set to 5W as a factory default value. The search feature can be turned OFF and can be adjusted between 5 and 50W—to adjust these values the GP-IC-Remote must be used (this can be purchased separately from Go Power!).
BATTERY CHARGER SPECIFICATIONS
The IC Series Inverter/Charger is equipped with a PFC (Power Factor Corrected) and PI (Proportional Integral) multistage battery charger. These 2 features maximize the real power from AC Shore Power. The multistage battery charger can use up to four different charging stages to help monitor and keep the batteries healthy.
Bulk Charging: This is the initial stage of charging. While bulk charging, the charger supplies the battery bank with a controlled constant current. The charger will remain in bulk charge until the absorption charge voltage is achieved.
Absorb Charging: This is the second charging state and begins after the absorb voltage has been reached. Absorb charging provides the batteries with a constant voltage and reduces the DC charging current in order to maintain the absorb voltage setting. The factory default setting for absorb charging is 2 hours. After 2 hours of absorbing charging, the charger switches to the final charge.
Final (Float) Charging: The third charging stage occurs at the end of absorbing charging time. While final charging, the charge voltage is reduced to the final charge voltage set point. In this stage, the batteries are kept fully charged and ready if needed by the Inverter. The final (float) charging stage reduces battery gassing, minimizes watering requirements, and ensures the batteries are maintained at optimum capacity.
Equalization Charging: EQ charging is used to stir up the stratified electrolytes and to reverse any battery plate sulfation that may have occurred. The EQ charging mode can only be used with the GP-IC-Remote, sold separately by Go Power!.
BATTERY CHARGING SET POINTS
| GEL | FLOODED | AGM 1 | AGM 2 | CUSTOM |
| 14.1 VDC | 14.6 VDC | 14.3 VDC | 14.5 VDC | 12-16 VDC |
| 13.6 VDC | 13.4 VDC | 13.1 VDC | 13.5 VDC | 12-16 VDC |
| 15.5 VDC | 15.5 VDC |
4.2 AC POWER PASS-THROUGH MODE
In AC power pass-through mode:
- Shore power (utility or generator) is connected.
- The power required by the appliances (fridge, TV, charger) is 3600W (30AAC x 120VAC) – 1.
- Shore power is powering all the appliances (3600W) – 2.
- Batteries are not being charged.

4.3 CHARGING MODE
In charging mode:
- Shore power (utility or generator) is connected and supplying 15AAC (1800W: 15AAC x 120VAC) – 1.
- No power is required by the appliances (fridge, TV, charger).
- Batteries are being charged up to 100 Amps (with the 2000W) or 125 AMPs (with the 3000W) DC per hour – 2.

4.4 POWER SHARING MODE 1
In power-sharing mode:
- The power required by the appliances (fridge, TV, charger) is 4200W (35AAC x 120VAC) – 1.
- Shore power (Utility or Generator) is connected and supplies 6000W (50AAC x 120VAC) – 2.
- The remaining AC Power: 1800W (15AAC x 120VAC) is used for battery bank charging, up to 100 Amps (with the 2000W) or 125 AMPs (with the 3000W) DC per hour 4.

4.5 POWER SHARING MODE 2
In generator mode:
- The power required by the appliances (fridge, TV, outlets) is 3600W (30AAC x 120VAC) – 1.
- Shore power (utility or generator) is connected and supplying 2400W (20AAC x 120VAC) – 2.
- The inverter automatically switches on and supplies the remaining 1200W (10AAC x 120VAC) of AC power required to power the appliances – 3.

4.6 INVERTING MODE
In inverting mode:
- The load power required by the appliances (fridge, TV, charger) is 2000W (16.7AAC x 120VAC) – 1.
- The inverter supplies the 2000W or 3000W (186 ADC x 12VDC x 0.9) of AC power required to power the appliances – 2.
- Shore power (utility or generator) is not connected.

4.7 BATTERY TEMPERATURE SENSOR (BTS) OPERATION
The IC Series Inverter/Charger is delivered with a battery temperature sensor. By installing this sensor, the charge voltages are automatically adapted for deviating temperature. With a BTS installed, if the temperature around the BTS is below 20°C, the absorb and float charge voltage increases. If the temperature around the BTS is above 20°C, they absorb and float charge voltage decreases. The graph below details how much the charge voltage changes (increases or decreases) depending on the temperature reading of the BTS.
4.8 FACTORY DEFAULT VALUES
The IC Series Inverter/Charger uses default values for the following adjustable settings:
| ADJUSTABLE SETTINGS | DEFAULT VALUES |
| Shore Input | 30 Amps (AC) |
| Low Battery Cut Out | 10.5 VDC |
| VAC Dropout | 85 VAC |
| Max Charge Time | 12 Hours |
| Battery Type | AGM 1 |
| Charge Rate | 80% |
| ABS Charge Time | 2 Hours |
These settings are only adjustable with the GP-ICR-50 remote, which can be purchased separately from Go Power!. For detailed information on these settings please refer to the remote control manual. The remote also displays the real-time Inverter/Charger’s operating status and allows the user to run the equalize charging profile on the battery bank..
4.9 IC SERIES FAULT CONDITIONS
The IC Series is protected against fault conditions and in normal use it will be rare to see any. If a fault condition does occur, the Inverter/Charger will shut down as a safety measure to protect itself, the battery bank, and the AC loads. The following fault conditions could be the cause of the Inverter/Charger shut down:
LOW BATTERY – The IC Series will shut off whenever the battery bank voltage falls to the Low Battery Cut Out (LBCO) level to protect the batteries from being over-discharged. When the Inverter/Charger has reached the LBCO and turned off, the unit will automatically restart when AC shore power is supplied to the AC Input and the battery bank voltage rises above the Low Battery Cut In (LBCI) 12.5 VDC level.
HIGH BATTERY – The IC Series will shut off whenever the battery bank voltage approaches the High Battery Cut Out (HBCO) level, the Inverter/Charger will automatically shut down to prevent unregulated AC output voltage from being supplied to the AC loads. The unit will automatically restart when the battery bank voltage falls below the High Battery Cut In (HBCI) 14.5 VDC level.
OVER TEMPERATURE – The IC Series monitors the temperature of several key components within the Inverter/Charger. If these components begin to exceed their safe operating temperature level, the unit will shut down to protect itself. The unit will automatically restart after the unit cools down.
OVERLOAD – When the IC Series is in inverting or AC pass-through mode, the Inverter/Charger monitors the current levels. In the event of a short circuit or an overload condition, the unit will shut down. To start operating after this fault, the Inverter/Charger must be turned on using the on/off switch on the unit or remote control once the AC loads are reduced/removed.
INTERNAL FAULT – The IC Series continues to monitor several internal components. If a condition occurs that does not allow normal operation the Inverter/Charger will shut down to protect itself, the battery bank, and the AC loads. To start operating after this fault, the Inverter/Charger must be turned on using the on/off switch on the unit or remote control.
| BEEP COUNTS | PROTECTION SIGNAL |
| 1 | UTP (Under Temp Protection |
| 2 | OTP (Over Temp Protection) |
| 3 | OVP (Over Voltage Protection) |
| 4 | UVP (Under Voltage Protection) |
| 5 | Short-circuit or OLP (Over Load Protection) |
4.10 MAINTENANCE AND TROUBLESHOOTING
The IC Series is designed to be service-free. Even though there are no user-serviceable parts, it is recommended that every 6 months you perform the following maintenance steps to ensure optimum performance and extend the life of your batteries:
- Visually inspect the batteries for cracks, leaks, or swelling—replace them if necessary.
- Use baking soda to clean and remove any electrolyte spills or buildup.
- Check and tighten all battery terminal connections.
- Check and fill battery water levels in flooded lead acid batteries.
- Check individual battery voltages (load test those that have a voltage difference of more than 0.3 VDC from each other) and replace if necessary.
- Check the Inverter/Charger’s ventilation vents—clean if necessary.
- Visually inspect all cables in both the DC and AC systems. Check for wear/abrasion. Replace if necessary and ensure strain reliefs and cable protection is installed to prevent future damage.
- Check and tighten ALL terminal block connections inside of the Inverter/Charger’s AC cover plate.
- Check the ground connections are secure on the Inverter/Charger, battery bank, main/sub panels, and the earth ground on the RV, or boat.
- Check the battery sensor is still securely attached to the battery bank.
| SYMPTOM | POSSIBLE CAUSE | RECOMMENDED SOLUTION |
| No output power. Inverter LED is OFF | The inverter is switched OFF | Turn the Inverter ON |
| The battery voltage is too low. The battery voltage level has dropped below the Low Battery Cut Off (LBCO) | Check all connections for a break in the circuit: Fuses, Circuit breakers, Cable terminals. The Batteries need charging. | |
| The battery voltage is too high. The Inverter automatically resets and resumes operation when the battery voltage level has dropped below the HBCI set point. | This condition usually only occurs when an additional charging source (solar panels) is used to charge the batteries. Remove or disconnect the additional charging source so the voltage of the battery bank can drop. | |
| Over-temperature condition: The internal temperature of the Inverter has risen above acceptable limits; caused by loads too great for the inverter to operate continuously, or by lack of ventilation to the Inverter. | Reduce the AC loads (appliances) that are operating. Check ventilation around the Inverter. Ensure all ventilation openings are clear and unobstructed | |
| AC over-load condition: The inverter has turned off because the connected loads are larger than the Inverter/Chargers output capacity. or the output wires are shorted. | Reset the unit by holding down the main OrifOff button on the top left of the Inverter/Charger. if this does not remedy the issue, disconnect from DC power and try again. | |
| Internal fault. | To clear this fault, an Inverter reset is required. Remove DC power to the inverter. or press and hold down the ON/OFF switch for 15 seconds. | |
| No output power. Inverter LED is ON | The unit is in search mode, which means load is too small for search mode circuit detection. | Turn on a load greater than 5 watts to bring the inverter/ Charger to full output power, or turn off the search function with the IC Series Remote. |
| Low output or surge power. Inverter LED is ON | Loose or corroded battery cables. | Clean and tighten all cables. |
| Low batteries. | Recharge or replace batteries. | |
| Loose AC output connections. | Tighten AC output connections. | |
| Battery cables are the wrong length or gauge. | Verify recommended cable lengths and gauges from the manual. Replace cables as necessary. | |
| Low charging rate when connected to AC Utility Power | The charge rate was set too low. | Adjust charge rate or shore settings on remote |
| Low AC voltage (< 90 VAC). | Check AC input wiring. | |
| Low charging rate when connected generator | The generator output is too low to power both load and charger. | Reduce the load, and increase the generator’s RPMs. |
| Adjust the charge rate or shore settings on the remote. | ||
| Charger does not charge | Loose or corroded battery cables. | Clean and tighten battery cables. |
| Defective batteries. | Replace batteries. | |
| Wrong charger settings. | Adjust the charger settings. | |
| Wrong AC input voltage. | Verify proper AC input voltage. |
SPECIFICATIONS
| ELECTRICAL | SPECIFICATION ITEM | GP-IC-2000 | ||
| Inverter Mode | Input Characteristics | Nominal Voltage | 12 VDC | |
| Absolute Max. DC Input | 25 VDC | |||
| HBCOMBCI | 17 VDC ±0.3V | |||
| LBCO/LBCI | 9.0 VDC -±0.3V | |||
| Input Voltage Range | 9-17 VDC ±0.3V | |||
| Input Over-Voltage Protection | 16.5 – 17 VDC | |||
| Input UnderVoltage Protection | 9 -10.5 VDC | |||
| Max DC Input Current | 267 ADC | |||
| No Load Power Consumption | 25W | |||
| Stand-By Power Consumption | <5W | |||
| Output Characteristics | Continuous Output Power | 2000W | ||
| Surge Power | 200 ms | 4000W | ||
| 5 sec | 3400W | |||
| 5 min | 2900W | |||
| Frequency | 60 Hz | |||
| Output Voltage | 120 VAC +1-SW 5 Continuous Power) | |||
| Max Efficiency | >90% | |||
| Short Circuit Protection | Yes | |||
| Output Waveform | Pure Sine Wave (DID <5% ®123 VDC) | |||
| Charger Mode | Charger Characteristics | Battery Temperature Protection | Yes | |
| AC Input Voltage Range | 80 -140 VAC ±5% | |||
| AC Input Frequency Range | 50 – 70 Hz | |||
| AC Input Current Range | 5 – 50A | |||
| AC Nominal Current | 15A | |||
| Charger Peak Efficiency | 85% | |||
| Power Factor Correction | >0.97 (50% Load) | |||
| Charging Current Range | 0 – 100A | |||
| Battery Temperature Compensation | 25 mV per °C | |||
| Four State Charging | Bulk, Absorb, Final. Equalize | |||
| Bypass Relay | Relay Specification | 50 Amp AC (per leg) | ||
| Operating Temperature Range | Full Load | -20°C to 40°C | ||
| Power De – Rating 60W per `C from 41°C – 60°C | ||||
| Storage | -30’C to 70°C | |||
| Over Temperature Protection | Transformer MOSFETs, Battery | |||
| Operating Humidity Range | 0-95% Non-condensing | |||
| Ground Relay | Default it Open (AC Pass-Through Mode) | |||
| Mechanical Specification | Size (WxHxD) | 12.6″ x 8.07 x 13.7″ (321 mm x 205mm x 349mm) | ||
| Net Weight | 17.6 Kg (38.7 lbs) | |||
| Safety and EMC | Safety Standards | UL 458 & Supplement SA, UL 1741, CSA 22.2 No.107.1-01 | ||
| EMC Standards | FCC Class B | |||
| ELECTRICAL | SPECIFICATION ITEM | GP-IC-3000 | ||
| Inverter Mode | Input Characteristics | Nominal Voltage | 12 VDC | |
| Absolute Max. DC Input | 25 VDC | |||
| 116C0/116C1 | 17 VDC ±0.3V | |||
| LBCO/LBCI | 9.0 VDC ±0.3V | |||
| Input Voltage Range | 9 – 17 VDC ±0.3V | |||
| Input Over-Voltage Protection | 16.5 – 17 VDC | |||
| Input Under-Voltage Protection | 9 -10.5 VDC | |||
| Max DC Input Current | 400 ADC | |||
| No Load Power Consumption | 25W | |||
| Stand-By Power Consumption | <SW | |||
| Output Characteristics | Continuous Output Power | 3000W | ||
| Surge Power | 200 ms | 6000W | ||
| 5 sec | 4800W | |||
| 5 min | 3300W | |||
| Frequency | 60 Hz | |||
| Output Voltage | 120 VAC +/-5%( g Continuous Power) | |||
| Max Efficiency | >90% | |||
| Short Circuit Protection | Yes | |||
| Output Waveform | Pure Sine Wave (THD <5% @ 12.5 VDC) | |||
| Charger Mode | Charger Characteristics | Battery Temperature Protection | Yes | |
| AC Input Voltage Range | 80 – 140 VAC s-5% | |||
| AC Input Frequency Range | 50 – 70 Hz | |||
| AC Input Current Range | 5- 50A | |||
| AC Nominal Current | 18A | |||
| Charger Peak Efficiency | 85% | |||
| Power Factor Correction | >0.97 (50% Load) | |||
| Charging Current Range | 0 -125 A | |||
| Battery Temperature Compensation | 25 mV per °C | |||
| Four State Charging | Bulk. Absorb, Anal, Equalize | |||
| Equalization Characteristics | Max Output Voltage | 16 VDC | ||
| Max Output Current | MA | |||
| Bypass Relay | Relay Specification | 50 Amp AC (per leg) | ||
| Operating Temperature Range | Full Load | -20°C to 40`C | ||
| Power De – Rating | 60W per °C from 41°C – 60°C | |||
| Storage | -30°C to 70`C | |||
| Over Temperature Protection | Transformer, MOSFETs, Battery | |||
| Operating Humidity Range | 0-95% Non-condensing | |||
| Ground Relay | Default is Open (AC Pass-Through Mode) | |||
| Mechanical Specification | Size (WxHxD) | 12.6′ x 8.07″ x 13.7′ (321mm x 205mm x 349mm) | ||
| Net Weight | 22.6 Kg (49.8 Ibs) | |||
| Safety and EMC | Safety Standards | UL 458 & Supplement SA, UL 1741, CSA 22.2 No.107.1-01 | ||
| EMC Standards | FCC Class B | |||
IMPORTANT SAFETY INSTRUCTIONS
SAVE THESE INSTRUCTIONS: This manual contains important safety and operating procedures.
The IC Series Inverter/Chargers are Marine UL listed and can be used in marine applications. Below are important safety and operating instructions for using the IC Series in marine applications.
CAUTION! Personal Injury. To reduce the risk of injury, charge only lead-acid type rechargeable batteries. Other types of batteries may burst, causing personal injury and damage.
- Do not expose the IC Series Inverter/Chargers to rain or snow.
- Use of an attachment not recommended by Go Power! may result in a risk of fire, electric shock, or injury to persons.
- Do not disassemble IC Series Inverter/Chargers; take to a qualified serviceman when service or repair is required. Incorrect reassembly may result in risk of electric shock or fire.
- To reduce the risk of electric shock, disconnect all sources of power from the IC Series Inverter/Chargers before attempting any maintenance or cleaning.
Turning off controls will not reduce this risk.
GROUNDING INSTRUCTIONS
– This marine unit should be connected to a grounded, metal, permanent wiring system; or an equipment-grounding conductor should be run with circuit conductors and connected to the equipment-grounding terminal or lead-on unit. Connections to units should comply with all local codes and ordinances.
Warning! Risk of Explosive Gases. Working in the vicinity of a lead-acid battery is dangerous. Batteries generate explosive gases during normal battery operation. For this reason, it is of utmost importance that each time before servicing the unit in the vicinity of the battery, you must read this manual and follow the instructions exactly.
To reduce risk of battery explosion, follow these instructions and those published by the battery manufacturer and manufacturer of any unit you intend to use in the vicinity of the battery. Review cautionary markings on these products and on the engine.
PERSONAL PRECAUTIONS
- Someone should be within earshot or close enough to come to your aid when you work near a lead-acid battery.
- Have plenty of fresh water and soap nearby in case battery acid contacts skin, clothing, or eyes.
- Wear complete eye and clothing protection. Avoid touching your eyes while working near a battery.
- If battery acid contacts skin or clothing, wash immediately with soap and water. If acid enters the eye, immediately flush eye with cold running water for at least 10 minutes and get medical attention immediately.
- NEVER smoke or allow a spark or flame to come in the vicinity of a battery or an engine.
- Be extra cautious to reduce the risk of dropping a metal tool onto a battery. It may spark or short-circuit the battery or other electrical part that may cause an explosion.
- Remove personal metal items such as rings, bracelets, necklaces, and watches when working with a lead-acid battery. A lead-acid battery can produce a short-circuit current high enough to weld a ring or the like to metal, causing a severe burn.
- NEVER charge a frozen battery.
- If necessary to remove the battery from the vessel, always remove the grounded terminal from the battery first. Make sure all accessories in the vessel are turned off, so as not to cause an arc.
- Be sure the area around the battery is well-ventilated.
- Clean battery terminals. Be careful to keep corrosion from coming in contact with the eyes.
- Study all battery manufacturers’ specific precautions such as removing or not removing cell caps while charging and recommended rates of charge.
- Add distilled water in each cell until battery acid reaches the level specified by the battery manufacturer. This helps purge excessive gas from cells. Do not overfill. For a battery without cell caps, carefully follow the manufacturer’s recharging instructions.
MARINE APPLICATION LOCATION
- Locate the Inverter/Charger away from the battery in a separate, well-ventilated compartment.
- Never place the IC Series Inverter/Chargers directly above the battery; gases from the battery will corrode and damage the marine unit.
- Never allow battery acid to drip on the IC Series Inverter/Chargers when reading gravity or filling the battery.
- Do not operate the IC Series Inverter/Chargers in a closed-in area or restrict ventilation in any way.
DC CONNECTION PRECAUTIONS
- Connect and disconnect DC output connections only after setting the IC Series Inverter/Chargers switches to the OFF position and removing any AC connections.
- EXTERNAL CONNECTIONS TO THE IC Series Inverter/Chargers SHALL COMPLY WITH THE UNITED STATES COAST GUARD ELECTRICAL REGULATIONS (33CFR183, SUB PART I).
- GROUNDING INSTRUCTIONS: The IC Series Inverter/Chargers should be connected to a grounded, metal, permanent wiring system, or an equipment-grounding conductor should be run with circuit conductors and connected to an equipment-grounding terminal or lead-on unit. Connections to units should comply with all local codes and ordinances.The Go Power! warranty is valid against defects in materials and workmanship for the specific product warranty period. It is not valid against defects resulting from, but not limited to:
WARRANTY RETURN PROCEDURE
- Misuse and/or abuse, neglect, or accident.
- Exceeding the unit’s design limits.
- Improper installation, including, but not limited to, improper environmental protection and improper hook-up.
- Acts of God, including lightning, floods, earthquakes, fire, and high winds.
- Damage in handling, including damage encountered during shipment.
A warranty shall be considered void if the warranted product is in any way opened or altered. The warranty will be void if any eyelet, rivets, or other fasteners used to seal the unit are removed or altered, or if the unit’s serial number is in any way removed, altered, replaced, defaced, or rendered illegible.
Warranty Return Procedure
Before contacting Go Power!’s customer service department, please read the “frequently asked questions” section of our website to troubleshoot the problem. If trouble persists:
- Call your Go Power!™ Technical Support team (1-866-247-6527) or
- Return defective product to the place of purchase.
Unless approved by Go Power! Management, all products shipped collect to Go Power! will be refused. Test items or items that are not under warranty, or units that are not defective, will be charged a minimum bench charge of $50.00 US plus taxes and shipping. A 15% restocking charge will be applied on goods returned and accepted as “new” stock.
An RMA number (Return Materials Authorization number) from Go Power! Customer Service is required prior to returning any Go Power! products. Go Power! reserves the right to refuse any items sent to Go Power! without an associated RMA number. To obtain an RMA number, please contact [email protected] or Telephone 1-866-247-6527.
Out of Warranty
Go Power! electronic products are non-repairable. Go Power! does not perform repairs on its products nor does it contract out those repairs to a third party. Go Power! does not supply schematics or replacement parts for any of its electronic products.
END OF LIFE – RECYCLING INFORMATION
Product E.O.L (End of life) Information
This product required the extraction and use of natural resources. It may contain substances that could be harmful to the environment or human health if improperly handled at the product’s end of life. In order to avoid the release of such substances into the environment and to reduce the use of natural resources, we encourage you to recycle the Inverter/Charger in an appropriate way that will ensure most of the materials are reused or recycled appropriately.
DO NOT DISPOSE OF THIS PRODUCT WITH NORMAL GARBAGE.
The easiest way to recycle an Inverter/Charger is to take the unit to local certified e-waste (electronics waste) recycling center. Knowing for sure if your appliances are being recycled properly is tricky. If you’re in doubt just ask. Recyclers that are certified should gladly show you their certification. If the recycler is certified, chances are very high that they are recycling responsibly.
To find your local e-waste center please contact your local municipality. The following website also has information on local recycling centes: www.earth911.com/recycling-center-search-guides
If you have no local certified e-waste recycling center, the IC Series Inverter/Charger can be disassembled manually and recycled responsibly. A Phillips screwdriver is required to disassemble the Inverter/Charger. Note: The IC Series should only be disassembled at the end of its service life. Go Power! provides no spare parts for the Inverter/Charger.

© 2021 Go Power!
Worldwide Technical Support and Product Information gpelectric.com
Go Power! | Dometic
201-710 Redbrick Street Victoria, BC, V8T 5J3
Tel: 1.866.247.6527
79497_MANUAL_GP-IC-Series_RevI

























