
TTB 3045NX 36V Scrubber Dryer
Instruction Manual
TTB 3045NX 36V Scrubber Dryer
Original Instructions
CAUTION, Read instructions before using the machine
https://numqr.com/914792/00000000
numatic.com
SCRUBBER DRYER TTB 3045NX 36V
PLEASE READ BEFORE COMMENCING OPERATION
After the removal of all the packaging, carefully open and check the contents
Owner Manual
- Battery & Charger Manual
- Battery Charger & Lead
- Battery
- Scrub Brush
- Floor tool
- Brush / Pad
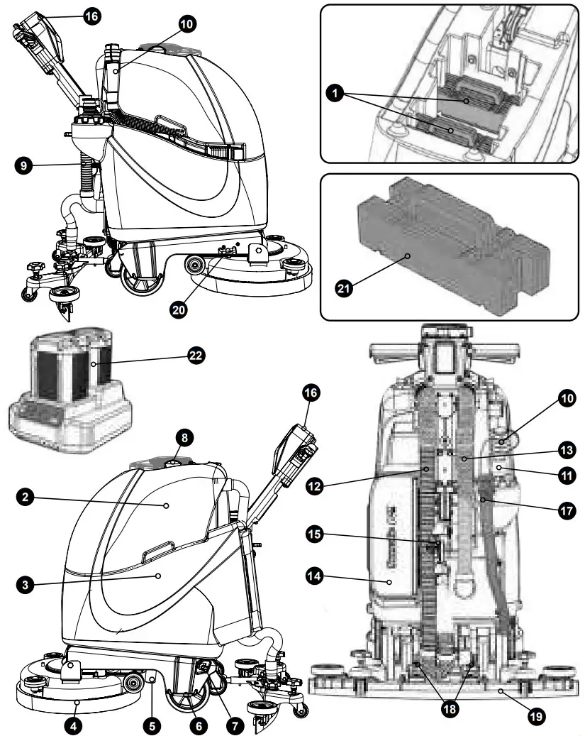
| 1 | Deck Pressure Weights Location |
| 2 | Top Tank (Waste Water) |
| 3 | Bottom Tank (Clean Water) |
| 4 | Brush Deck |
| 5 | Clean Water Tank Filter |
| 6 | Rear Wheels |
| 7 | Clean-Water On/Off Tap |
| 8 | Separator |
| 9 | Clean-Water Emptying Hose |
| 10 | Top Tank (Waste-Water) Drainage Hose |
| 11 | Clean-Water Filler Cap and Hose |
| 12 | Floor Tool Vacuum Hose |
| 13 | Vacuum Hose |
| 14 | Battery Compartment |
| 15 | Floor-Tool Lifting Lever |
| 16 | Control Panel |
| 17 | Clean Water Level Indicator / Drainage Hose |
| 18 | Floor-Tool Retaining Knobs |
| 19 | Floor Tool |
| 20 | Deck Locking Mechanism |
| 21 | Deck Pressure Weights |
| 22 | Dual Charger + Batteries |
TTB 3045NX 36V Machine Overview

Control Panel Overview

| 1 | Battery Charge Level Display |
| 2 | Water Flow On / Off Button |
| 3 | Water Flow Indicator |
| 4 | Vacuum Off/On Indicator |
| 5 | Vacuum Off/On Button |
| 6 | Handle Position Lever |
| 7 | Start Switch |
| 8 | Triggers |
In the event of a breakdown contact your Numatic dealer or the Numatic Technical help line +44 (0)1460 269268
ALWAYS ENSURE THAT THE MACHINE IS SWITCHED OFF BEFORE MAKING ANY ADJUSTMENTS![]()
Fitting the Brush / Pad / Turn on water
450mm Brush or 400mm Pad.
Featuring the Nulock brush system.
The brush is simply pushed and twisted to lock, making fitting and removal a simple process.
Slide the brush / pad under the brush deck.
Fit the brush / pad onto the Nulock drive chuck, twist to lock the brush / pad in place.
Safety gloves are recommended for the changing of used brushes.
Turn on the clean water tap.
Fitting the Floor Tool
The floor tool has been designed for quick fitting, allowing easy squeegee blade replacement and a safety knock-off feature if the floor tool gets snagged, whilst in transit.
Note: It is easier to fit the floor tool if the weight of the machine is resting on the brush. Ensure the brush is fitted first.
Fit the floor tool and retain using the detent pins.
Push waste collection pipe onto the floor tool; ensure a tight fit.
Raise the floor tool for transit or lower for cleaning operation using the lifting handle fitted to the back of the machine.
For fitting the floor tool blades (See Page 12).
Machine Set-up Guide
Fitting the Hose Guide
The vacuum hose has a U-bend clip which creates a U-bend in the hose preventing water spillage when the vacuum is switched off. If you need to remove the U-bend clip for any reason always ensure it is refitted correctly before you resume operation.
Note: DO NOT push the vacuum hose onto the floor tool with the floor tool in the raised position.
Filling the Clean Water Tank
To fill the clean-water tank, use the FLEXI – FILL pipe from either a tap or hose pipe. (Fig.A & B).
The large cap can also be used for filling from a bucket or suitable container. (Fig.C). Fill the clean-water tank to MAX line indication on tank, including cleaning chemicals if required. Follow chemical manufacturing guide lines.
The clear dump hose at the rear of the machine can be used to see the level of the clean-water. (Fig.D).
Note: Great care must be taken to ensure that contaminants (leaves, hair, dirt, etc.) are not allowed to enter the clean water tank during the filling process. If using a bucket or similar, ensure it is always clean and free from debris.
Control of Substances Hazardous to Health (COSHH)
For best results use a non-foaming type of chemical recommended for use in auto scrubber dryers, dilute to the manufacturers specification. For further guidance on hazardous substances refer to health and safety instructions online.
WHEN HANDLING AND MIXING CHEMICALS![]()
Always ensure that chemical manufacturer’s safety guidelines are followed.
Only use chemicals recommended for use in auto scrubber-dryers.
Machine Set-up Guide
Handle Height Adjustment
Using the handle position lever, lower the handle to a comfortable working position.
IMPORTANT
Do not operate machine unless the Operator Manual has been read and fully understood.![]()
The machine is now ready to be moved to the cleaning site.
Before performing the cleaning operation, place out appropriate warning signs and sweep or dust-mop the floor.

Fitting the Batteries
Fitting and Locking the Batteries
Open the battery door (A).
Make sure Battery locks are open (B) and insert both fully charged batteries (C).
Secure the batteries into the machine using the battery locks (D) before closing the battery door
Note: it is important to make sure battery locks are fully engaged before operating or moving your TTB.3045.NX
Machine Operation
Raising/Lowering the Floor Tool
After preparing the floor (see previous section), we are now ready to set the controls to suit the cleaning conditions. Before any settings can be applied, ensure the brush deck is lowered. Move the floor tool lever to its lower position.
Note: Do not pull the machine backwards with the floor tool in the lowered position, this could possibly damage the blades.
Raising/Lowering the Brush Deck
To tip the deck into the down position (Operating mode). Press in the brush deck locking pin (Fig.A) and rotate the brush deck (Fig.B & C). To change to brush deck up position, (Transit mode) simply lift the deck and the spring loaded locking pin will activate to hold the deck up.
Setting the Cleaning Controls
To start the brush with the configured water and vacuum settings pull either trigger and press the Start switch (A).
The running state of the vacuum (D) and water (C) can be adjusted whilst the brushes are running.
To cancel vac overrun press any switch (vac/water/handle/start)
System Error Indicators
In the event of a fault the battery lights (F) will flash and the unit will stop operating.
The lights will flash a number of times then pause.
The number of flashes can be used to identify the fault.
The errors are split into two groups, low and high priority. Low priority errors are to be expected in normal operation and are represented by the left-hand battery light flashing.
High priority errors indicate something more serious has happened and are represented by all six battery lights flashing.
In normal operation the battery display will show the state of charge of the battery with the least charge, there is no indication which battery this is.
The error display can indicate battery related errors, there is no indication which battery has the fault.
| Number of Flashes | Priority | Description | Solution |
| 1 | Low | Low Battery | Replace, Charge Batteries |
| 2 | Low | Start sequence error, both trigger and handle must be active within 2 seconds of each other. If one is held for longer while the machine is idle the unit will enter this error state | *Reset Machine |
| 4 | High | Battery over temp | *Reset Machine |
| 5 | High | Battery communications fail | *Reset Machine |
| 6 | High | Battery over current | *Reset Machine |
| 7 | High | Control board over temp | *Reset Machine |
| 8 | High | Vacuum over current | *Reset Machine |
| 9 | High | Brush over current | *Reset Machine |
| 10 | High | Control board failure | Renew (contact service dept) |
*Releasing the handle triggers, or remove the batteries will allow the machine to reset.
IMPORTANT
If the brush motor keeps overloading consider using a different type of brush. Heavy brush load decreases the available battery run time.![]()
Brush Pressure / Load Adjustment
Using the Deck Pressure Weights.
To obtain the best out of your TTB.3045.NX Numatic have supplied a ‘Deck
Pressure Weight’ allowing the operator to add or remove pressure on the brush or pad for optimum performance on all floor types. Remove the Top (Waste Water) tank (1). Set in the lower tank are location pillars (2) to locate the Deck Pressure Weights (5).
TTB.3045.NX comes with one11kg weight (3). Place the Deck Pressure Weight into the machine before using (4).
For lightly soiled floors one 11kg weight would suffice, for heavily soiled areas the TTB.3045.NX has been designed to use extra weight if needed (available as an optional extra).
| Brush (gCM2) | Pad (gCM2) | ||
| Pressure 1 (Light) | 1 x 11kg in weight location B | 24.52 | 25.28 |
| Pressure 2 (Medium) | 1 x 11kg in weight location A | 29.14 | 30.05 |
| * Additional 11kg weight available as an optional extra. | |||
| Pressure 3 (Heavy) | 2 x 11kg weights one location A and one in location B | 31.64 | 32.61 |
| Pressure 4 (Extra Heavy) | 2 x 11kg weights in position A (Stacked) | 35.54 | 36.64 |
NOTE* Additional weight will decrease run time. The TTB.3045.NX has been designed to have no more then a Maximum of two weights.
Machine Operation
Break-away Floor Tool
The floor tool design incorporates a break-away feature.
Allowing it to safely disengage from its mounting should it become caught on an obstruction, during forward machine movement.
To re-attach the blade to its holder. First loosen the retaining knobs on the floor tool body and slide onto the holding bracket.
Tighten retaining knobs to finger tight.
ALWAYS ENSURE THAT THE FLOOR IS PRE-SWEPT AND RELEVANT SAFETY SIGNS ARE DISPLAYED. ![]()
Machine In Use
To operate, set water flow rate tap, lower brush deck, lower the floor tool, press the vacuum / water switches, pull brush On/Off trigger.
The waste water is then retrieved by the suction floor tool.
Overlap each scrubbing path by 10cm to ensure an even clean.
Do not operate the machine on inclines that exceed (2%), when full.
On heavily soiled floors use a ‘double scrub’ technique.
First pre-scrub the floor with the floor tool in the raised position, allow the chemical time to work then scrub the area a second time with the floor tool lowered.
If streaking occurs wipe floor tool blades clean.
Note: Care must be taken to reduce speed when cornering or when manoeuvring around obstacles
Regular Maintenance
ALWAYS ENSURE THAT THE MACHINE IS SWITCHED OFF PRIOR TO ANY MAINTENANCE REMOVE BOTH BATTERIES PRIOR TO ANY MAINTENANCE OPERATION.![]()
A After use, empty waste water tank using emptying hose and flush out with clean water.
B Next remove floor tool vacuum hose and flush out with clean water.
C Next empty clean water tank, using emptying hose and again flush out with clean water.
Whilst pressing in the top tank separator toggles, remove the separator. (Fig.1)
The separator also has a sealing-rubber which should be examined at every clean-down. Rinse using clean water, avoiding the vac filter.
Remove the filter fitted into the separator and flush with clean-water (Fig.2)
IMPORTANT
Remove vac filter and clean if required (keep dry).
Never use the machine without the recommended filter as it may cause damage to the machine.
Remove debris basket filter and rinse using clean water, and refit. (Fig.3)
IMPORTANT
If the debris basket is allowed to become clogged, vacuum performance can deteriorate.
Located under the left hand side is a clean water filter, make sure the clean water tank is empty before removing this filter. (Fig.4)
Note: To make access easier, raise the brush deck.
Changing the Floor Tool Blades
Always ensure that the machine is switched off prior to any maintenance.![]()
To clean the floor tool, remove securing-pin and pullfree from the holder.
Rinse the floor tool assembly with clean water and refit.
Periodically the floor tool blades should be examined and checked for wear and damage.
Start by removing the four retaining pins, turn the floor tool over and separate the blade carrier from the body.
Peel away the blades from their locating lugs and examine or renew as required.
Replacement is a reversal of the removal process.
Floor Tool Overview
- Retaining pins x 4
- Front blade (slotted)
- Blade carrier
- Rear blade
- Floor tool main body
Note: The blades are designed to be reversible, thus extending their useful working life.
Rating Label
| 1 | Company Name & Address |
| 2 | Model |
| 3 | Voltage / Direct Current |
| 4 | Rated Input Power |
| 5 | WEEE Logo |
| 6 | Ingress Protection |
| 7 | Max Gradient |
| 8 | Approval Mark |
| 9 | Weight (ready to use) |
| 10 | Machine yr/wk Serial Number |
| 11 | Model |
| 12 | Noise Rating |
| 13 | Hand Arm Vibration |
About your machine

TwinTec Maintenance
Daily
Keep the machine clean.
Ensure brushes/ pads/ squeegee/ fi lters are in good condition.
Check for any worn or damaged parts and replace immediately.
Drain and rinse dirty water tank after every use.
Store machine with brush deck secured in tilted position.
Weekly – as daily and –
Check brush or pad and skirt and rinse.
Check fl oor tool blades for wear and wipe clean.
Clean separator assembly including fi lter and check condition of seal.
Flush out system with clean water and clean fi lters.
Batteries
Always re-charge the batteries after use.
WEEE (Waste, Electrical and Electronic Equipment)
Scrubber dryer Accessories and packaging should be sorted for environmentally-friendly recycling.
Only for UK / EU countries.
Do not dispose of scrubber-dryer into household waste.
According to the European Directive 2012/19/EU on waste electrical electronic equipment and its incorporation into national law.
Scrubber-dryers that are no longer suitable for use must be separated, collected and sent forrecovery in an environmentally-friendly manner.
PPE (Personal protective equipment) that may be required for certain operations.
Note: A risk assessment should be conducted to determine which PPE should be worn.
In the event of a breakdown contact your Numatic dealer or the Numatic Technical help line +44 (0)1460 269268
Information for Scrubber Dryer
| COMPONENT | INTERVAL | INSPECT FOR |
| Mains Lead | DAILY | Scuffing, cracks, splits, conductors showing |
| Brushes | DAILY | Bristle damage, wear, drive collar wear |
| Squeegee Blade | BEFORE EACH USE | Wear, cracks, splits |
| Filters | BEFORE EACH USE | Clogging and debris retention |
| Tanks | AFTER EACH USE | Rinse dirty water tank after use |
WARNING
Read the instruction manual before using the appliance.
As with all electrical equipment care and attention must be exercised at all times during its use, in addition to ensuring that routine and preventative maintenance is carried out periodically in order to ensure its safe operation.
Failure to carry out maintenance as necessary, including the replacement of parts to the correct standard
could render this equipment unsafe and the manufacturer can accept no responsibility or liability in this respect.
When ordering spare parts always quote the Model Number / Serial Number specifi ed on the Rating Plate.
Warning do not use on slopes exceeding 2%.
This appliance is not intended for use by persons (including children) with reduced physical, sensory or mental capabilities, or lack of experience and knowledge.
Children should be supervised to ensure that they do not play with the appliance.
When detergents or other liquids are used, read the manufacturer’s instructions.
Only use brushes provided with the appliance or those specifi ed in the instruction manual.
The use of other brushes may impair safety.
A full range of brushes and accessories are available for this product.
Only use brushes or pads which are suitable for the correct operation of the machine for the specifi c task being performed.
It is essential that this equipment is correctly assembled and operated in accordance with current safety regulations.
When using the equipment always ensure that all necessary precautions are taken to guarantee the safety of the operator and any other persons who may be aff ected.
Wear non slip footwear when scrubbing. Use a respiratory mask in dusty environments.
When cleaning, servicing or maintaining the machine, replacing parts or converting to another function the power source shall be removed.
Battery operated machines shall be disconnected by removing the battery.
Machines left unattended shall be secured against unintentional movement.
When detergents or other liquids are used, read the manufacturer’s instructions.
Operators shall be adequately instructed as to the correct use of the machine.
For battery and charger details please refer to your battery and charger original instructions.
CAUTION
This machine is not suitable for picking-up hazardous dust. This machine is not to be stored outdoors in wet conditions.
This machine is for indoor use only.
NOTES: This machine is also suitable for commercial use, for example in hotels, schools, hospitals, factories, shops and offices.
This product meets the requirements of IEC 60335-2-72
DO
- Ensure only competent persons unpack/assemble the machine.
- Keep your machine clean.
- Keep your brushes in good condition.
- Replace any worn or damaged parts immediately.
- Regularly examine the power cord for damage, such as cracking or ageing. If damage is found, replace the cord before further use.
- Only replace the power cord with the correct Numatic approved replacement parts.
- Ensure that the work area is clear of obstructions and / or people.
- Ensure that the working area is well illuminated.
- Pre-sweep the area to be cleaned.
DON’T
- Use steam cleaners or pressure washers to clean the machine or use in the rain.
- Allow any inexperienced repairs. Call the experts.
- Leave the brush pad on the machine when not in use.
- Allow the machine to be used by inexperienced or unauthorised operators or without appropriate training.
- Use the machine without the solution tanks properly positioned on the machine, as shown in the instructions.
- Expect the machine to provide trouble-free, reliable operation unless maintained correctly.
- Lift or pull the machine by any of the operating triggers, use the main handle.
- Remove the handle from the machine except for service and repair.
- Attempt machine maintenance or lifting unless the battery has been removed.
Schematic Diagram
Spare Parts
| BRUSHES | CHARGER AND BATTERY | ||
| 606203 | 450mm Polyscrub Brush | 913686 | LITHIUM ION BATTERY |
| 606204 | 450mm Nyloscrub Brush | 910820 | DUAL LITHIUM BATTERY CHARGER |
| 606306 | 450mm Longlife Brush | 912365 | CHARGER CABLE (UK) |
| 900525 | 400mm NuLoc2 Drive Board | ||
Trouble Shooting
| PROBLEM | CAUSE | SOLUTION |
| Machine will not operate | Low battery charge Battery not fitted | Charge batteries (See charger documentation) Fit battery (page 7) |
| Vacuum will not operate | Waste water tank full | Empty waste water tank (page 11) |
| Poor water pick-up | Waste water tank full Clogged / blocked vacuum hose Loose hose connections Debris basket filter clogged / blocked Separator filter clogged / blocked Poor separator seal Damaged separator seal Damaged / split vacuum hose Damaged floor tool blades Low battery charge | Empty waste water tank (page 11) Remove and clean (page 11) Push tight connections (page 6) Remove and clean (page 11) Remove and clean (Page 11) Clean and refit (page 11) Renew (contact service dept) Renew (contact service dept) Renew (contact service dept) Re-charge batteries (See charger documentation) |
| No brush / scrub function | No brushes fitted | Check and fit (page 5) |
| Little or no water flow | Clean water tank empty Clean water tank filter blocked / clogged Water flow not on Brush deck raised | Fill clean water tank (page 6) Remove and clean (11) Switch on water flow (Page 5) Lower brush deck (page 8) |
| Machine just ‘stops’ while operating | Too much load on the brush system | Decrease the brush load to best suit the floor type. (Page 9) |
Numatic Lithium-ion Rechargeable Battery
36V | 8400mAh | 300Wh | 10INR19/65-3
It is important that you observe the following information and warnings!
Emergency Contact Information
| Address: | CBAK BATTERY HEADQUARTERS Shenzhen BAK ENERGY Co. LTD, 2603A BAK Tech Bldg, 9th Keyan Rd, Hi-tech Park, Nanshan Dist, Shenzhen City, China | NUMATIC INTERNATIONAL LTD Millfi eld Road, Chard, Somerset, TA20 2GB, UK |
| Tel: Fax | 0086-755-83283710 0086-755-8328649 | 0044-146-068600 0044-146-068458 |
1. DEFECTIVE BATTERIES
- If a customer wishes to return a battery to a supplier, then collection of the battery must be arranged by the supplier; however, Faulty batteries must not be returned through the postal system or by courier.
- If on return to a supplier, OR at a customer base, a suspected defective battery shows any signs of impact damage, distortion, blistering, loose parts, liquid ingress or leakage then on no account should it be off ered for condition checking. It must be considered defective and the procedures described from item 9 below should be followed.
- If, on return to a supplier, OR at a customer base, a suspected defective battery, that shows No signs of impact damage, distortion, blistering, loose parts, liquid ingress or leakage, may be off ered for condition checking with an appropriate battery condition checking device operated by a competent person.
- If battery is subjected to any liquid ingress users should put the pack upright immediately, with the terminal face downwards.
- If checking shows the battery to be defective then the procedures described from item 9 below should be followed.
- If on checking the battery is found to be operational then a single recharge cycle under observation can be attempted with the appropriate Numatic charger.
- If the battery recharges correctly on this single recharge cycle then it can be deemed a good battery.
- If the battery fails to recharge correctly on this single recharge cycle then it must be deemed a defective battery and the procedures described from item 9 below should be followed. On no account must any further attempt to recharge be made. A defective battery should not be stored inside buildings on any account.
- The defective battery should be discharged by placing it in a container of salt water located in a well- ventilated area. This container should contain 25 litres minimum of saline water at a concentration of 15g common salt / litre of water. The container should have a closed locked lid but should not be sealed. The battery should be left fully immersed in the water to a depth of at least 100mm for at least 2 weeks. The water should be disposed of as hazardous waste when the discharge is complete.
- The defective discharged battery can then be stored in a locked battery waste container which should be plastic or plastic lined and placed away from buildings and clearly signed as a defective battery container with appropriate warnings.
- The batteries should then be sent for waste disposal according with your country’s waste regulations.
An example of a waste battery storage bin well away from buildings.
2. HANDLING AND STORAGE
DANGER!
Improper handling can lead to an explosion or ignite a fi re!
Store batteries out of reach of children.
- Insert the battery in the appliance only when it is in use.
- Always remove the battery from the appliance for transport and when it is not in use.
- Storage temperature range: -10°C~55°C.
- Temperatures must not exceed 55°C.
- Relative humidity range: 45 to 80%.
- Optimum preservation of functionality: 15°C~25°C.
WARNING:
- Do not open the battery, disassemble it or allow it to fall from a substantial height.
- Protect the battery against short-circuiting – danger of explosion!
- Protect the battery against rain, do not immerse in liquids especially fl ammable liquids – danger of short-circuiting potential risk of fi re or explosion. Follow defective battery disposal safety procedure. Insure the product is moved away from any combustible source.
- Protect the battery against direct sunlight, heat and fi re.
- Do not incinerate the battery – danger of explosion!
- Do not use defective or deformed batteries.
- Use only original NUMATIC chargers to charge the battery.
STORAGE:
- Good batteries should be stored in a protected area away from sources of direct heat and sunlight and should be kept dry.
- The temperature should not exceed 55°C but preferably not be above 25°C to maintain good battery performance.
- Storage area should be of low humidity, non dusty and a non corrosive atmosphere.

- An example of a well protected area with a cage to protect against accidental impact damage and with the batteries stored in a protective container to protect from heat, impact and accidental spillage of liquids.
- Care when handling / moving with forklift trucks or pallet trucks is needed at all times to avoid any physical damage to the batteries.
- If a good battery at any time is mishandled or subjected to any conditions that may damage it, as described in the battery Instruction manual supplied, it must then be considered as defective and procedures followed from Item 1 of this document overleaf.
3. HAZARDS IDENTIFICATION
- Electrolyte may escape from damaged batteries. Avoid contact.
- Contact can cause skin irritation, burns and chemical burns.
- If liquid comes into contact with eyes, seek medical attention.
- Avoid inhaling any vapours formed or released – caustic.
4. FIRST AID MEASURES
In the event of contact with released electrolyte or electrolyte vapours:
- Eye contact – flush eyes for at least 15 minutes with plenty of clean water without rubbing and seek medical attention.
- Skin contact – wash aff ected areas of skin with plenty of water and soap; if irritation persists, seek medical attention.
- Inhalation – provide fresh air or administer oxygen immediately and seek medical attention.
- Ingestion – if electrolyte has been ingested, seek medical attention immediately.
Information for physicians:
- Contains caustic alkaline electrolytes in cells with lithium oxide, nickel oxide and cobalt/lithium manganese oxide cathodes – NO LITHIUM METAL OR LITHIUM ALLOYS.
5. FIRE FIGHTING MEASURES
- In case of fire – Keep clear of vapours and gases generated, take wind direction into consideration. If possible without danger, remove batteries from the vicinity of the fi re. In principle, cooling or extinguishing with water is possible, but should only be done by trained personnel with suffi ciently large quantities of water.
- If the hazard situation is unclear, extinguish only with ABC powder extinguishers (Class D extinguishers for fi res involving metals are especially suitable).
- Fire fighters should only approach the fi re wearing protective clothing and self-contained breathing apparatus.
- Once the fire has been extinguished, as a rule, the area should be monitored (fi re watch) and cleaned up by trained and appropriately equipped personnel; fi re residue should be contained and disposed of properly.
6. EXPOSURE CONTROLS, PERSONAL PROTECTION
Respiratory Protection:
- In case of battery venting, providing as much ventilation as possible. Avoid confi ned areas with venting batteries.
- Respiratory Protection is not necessary under conditions of normal use.
Ventilation:
- Not necessary under conditions of normal use.
- Protective Gloves:
- Not necessary under conditions of normal use.
Other Protective Clothing or Equipment:
- Not necessary under conditions of normal use.
- Personal Protection is recommended for venting batteries: Respiratory Protection, Protective Gloves, Protective Clothing and safety glass with side shields.
7. ACCIDENTAL RELEASE
Disposal – Wear protective gear, wipe up with absorbent textile and dispose of as hazardous waste at collection points for hazardous waste according to national regulations.
8. DO
- Use NUMATIC batteries only with NUMATIC appliances and charge them only using NUMATIC chargers.
- Charge battery before use.
- Store the battery out of the reach of children.
- Secure the appliance against unintentional start up – remove the battery from the appliance before transporting or storing the appliance.
- Protect from rain and liquid ingress
- Protect from direct sunlight, heat, and open fl ames.
- Keep a battery that is not in use away from metal objects, (e.g. nails, coins, jewellery).
- Follow the disposal advice of the manufacturer and any internal waste management guidance.
- Use and store the battery with-in temperature range (as shown in Temperature Range Table).
Warning: The battery included in this product must only be charged by the Numatic Charger and docking system supplied with the product and in NO circumstances should an alternative non Numatic charger be used as there is risk severe damage and fire could result.
Note* “If batteries are subjected to temperatures beyond normal operating limits automatic shutdown will occur. Under these conditions allow the batteries to acclimatise at room temperature (180C – 220C) for several hours to allow the battery to wake up”.
Temperature Range Table
| CHARGING | 5°C~35°C |
| DISCHARGING | 5°C~35°C |
| STORAGE OPTIMUM | 15°C~25°C |
| STORAGE LIMIT | -10°C~55°C |
9. DO NOT
- Throw battery into fire – risk of explosion!
- Charge or use a defective, damaged or deformed battery including batteries subjected to liquid ingress.
- Open, damage or drop the battery.
- Expose the battery to microwaves or high pressure.
- Immerse in fluids, especially flammable liquids.
- Insert objects in the battery’s cooling slots.
- Bridge (short circuit) the battery terminals with metallic objects since this may damage the battery.
- Use metal containers for transporting batteries.
- Expose the batteries to high temperatures including direct sunlight.
- Crush, break open or physically abuse the batteries or the equipment that contains them.
10. DISTRIBUTOR TAKE-BACK / DISPOSAL
On the basis of Battery Directive, the manufacturers take responsibility for fi nancing collection, treatment and recycling of batteries used in devices. To this end, batteries must be handed over for disposal to the collection systems established for this under national law. Disposal of batteries together with household waste is prohibited; batteries must be collected separately according to type.- Return the battery free of charge to your NUMATIC servicing dealer for disposal or hand it over to an appropriate public collection point.
11. CHARGING BATTERIES
- The charger is intended for use only on fl at surfaces, place horizontally on fl oor or work surface. The charger is intended for use with the detachable power cord supplied, the power unit is capable of operating at diff erent voltages without user adjustment. If the charger is damaged or does not charge anymore, please return to service centre.
Charging Procedure:
- Ensure the battery is fully inserted into the charger.
- Fit the mains power cord to charger and suitable power supply.
Please Note: If the battery is above its optimum charging temperature (due to ambient temperature or it if was recently discharged) the charger LED will illuminate on/off RED for a maximum of 40 minutes whilst the battery temperature falls to an acceptable level for charging to begin.
- The LED should show RED to indicate charging.
- Once fully charged the LED will show GREEN.
- If power is supplied to the charger with no battery fi tted the LED will show GREEN to indicate STAND-BY status.
CAUTION!
- Check the mains cord regularly for any sign of damage.
- Do not use damaged devices.
- If the mains cord of the charger is damaged, it must be replaced by an original NUMATIC INTERNATIONAL cord available from the manufacturer or service agent.
12. WARRANTY
Lithium-Ion Battery Warranty
Warranty: Commercial Use
a. Batteries are warranted (3 Year) providing all battery care rules are followed
b. To claim warranty the following details must be supplied
i. Serial number of the machine
ii. Battery date code
iii. Date purchased
iv. Proof of Purchase
v. Maintenance history and charging regime
Failure to use the correct Numatic charger will void your warranty.
Specifications
TTB.3045.NX 36V
| CLEANING AREA | 1,215m²/HOUR @ 2.7 kph | GROSS WEIGHT ( i.e. with liquid) | 109 kg |
| BRUSH MOTOR POWER | 300W | NETT WEIGHT ( i.e. NO liquid) | 79.3 kg |
| BRUSH SPEED | 100 rpm | POWER SOURCE | 2 x Lithium-ion 36V | 8400mAh | 300Wh | |
| BRUSH DIA | 450mm | RUN TIME (BATTERY LIFE) | 65 MINS |
| PAD DIA | 400mm | RECHARGING TIME | 1 HR to 80% – 2HR to 100% |
| VAC MOTOR MAX. POWER | 210W | HEIGHT | 1100mm |
| VAC MOTOR – SUCTION @ SQUEEGEE | 155 mbar | LENGTH | 915mm (1065mm) |
| VAC MOTOR – AIRFLOW @ SQUEEGEE | 18.5 l/sec | WIDTH | 470mm (805mm) |
| WATER CAPACITY | 30L | SQUEEGEE LENGTH | 805mm |
| WATER FLOW – AVERAGE | 0-2 l/min | SOUND PRESSURE LEVEL | LpA < 70 dB(A) |
| DRIVE MOTOR POWER/DRIVE SPEED | N/A | VIBRATION LEVEL | HAV < 2.5 m/s² |
| WATER INGRESS PROTECTION | IPX4 | MAX GRADIENT | 2% |
Declaration of Conformity
| Manufacture | Numatic International Limited Chard Somerset TA20 2GBwww.numatic.co.uk |
| Product: | TTB3045 |
| Description: | Floor Treatment – Walk Behind – Commercial – Battery |
We, Numatic hereby declare under our sole responsibility, that the abovementioned product(s) is/are in conformity with the following directives and standards.
| 2006/42/EC | Machinery Directive | EN60335-1:2012 + AC:2014 + A11:2014 + A13:2017 EN60335-2-72:2012 EN62233:2008 |
| 2014/30/EU | EMC Directive | EN55014-1:2017 + A11:2020 EN55014-2:1997 + A1:2001 + A2:2008 |
| 2011/65/EU | RoHS Directive |
Authorised Signatory: Mr. Matthew Coles
Position: Head of Technology
Numatic International Limited
Chard,
Signed:
Date: 03 th Nov 2022
Somerset, TA20 2GB, UK
UKCA Declaration of Conformity
| Manufacturer: | Numatic International Limited Chard Somerset TA20 2GB www.numatic.co.uk |
| Product: | TTB3045 |
| Description: | Floor Treatment – Walk Behind – Commercial – Battery |
| We, Numatic hereby declare under our sole responsibility, that the above-mentioned product(s) is/are in conformity with the following directives and standards. | |
| S.I. 2008: 1597 | RoHS Regulation |
| S.I. 2016: 1091 | EMC……………EN55014-1:2017 + A11:2020 Regulations …………… EN55014-2:1997 + A1:2001 + A2:2008 |
| S.I. 2012: 3032 | Supply of Machinery Regulations EN60335-1:2012 + AC:2014 + A11:2014 + A13:2017 EN60335-2-72:2012 EN62233:2008 |
Authorised Signatory: Mr. Matthew Coles
Signed: Date: 03rd Nov 2022
Position: Head of Technology
Numatic International Limited,
Chard,
Somerset, TA20 2GB, UK
numatic.com
Numatic International Limited.
Chard, Somerset TA20 2GB ENGLAND
Tel: 01460 68600 www.numatic.co.uk
Numatic International GmbH. Fränkische Straße 15–19
D-30455 Hannover, DEUTSCHLAND
Tel: 05 11 98 42 16 0 www.numatic.de
Numatic International SAS. 13 / 17 rue du Valengelier
EAE La Tuilerie, 77500 CHELLES, FRANCE
Tel: 01 64 72 61 61 www.numatic.fr
Numatic International BV, Vennootsweg 15
2404 CG, Alphen aan den Rijn, Nederland
Tel: 0172 467 999 www.numatic.nl
Numatic International (Pty.) Ltd.
16th & Pharmaceutical Roads, Midrand, Gauteng,
SOUTH AFRICA 1685
Tel: 0861 686 284 www.numatic.co.za
Numatic International Schweiz AG.
Sihlbruggstrasse 3A, 6340 Baar. SCHWEIZ
Tel: 0041 (0) 41 76 80 76 – 0 www.numatic.ch
Numatic International ULDA. Rua da Boa Viagem, 177
4470.210 Maia. PORTUGAL
Tel: +351 220 047 700 www.numatic.pt
Numatic International SLU. C/ La Forja, 41, 08840 Viladecans
(Barcelona), Spain
Tel: +34 93 647 22 22 www.numatic.es
Numatic International Denmark. Fränkische Straße 15-19,
30455 Hannover, DEUTSCHLAND
Tel: +45 (0) 31 64 08 08 [email protected]
www.numatic-online.dk
This Product has been comprehensively inspected and checked during every stage of its manufacture.
Including an in-depth electrical safety and functionality test.
Specifi cation subject to change without prior notice numatic.com
© Numatic International Limited
914307 11/22 (A02)
References
Welcome to c.co.uk
Home - Numatic International
online.dk
Pålidelige, kraftfulde og bæredygtige rengøringskoncepter | Numatic International Danmark
Zuverlässige, leistungsstarke und nachhaltige Reinigungskonzepte | Numatic International Schweiz AG
Home - Numatic International
Commercial Start Page
Zuverlässige, leistungsstarke und nachhaltige Reinigungskonzepte | Numatic Deutschland
Numatic Spain – Spanish Company from Numatic International Group
Accueil - Numatic International
Numatic
Home - Numatic International

TA20 2GB















