catchbox mod wireless microphone system User Guide

wireless microphone system
Catchbox Mod converts any wireless beltpack transmitter into a Catchbox throwable microphone for audience engagement. Catchbox Mod comes with an integrated professional microphone element and features Automute™ technology, which automatically mutes the Catchbox when in motion. Specially designed adapter cables ensure full compatibility with transmitters from all major
wireless microphone brands.
General Specifications
Weight (with Cover, without wireless transmitter) 280 g / 9.90 oz
Dimensions (with Cover) 180 × 180 × 180 mm / 7 × 7 × 7 in
Built-in Automute technology Yes
Working range Depends on the wireless system used*
Battery type 1 x AA (LR6)
Battery life > 20 hours (with alkaline battery)
Microphone element Electret condenser, omni-directional
Additional audio latency 0 ms
Audio frequency response 30 to 20 000 Hz
Operating temperature range 0 °C (32 °F) to 30 °C (86 °F)
Storage temperature range 0 °C (32 °F) to 50 °C (122 °F)
Wireless charger compatible No
* The actual operating range depends upon the RF output settings, the surroundings, the signal absorption, signal reflection and signal interference
Audio frequency response

* Note: Frequency response is measured with attached foam cap
Adapter cables included
Mini-XLR TA4 (Shure compatible)
3.5 mm / 1/8in jack (Sennheiser compatible
Mini-XLR TA3 (AKG compatible)
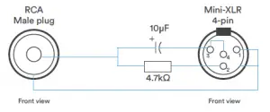
RCA to 4 pin mini XLR cable

RCA to 3 pin mini XLR cable
Cables for other brand transmitters available for purchase. See full compatibility list on our website
Quick start guide
- Plug the compatible adapter cable to the 3rd party trasnsmitter

- Plug the adapter cable to Catchbox Mod and make sure that the transmitter is safely fitted in the cavity

Cavity dimensions – 87 × 68 × 30 mm / 3.4 × 2.7 × 1.1 in






















