NEDSP1901-PCB User Manual Iss A
Copyright & Disclaimer:
Copyright: This publication, including all photographs and illustrations, is protected under international copyright laws, with all rights reserved. Neither this manual, nor any of the material within, may be copied or reproduced without the written consent of bhi Ltd.
Disclaimer: The information in this document is subject to change without notice. bhi Ltd. makes no representations or warranties with respect to the contents hereof and specifically disclaims any implied warranties of merchantability or fitness for any particular purpose. Furthermore, bhi Ltd. reserves the right to revise this publication and to make changes from time to time in the content hereof without the obligation of bhi Ltd. to notify any person of such revision or changes.
Introduction
The NEDSP1901-PCB module is an audio DSP noise-canceling module that is used to clean up noisy speech signals to give improved speech clarity in noisy conditions. The 1901 module is a pin for pin replacement module for the discontinued NEDSP1061-PCB module. It operates with a similar specification but incorporates the latest bhi DSP noise-canceling technology and maintains virtually the same physical dimensions as the NEDSP1061-PCB.

1.1 NEDSP 1901 Module Features:
- Fully adaptive to changing noise environments
- Input and output level controls
- Virtually no distortion to speech signals
- Up to 40 dB noise reduction in 8 selectable levels
- Audio bandwidth 300Hz to 5KHz
- Noise Reduction may be preset or remotely set during operation.
- 7 to 18 Volt supply range
- Approximately 10 dB of signal gain with the ability to drive impedances of less than 1KOhm.
- Wide range of connection possibilities
- Mounting holes
1.2 Limitations
This module is designed to pass speech. Other signals such as data, music, and morse (CW) will, to some degree pass through, but the integrity of these signals cannot be guaranteed. The NEDSP1061-PCB module is designed to be placed in a low-level audio path (up to 1V p-p) only, although there is a level adjustment on the module which will require adjustment. The output will not drive a loudspeaker or other high-power load.
1.3 Module connection and Mounting
Connections to the module are made by a row of 10 plated through holes to one end which form PL2. The holes are on a 2.54 mm (0.1”) pitch which allows the use of Straight or Right-angle pin headers or direct wiring. This makes a flexible connection arrangement and allows the user to be mounted either vertically or horizontally, plugged in, or soldered directly to the target system.

Pin No | Name | Description |
| 1 | NO | BCD Isb noise reduction bit 0 |
| 2 | N1 | BCD noise reduction bit 1 |
| 3 | N2 | BCD msb noise reduction bit 2 |
| 4 | N/C | Do Not Connect |
| 5 | Vin | Vin Supply Voltage (5V to 20 V) |
| 6 | N/C | Do Not Connect |
| 7 | Ov | OV connection |
| 8 | Noff | Noise Reduction On/Off pin |
| 9 | In | Audio Input |
| 10 | Out | Audio Output |
PL1, seen on the right of the picture above, is meant for programming the 1901-KBD module only.
Connections to 1901 are via PL2, as given in the table opposite.
Whichever method of connection is used, ensure that the PCB is supported by using at least 2 of the M2.5 mounting holes to be found at the corners of the board. It’s recommended that Nylon Securing hardware be used to ensure that accidental shorts are avoided due to the fine nature of this PCB.
The Audio signal into the module is capacitor coupled to prevent DC offsets from being affected.
An on-board voltage regulator allows the module to be used with a wide range of input voltages, but to keep the power dissipation (and heat) down, it is advisable to use as low as possible supply voltage. The power supply input is reverse polarity protected.
1.4 DSP Noise Reduction
The NEDSP1901 processes the incoming signal and uses known speech and noise patterns to differentiate the speech from the noise. The unwanted noise and interference is then attenuated to leave only speech.
Figure 1 – Noise Cancellation
Original Signal. Speech with a lot of background noise
The module has the facility to be pre-set or adjusted during operation. Digital inputs control the functions. These incorporate internal pull-up resistors so they can be left floating when not in use.
Processed Speech. Speech with reduced noice
The diagrams in Figure 1 (opposite) are taken from actual audio signals and illustrate how the signal is being processed.
Module Description
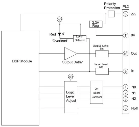
2.1 Block Diagram
The NEDSP 1901 module has the facility to be preset or adjusted during operation. Digital input controls the functions. These incorporate internal pull-up resistors so they can be left floating when not in use.
The audio signals into and out of the module are capacitor coupled to ensure that no DC levels are pulled down or shorted when the module is used embodied as part of existing equipment.
The on-board voltage regulator allows the module to operate from a wide supply voltage (5 to 15 Volts) range. However, to keep the power dissipation (heat) down, it is advisable to use as low as possible supply voltage. The Power supply input is reverse polarity protected.

Figure 2. NEDSP1901 Block Diagram
2.2 Module Layout
Figure 3 below shows the board dimension detail as seen from above. The overall thickness of th board is 8.75mm. When considering the installation of this module, at least 9.5 mm height should be provided, which will allow for the clearance of through-hole solder pins.

Figure 3. Board outline dimensions and mounting hole positions
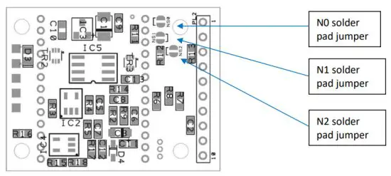
The Jumpers NS0 through NS2 highlighted in Figure 4 are solder jumper pads to allow the user to fix the Nosie Reduction level required. Care must be taken so as not to splash solder over unused solder pads when placing solder across the required jumpers.
Note: Ensure that any solder jumpers across these pads are removed before using the Remote Noise Reduction control pins.

Figure 4. On-board Noise Reduction level selection jumpers
2.3 Pin Functions
The basic operation of the NEDSP pins are described below. More details may be found later in this manual.
Pins 1-3 DSP Filter level set -These pins allow remote setting of the noise cancellation level. If these pins are used, then ensure that the appropriate on-board pre-set solder jumpers are removed (JP1 – JP3).
Pin 5 Supply Voltage – Supply voltage 5 V to 15 V DC
Pin 7 0V – This is the 0V pin and acts as a Star Point for all Audio and Power Grounds.
Pin 8 Noise Reduction On/Off – Connecting this pin to 0V inhibits the noise cancellation. Leave this pin floating or tie it to +3.3 V to enable noise cancellation.
Pin 9 Audio Input – Audio Signal to be processed
Pin 10 Audio Output – DSP Processed signal from the module.
For optimum performance, keep all leads as short as possible. Use screened leads for the audio signal and make sure that the 0V pin is grounded correctly with all signal grounds being referenced to this pin.
2.4 Controls
The audio level control potentiometers VR2 (Audio Out) and VR1 (Audio In) provide adjustment to audio levels entering and leaving the module. Both controls are pre-set at the factory such that a 1V p-p input provides a 1V p-p output with the Noise Reduction disabled.
To set the Input Level correctly, adjust VR1 until the ‘Overload’ indicator (LED1) just illuminates.
Then back off the potentiometer until the LED extinguishes. Turning the potentiometers clockwise increases the levels.
2.5 Electrical Characteristics
Output impedance: 1k Ohms typical
Input impedance: 7.5k Ohms typical
| Analogue Characteristics | |||||
| Parameter | Description | Min. | Typ. | Max. | Units |
| Vin | Supply Voltage | 5 | 8 | 15 | V |
| lin | Supply Current | 15 | 20 | mA | |
| In | Audio Input Signal | 10 | 500 | mV (rms) | |
| Out | Audio Output Signal | 1000 | |||
| Digital Characteristics | |||||
| Parameter | Description | Min. | Typ. | Max. | Units |
| VHigh | High Level Input Voltage | – | 3.3 | 5 | V |
| VLow | Low level Input Voltage | 0.8 | – | – | V |
Installation
The NEDSP1901 module is inserted into the path of the noisy audio. Adjusting the Input and Output level controls allows the module to appear transparent to the audio signal level.
Figure5. General Audio signal flow with 1901 module installed
The NEDSP1901 requires a minimum signal level of 10mV rms or greater for optimum performance. Signals lower than this may be used but the noise cancellation performance will be degraded as the signal level drops. If the module is to be used with low level microphones, the signal will require pre-amplification. The Output level control may be used to attenuate the signal back down to the original signal level.
Functions
4.1 Noise Reduction Levels
8 Levels of noise reduction are available. Noise and tone reduction is shown in the table below:
| Level | Tone Reduction | White Noise Reduction |
| 1 | 4dB | 8dB |
| 2 | 5dB | 12dB |
| 3 | 6dB | 16dB |
| 4 | 8dB | 20dB |
| 5 | 16dB | 25dB |
| 6 | 21dB | 30dB |
| 7 | 25dB | 35dB |
| 8 | 65dB | 40dB |
Notes:
- When processing signals with high levels of noise using the higher levels of noise reduction, the processed signal may sound a little strange. This is quite normal with this type of signal.
- Due to the adaptive nature of the noise cancellation algorithm, a small delay may be experienced when the audio signal varies in the noise. For optimum performance the module should be provided with a constant signal, for example, if the module is installed into a system employing a push-to-talk system, then the module should be inserted in the audio path before any switching or muting. Thus, the signal will always be available for the module to adapt to.
4.2 Setting different filter levels
The levels are set by applying a BCD code to three solder jumpers on the underside of the module.
The module can be controlled with a microcontroller. As the DSP employs internal pull-ups, it is not necessary to drive the microcontroller pins high, they can be placed in a high impedance state.
4.3 Remote setting of DSP filter level
The remote setting of the DSP level may be achieved through the PCB connections at PL2, this allows the filter level to be changed during operation. If the remote DSP settings are to be used, ensure that the solder jumpers are removed from NS0 through NS2 as shown below:
To set the DSP level remotely, connect the pins N0, N1, and N2 (PL2 pins 1, 2 and 3 respectively) as shown in Table 2 below.
| Level | N2 | N1 | NO |
| 1 | 0 V | 0 V | 0 V |
| 2 | 0 V | 0 V | +3.3V |
| 3 | 0 V | +3.3V | 0 V |
| 4 | 0 V | +3.3V | +3.3V |
| 5 | +3.3V | 0 V | 0 V |
| 6 | +3.3V | 0 V | +3.3V |
| 7 | +3.3V | +3.3V | 0 V |
| 8 | +3.3V | +3.3V | +3.3V |
Table 2 – Remote Pin settings for various Noise Reduction Levels
The DSP Module has internal pull-ups on its inputs, so any cell in the table containing +3.3 V may be taken up to or left open circuit.
4.4 Setting the Noise Reduction Level using the On-board Jumper links
The on-board Noise reduction selection jumper selectors are located on the underside of the module as shown below. These jumpers are actually PCB pads that should be linked using a solder bridge. Caution should be used when carrying out this operation to ensure that other components and connections are not bridged as this could cause the module to malfunction or even fail.

The Noise reduction Level settings are shown in the table below.
Level | NS2 | NS1 | NSO |
| 1 | Open | Open | Open |
| 2 | Open | Open | Linked |
| 3 | Open | Linked | Open |
| 4 | Open | Linked | Linked |
| 5 | Linked | Open | Open |
| 6 | Linked | Open | Linked |
| 7 | Linked | Linked | Open |
| 8 | Linked | Linked | Linked |
Table 3 – On-board Jumper settings
4.5 Noise Reduction On/Off
The module has the provision for remotely enabling and disabling the noise reduction, while in operation. The default setting for the module is noise reduction ON. This may be switched by the use of the noise cancellation On/Off pin (PL2 pin 8). To inhibit noise reduction, connect this pin to 0V. To enable noise reduction, leave the pin unconnected.
The module may be controlled with a microprocessor. As the 1901 Module employs internal pullups, it is not necessary to drive the microprocessor port pins high, they can be placed in a high impedance state.
It should be noted that the 1901 module operates with 3.3 Volt logic signals. Therefore, if it is intended that the Microprocessor is to drive the 1901 lines High, the Microprocessor should be operating from a 3.3 Volt supply as well. Alternatively, the control signals may be attenuated using a simple potential divider as discussed in section 5.
Application Notes
5.1 Noise Cancellation On/Off with indication

Figure 7. Noise Reduction On/Off with Red/Green LED Status indicator
In the example opposite a Tricolour (or separate Red and Green) LED’s are used to give a visual indication of the Noise Reduction mode. The Green LED will illuminate when the Noise Reduction is On and the Red will illuminate when the Noise Reduction is Off.
5.2 Remote adjustment of Noise Reduction level
This section illustrates the various options for altering the DSP level remotely, during operation.

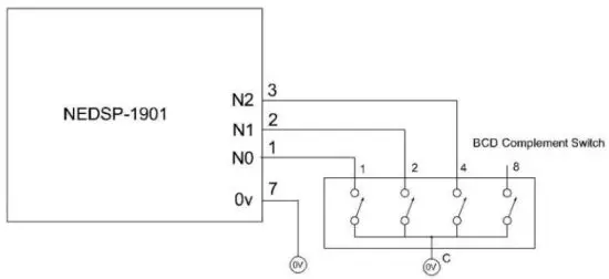
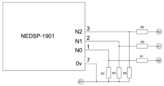
Figure 8. Basic setting using a BCD switch with complementary logic.
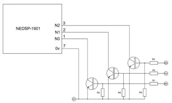
The transistors allow interfacing with higher voltages to control the DSP level. As a rough guide the Resistors R1, R3, R5 can be around 10 kOhm. Resistors R2, R4, and R6 could be in the range 2.2 kOhm for control voltages over 10 Volts and 4.7 kOhm for voltages between 5 Volts and 10 Volts.

Figure 9. Noise Reduction setting using a Transistors
The module can be controlled with a microcontroller. It is not necessary to drive the control pins with the controller as the NEDSP has internal pull-up resistors. Therefore, the microcontroller would operate pulling Low or in a High impedance state.

Figure 10 – Operation with a Microcontroller
Important Note: If the Microcontroller is driving the control pins both High and Low, it should be operated from a 3.3 Volt supply only. If this can’t be achieved, then consider using either the Transistor method of interfacing above or the much simpler voltage divider method outlines for 5 Volt operation shown in Figure 11.
If a Microcontroller operating on 5 Volts is to be used to drive the NEDSP1901 control pins, make sure that the drive voltage is no higher than 3.3 Volts. Alternatively, if the Microcontroller is operating on 5 Volts, insert a simple Voltage divider circuit between the control pins and the microcontroller.
Figure 11. An alternative method of controlling the NEDSP1901 with 5 Volt logic.
For +5 Volts, the suggested values for R1, R3 and R5 is 1 kOhm, while R2, R4 and R6 should be 1.5 kOhm.
5.3 Audio Bypass
In safety-critical applications, a bypass system should be included to maintain communications in the unlikely event of the NEDSP1901 or power failure. The following circuit uses a relay to route the audio signal directly. In the event that the power fails, the Relay will de-energise and connect the Input to the Output directly. It will be noted that a switch has been included to allow the signal to bypass the Module.

Figure 12. Typical Relay operated audio bypass circuit with user Power Off/Bypass switch
bhi
Noise Cancellation
Products
Contact details:
bhi Ltd
PO Box 318
Burgess Hill
West Sussex
RH15 9NR
Tel: +44 (0)1444 870333
Email: [email protected]
Web: www.bhi-ltd.com















