Schneider Electric B400 4 Bolt On Rainproof Hub for R Devices Installation Guide
Models

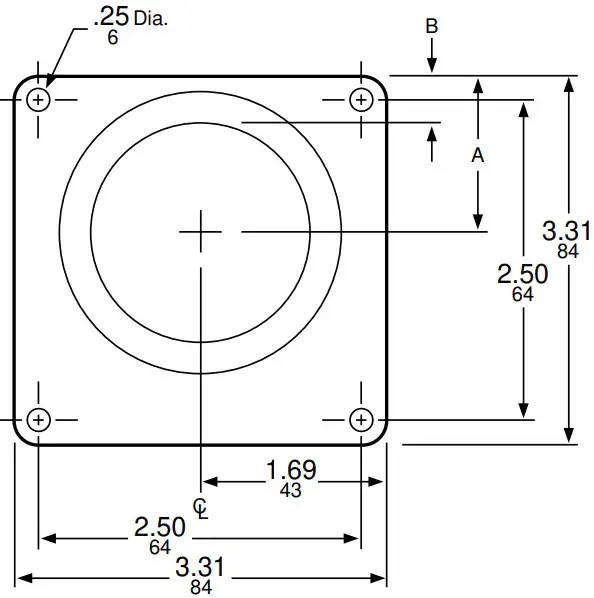
Series A and A-L
Series A Hubs
- Equipment with provisions for A Hubs:
- Individual Meter Sockets, Class 4131
- Horizontal Ganged Meter Sockets, Class 4121
- Combination Service Entrance Devices, Class 4119/4120
- Bolt-on hub supplied with four 12–24 x 3/4 inch slotted hex-washer head screws.
| Conduit Size | Closing Plate | 1 in. | 1¼ in. | 1½ in. | 2 in. | 2½ in. |
| Catalog Number | ACP | A100 | A125 | A150 | A200 | A250 |

Hub Mounting Dimensions
| Hub Catalog Number | Conduit Size in. | “A” | “B” | ||
| in. | m/m | in. | mm | ||
| A100 | 1 | 0.94 | 24 | 0.44 | 11 |
| A125 | 1¼ | 1.00 | 25 | 0.44 | 11 |
| A150 | 1½ | 1.25 | 32 | 0.50 | 13 |
| A200 | 2 | 1.50 | 38 | 0.50 | 13 |
| A250 | 2½ | 1.69 | 43 | 0.44 | 11 |
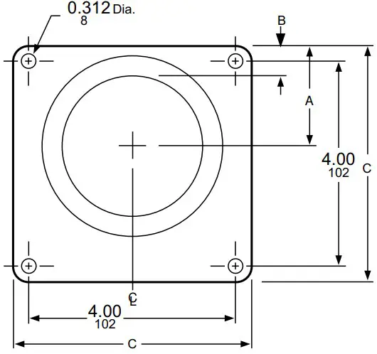
Series A-L Hubs
- Equipment with provisions for A-L Hubs:
- Individual Meter Sockets, Class 4131
- Horizontal Ganged Meter Sockets, Class 4121
- Combination Service Entrance Devices, Class 4119/4120
- Bolt-on hub supplied with four 1/4–20 x 1/2 inch slotted screws.
- Adapter plate required to allow use of “A” hubs on “A-L” size hub openings: catalog number AAP.
| Conduit Size | Closing Plate | 2 in. | 2½ in. | 3 in. | 4 in. |
| Catalog Number | ACPL | A200L | A250L | A300L | A400L |

A-L Hub Mounting Dimensions
| Hub Catalog Number | Conduit Size | “A” | “B” | “C” | |||
| in. | in. | mm | in. | mm | in. | mm | |
| A200L | 2 | 1.94 | 49 | 0.94 | 24 | 4.63 | 118 |
| A250L | 2–1/2 | 2.00 | 51 | 0.88 | 22 | 4.63 | 118 |
| A300L | 3 | 2.13 | 54 | 0.63 | 16 | 5.00 | 127 |
| A400L | 4 | 2.50 | 64 | 0.50 | 13 | 5.00 | 127 |
Series B Hubs
- Equipment with provisions for B hubs (NEMA Type 3R) with “RB suffix” in catalog number:
- QO load centers, Class 1130
- HomeLine load centers, Class 1170
- Combination service entrance devices, Class 4119/4120
- General duty safety switches (30–200 A), Class 3130
- Heavy duty safety switches (30–200 A), Class 3110
- Double throw switches (30–200 A), Class 3140
- Circuit breaker enclosures, Class 610
- B hub provisions are available on NEMA Type 3R devices only with “RB suffix” in catalog number.
- Devices with B hub provisions are supplied with closing cap, catalog number BCAP. To mount B hub, discard BCAP and mount hub with screws from closing cap.
- B300, B400 hubs are supplied with gaskets for devices with “R suffix” in catalog number.
- Typical hub adjustment for RB devices.
- Off-center conduit thread openings eliminate costly conduit offsets and bends.
Standard Mounting
Reverse Mounting
| Hub Size | Mounting Surface to C/L of Hub Opening | |||||||
| Dimension A | Dimension B | |||||||
| Minimum | Maximum | Minimum | Maximum | |||||
| in. | mm | in. | mm | in. | mm | in. | mm | |
| 3/4, 1–1/4 in.. | 1.13 | 29 | 1.50 | 38 | 2.00 | 51 | 2.38 | 60 |
| 1–1/2 in. | 1.25 | 32 | 1.63 | 41 | 1.88 | 48 | 2.25 | 57 |
| 2 in. | 1.50 | 38 | 1.88 | 48 | 1.63 | 41 | 2.00 | 51 |
| 2–1/2 in. | 1.75 | 44 | 1.75 | 44 | 1.75 | 44 | 1.75 | 44 |
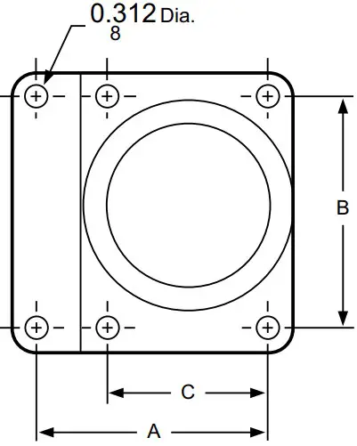
B300
B400
Hub Size | Hub Catalog Number | Mounting Dimensions | |||||
| A | B | C | |||||
| in. | mm | in. | mm | in. | mm | ||
| 3 in. | B300 | 4.13 | 105 | 4.13 | 105 | 2.63 | 67 |
| 4 in. | B400 | 4.13 | 105 | 4.13 | 105 | – | – |

| Conduit Size | Closing Cap | ¾ in. | 1 in. | 1–1/4 in. | 1–1/2 in. | 2 in. | 2–1/2 in. | 3 in. | 4 in. |
| Catalog Number | B-CAP | B075 | B100 | B125 | B150 | B200 | B250 | B3001 | B400 |
| NOTE: Closing cap (catalog number B-CAP) is provided factory installed on each device having “RB” suffix.NOTE: Hubs, thru size 2–1/2 in.can be directly installed on “RB” devices. Devices requiring 3 in.or larger, hubs must have holes cut in the field. | |||||||||
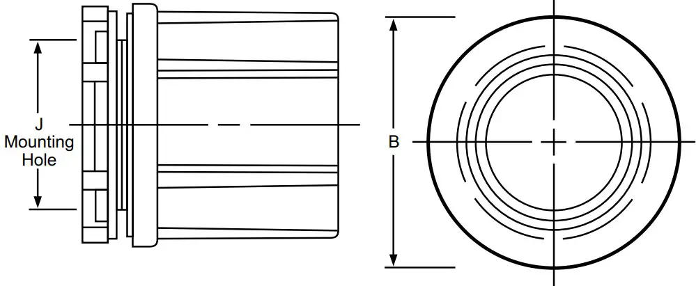
Series H Hubs

- Equipment used on:
- Heavy duty safety switches (NEMA Type 4, 4X, 5, and 12), Class 3110
- Circuit Breaker Enclosures, (NEMA Type 4, 4X, 5, and 12) Class 610
- Watertight conduit hub, with gasket and insulated throat.
- Threaded opening for conduit.
- For use with NEMA Type 4, 4X, and 5 Stainless Steel and NEMA type 12 switch and circuit breaker enclosures.

| Conduit Size | ½ in. | ¾ in. | 1 in. | 1–1/4 in. | 1–1/2 in. | 2 in. | 2–1/2 in. | 3 in. | 3–1/2 in. | 4 in. | |||||||||||
| in. | mm | in. | mm | in. | mm | in. | mm | in. | mm | in. | mm | in. | mm | in. | mm | in. | mm | n. | mm | ||
| Mount- ing Hole “J” | Min. | 0.859 | 22 | 1.075 | 27 | 1.328 | 34 | 1.687 | 43 | 1.859 | 47 | 2.391 | 61 | 2.891 | 73 | 3.516 | 89 | 4.015 | 102 | 4.516 | 115 |
| Max. | 0.922 | 23 | 1.125 | 29 | 1.406 | 36 | 1.766 | 45 | 2.015 | 51 | 2.547 | 65 | 3.047 | 77 | 3.672 | 93 | 4.175 | 106 | 4.672 | 119 | |
| Outside Diameter “B” | 1.203 | 31 | 1.625 | 41 | 1.891 | 48 | 2.312 | 59 | 2.625 | 67 | 3.156 | 80 | 3.703 | 94 | 4.312 | 110 | 4.813 | 122 | 5.312 | 135 | |
| Standard- ZincHub Catalog Number | H050 | H075 | H100 | – | – | H200 | – | H300 | H350 | H400 | |||||||||||
| Chrome PlatedHub Catalog Number | H050CP | H075CP | H100CP | – | H150CP | H200CP | – | – | – | – | |||||||||||
Schneider Electric
800 Federal Street 01810 Andover, MA USA 888–778–2733
www.se.com
As standards, specifications, and design change from time to time, please ask for confirmation of the information given in this publication.
© 1996 – 2022 Schneider Electric. All rights reserved. 6660CT9601

References
Schneider Electric Global | Global Specialist in Energy Management and Automation
A200L - Meter pak accy, hub, 2.00 in wire size, Series A L, rainproof, 4.63 in | Schneider Electric USA
A250L - 2 1/2 HUB KIT (LG) W CARTON+BAG LABELS | Schneider Electric USA
A300L - Meter pak accy, hub, 3.00 in wire size, Series A L, rainproof, 5.00 in | Schneider Electric USA
A400L - Meter accessory, hub, large, rainproof, 4 in | Schneider Electric USA
ACPL - CLOSING PLT,STEEL-SEALS A-L HUB OPENING | Schneider Electric USA
B100 - Accessory, bolt-on hub, 1.00in, rainproof | Schneider Electric USA
B125 - Accessory, bolt-on hub, 1.25in, rainproof | Schneider Electric USA
B150 - Accessory, bolt-on hub, 1.50in, rainproof | Schneider Electric USA
B200 - Accessory, bolt-on hub, 2.00in, rainproof | Schneider Electric USA
B250 - Accessory, bolt-on hub, 2.50in, rainproof | Schneider Electric USA
B300 - Accessory, bolt-on hub, 3.00in, rainproof | Schneider Electric USA
B400 - Accessory, bolt-on hub, 4.00in, rainproof | Schneider Electric USA
BCAP - Cap, safety switch, for bolt on hub, B opening, NEMA 3R | Schneider Electric USA
H050 - Accessory, watertight hub, Safety Switch, 0.5 in hub, zinc plated | Schneider Electric USA
H050CP - Accessory, watertight hub, Safety Switch, 0.5 in hub, chrome plated | Schneider Electric USA
H075 - Accessory, watertight hub, Safety Switch, 0.75 in hub, zinc plated | Schneider Electric USA
H075CP - Accessory, watertight hub, Safety Switch, 0.75 in hub, chrome plated | Schneider Electric USA
H100 - Accessory, watertight hub, Safety Switch, 1.0 in hub, zinc plated | Schneider Electric USA
H100CP - Accessory, watertight hub, Safety Switch, 1.0 in hub, chrome plated | Schneider Electric USA
H150CP - Accessory, watertight hub, Safety Switch, 1.5 in hub, chrome plated | Schneider Electric USA
H200 - Accessory, watertight hub, Safety Switch, 2 in hub, zinc plated | Schneider Electric USA
H200CP - Accessory, watertight hub, Safety Switch, 2 in hub, chrome plated | Schneider Electric USA
H300 - Accessory, watertight hub, Safety Switch, 3.o in hub, zinc plated | Schneider Electric USA
H350 - Accessory, watertight hub, Safety Switch, 3.5 in hub, zinc plated | Schneider Electric USA
H400 - Accessory, watertight hub, Safety Switch, 4 in hub, zinc plated | Schneider Electric USA



![Sunbrite Sb-wm-art1-[l/xl]-bl Weatherproof Dual Arm Articulating Mount Installation Guide Sunbrite Sb-wm-art1-[l/xl]-bl Weatherproof Dual Arm Articulating Mount Installation Guide](https://static-data1.manualsee.com/1/img/368/7050867/2023/03/SUNBRITE-SB-WM-ART1-LXL-BL-Weatherproof-Dual-Arm-Articulating-Mount-FIG-1-1568x770.png)
















