DMTECH D9000 МСР Call Point

Attention
Read this instruction carefully before attempting to install the detector.
The D9000 MCP manual call point is designed for indoor operation in fire detection systems and meets the requirements of European Standard EN54-11;
The fire detector is designed for easy installation and maintenance. There are built-in channels in the base for inserting cables in three directions – left, right, and top. The key to open the fire detector and restore the removed element is the same and is attached to the base. The D9000 MCP has a protective transparent cover and the possibility of mounting a seal. Upon activation, except the graphic indication of the operating element, for visibility from a distance is activated, and red LED.
Technical characteristics
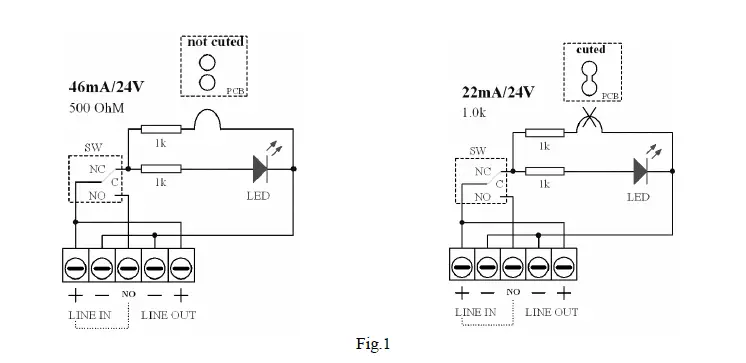
- Supply voltage (9-30) V DC
- Resistance 500Ω / (1 kΩ in broken PCB bridge)
- Current at 24V 46mA/ (22mA in broken PCB bridge)
- LED indicator red
- Protective cover transparent
- Cross section of connecting cables 0,4÷1,5 mm2
- operating temperature range minus 10ºС ÷ 50ºС
- Humidity (93 ± 3)% at 40ºС
- Degree of protection IP 40
- Dimensions (90 х 90 х 44) mm
- Weight 0,120 kg
- Material ABS plastic
Installation of the fire detector
- Unpack the fire detector;
- Remove the key from the base;
- Insert the key in the base opening, push inward and open the two parts of the fire detector;
- Select the location (according to the project drawings) for the installation of the fire detector;
- Install the base with suitable dowels and screws;
Connect the electric cables according to the diagram (fig.1); - In the factory fire detector is designed to switch 500Ω resistor or current in the line 46mA / at 24V DC;
- It is possible to set the resistance, which can be set to 1 k Ω or current in the line 22mA / at 24V DC;

- This option is obtained by cutting the bridge on the board with mounting chucks. (Fig. 2);
- Install the cover of the upper supports to the base and, with slight pressure, close the fire detector;

Testing and maintenance
Testing
- Apply voltage;
- Raise the protective cover;
- Press the working surface at the indicated with arrows place;
- The operating element must fail where it will appear and the graphic indication of the operating element for the operated detector and will light up and the red LED on the front;
- To restore, place the key in the opening on the top of the fire detector and press until the work item moves to the top position. The hatch must hide and the LED turn off;
- Keep detector key for periodic testing and recovery after an emergency operation.
Maintenance
- Visual inspection for mechanical damage and pollution: – quarterly
- Performance check: – еyearly
Warranty obligations
The manufacturer guarantees the conformity of the device with standards EN 54-11:2006. The warranty period is 36 months from the date of sale, provided that:
- the conditions of storage and transport have been followed;
- the release is performed by authorized persons;
- the requirements for operation stated in this instruction have been abode;
- defects are not caused by natural phenomena and accidents of the plug socket.
Manufacturer: “DMTech” Ltd., 58 Kliment Ohridski Str., Pleven 5800, Bulgaria, EU, http://dmtech-ltd.com



















