Installation, Operation, and Maintenance Manual
VA-DC-000-1952 Rev. 1 February 2022
Shafer ECAT Emission Controlled Actuator Technologies

Introduction
1.1 Scope
This manual is offered as a guide to be used along with locally approved and safe practices to install, operate, service, and maintain the ECAT system. Carefully follow the instructions in this manual and make sure you install the system correctly and according to your requirements.
1.2 General Information
1.2.1 Overview
The ECAT is a self-contained, quarter-turn, valve actuator that combines proven technologies from Emerson’s Valve Automation. The actuator has been designed for critical shutdown applications where reliability is crucial. The ECAT utilizes a hydraulic accumulator, pressurized with the pipeline gas, as a stored energy source in order to actuate the actuator/valve open or closed. The self-contained system contains an electric motor, gear pump, and reservoir. Pressure switches for alarming and return line hydraulic filtration is available as an option.
1.2.2 Operation
After initial start-up and commissioning, procedures have been accomplished, the electric-driven hydraulic pump will keep the power header and all accumulators pressurized to the appropriate pressure with no intervention from operations personnel.
1.2.3 Maintaining Pressure
Any loss of pressure in the power header line or accumulators, whether caused by external leakage or actuator movement will cause the thermal-volume controller rod to move own. This movement operates the motor control switch to the “Motor On” position, automatically starting the electric-driven hydraulic pump. The pump will run until the hydraulic fluid in the power header line and all accumulators have been replenished. When the header and accumulator have been filled, the thermal volume controller rod
will rise and operate the motor control switch to the “Motor Off” position. There is no need for the pump to be started or stopped by operations personnel.
1.2.4 Mechanically Operated Components
The only mechanically operated components on the ECAT system are the motor control switch located on the thermal volume controller. This switch detects the position of the thermal-volume controller and relays the information back to the control. The control then starts or stops a motor as needed. The switch does not require adjustment or maintenance.
1.2.5 Relieving Pressure on the Fluid
High-pressure hydraulic fluid can be safely routed back to the reservoir from the accumulator or actuator units by opening the main accumulator Bypass valve located on the reservoir. Opening this valve will allow the pressurized fluid in the system to be common to the reservoir. This valve should be opened slowly to prevent the high-pressure fluid from foaming due to the velocity through the hand valve. A hydraulic thermal relief valve is piped in parallel to this hand valve for the purpose of relieving excess hydraulic pressure in case the control malfunctions or ambient temperature conditions exceed design limits.
1.2.6 Fluid Level in Reservoir
The reservoir tank is provided with a stainless steel sight glass level viewer.
1.2.7 Functional Description
The following is a functional description of the ECAT System for valve actuators and a brief explanation of the main components that make this ECAT system unique. Throughout this explanation numbers which appear in parenthesis ( ) correspond to item numbers on Schematic Diagram 11547-S. The ECAT system provides energy for the operation of valve actuators during normal operation as well as emergency shutdown. This energy is hydraulic power stored in the Accumulator (76). When required, the Accumulator (76) pushes the hydraulic fluid into the power oil header line. The power oil header line supplies the actuator power for operation. The hydraulic fluid leaving the valve actuator will pass through the return oil header line back into the Oil Reservoir (60) creating a closed loop system. The Accumulator (76) gets its power from high-pressure pipeline gas pushing on the accumulator’s piston. The hydraulic fluid, stored in the Accumulator (76), originates from the Oil Reservoir (60). Fluid is drawn from the Oil Reservoir (60) and through the suction line by a Hydraulic Pump (67). The hydraulic pump (67) forces the fluid through the discharge line and into the Accumulator (76). The ECAT system has one electric motor-driven Hydraulic Pump (67). The pump is controlled by a motor control switch operated by the Thermal-Volume Controller (77). While in operation, if the Thermal-Volume Controller (77) moves a small amount actuating the Motor Start / Stop Switch (78) to the “On” position, the electric motor-driven Hydraulic Pump (67) will start to run. The pump will operate until the Thermal-Volume Controller moves and actuates the Motor Start / Stop Switch (78) to the “Off” position.
1.2.8 Product Attributes
- Easy installation – ECAT actuator is a totally self-contained system and designed for compactness and adaptable to new or existing valves
- Designed for Bettis™ or Shafer hydraulic double-acting actuator and controls, including the handpump
- Shafer™ hydraulic control technology
- Multiple input power options with either AC or DC
- Local open / close control
- Fast speed of operation to the fail-safe position if required
- Accumulator suitable for hydraulic and natural gas service
- Operating pressures up to 2220 psi with standard components
1.3 Safety Information
Safety notices in this manual detail precautions the user must take to reduce the risk of personal injury and damage to the equipment. The user must read these instructions in their entirety. Failure to observe these safety notices could result in serious bodily injury, damage to the equipment, and void of the warranty. Take special notice of all tags, warning labels, and instructions presented on the actuator. These may provide more specific and significant information regarding the actuator than this general manual.
It is the responsibility of the user to ensure proper safety practices are utilized. Always take necessary precautions and use proper protective equipment when dealing with compressed gasses, compressed hydraulic fluid, pinch points, and electricity. Safety notices are presented in this manual in three forms (Warning, Caution, and Note) as follows:
WARNING
Alerts users of potential danger; failure to follow the warning notice could result in serious personal injury or death.
CAUTION
Identifies precautions the user must take to avoid personal injury or equipment damage.
NOTE: Highlights information critical to the user’s understanding of the ECAT system installation or operation.
1.4 Abbreviation Definitions
Abbreviations used in this manual and their definitions are listed in the table below:
Table 1. Abbreviation Definitions
| Abbreviation | Definition |
| TOM | Installation Operation Manual |
| ES D | Emergency Shutdown |
| FS | Fail-safe |
| DA | Double-Acting |
| MAW P | Maximum Allowable Working Pressure |
| MOP | Maximum Operating Pressure |
| MCC | Motor Control Center |
| LS | Limit Switch |
| PS | Pressure Switch |
| NC | Normally Closed |
| NO | Normally Open |
| CCW | Counterclockwise |
| CW | Clockwise |
| OL | Overload |
| PPE | Personal Protective Equipment |
| GA | General Arrangement Drawing |
| SOV | Solenoid Valve |
| NO | Normally Open |
| NC | Normally Closed |
Installation
2.1 Preparation
2.1.1 Delayed Usage
If for any reason the actuator is not to be installed immediately, Emerson Process Management recommends the following procedures. Failure to comply, with recommended procedures, could lead to actuator malfunction and possibly void the warranty. For storage procedures exceeding one year, consult Emerson Process Management for further recommendations. As shipped from the factory, the ECAT system is an inherently weatherproof unit, providing that all compartment covers and cable entry plugs remain intact. The actuator should be immediately stored in a clean, dry warehouse, free from vibration and rapid temperature changes, until it can be installed and energized. If the actuator must be stored outside, store it off the ground at an elevation sufficient to prevent it from being immersed in water or buried in snow. Check for any unpainted or exposed metal surfaces and make sure they are protected with a coating of grease to prevent any corrosion. Cover the system to prevent damage from site debris.
2.1.2 Tools and Materials Required
To complete these procedures, you will need the following documentation for the ECAT Actuator and items indicated in the table below:
- General Arrangement Drawing
- Bill of materials
- CAT System Schematic
- System Wiring Diagram
Table 2. Tools and Material Requirements
Tools and Material Requirements
| Primary Power Source for the ECAT (check the ECAT System Electrical Diagram for requirements) |
| Supplemental quantity of hydraulic fluid, if needed (See Section 2.7, Hydraulic Fluid and ECAT specification, for required fluid type) |
| Hand Tools: complete complement of open-end (SAE and metric) wrenches, screwdrivers Philips and flat blade, and a set of hex wrenches |
| Chains and lifting straps that are inspected and certified for the weight of the ECAT system (check shipping weights) |
| Sealant for all cable and conduit entries (approvable by the National Electric Code or your country standard and applicable local codes) |
2.2 Valve Preparation
2.2.1 Remove Valve Gearing if equipped.
2.2.2 If the valve is equipped with stops, remove the valve stem extension housing. Examine the valve stops to ensure no foreign material is present that would restrict the normal travel of the valve. Some valves are equipped with inspection ports in the valve housing for ease in examining the stops.
2.2.3 Check alignment of stem key slot to the position of the valve. Normally with the valve in the open position, the key slot is in line with the run of the pipeline. With the valve in the closed position, the key slot should be 90° to the run of the valve.
2.2.4 The ECAT Actuator may be mounted to the valve at any time regardless of whether the valve is under pressure.
2.3 Actuator Preparation
2.3.1 Once the ECAT Actuator is uncrated and cleaned for installation, check to ensure there will be no interference with piping or other structure when the actuator is properly mounted to the valve.
2.3.2 Check that all mounting materials such as fasteners, adapters, brackets, etc. are on hand and ready for use.
2.3.3 Check the actuator and valve to see that they are in the same relative position, that is either open or closed. If the actuator must be moved, use the Handpump provided.
2.3.4 It is critical that the accumulator is charged with natural gas pipeline pressure prior to operating the equipment. Refer to Section 2.8 for charging instructions.
NOTE: Failure to charge the accumulator may cause the accumulator to not function properly.
2.4 Lifting the ECAT System
NOTE: All ECAT Considerations
When handling any ECAT actuator, be aware of tubing, accessories, handpump, accumulators, and control enclosures. Straps and chains can become entangled and cause damage to these components.
NOTE: Do not use hydraulic tubing and electrical cable for lifting.
CAUTION
Be sure to use an appropriately rated crane/hoist and straps/chains to raise and lower the actuator.
2.4.1 Shafer Rotary Vane Actuator Lifting Use the integrated lifting eyes only to lift and move the ECAT system.
![]() | ![]() |
CAUTION
Never lift the actuator with a valve attached. Always handle actuator/valve assemblies by attaching lifting equipment to the valve only.
2.5Installing the ECAT Actuator on the Valve
The actuator will be bolt-mounted directly to a bracket or adaptor that will be bolted securely to the mounting flange top works of the valve.
2.5.1 Check to see that the dimensions of the bracket or adaptor are suitable for use with the valve mounting flange and stem.
2.5.2 Check valve direction of rotation and the actuator direction of rotation to see if they match (for example CW = close, CCW = open).
2.5.3 Check to see if the actuator and valve are in the same relative position (see 2.3.3).
2.5.4 Check all mounting surfaces, they must be clean and free of debris to permit proper fit up.
2.5.5 Prior to mounting, grease the coupling bore and the bore of the actuator.
NOTE: Do not apply grease to the mounting flange surfaces on the valve or the adaptor.
2.5.6 Install the stem key and grease it (keys may be held in place with tape).
2.5.7 Install the coupling onto the stem and stem key.
2.5.8 Install the coupling key and grease it.
2.5.9 Carefully align the coupling and key to the bore and keyway in the actuator and slide the actuator onto the coupling until the adapter (bracket) bottoms out on the valve bonnet.
2.5.10 Use the required fasteners to firmly attach the adapter to the valve bonnet. Tighten the fasteners to their manufacturer’s recommended maximum torque (dry or lubricated).
2.6 Setting the Stroke Limit Stops
Refer to the installed actuator installation and operation manual for specific instructions on setting the actuator stops.
2.7 Hydraulic Fluid
The ECAT actuators are shipped with the reservoir filled to the operation level. Before commissioning and periodically afterward, check to ensure the fluid level is correct. The reservoir is equipped with a sight gauge. Should hydraulic fluid need to be added or replaced, use only factory-approved hydraulic fluid.
This specification covers hydraulic fluids which are approved by engineering for use in the ECAT the system at a temperature range from -50 °F to 140 °F (-46 °C to 60 °C).
2.7.1 Approved Fluids
Standard Fluid [use with -20 °F to 140 °F (-29 °C to 60 °C) applications]
ConocoPhillips Megaflow™ AW HVI Hydraulic Oil 22
Shell Tellus S2 V 22
Mobil DTE 10 Excel™ 22
Low-Temperature Fluid [use with -50 °F to 140 °F (-46 °C to 60 °C) applications]
Mobil Univis™ HVI 13
Although other brands of fluid matching the same specifications may be used, to maintain the warranty and ensure trouble-free operation, always check with the factory before substituting any other fluid.
2.8 Accumulator
2.8.1 Introduction
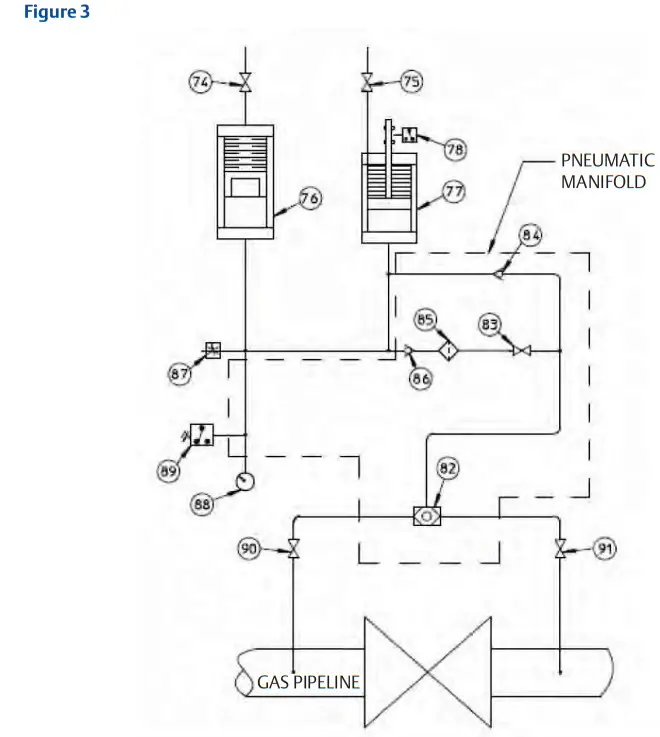
The ECAT Actuator is equipped with a hydraulic accumulator. As the accumulator utilizes the pressurized pipeline gas, the ECAT will be in an unpressurized state when shipped from the factory. When using this procedure, refer to the ECAT Actuator General Arrangement drawing and Hydraulic Schematic for the unit being worked on. Schematics shown in this document are for illustration purposes only.
WARNING
This unit contains high-pressure hydraulic fluid and high-pressure pipeline gas. Exercise caution when performing any type of maintenance. Wear proper safety attire and required personal protective equipment, including safety glasses.
2.8.2 Pipeline Gas connections – Refer to schematic 11547-S
a. Locate Upstream Isolation Valve (90) and Downstream Isolation Valve (91) (optional) for upstream and downstream pipeline gas connections called out on the General
Arrangement Drawing and Hydraulic Schematic (see Figure 3).
b. Close the Upstream Isolation Valve (90) and Downstream Isolation Valve (91) (optional) and remove the pipe plugs.
NOTE: Connection to the Downstream Isolation Valve (91) is optional. The isolation valves NPT thread size will vary based on actuator model size.
c. Open Accumulator Hydraulic Isolation Valve (74) and Thermal Volume Controller Hydraulic Isolation Valve (75).
d. Connect the pipeline gas to isolation valves (90) and (91).
e. Ensure the Pneumatic Blow Down Valve (87) is closed.
f. Ensure Pneumatic Isolation Valve (Lockable) (83) is open.
g. Slowly open isolation valves (90) and (91).
h. Slowly open the Pneumatic Blow-Down Valve (87) to purge the pneumatic side of the control of the air. Close valve (87).
NOTE: The pneumatic side of the ECAT is pressurized and the isolation valves (90) and (91) should remain open until maintenance of the ECAT is required.
Table 3.Typical ECAT Accumulator System
| Part Number | Part Name |
| 74 | Accumulator Hydraulic Isolation Valve |
| 76 | Accumulator (Piston Type) |
| 75 | Thermal Volume Controller Hydraulic Isolation Valve |
| 77 | Thermal Volume Controller |
| 83 | Pneumatic Isolation Valve (Lockable) |
| 87 | Pneumatic Blow-Down Valve |
| 90 | Upstream Isolation Valve |
| 91 | Downstream Isolation Valve (Optional) |

2.8.3 Pneumatic Fitting Leak Check
With pipeline pressure applied to the pneumatic side of the ECAT circuit, check to ensure there are no leaks at the fittings. Use a leak detection product such as Snoop liquid leak detector from Swagelok or comparable. If any leaks are detected, close isolation valves (90) and (91) and open Pneumatic Blow-Down Valve (87) to vent all pressure from the circuit. Repair any leaks present and repeat steps from Section 2.8.2.
WARNING
This unit contains high-pressure hydraulic fluid and pipeline gas. Exercise caution when performing any type of maintenance. Wear proper safety attire and required personal protective equipment, including safety glasses. Ensure the accumulator has been drained of all hydraulic and pipeline gas pressure before attempting any repair.
Electrical Connections
3.1 Main Electrical Connections
Refer to the project-specific wiring diagram for the electrical connections to the MCC.
3.2 Sealing Cable / Conduit Entries
Seal the cable and conduit entries in accordance with the National Electric Code or your country’s standard and applicable local codes. All conduit entries should be sealed against the site environment. All unused conduit entries must be sealed with threaded metal plugs.
WARNING
Always verify electrical power is disconnected before opening the motor starter enclosure.
Set-up / Start-up Procedure
In addition to this set-up/start-up procedure, the following documentation will be necessary to fulfill all set-up and start-up requirements.
- General Arrangement drawing
- Bill of Material
- Schematic drawing
- Wiring Diagram Drawing
When using these instructions, refer to the schematic diagram, wiring diagram, and general arrangement drawings for the ECAT and the certified bills of material.
Numbers in [ ] correspond to components labeled on the wiring diagram. Numbers in ( ) correspond to components labeled on the schematic diagram. Information in (( )) is descriptive. When the ECAT is delivered to the job site, it has been both pressure and function tested. The oil the reservoir was filled to operation level when it shipped from the factory.
4.1Preparation
4.1.1 Safety First
WARNING
Hydraulic Pressure Ensure that test personnel and witnesses are properly informed of the hazards involved with high pressures and the proper safety barriers are employed. Never check for leakage using your fingers or hands. Fluid under high pressure can inject into the skin and cause severe damage or death. Always use an implement such as a piece of paper or shop rag.
WARNING
Safety Equipment
All personnel in the testing area must always wear safety glasses.
4.1.2 Material and Equipment for Start-up and Set-up
To complete this procedure, you will also need the following materials and equipment:
Table 4. Required Material and Equipment
| Miscellaneous fittings, adapters, and Hand Tools: complete complement of an open end ((SAE and metric)) wrenches, screwdrivers Philips and flat blade, and a set of hex wrenches |
| Primary Power Source for the ECAT ((check the ECAT System Electrical Diagram for requirements)) |
| Supplemental quantity of hydraulic fluid, if needed ((See Section 2.7, Hydraulic Fluid, and ECAT specification for required fluid type)) |
4.2 Initial Check of the Unit
4.2.1 Check to ensure all hydraulic tube fittings are tight. Vibration during shipment may have loosened connections.
4.2.2 Visually inspect the unit to make sure tubing, hand valves, gauges, and other equipment have not been damaged.
4.2.3 Using the actuator control schematic drawing, verify that the Flow Control Valves are fully opened ((turn stem completely counterclockwise)).
4.2.4 Ensure System Bypass Hand valve (71) is closed.
4.2.5 Ensure the Accumulator Hydraulic Isolation Valve (74) and Thermal Volume Controller Hydraulic Isolation Valves (75) is open.
4.2.6 Ensure Power Oil Isolation Valve (73) is closed.
4.3Initial Connections
Electrical connections should have been made to the MCC (Motor Control Center). If power is not connected, follow the instructions under Section 3, Electrical Connections, before continuing.
CAUTION
Before the actuator is stroked, ensure the reservoir has been filled with fluid to the proper level. (See Section 2.7, Hydraulic Fluid.)
4.4 Initial Pre-Charge
Refer to Section 2.8 Accumulator for the pre-charge setup of the ECAT.
4.5 Initial Reservoir Fill
Ensure the ECAT Oil Reservoir (60) is filled to the proper oil level. Remove the Hygroscopic Breather (61)if the fluid needs to be added to the reservoir.
4.6 Hydrostatic Pressure / Function Test
The Accumulator has already been hydrostatically tested per A.S.M.E. requirements and does not require testing. This test is to discover if any leaks have developed in the hydraulic fittings during shipment
4.6.1 Ensure Isolation Valves (90), (91) (optional), and (83) are open.
4.6.2 Ensure Accumulator Hydraulic Isolation Valve (74) and Thermal Volume Controller Hydraulic Isolation Valves (75) are open.
4.6.3 Ensure the Power Oil Isolation Valve (73) is closed.
4.6.4 Open the reservoir Isolation Valve (65).
4.6.5 Open the System Bypass Valve (71). Power On light on the MCC should be illuminated.
4.6.7 Check the rotation of the motors by jogging the [Hand/Off/Auto] selector switch to [Hand]. The motor must rotate clockwise when viewed from the back of the motor.
4.6.8 Turn the [Hand/Off/Auto] selector switch, on the MCC, to the [Auto] position. The motor will start up and run.
CAUTION
observe the entire system for leakage and be prepared to stop the motor immediately should any develop. take any needed corrective actions.
4.6.9 Allow the Electric driven Hydraulic Pump (67) to run for several minutes circulating fluid from the reservoir through the System Bypass Valve (71) and back to the Reservoir (60) to eliminate most of the air in the hydraulic lines.
4.6.10 With the motor running, slowly close the System Bypass Valve (71). Check Hydraulic Pressure Gauge (79) to observe pressure build-up in the hydraulic lines and fluid will start to fill the Accumulator.
4.6.11 Observe the Level Viewer (62) to ensure enough fluid is present to fill the Accumulator (76). In the event the fluid level drops to the trip point of the Level Switch (63), the Electric Motor (69)will stop. Add fluid to the Reservoir (60) if needed.
4.6.12 Allow the Pump to run filling the Accumulator until the Thermal-Volume Controller moves and trips the Motor Start / Stop Switch (78) stopping the Electric Motor.
4.6.13 Slowly open the System Bypass Valve (71) and relieve the pressure in the hydraulic lines until the electric Motor starts to run. Close the System Bypass Valve. Allow the motor to run until the pump fills the Accumulator and the Thermal-Volume Controller shuts the motors off.
4.6.14 Perform step 4.6.14. 3 to 4 times so that air can be worked out of the system. Allow the Electric Driven Pump (67) to run until it is stopped by the Motor Start / Stop Switch (78).
4.6.15 Maintain this pressure for 5 minutes while visually inspecting the hydraulic system for leaks. Corrective action must be taken for any leaks found.
CAUTION
Relive system pressure before tightening any leaking fittings.
4.6.16 Turn the [Hand/Off/Auto] selector switch to [Off].
4.6.17 Open the System Bypass Hand Valve (71) and relieve the pressure in the hydraulic lines.
4.6.18 Close the System Bypass Hand Valve (71).
The hydrostatic test is now completed.
4.7 Final Start-Up Procedure
The system should already have the pipeline gas pressure applied to the pneumatic side of the system per Section 2.8. Verify the connections and pressure reading on Pneumatic Pressure Gauge (88). The header lines up to Power Oil Isolation Valve (73) should be filled and purged of all air per Section 4.6. Under normal operating conditions, the [Hand/Off/Auto] selector switch will be set to [Auto]. Refer to the Actuator and Control IOM for specific steps in operating the actuator and control in conjunction with the ECAT hydraulic system.
4.8 Optional Instrumentation
The ECAT system can be supplied with a Hydraulic Pressure Switch (Low System Pressure) (80) and/or Pneumatic Pressure Switch (Low Pressure) (89), Return Filter with Bypass and Indicator (66), or Downstream Isolation Valve (91) as an option.
Troubleshooting
WARNING
To prevent personal injury, all hydraulic pressure must be relieved from the accumulator before opening any tube lines or attempting replacement operations below. Of all the system components, the actuator itself is least likely to malfunction and requires the most time and effort to service.
Table 5. Troubleshooting
| Symptoms | Possible Reason |
| ECAT does not turn ON. | 1. Ensure voltage is adequate to the unit. 2. Check to see that the electrical power is connected to the correct terminals. 3. Circuit breaker is tripped off. |
| ECAT is ON, but the motor does not run. | 1. Ensure the Hand/Off/Auto switch is in the proper position. 2. Ensure the customer field power wiring is an adequate size. 3. Power supply is insufficient. 4. Check to see if the thermal overload is tripped. 5. Ensure the Motor Start / Stop Switch (78) is set properly. |
| ECAT motor runs but fails to develop sufficient pressure to open the valve. | 1. Low fluid level in the reservoir. 2. Wrong motor shaft rotation. 3. Manual bypass valve (71) is open. 4. The System Hydraulic Relief Valve (72) is cracking open check to ensure the setting is set to factory setting. |
Should any issue be experienced besides the symptoms noted above, please consult the factory. Important check points for automatic operation of the ECAT:
- Ensure the oil level is at the proper level.
- Ensure bypass valve (71) is closed.
Maintenance
The actuator should be immediately stored in a clean, dry warehouse, free from vibration and rapid temperature changes, until it can be installed and energized. If the actuator must be stored outside, it should be stored off the ground at an elevation sufficient to prevent it from being immersed in water or buried in snow and covered to prevent damage from site debris. If the actuator is not attached to a valve, the preferred orientation is with the motor and electrical compartment horizontal. Care should be taken to plug all open ports on the actuator and all controls to keep out foreign contaminates.
6.2 Service Interval
Routine maintenance is generally unnecessary. Normally recommended service interval for Shafer/Bettis actuators is five years or maximum actuator seal life cycle, whichever occurs first.
NOTE: Storage time is considered as part of the Service Interval time. It is recommended that Service Kits be ordered approximately three (3) months prior to scheduled
maintenance to assure availability. Observe the function of the Accumulator (76) and Thermal Volume Controller (77) on an annual service interval to ensure they are functioning properly and holding hydraulic pressure.
6.3 Lubrication Requirements
NOTE: Lubricants, other than those listed below should not be used without prior written approval from Emerson Product Engineering. Hydraulic fluids, other than those listed below should not be used without prior written approval from Emerson Product Engineering. Standard temperature service (-29 °C to 60 °C/-20 °F to 140 °F) uses CONOCO Megaflow ® AW HVI 22 Fluid, reference Section 2.7.1. Low-temperature service (-46 °C to 60 °C/-50 °F to 140 °F) use Mobil Univis™ HVI 13 fluid.
6.4 Recommended Annual Inspection
It is recommended the following components and features of the ECAT to be evaluated at once a year.
- Check hydraulic fluid levels
- Check the pressure gauges
- Check bolts and fittings for tightness
- Check for external oil leaks
- Check the pneumatic fittings with a leak detection product such as Snoop liquid detector from Swagelok or comparable.
- Check handpump operation functions properly
- If/When possible, perform a function test (See Section 4.6 for instructions on ho perform a function test)
- Check accumulator and thermal volume controller function
- Check the breather on the hydraulic reservoir
- Check the return filter, if included
Qualified service personnel are available upon request. Please feel free to contact:
EMERSON AUTOMATION SOLUTIONS ACTUATION TECHNOLOGIES
Address: 2500 PARK AVENUE WEST
ONTARIO, OH 44906
Telephone:(419) 529-4311
Fax: (419) 529-3688
World Area Configuration Centers (WACC) offer sales support, service, inventory and commissioning to our global customers. Choose the WACC or sales office nearest you:
| NORTH & SOUTH AMERICA 19200 Northwest Freeway Houston TX 77065 USA T +1 281 477 4100 Av. Hollingsworth 325 Iporanga Sorocaba SP 18087-105 Brazil T +55 15 3413 8888 | MIDDLE EAST & AFRICA P. O. Box 17033 Jebel Ali Free Zone Dubai T +971 4 811 8100 P. O. Box 10305 Jubail 31961 Saudi Arabia T +966 3 340 8650 24 Angus Crescent Longmeadow Business Estate East P.O. Box 6908 Greenstone 1616 Modderfontein Extension 5 South Africa T +27 11 451 3700 |
VCIOM-16422-EN ©2022 Emerson. All rights reserved.
The Emerson logo is a trademark and service mark of Emerson Electric Co. Shafer
TM is a mark of one of the Emerson family of companies. All other marks are property of their respective owners. The contents of this publication are presented for informational purposes only, and while every effort has been made to ensure their accuracy, they are not to be construed as warranties or guarantees, express or implied, regarding the products or services described herein or their use or applicability. All sales are governed by our terms and conditions, which are available upon request. We reserve the right to modify or improve the designs or specifications of such products at any time without notice.
For a complete list of sales and manufacturing sites, please visit
www.emerson.com/actuationtechnologieslocations or contact us at [email protected]


















