STAHL 253175 Large rotary actuator Increased height, red-yellow Datasheet

8602C3-729-S-00X-E02
Art. No: 253175
- Pushbutton, mushroom pushbutton, mushroom stay- put button with key lock, mushroom stay- put button, twin pushbutton and illuminated pushbutton, rotary actuator, key- operated switch, potentiometer bezel and indicator lamp bezel
- One axial actuator can actuate up to four 8082 series contact elements
- Key- operated switches and rotary switches codable at any time as “latching/ spring return” or “key not removable”
WebCode 8602A
Thanks to their special technical features, the actuators from the 8602/ 3 series can withstand the most extreme conditions. In addition to the application option for use in ambient temperatures from -60 °C to +70 °C, the IP degree of protection, IP66, is maintained in accordance with EN 60529. It is also possible to actuate up to four contact elements from the 8082 series with a single axial actuator from the 8602/ 3 series. The coding option of the key switches and rotary switches is innovative and one- of- a-kind. Integrated coding allows you to adjust the “latching/ spring return” and/ or “key not removable” functions at any time without additional accessories. A versatile set of accessories consisting of label holders and locking devices is available.
Technical Data
| Explosion Protection | |
| Application range (zones) | 1 2 21 22 |
| IECEx gas certificate | IECEx PTB 13.0047U |
| IECEx gas explosion protection | Ex eb IIC Gb |
| IECEx dust certificate | IECEx PTB 13.0047 U |
| IECEx dust explosion protection | Ex tb IIIC Db |
| ATEX gas certificate | PTB 13 ATEX 1019 U |
| ATEX gas explosion protection | E II 2 G Ex eb IIC Gb |
| ATEX dust certificate | PTB 13 ATEX 1019 U |
| ATEX dust explosion protection | E II 2 D Ex tb IIIC Db |
| UL gas certificate | E182378 V4 S2 |
| Inmetro gas certificate | UL-BR 14.0380U |
| Inmetro dust certificate | UL-BR 14.0380U |
| Certificates | ATEX (PTB), Brazil (ULB), Canada / USA (UL), EAC (ENDCE), IECEx (PTB), India (PESO), Korea (KGS) |
| Ambient Conditions | |
| Ambient temperature | -60 °C … +70 °C |
| Ambient temperature | -76 °F … +158 °F |
| Storage temperature | -60 °C … +70 °C |
| Storage temperature | -76 °F … +158 °F |
| Use at the height of | < 2000 m |
| Ambient Conditions | |
| Degree of contamination | 3 |
| Mechanical Data | |
| Version | increased height, rd-ye |
| Degree of protection (IP) | IP66 |
| Note on degree of protection | According to IEC/EN 60529 |
| Enclosure material | Polyamide |
| Silicone-free | No |
| Assembly | 729 |
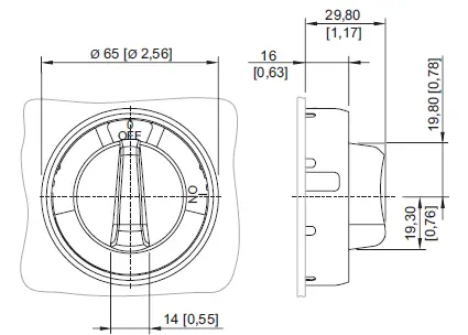
| Diameter | 65 mm |
| Service life, min. | 105 actuations |
| Impact strength (IEC 60079) | 7 J |
| Impact strength (IEC 62262) | min. IK08 |
| Handle colour | Red |
| Protective collar colour | Yellow |
| Fastening | Thread type |
| Designation plate | 0/OFF – I/ON |
| Seal | Silicone |
| Lockable in | 0° |
| Packaging unit | 1 |
| Weight | 0.04 kg |
| Weight | 0.09 lb |
| Decription note | Lockable option (max. 3 times) can be determined using the enclosed closing parts. Lockable handle position: 0°; safety switch. In the unmounted assemblies, the standard label is 0/OFF-I/ON and the long coupling part is enclosed. Other labels must be ordered separately. |
| Mounting / Installation | |
| Mounting type | Pre-installed |
| Tightening torque | 3 Nm |
| Tightening torque lbf in | 26.55 lbf in |
Technical Drawings
Subject to Alterations

- Front installation mounting with control switch series 8008
Legend
- 2 = Jam nut (order no. 205592)
- 3 = Installation wall (wall thickness max. 2 mm [0.0787in])
- 5 = Actuator 8302/3 with seal (4)
- 18 = Control switch 8008/2-.
- 33 = Adaptor 8602/3 for front installation for type 8008/2
- 34 = Disc M4
- 35 = Screw M4x
Explanation position display

- safety switch, lockable in I/ON
- handle position 0°
Dimensional Drawings
(All Dimensions in mm [inches]) – Subject to Alterations

Cut-out with/without front label

- 8602/3-728 Rotary actuator, black handle, red protective collar
- 8602/3-729 Rotary actuator, red handle, black protective collar
- Actuator with radial actuation
Accessories
Cylinder lock /Art. No.
![]() | for closing (bracket Ø 3) | 107115 |
Spare Parts
| Labels for large BG 728, BG 729, BG 730, BG 731 rotary actuator Art. No. | ||
![]() | Ø 58 0/OFF I/ON | 227004 |
![]() | Ø 58 0 BETRIEB I | 227005 |
![]() | Ø 58 0 I II | 227006 |
![]() | Ø 58 I 0 II | 227007 |
![]() | Ø 58 I II | 227008 |
![]() | Ø 58 0 I | 227009 |
![]() | Ø 58 I 0 I 0 | 227010 |
![]() | Ø 58 HAND 0 AUTO | 227011 |
![]() | Ø 58 0/OFF o I/ON | 227012 |
![]() | Ø 58, yellow 0/OFF I/ON | 227013 |
![]() | Ø 58 0 I (90°) | 273760 |
![]() | Ø 58 plain | 227014 |
Special key
![]() | for tightening plastic locking nut | 169101 |
Adaptor for front installation
![]() | 8602/3 Front installation for control switch series 8008 | 260081 |
We reserve the right to make alterations to the technical data, dimensions, weights, designs and products available without notice. The illustrations cannot be considered binding.
R. STAHL
- Schaltgeräte GmbH Am Bahnhof 30 74638 WALDENBURG
- Tel: +49 7942 943 1700
- +49 7942 943 1777
- Email: [email protected]
- r-stahl.com


































