TUF Gaming Z790-Plus WIFI D4 Motherboard
User Guide
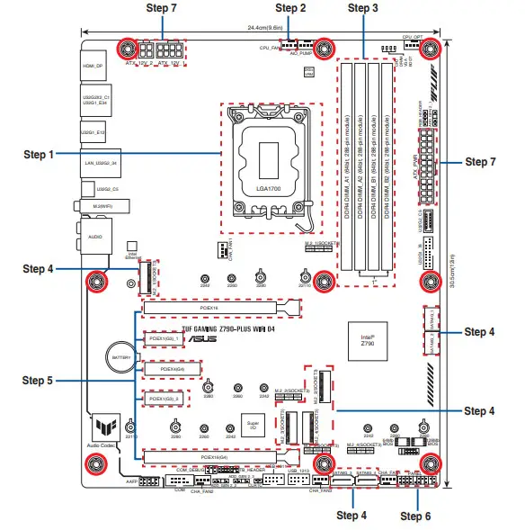
Step 1 Install the CPU

Step 2 Install the CPU fan

Motherboard Layout

Australia Statement Notice
From 1 January 2012 updated warranties apply to all ASUS products, consistent with the Australian Consumer Law. For the latest product warranty details please visit https://www.asus.com/support/. Our goods come with guarantees that cannot be excluded under the Australian Consumer Law. You are entitled to a replacement or refund for a major failure and compensation for any other reasonably foreseeable loss or damage. You are also entitled to have the goods repaired or replaced if the goods fail to be of acceptable quality and the failure does not amount to a major failure.
If you require assistance please call ASUS Customer Service 1300 2787 88 or visit us at https://www.asus.com/support/.
India RoHS
This product complies with the “India E-Waste (Management) Rules, 2016” and prohibits use of lead, mercury, hexavalent chromium, polybrominated biphenyls (PBBs) and polybrominated diphenyl ethers (PBDEs) in concentrations exceeding 0.1% by weight in homogenous materials and 0.01 % by weight in homogenous materials for cadmium, except for the exemptions listed in Schedule II of the Rule.
Step 3 Install memory modules

Step 4
Install storage devices. To install M.2, refer to user guide.
Step 5 Install expansion card(s)

Step 6 Install the system panel connector

Step 7 Install ATX power connectors

Step 8 Connect input/output devices

Step 9
Power on the system and install operating system and drivers


















