WILDFIRE Stainless Electric Warming Drawer

Conforms to ANSI STD Z21.58-2018 Certified to CSA STD 1.6-2018 Outdoor Cooking Gas Appliance
IMPORTANT: Read all instructions and warnings before using this product! Use of this product, as with any similar outdoor grill, will involve risks from high temperatures and from exposure to smoke and fumes. Please exercise caution and common sense.
To installer or person assembling grill: Leave this manual with grill for future reference.
To consumer: Keep this manual for future reference as it contains important Warnings and Instructions.
FOR OUTDOOR USE ONLY

WF-WARMDRW
Welcome to Wildfire Outdoor Living
Please read this manual carefully to understand all the instructions about how to install, operate and maintain your warming drawer for your safety and for optimum performance and longevity. We know you’ll enjoy your new warming drawer and thank you for choosing our product. We hope you consider us for future purchases.
Read and save the instructions
Obey all Warnings and Instructions.
This Manual provides specific operating instructions for your model. Use your warming drawer only as instructed in this manual. These instructions are not meant to cover every possible condition and situation that may occur. Common sense and caution must be practiced when installing, operating and maintaining any appliance. If you lose this manual, a replacement copy can be downloaded from our website at www.wildfireoutdoorliving.com or call Customer Service at 602-344-4840.
Critical Safety Warnings
WARNING
- DANGER:
For outdoor installation, installer must install a ground fault interrupt. - WARNING:
Hazards or unsafe practices COULD result in severe personal injury or death. - FIRE AND ELECTRICAL SHOCK HAZARD
To reduce the risk of electric shock and fire, DO NOT use a flexible power-supply cord with this appliance.
For outdoor installation, installer must install a ground fault interrupt.
Make sure that incoming voltage is the same as unit rating. An electric rating plate specify-ing voltage, hertz, wattage, amps and phase
DANGER
is attached to the product. Wiring the warm-ing drawer with more voltage than it is rated for may cause sever damage to the thermo-stat, element, and other components. Wiring the warming drawer with less voltage than it is rated for may cause significant decrease in performance.
To reduce the risk of fire, electric shock, or injury to persons, installation work must be done by qualified people in accordance with all applicable codes and standards, including fire-rated conditions.
CAUTION:
Hazards or unsafe practices COULD result in minor personal injury or property damage
Important Warnings and Safety Instructions
CAUTION
Improper installation, adjustment, alteration, service, maintenance or use can cause injury or property damage. Read the installation, operating and maintenance instructions thoroughly before installation or servicing of this equipment.
Important Instructions
- Proper Installation – be sure your appliance is properly installed and grounded by a qualified technician.
- Never Use Your Appliance for Warming or Heating the Room.
- Do Not Leave Children Alone – Children should not be left alone or unattended in area where the appliance is in use. They should never be allowed to sit or stand on any part of the appliance.
- Wear Proper Apparel – Loose fitting or hanging garments should never be worn while using the appliance.
- User Servicing – Do not repair or replace any part of the appliance unless specifically recommended in the manual. All other servicing should be referred to a qualified technician.
- Storage in or on Appliance – Flammable materi-als should not be stored near surface units.
- Do Not Use Water on Grease Fires – Smother fire or flame or use dry chemical or foam-type extinguisher.
- Use Only Dry Potholders – Moist or damp potholders on hot surfaces may result in burns from ments. Do not use a towel or bulky cloth.
- Use Proper Pan Size – This appliance is equipped with one or more surface units of different size. Select utensils having flat bottoms large enough to cover the surface unit heating element. The use of undersized utensils will expose a portion of the heating element to direct contact and may result in ignition of clothing. Proper relationship of utensil to burner will also improve efficiency.
- Never Leave Surface Units Unattended at High Heat Settings – Boilover causes smoking and greasy spillovers that may ignite.
- Make Sure Reflector Pans or Drip Bowls Are in Place – Absence of these pans or bowls during cooking may subject wiring or components underneath to damage.
- Protective Liners – Do not use aluminum foil to line surface unit drip bowls or oven bottoms, except as suggested in the manual. Improper installation of these liners may result in a risk of electric shock, or fire.
- Glazed Cooking Utensils – Only certain types of glass, glass/ceramic, ceramic, earthenware, or other glazed utensils are suitable for range-top service without breaking due to the sudden change in temperature.
- Utensil Handles Should Be Turned Inward and Not Extend Over Adjacent Surface Units –
To reduce the risk of burns, ignition of flamma-ble materials, and spillage due to unintentional contact with the utensil, the handle of a utensil should be positioned so that it is turned inward, and does not extend over adjacent surface units. - Do Not Stack Removable Heating Elements –Heating elements should never be immersed in water.
- Do Not Cook on Broken Cook-Top – If cook-top should break, cleaning solutions and spillovers may penetrate the broken cook-top and create a risk of electric shock. Contact a qualified technician immediately.
- Clean Cook-Top with Caution – If a wet sponge or cloth is used to wipe spills on a hot cooking area, be careful to avoid steam burn. Some cleaners can produce noxious fumes if applied to a hot surface.
- CAUTION – Do not store items of interest to children in cabinets above a range or on the backguard of a range – children climbing on the range to reach items could be seriously hurt.
DO NOT TOUCH SURFACE UNITS OR AREAS NEAR UNITS – Surface units may be hot even though they are dark in color. Areas near surface units may become hot enough to cause burns. During and after use, do not touch, or let cloth-ing or other flammable materials contact surface units or areas near units until they have had suf-ficient time to cool. Among these areas are the cook-top and surfaces facing the cook-top.
Limited Lifetime Warranty
TO THE MAXIMUM EXTENT PERMITTED BY LAW, THIS LIMITED LIFETIME WARRANTY AND THE REMEDIES SET FORTH BELOW ARE EXCLUSIVE AND IN LIEU OF ALL OTHER WARRANTIES, REMEDIES AND CONDITIONS, WHETHER ORAL OR WRITTEN, EXPRESS OR IMPLIED. TO THE MAXIMUM EXTENT PERMITTED BY LAW, WILDFIRE OUTDOOR LIVING ALSO SPECIFICALLY DISCLAIMS ANY AND ALL IMPLIED WARRANTIES, INCLUDING, WITHOUT LIMITATION, WARRANTIES OF MERCHANTABILITY AND FITNESS FOR A PARTICULAR PURPOSE.
WILDFIRE OUTDOOR LIVING PRODUCTS LIMITED LIFETIME WARRANTY –Wildfire Outdoor Living warrants to the original purchaser at the original site of delivery with proof of purchase of each Outdoor Gas grill/Side burner that when subject to normal residential use, it is free from defects in workmanship and materials for the periods specified below. This warranty excludes grills used in rental and commer-cial applications. This warranty excludes surface corrosion, scratches and discoloration which may occur during normal use. It does NOT cover labor or labor related charges. There will be shipping and handling charge for the delivery of the warranty part(s).
This product has a limited lifetime warranty that starts at date of purchase and continues throughout the life of the product.
Under this warranty, Wildfire has the option to repair or replace any defective part of the product during the warranty period. This warranty does not cover normal wear of parts, damage resulting from any of the following: negligent use or misuse of the product, use on improper fuel/gas supply, use contrary to operating instructions, or alteration by any person other than a factory service center. The warranty peri-od is not extended by such repair or replacement.
WARRANTY CLAIM PROCEDURE: If you require service or parts for your Wildfire Grills, please contact our Warranty Service Center for factory direct assistance. Our hours of operation are 8 am to 4:30 pm MST. The phone number is 602-344-4840 and the email address is [email protected]. Please have your model number, serial number and proof of purchase available for any warranty claim.
Wildfire Outdoor Living may require the return of defective parts for examination before issuing replace-ment parts. If you are required to return defective parts, shipping charges must be prepaid by the customer. Upon examination and to Wildfire Outdoor determination, if the original part is proven defec-tive, Wildfire Outdoor Living may approve your claim and elect to replace such parts without charge. In every instance, the customer is responsible for shipping and handling of replacement parts. Component repair or replacement is the exclusive remedy under this limited warranty and Wildfire Outdoor Living shall not be liable for any incidental or consequential damages.
Cut Out Dimensions
Cutout Measurements for CWD
- Cutout Width – A ……………. 28-1/4″ (71.8 cm)
- Cutout Depth – B ……………. 23-1/2″ (59.7 cm)
- Cutout Height – C …………….. 9-1/2″ (24.1 cm)
General Information
- When installing this unit directly below other units, we highly recommend that Wildfire built-in products are used.
- Remove warming drawer carefully from carton. Remove all loose packaging and accessories.
- It is the responsibility of the installer to comply with local codes. If no local codes are applicable, wire in accordance with the National Electrical Code, AINSUNFPA 70 (latest edition).
- This appliance is not fused. Protect with a proper sized fuse or circuit breaker and a GFI.
- Line disconnect switch, circuit breaker, GFI, or a plug/receptacle of power cord connection should be readily accessible to the operator.
- Ground unit per applicable electrical codes.
- Any installation not matching the specifications discussed in these instructions will void Wildfire’s warranty.
Electrical Connection
- Grounding Instructions:
- This appliance must be connected to a grounded metal, permanent wiring system, or an equipment-grounding conductor must be run with the circuit conductors and connected to the equipment-grounding terminal or lead on the appliance.
- Electrical Requirements:
- Hard wire direct with separate 120v/15 amp minimum 2-wire with ground circuit.
- Maximum amp usage is equal to 400 watts / 3.3 amps.
- AC120V/H60
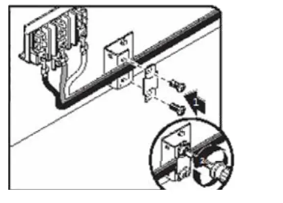
Installation
- Pull out drawer assembly until fully extended

- Slide finger along right and left side until you reach the black hand latches (located at the front of the rails). Pull up on both the right and left latches and pull out drawer pan support.

- Apply silicone caulk around the back of the warming drawer trim.

- Feed supply cord up through hole in rear of warming drawer.

- Remove strain relief bracket and mounting screws on the terminals.

- Attach the white (neutral) and black (line) lead to terminals. Attach ground wire to the center terminal.

- Push supply cord toward terminal block to relieve strain, reattach supply cord strain relief bracket over supply cord.

- Slide entire warming drawer cabinet assembly into the cabinet opening.

- Secure the warming drawer using four #8 mounting screws (four screws provided).

- Replace drawer assembly.

Keep any electrical supply cords and the fuel supply hose away from any heated surfaces.
WF-WARMDRW Parts Checklist
| Warmer Drawer | |||
| No. | Name | Qty | Part No. |
| 1 | Drawer Main Frame Assy | 1 | 02-00712 |
| 2 | Drawer Center Bar | 1 | 02-00713 |
| 3 | Drawer Center Bar End Cap | 2 | 02-00714 |
| 4 | Drawer | 1 | 02-00715 |
WF-WARMDRW Exploded Parts View

DO NOT RETURN TO STORE!

CALL US FIRST
For immediate help with installation, product information or if your product arrives damaged, please call our toll free number at: 602-344-4840
(Monday – Friday, 8:00AM – 5:00PM, AZ Mountain Time) Or email us at: [email protected]
OUR STAFF IS READY TO PROVIDE ASSISTANCE
Copyright © 2022 RPG Brands (Wildfire Outdoor Living). All rights reserved. Products and specifications subject to change without notice. The product images shown are for illustration purposes only and may not be an exact representation of the product.






























