ILVE 615SLWDE Warming Drawer

IMPORTANT SAFETY WARNINGS
Features of appliances The rating plate which contains the appliance characte-ristics is both present on the cover and on the side of the drawer.
- Warning! Before connecting the appliance, compare the supply data (voltage and frequency) on the rating plate with those of the mains supply. If these data do not match, there could be problems. If in doubt, contact an electrician.
- Warning! The electrical safety of the appliance can only be guaranteed if it is earthed. The manufacturer cannot be held liable for damage resulting from a lack of safety in the system protection (e.g. electric shocks).
- Warning! Use the appliance only after it has been instal-led in its compartment. This is the only way to ensure that users do not come into contact with electrical componen-ts.
- Warning! Never disassemble the appliance. Possible contact with live electrical parts can be a danger to the safety of users and impair the proper functioning of the appliance.
- Warning! Repairs and maintenance, in particular of live parts, may only be carried out by technicians authorised by the manufacturer. The manufacturer and dealers ac-cept no liability for injury caused to persons and animals, and damage caused to property as a result of repairs and maintenance carried out by unauthorised personnel.
- Warning! Repairs carried out during the warranty period must only be carried out by technicians authorised by the manufacturer. If this is not done, any damage resul-ting from the repair is excluded from the warranty.
- Warning! Before proceeding with the repair, the applian-ce must be disconnected from the mains.
- To disconnect the appliance:
- make sure that the ON/OFF switch is set to OFF;
- the plug must be removed from the socket. To unplug the plug, do not pull the power cable, but rather pull the plug directly out.
Precautions for use
- This appliance complies with current safety regulations. Improper use of the appliance can put the user at risk.
- Please read the instructions carefully before using the appliance for the first time. This will avoid the risk of injury for the user or damage to the appliance.
- The warming drawer is to be used exclusively for domestic use.
- Use the appliance only for heating dishes. Any other use is improper and could be dangerous. The manu-facturer accepts no liability for failures or damage re-sulting from improper or incorrect use.
- Do not use the appliance for heating or cooking food or drinks.
- Depending on the selected temperature and opera-ting time, the temperature inside the appliance can reach 80º C. When removing dishes from the warming drawer, protect your hands by using oven gloves.
- Take special care with children and do not allow them to play near the appliance. If the appliance is switched on unintentionally, the emitted heat can cause burns.
- The appliance may be used by children from the age of 8 years and by persons with reduced physical, sen-sory or mental capabilities or lack of experience and knowledge if they are under appropriate supervision or if they have been instructed in the safe use of the ap-pliance and are aware of the associated dangers. Chil-dren must not play with the appliance. Cleaning and maintenance must not be carried out by children wi-thout supervision.
- Do not sit or hang on the drawer. The telescopic guides would be damaged. The maximum load capacity of the drawer is 25 kg.
- Do not store synthetic or easily flammable objects insi-de the drawer. When switching on the appliance, such containers and objects may melt or catch fire (fire hazard).
- Do not use the appliance to heat the room. The high temperature reached could easily ignite objects near the appliance.
- Do not use steam cleaners to clean the inside of the drawer. Steam can cause short circuits. Steam pressu-re can also cause damage to the surface of the ap-pliance and in the long term cause damage to com-ponents.
- When the appliance is left unused, disconnect the power supply cable so that the appliance is not a dan-ger if, for example, it is used by children for play.
- Before using the appliance, clean the drawer, following the instructions under ‘Cleaning and Maintenance’.
First start-up
The drawer is equipped with a safety thermostat that stops operation if the drawer temperature rises. After the applian-ce has cooled down, you can try to restart it (if the safety thermostat has tripped) by manually resetting the contact.
INSTRUCTIONS FOR USE
| 1 | Temperature selector switch (thermostat) |
| 2 | ON/OFF switch (on) |
| 3 | Operating light |
| 4 | Handle |
| 5 | Anti-slip mat |
Drawer functioning system
- This appliance is equipped with a hot air circulation system.
- A fan distributes the heat generated by an electrical resistance inside the appliance.
- The thermostat allows the user to define and control the desired temperature.
- The hot air heats the dishes quickly and evenly.
- The base of the drawer is equipped with a anti-slip mat to prevent the movement of plates and dishes when the drawer is opened and closed
First use
- Before using the appliance, clean the drawer, following the instructions in the ‘Cleaning and Maintenance’ section.
- Then switch on the warming drawer for at least 2 hours. To do this, turn the temperature knob to the maximum position – ‘position 9’ (see the ‘Temperature selection’ section).
- The resulting unpleasant smell is unavoidable. Both the smell and the smoke that may form will disappear after a short time
Control panel
The control panel has a temperature selector and ON/OFF switch. The control panel is only visible when the drawer is open.
When the drawer is closed, the light on indicates whether the appliance is in operation.
Operating mode
To use the warming drawer, proceed as follows:
- Put the dishes in the drawer.
- Select the desired temperature by turning the temperature knob to the desired position.
- Switch on the appliance by pressing the ON/OFF switch, which will light up.
- Close the drawer.
Take care not to use too much force when closing.
Before removing the dishes, the appliance must be switched off by pressing the switch again.
Temperature selection
- By turning the knob, temperatures between 40 and 85 °C can be selected.
- Do not force the knob anti-clockwise beyond 0 or clockwise beyond the maximum temperature (position ‘9’) as this could damage the appliance.
- As soon as the selected temperature is reached, the heating switches off. When the temperature drops below the selected value, the heating is switched on again.
- The temperature scale is not marked with absolute temperatures in º C, but is indicated with a scale from 1 to 9 corresponding to the following temperatures
| Knob position | 1 | 2 | 3 | 4 | 5 | 6 | 7 | 8 | 9 |
| Temperature °C | 30 | 40 | 50 | 60 | 65 | 70 | 75 | 80 | 85 |
Ideal temperature for groups of dishes
- About 50 °C – position 3 for cups and glasses.
With this setting, the contents of cups and glasses do not cool quickly; cups and glasses can still be taken out of the drawer without scalding your hands. - About 60 ºC – position 5
Ideal for plates and serving dishes.
Food served on heated plates will stay hot for longer. However, these dishes can still be touched without any danger.
When removing the dishes, we recommend protecting your hands by using oven gloves.
Warm-up times
Several factors influence warm-up times:
- material and thickness of dishes
- quantity
- position of dishes
- room temperature
It is therefore not possible to give precise warm-up times.
However, as a reference, we indicate some useful times for heating the dishes
| Quantity | Time (minutes) |
| Dinner set for 6 people | 30 – 35 |
Using the drawer frequently will help you identify the times and temperatures to be set to heat the dishes.
Load capacity
The load capacity depends on the size of the dishes:
Examples of load capacity with service for 6 people
| Example 1 | Example 2 | Example 3 |
| 6 flat plates Ø 24cm 6 soup plates Ø 10cm | 80 espresso cups |
40 tea cups |
CLEANING AND MAINTENANCE
- Warning! Cleaning must be carried out with the war-ming drawer disconnected from the power supply.
- Remove the plug from the power socket or disconnect the drawer from the power circuit.
- Do not use aggressive or abrasive cleaning products, abrasive sponges or sharp objects that can leave abra-sion marks.
- Do not use steam cleaners to clean the inside of the drawer.
Front panel and control panel
The warming drawer can be cleaned with a simple damp cloth. If it is very dirty, add a few drops of detergent (non-aggressive universal degreasers) to the washing water. After cleaning the surface, wipe with a dry cloth.
For cleaning the stainless steel front panel, use specific products for cleaning such sur-faces.
Apply a small amount of product on a soft cloth and wipe the surface.
Drawer interior
Clean the inside of the drawer with a damp cloth. If it is very dirty, add a few drops of detergent (non-aggressive universal degreasers) to the washing water.
After cleaning the surface, wipe with a dry cloth.
Reuse the drawer only when it is completely dry.
Anti-slip mat
- The anti-slip mat can be removed for easy cleaning of the drawer.
- The mat can be cleaned by hand with water and a few drops of liquid dishwashing detergent.
- Dry carefully.
- The anti-slip mat must be repositioned when it is completely dry.
TROUBLESHOOTING
Any type of repair should only be carried out by a spe-cialised technician. Any repair carried out by an unau-thorised person may impair the functioning of the appliance.
| Issue | Cause |
|
Dishes do not get hot enough. | Make sure that: – the appliance is ON. – you have selected the appropriate temperature. – hot air circulation is not obstructed by dishes. – the dishes have been in the drawer long enough.
The warm-up time depends on several factors, such as: – type of material and thickness of dishes. – quantity of dishes. – position of dishes. |
| Dishes stay cold. | Check: – whether a fan noise can be heard. If the fan is working, the resistor may be broken. If the fan is not working, the fan may be broken or blocked. |
| Dishes get too hot. | – The temperature selector switch is broken. |
| The ON/OFF switch does not switch on. | – The operation indicator light has blown. |
ENVIRONMENTAL PROTECTION
Disposal of the package
Dispose of all packaging materials in the appropriate con-tainers. In this way, they will be recycled correctly.
Disposal of equipment no longer used
- According to European Directive 2002/96/EC on the ma-nagement of waste electrical and electronic equipment (WEEE), household electrical appliances should not be pla-ced in normal municipal solid waste disposal containers.
- Old appliances must be collected and disposed of sepa-rately in order to optimise the recovery of different compo-nent materials and prevent potential damage to human health and the environment. The symbol of a waste con-tainer superimposed by a diagonal cross is placed on all products to remind you of the obligation to follow these provisions.
- Consumers should contact their local authorities or points of sale for information on where they can dispose of their old electrical appliances. Before disposing of your applian-ce, render it unusable by cutting the power cable.
INSTALLATION
Before the installation
- Check that the input voltage given in the rating plate is the same as the voltage of the electrical outlet you intend to use.
- Open the drawer and remove the packaging material.
- Warning! The front surface of the warming drawer can be covered with a protective film. Before using the warming drawer for the first time, carefully remove this film.
- Make sure that the warming drawer is not damaged. Check that the drawer can be opened and closed correctly. If any damage is found, please contact your local Technical Service.
- Warning: the power socket must be easily accessible after installation of the war-ming drawer.
- The warming drawer may only be installed in combination with appliances specified by the manufacturer. If it is fitted in combination with other appliances, the warranty is no longer valid as it is impossible to ensure that the warming drawer will function properly.
To install an appliance in combination with the warming drawer, the instructions in the manual must be followed.
Mounting dimensions are given in mm in the drawings shown on the following pages. Proceed as follows:
- Place the warming drawer on the shelf and insert it inside the recess so that it is cen-tred and completely aligned with the front of the appliance.
- Check that the warming drawer is correctly inserted in the recess.
- Open the drawer and attach it to the sides of the unit using the four screws provided.

Dimensions of the recessed compartment model 615
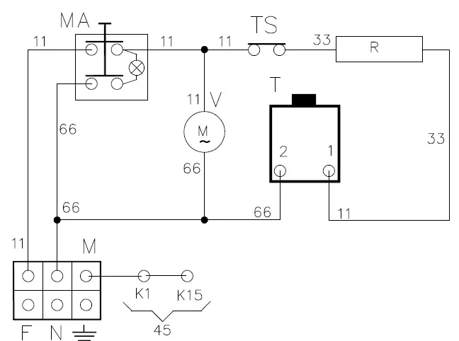
Wiring diagram
| 11 | Brown |
| 33 | White |
| 45 | Yellow-green |
| 55 | Grey |
| 66 | Blue |
| F | Phase |
| K1 | Grounding wire of terminal strip |
| K15 | ” ” of frame |
| M | Terminal strip |
| MA | Switch |
| N | Neutral |
| R | Heating element |
| T | Drawer thermostat |
| TS | Safety thermostat |
| TT | Tangential thermostat |
| V | Drawer fan |























