CHACON DIOVDP-MC02 Video Phone with 7 Inch Screen
Registering your warranty
To register your warranty, fill in the online form at www.chacon.com/warranty
INTRODUCTION
Thank you for using this product.
- Please read the instructions carefully before using the device.
- Do not power the internal monitor on before connecting all the equipment.
- Strip the connection cables to a length of about 5 mm.
- Extend the connection cables between the internal monitor and the circuit board away from any electromagnetic interference (230 V cable, WiFi unit, microwave oven, headset. radio, etc.).
- Never cut the supply cable, it will invalidate the warranty.
- Opening the electric latch: works with doors up to 12 V – 2 A.
- For a replacement, we recommend changing the electric cabling if has not been able to be verified in accordance with the applicable standards.
Interior unit
- Microphone
- Touchscreen
- Missed call indicator
- Microphone deactivated
- Call in progress
- Call
- Microphone
- Name-holder
- Speakers
- Night vision
- Camera
- Light sensor
- Connectors
- Volume
Exterior unit
- Remove the fixing screws from the cover on the external unit
- Remove the fixing screws from the external unit
- Make the holes, insert the pins and fix the protecting plate to the wall
- Connect the cables as shown in the diagram which corresponds to your installation, as shown on the next page.
- Screw the exterior unit to the protecting plate.
- Fix the cover for the exterior unit using the holding screw
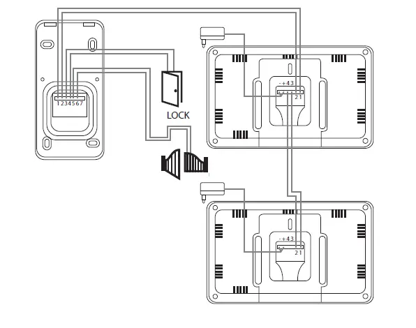
Cabling
Cross-section of cable between monitor and external unit: it is recommended that the cable cross-section is greater than or equal to 1.5 mm2
Connection
one screen
- Dry contact normally open
- Dry contact normally closed
multiple screens
Specifications
| 1. GENERAL | |
| Intercom type | 2 wire – hands-free |
| Operating temperatures | -5°C~55°C |
| Storage temperature | -25°C~70°C |
| Cable length and cross-section | from 0 to 100 m / cross-section: 1.5 mm2 |
| Protection type (exterior unit) | IP55 |
| 2. SPECIFICATIONS | |
| Trade mark Adapter | Winna |
| Model identifier Adapter | YN-24WA240100EU |
| Input voltage | 100-240V AC |
| Input AC frequency | 50/60Hz |
| Output voltage | 24,0V DC |
| Output current | 1,0A |
| Output power | 24,0W |
| Average active efficiency | 87,9% |
| Efficiency at low load (10 %) | 81,1% |
| No-load power consumption | 0,08W |
| Consumption: | Active <8.5 W |
| No. of rings | 15 |
| Speaking time | 100 seconds |
| Audio frequency | 400 ~ 3400 Hz |
| Screen type | 7’’ TFT LCD touch |
| Screen resolution | 800 × 480 pixels |
| Camera type | Colour CMOS 1/4 |
| Camera resolution | 640 x 480 pixels |
| Video input | CVBS 1VP-P/75 Ù |
| Door opening | 12 V – 2 A max (1-5 seconds) |
| Gate opening | Dry NO/NC contact (1 second) |
| 3. DIMENSIONS AND WEIGHT | |
| Exterior unit | 182 mm (H) x 88 mm (L) x 43 mm (D) / 200 g |
| Interior unit | 126 mm (H) x 204 mm (L) x 20 mm (D) / 360 g |
| Adapter | 120 G |
Important
- In this document, we have made every effort to provide you with information on our products that is as accurate and appropriate as possible. However, there could be slight differences between the descriptions and the product itself (the shape and the colors are among the specifications of the product itself).
- Please note that the products and their specifications are constantly updated, with new elements added. This kind of content can be modified without prior notice.
Warning
- Al fine di evitare danni, fissare l’adattatore alla parete seguendo attentamente le istruzioni.
- Mantenere la spina in condizioni di funzionamento ottimali.
- Do not install the interior unit in a position that is exposed to high temperatures or humidity, or near a television set.
- Use a damp cloth to wipe the camera and the screen to improve visibility.
- Avoid using liquids, detergents or corrosive, volatile solvents.
- Do not throw anything at the units.
- To improve visibility, avoid exposing the camera to direct sunlight.
- To avoid damage, fix the adapter to the wall in accordance with the instructions.
- Ensure that the power socket is working properly at all times.
Assistance
FRANCE: IN ACCORDANCE WITH CNIL REGULATIONS on video surveillance and video phones
The purpose of this device is to identify visitors, under no circumstances may it be used for surveillance of a road or public space. The device must be used in accordance with the law on information technology and freedom. Any use of this product beyond a strictly personal framework is subject to statutory obligations, especially in accordance of law no. 78-17 of 6 January 1978, which states that it is the responsibility of the purchaser to sign up to CNIL and acquire administrative authorization in advance. The purchaser is obliged to comply with civil and legal obligations in the event of erroneous use of the device to record intimate details of private life or the image of third parties. The manufacturer can under no circumstances be held liable for use of the videophone in contravention of the applicable legislation and regulations
Recycle
In accordance with the European Directive WEEE (2002/96 / EC) and the directive on accumulators (2006/66 / EC), all electrical, electronic, or accumulator equipment must be collected separately by a local specialized company in waste disposal. Do not dispose of these products with ordinary waste. Refer to the regulations in force. The waste container symbol indicates that this product cannot be disposed of with household waste in any EU country. To avoid risks to the environment where human health derives from uncontrolled disposal, recycle the product responsibly in order to promote the sustainable use of materials. To return used devices, use the collection system or contact the original retailer who will take care of the recycling in compliance with current legislation.
www.chacon.com Chacon S.A. – Avenue mercator 2 – 1300 Wavre























