Smith s LL 640 Ecovector II Smart Low Level User Manual
In the event of items missing or visible damage please contact us on 01245 324560.
This heating appliance is intended for mounting on a wall at low level. The minimum recommended installation height is 100mm from the floor. There is no clearance required on either side of the heater.
This heater must not be used in bathrooms or other high humidity areas.
Ecovector ll Smart LL is designed for use on standard two-pipe pumped central heating systems where the system hot water is generated from either a boiler or renewable sources. This product is not suitable for one-pipe heating systems. Pipe connections are 15mm.
We recommend the use of full flow isolating valves. These valves should be accessible after completion of the installation
Ecovector ll Smart LL is classified as a fixed appliance and electrical connection should be via a double pole 3A fused spur. The fused spur must not be directly above the heater but should be accessible after completion of the installation. If the pre-wired mains cable is damaged, it must be replaced by the manufacturer, its service agent or similarly qualified persons. The appliance must be earthed.
To avoid possibility of vibration, this product must be installed on a flat, even surface.
To comply with Building Regulations Part L (Part J in Scotland) this heater is fitted and controlled by an integral room thermostat
Please note the guarantee may be invalidated if this product is not installed and used in accordance with this guide.
Declaration of conformity
EC Declaration of conformity
We, Smith’s Environmental Products Limited
1-2 Blackall Industrial Estate
South Woodham Ferrers
Chelmsford
Essex CM3 5UW
Tel: 01245 324900 Fax: 01245 324422
Declare under sole responsibility that the products:
Product name:
Ecovector ll Smart LL
Product range:
LL640, LL1030, LL1390
Conform to the following European
Union directives:
Low Voltage Directive 2006/95/EC
EMC Directive 2004/108/EC
Pressure Equipment directive 97/23/EC
Safety Directive 98/37/EC
Standards Comply With The Above Directives.
Safety Directive Standards:
EN 60335-2-80:2003 + A1:04 in conjunction with EN 60335-1:2002 + A11:04 + A1:04 + A12:06 + A2:06 With U.K deviations.
EMC Directive Standards:
EN 55014-1:2000+A1:01+A2:02
EN 61000-3-2:2000
EN 61000-3-3:1995+A1:01+A2:05
EMF Standards:
EN 50366:2003+A1:06
This Declaration is made on behalf of Smith’s Environmental Products Limited.
Salus controller
The Salus controller independently complies with the essential requirements and other relevant provisions of Directives 2014/30/EU, 2014/35/EU, 2014/53/ EU and 2011/65/EU. The full text of the EU Declaration of Conformity is available at the following internet address: www.saluslegal.com.
Symbols
This manual contains information and prescriptions marked by the following symbols.
Ignoring these safety provisions marked by the symbol “caution: hazard” may endanger the safety of people.
Ignoring these safety provisions marked by the symbol “caution: electricity” may endanger the safety of people, as well as the integrity of things.
The removal of the screws can cause the output of hot fluids under high pressure from heating system. Drain the system or close the isolating valves.
High temperature surface. Take utmost care to prevent people from getting in contact with the hot surfaces of the appliance.
Important safety and installation instructions
Prior to installation, read these installation and operating instructions. The installation and operation should also be in accordance with national regulations and accepted codes of good practice.
This appliance can be used by children aged from 8 years and above and persons with reduced physical, sensory or mental capabilities or lack of experience and knowledge if they have been given supervision or instruction concerning use of the appliance in a safe way and understand the hazards involved. Children shall not play with the appliance. Cleaning and user maintenance shall not be made by children without supervision.
To guard against injury, basic safety precautions should be observed, including the
following:
- Read and follow all safety instructions and all the important notices on the appliance before installing, using and maintaining the appliance. Failure to do so may cause personal injury or damage to the appliance or installation.
Always disconnect electrical supply before putting on or taking off parts and whilst the equipment is being installed, maintained or handled. Never work with bare feet and/or with wet hands.- A risk assessment should always be carried out prior to work, Correct PPE should be worn.
- To avoid possible electric shock, special care should be taken since water is used with electrical equipment. Carefully examine the appliance before and after installation. Do not operate the appliance if it has a damaged supply cord or enclosure, or if it is malfunctioning or it is dropped or damaged in any manner. Inspect the appliance in accordance with manufacturers instructions.
The appliance should not be electrically supplied if there is water on parts not intended to be wet. - Risk of scalding. To avoid injury before any servicing operation wait until the water has cooled inside the appliance. Do not touch the fluid or the appliance when temperature is higher than 60°C.
Improper use.
This is an appliance to be used in heating systems with clean water without abrasive particles.
Do not use this appliance:
• With liquids other than water (e.g. flammable liquids, etc.) (EN60335-2-51);
• In locations where special conditions prevail, such as the presence of a corrosive or explosive atmosphere (dust, vapour or gas) (EN60335-2-51);
• For other than intended use.- Installation.
The appliance must be mounted in a stable/fixed position in a dry, well ventilated, frost-free, waterproof and protected place, with sufficient ventilation around it. Make sure that the appliance is securely and correctly installed before operating it and that there is enough room around it for maintenance operations, dismantling, checking for free inspection.
The maximum ambient temperature at which the appliance is to be used is 40°C(EN60335-2-51). - Electrical connection
Important: Connection to the power supply must be effected by means of a fixed power cable via a two pole isolating switch (fused spur) with a minimum contact opening of 3mm.
The fused spur must not be directly below the heater but should be accessible after completion of the installation. All heaters must be earthed.
Electrical connection must be carried out by a qualified electrician and in accordance with local regulations and both data on the name-plate and the appropriate diagram inside the terminal box cover.
Follow all safety standards. - Connect the appliance only to a mains supply protected by a Residual Current Device (RCD or Ground-Fault Circuit-Interrupter) with a rated residual operating current not exceeding 30mA.
- Prior to any modification being made to the equipment, it must be agreed with and authorised by the manufacturer. Original spare parts and accessories authorised by the manufacturer are integral part contributing to the safety of the equipment and of the appliance. The use of non original components or accessories may endanger the safety and causes the termination of the warranty. Safe operation is only assured for the applications and conditions described in Application of this manual.
Non-observance of the safety instructions results in the loss of any claims to damages.
The indicated limit values are binding and cannot be exceeded for any reason whatsoever.
KEEP THESE INSTRUCTIONS FOR FUTURE REFERENCE
Product dimensions

| Model | A |
| LL 640 | 640 |
| LL 1030 | 1030 |
| LL 1390 | 1390 |
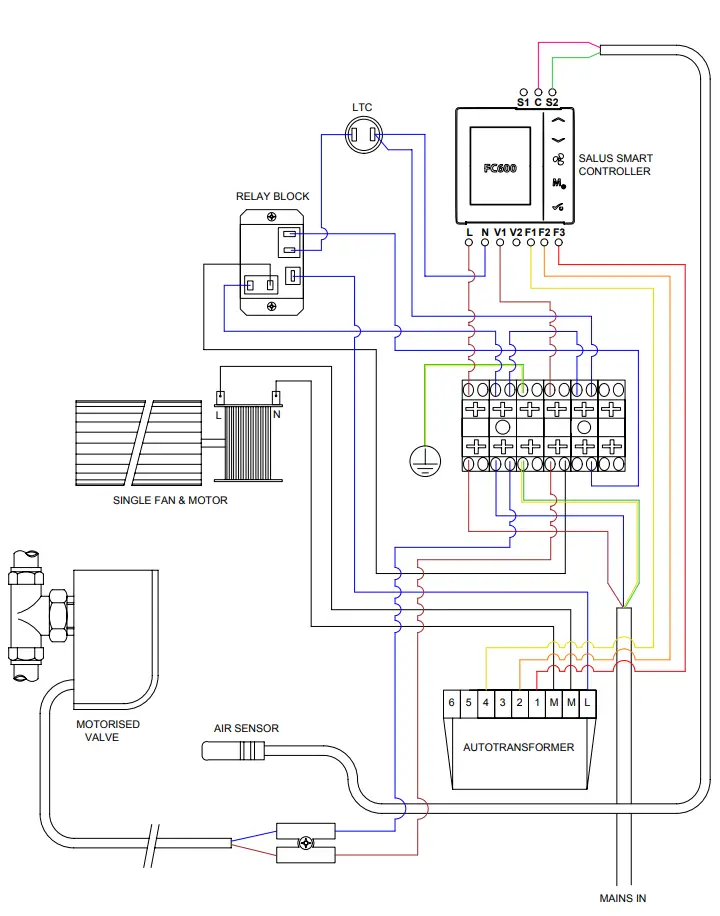
Wiring diagrams
ECOVECTOR II SMART – LOW LEVEL LL640 and LL1030 models

ECOVECTOR II SMART – LOW LEVEL LL1390 models

| Model | Heat Output at 80° | Heat Output at 75° | Heat Output at 70° | ||||||
| Low (kW) | Normal (kW) | Boost (kW) | Low (kW) | Normal (kW) | Boost (kW) | Low (kW) | Normal (kW) | Boost (kW) | |
| ECOVECTOR II SMART LL 640 | 1.2 | 1.6 | 2.0 | 1.1 | 1.4 | 1.7 | 1.0 | 1.3 | 1.6 |
| ECOVECTOR II SMART LL 1030 | 2.0 | 2.6 | 3.2 | 1.9 | 2.4 | 2.9 | 1.6 | 2.2 | 2.8 |
| ECOVECTOR II SMART LL 1390 | 2.8 | 3.5 | 4.2 | 2.6 | 3.2 | 3.8 | 2.3 | 2.9 | 3.5 |
| Model | Heat Output at 65° | Heat Output at 60° | Heat Output at 55° | ||||||
| Low (kW) | Normal (kW) | Boost (kW) | Low (kW) | Normal (kW) | Boost (kW) | Low (kW) | Normal (kW) | Boost (kW) | |
| ECOVECTOR II SMART LL 640 | 0.9 | 1.1 | 1.3 | 0.8 | 1.0 | 1.2 | 0.7 | 0.8 | 0.9 |
| ECOVECTOR II SMART LL 1030 | 1.5 | 1.9 | 2.3 | 1.3 | 1.7 | 2.1 | 1.2 | 1.6 | 1.9 |
| ECOVECTOR II SMART LL 1390 | 2.0 | 2.6 | 3.2 | 1.9 | 2.4 | 2.9 | 1.9 | 2.1 | 2.3 |
| Model | Heat Output at 50° | Heat Output at 45° | Heat Output at 40° | ||||||
| Low (kW) | Normal (kW) | Boost (kW) | Low (kW) | Normal (kW) | Boost (kW) | Low (kW) | Normal (kW) | Boost (kW) | |
| ECOVECTOR II SMART LL 640 | 0.6 | 0.7 | 0.8 | 0.5 | 0.6 | 0.7 | 0.4 | 0.5 | 0.6 |
| ECOVECTOR II SMART LL 1030 | 1.0 | 1.3 | 1.6 | 0.9 | 1.1 | 1.3 | 0.7 | 0.8 | 0.9 |
| ECOVECTOR II SMART LL 1390 | 1.3 | 1.8 | 2.2 | 1.2 | 1.5 | 1.8 | 1.0 | 1.2 | 1.4 |
| Model | Heat Output at 50° | Heat Output at 45° | Heat Output at 40° | ||||||
| Low (kW) | Normal (kW) | Boost (kW) | Low (kW) | Normal (kW) | Boost (kW) | Low (kW) | Normal (kW) | Boost (kW) | |
| ECOVECTOR II SMART LL 640 | 0.6 | 0.7 | 0.8 | 0.5 | 0.6 | 0.7 | 0.4 | 0.5 | 0.6 |
| ECOVECTOR II SMART LL 1030 | 1.0 | 1.3 | 1.6 | 0.9 | 1.1 | 1.3 | 0.7 | 0.8 | 0.9 |
| ECOVECTOR II SMART LL 1390 | 1.3 | 1.8 | 2.2 | 1.2 | 1.5 | 1.8 | 1.0 | 1.2 | 1.4 |
| Total Power Consumption | |||||||
| Model | Flow & return connections | Mains cable | Transformer | Fused spur | Low {Watts) | Medium (Watts) | High (Watts) |
| ECOVECTOR II SMART LL 640 | 15mm | 1.Sm | n/a | 3A | 9 | 12 | 21 |
| ECOVECTOR II SMART LL 1030 | 15mm | 1.Sm | n/a | 3A | 12 | 16 | 29 |
| ECOVECTOR II SMART LL 1390 | 15mm | 1.Sm | n/a | 3A | 24 | 33 | 58 |
| Model | Water Capacity (Litres) | Sound Levels | Casting colour |
Fan–only | ||
| Low (dBA) | Medium (dBA) | High (dBA) | ||||
| ECOVECTOR II SMART LL 640 | 0.29 | 32 | 38 | TBC | white | n/a |
| ECOVECTOR II SMART LL 1030 | 0.58 | 35 | 40 | TBC | white | n/a |
| ECOVETOR II SMART LL 1390 | 0.83 | 37 | 42 | TBC | white | n/a |
Heat outputs tested in accordance with BS4856 using entering water temperature and 340 l/h (75gph) flow rate. Sound levels measured at 1.5m.
Installation – product
Fix unit to wall
Ensure the unit is level and fix to the wall using suitable fixings via the chassis mounting holes. The minimum height from the floor should be 100mm and if there is any shelving above the unit it should be at a minumum height of 100mm above the unit.
Connect the pipes
We recommend the use of full flow isolating valves. These valves should be accessible after completion of the installation. Pipe work can be brought out from the heater directly or through the rear chassis.
Connect the heating system flow and return pipes to the heater pipework. Do not use soldered fittings to connect onto the heater, as the heat generated could damage internal components and prevent disconnection from the system for maintenance. The pipe nearest the chassis is the supply flow and the pipe nearest the front of the heater is the return. Failure to connect (connections are labelled) to the correct pipes will result in the heater not working correctly.
Check for water leaks. Remove any trapped air from the system via the vent valve on the top left hand side of the heat exchanger. Do not over tighten the air vent.
Electrical supply and electrical connection
ALL ELECTRICAL INSTALLATIONS CONNECTIONS MUST COMPLY WITH BS7671, 1992 AND THE IEE REGULATIONS. CHECK THE VOLTAGE ON THE HEATER IS CORRECT FOR YOUR SUPPLY. IF IN DOUBT, CONSULT A QUALIFIED ELECTRICIAN.
If the pre-wired mains cable is damaged, it must be replaced by the manufacturer, its service agent or similarly qualified persons.
Isolate the supply and connect the heater three core mains lead to the fused spur (3A) in accordance with the instructions provided on the mains lead label. (The supply wire which is coloured green or green and yellow must be connected to the terminal marked E on the appliance, the supply wire which is coloured black or blue must be connected to the terminal marked N on the appliance and the supply wire which is coloured red or brown must be connected to the terminal marked L on the appliance).
The fused spur must not be directly above the heater but should be accessible after completion of the installation.
Commissioning
- Turn on the electrical supply at the fused spur.
- Set the thermostat to maximum using the increase the button marked with an upwards pointing arrow on the controller.
- Turn on the central heating system.
- Balance the central heating system to ensure the correct system flow rate is achieved.
- If the installation is working correctly remember to reset the thermostat control to its normal setting.
- Set the fan speed control to the desired setting (low, normal or high) using the fan speed button on the controller.
- This Installation and User Guide must be left with the user for future reference.

Installation completion
Refit outer casing to the chassis and secure with screws.
Heating operation
Ensure the central heating system is ON. Switch on the power supply to the unit. Set the thermostat control to the desired temperature.
Providing the water temperature in the central heating system is more than 33°C (Standard LTC only) and the thermostat is calling for heat the product will switch on.
Quick user guide for Wi-Fi Thermostat

A SALUS FC600 is a device suitable for controlling your Caspian unit in 2 pipe systems and for managing the temperature in your home and/or working environment. For an internet connection (Online Mode), this product must be used with the SALUS Universal Gateway Hub (UG600/ UGE600) – available as an accessory product code: HACA33130 and SALUS Smart Home App
![]() | ![]() |
![]() |
You can also use the SALUS FC600 without an internet connection (offline mode). Go to https://salus-controls.com/uk/product/fc600/#downloads for the full PDF version of the manual.
| Key | Function | |||
| Increase Button | ||||
| Decrease Button | ||||
![]() | Fan Speed Low, Medium, High, Auto, Off | |||
![]() | Mode Button | Short press | Long press (2sec) | |
| Digital | Heat/Cool/Eco selection | Offset, Time | ||
| Programmable | Permanent override AUTO Heat/Cool/Eco selection | Programmable schedule Offset Time & Date | ||
![]() | Short press: Confirm function Long press (2 sec): Activate/deactivate standby mode | |||
Complete setup instructions for the control can be found at:
https://salus-controls.com/uk/product/fc600/#downloads
LCD Icon descriptions

- Auto heat/cool selection
- Schedule icon
- Permanent/temporary override
- Fan is running(icon is animated)
- Fan speed (low, medium, high, Auto, OFF)
- Wireless communication with the Universal Gateway
- FC600 is connected to the Universal Gateway and Internet
- Temperature unit
- Heating Mode ON
- Cooling Mode ON
- Standby mode
- Occupancy/vacancy sensor
- Lock function
- AM/PM
- Eco Mode
- Current day of the program
- Filter needs to be replaced
- Current time
- Sensor indicators
- Timer icon
- Program number
- Sensor indicators
- Sensor indicators
- Room/setpoint temperature
- Setpoint temperature indicator
Schedule Mode
Temporary Override
Permanent Override
Getting started
All units are factory configured in off-line stand alone mode and tested for function when built.
Should your unit require setup from storage or reconfiguration to “Smart Home” App control follow the steps below to ensure successful setup and operation.
- Setup as stand alone control (Confirm unit function)
- Connect to “Smart Home” App Requires Universal Gateway Hub (UG600) available as an accessory product code: HACA33130
Note: These instructions demonstrate settings and setup required to work with our appliance. Complete setup instructions for the control can be found at:
https://salus-controls.com/uk/product/fc600/#downloads
or use the QR code below:
- When powered for the first time the control will boot (Software version will appear) after a sort time the display will change to show “U9 – Yes”
- This should be “U9 – No” by pressing the up arrow, followed by the tick/confirm button. See image 1 and 2.

- The next screen display “USE – 2 Pipe” Change this to “4 Pipe” and confirm parameters (Note: 4 Pipe setting is required to allow fan only function). See images 3 and 4.

- Set the S1 and S2 parameters as shown:
S1 – noFN (No Function)
S2 – S2sens (External Temperature Sensor)

- Select the thermostat in this case set to
which is heating only.
Press UP/DOWN to select the operating mode to
.
Press
to confirm.You are now in Standby Mode. 
Press and hold for 2 seconds Success! 
Installation completed.
Changing from offline mode to online mode
If you want to use the internet App and the Universal Gateway Hub UG600 (available as an accessory product code: HACA33130), you need to change your thermostat settings from offline mode to online mode. For that please follow the steps below:

Press OK once then press and hold 3 buttons for 2 seconds.

The digits on the screen will flash. Using the up/down keys enter pass 55 then click OK.

Press Ok and then short press button to confirm pairing.
Press Scan for equipment from the App and follow the on screen instructions.
![]() | |
| Set up your device on the App. | You’re now in Standby Mode. |
Note: To view detail of set up, operation and parameters, please consult the full manual at:
https://salus-controls.com/uk/product/fc600/#downloads
Temporary override
To temporarily override and cause the heater to function follow steps 1-5. This should be used during the commissioning process.

Note: The temporary override will be active until the next program starts. You can cancel the temporary Override by pressing ![]()

Factory reset
If you have made an error or need to change your system parameters, or want to return to the factory settings, please follow steps below. By performing this action you will lose all your settings. Factory reset will only take effect on the thermostat you are working on.

User Guide
For further information and to view detail of set up, operation and parameters, please consult the full manual at: https://salus-controls.com/uk/product/fc600/#downloads
SALUS Smart Home App
![]() | ![]() |
![]() |
You can also access the web version at: http://eu.salusconnect.io/
Youtube
https://www.youtube.com/user/SalusControls
Fault finding
Providing the power supply is switched on and the thermostat control is calling for heat the heater will switch on and off automatically with the central heating system.
In the event of any difficulty, please contact us on +44 (0) 1245 324560.
It will be helpful if you do not disconnect the heater from the central heating system.
| Fault | Checking/Solution |
| The fan does not run on any speed setting | Check the power source is switched ON Check fuse in the fused spur Check wiring connections at the fused spur Check the controller is switched on and calling for heat Check the central heating is switched ON Vent any trapped air from the system (with the heating system turned OFF) |
| No heat output | Check the power supply is switched ON Check the service valves are open Ensure the room thermostat is calling for heat Vent any trapped air from the system (with the heating system turned OFF) Balance the central heating system if installed on the same circuit as panel radiators and increase the circulating pump speed if required Bleed air from the appliance Increase the heat source water temperature |
How it works
Your Ecovector ll Smart is designed to operate as part of your central heating system in the same way as a panel radiator. Providing you leave the heater switches in their normal operating
positions it will switch on and off automatically with you central heating system.
Heat from your central heating system passes through a heat exchanger transferring its heat to the aluminium fins, room air is drawn in the top grille and heated as it passes through the heat exchanger before being gently expelled back into the room at floor level.
How to operate
Ensure your central heating is ON, the controls calling for heat (Setpoint above the room temperature) & any fan speed selected; Low (I), Normal (I I) or Boost (I I I).
Providing your system temperature exceeds 35°C the fans will run
| Key | Function | |||
![]() | Increase Button | |||
![]() | Decrease Button | |||
![]() | Fan Speed Low, Medium, High, Auto, Off | |||
![]() | Mode Button | Short press | Long press (2sec) | |
| Digital | Heat/Cool/Eco selection | Offset, Time | ||
| Programmable | Permanent override AUTO Heat/Cool/Eco selection | Programmable schedule Offset Time & Date | ||
![]() | Short press: Confirm function Long press (2 sec): Activate/deactivate standby mode | |||
Complete setup instructions for the control can be found at:
https://salus-controls.com/uk/product/fc600/#downloads
LCD Icon descriptions

- Auto heat/cool selection
- Schedule icon
- Permanent/temporary override
- Fan is running(icon is animated)
- Fan speed (low, medium, high, Auto, OFF)
- Wireless communication with the Universal Gateway
- FC600 is connected to the Universal Gateway and Internet
- Temperature unit
- Heating Mode ON
- Cooling Mode ON
- Standby mode
- Occupancy/vacancy sensor
- Lock function
- AM/PM
- Eco Mode
- Current day of the program
- Filter needs to be replaced
- Current time
- Sensor indicators
- Timer icon
- Program number
- Sensor indicators
- Sensor indicators
- Room/setpoint temperature
- Setpoint temperature indicator
Schedule Mode
Temporary Override
Permanent Override
Getting started
All units are factory configured in off-line stand alone mode and tested for function when built.
Should your unit require setup from storage or reconfiguration to “Smart Home” App control follow the steps below to ensure successful setup and operation.
- Setup as stand alone control (Confirm unit function)
- Connect to “Smart Home” App Requires Universal Gateway Hub (UG600) available as an accessory product code: HACA33130
Note: These instructions demonstrate settings and setup required to work with our appliance. Complete setup instructions for the control can be found at:
https://salus-controls.com/uk/product/fc600/#downloads
or use the QR code below:
Adding controls to network (UG600)
- When powered for the first time the control will boot (Software version will appear) after a sort time the display will change to show “U9 – Yes”.
If the control has already been setup with network connection see page 15 for factory reset & setup guidance before continuing. - This should be “U9 – No” by pressing the up arrow, followed by the tick/confirm button. See image 1 and 2.

- The next screen display “USE – 2 Pipe” Change this to “4 Pipe” and confirm parameters (Note: 4 Pipe setting is required to allow fan only function). See images 3 and 4.

- Set the S1 and S2 parameters as shown:
S1 – noFN (No Function)
S2 – S2sens (External Temperature Sensor)

- Select the thermostat in this case set to
which is heating only.
Press UP/DOWN to select the operating mode to
.
Press
to confirm.You are now in Standby Mode. 
Press and hold for 2 seconds Success! 
Installation completed.
User Guide
For further information and to view detail of set up, operation and parameters, please consult the full manual at: https://salus-controls.com/uk/product/fc600/#downloads
SALUS Smart Home App
![]() | ![]() |
![]() |
You can also access the web version at: http://eu.salusconnect.io/
Youtube
https://www.youtube.com/user/SalusControls
Fault finding
Providing the power supply is switched on and the thermostat control is calling for heat the heater will switch on and off automatically with the central heating system.
In the event of any difficulty, please contact us on +44 (0) 1245 324560.
It will be helpful if you do not disconnect the heater from the central heating system.
| Fault | Checking/Solution |
| The fan does not run on any speed setting | Check the power source is switched ON Check fuse in the fused spur Check wiring connections at the fused spur Check the controller is switched on and calling for heat Check the central heating is switched ON Vent any trapped air from the system (with the heating system turned OFF) |
| No heat output | Check the power supply is switched ON Check the service valves are open Ensure the room thermostat is calling for heat Vent any trapped air from the system (with the heating system turned OFF) Balance the central heating system if installed on the same circuit as panel radiators and increase the circulating pump speed if required Bleed air from the appliance Increase the heat source water temperature |
Accessories
Universal Gateway Hub UG600 for use with internet App control
For accessories or spares please refer to our price list, contact your supplier or Smith’s Environmental Products Ltd.
Registering your product
Thank you for purchasing a Smith’s product. It has been designed and manufactured to the highest quality standards to ensure it gives you efficient and trouble-free service for many years. We are committed to achieving the highest standards and our faith is supported by a free parts and labour guarantee with every product.
For more information on the warranty period for this product please visit our website smithsep.co.uk/product-registration
This gives you the peace of mind that in the unlikely event of product failure, we will repair or replace the product completely free of charge providing the product has been installed, used and maintained in accordance with the instructions. Your statutory rights are not affected by this warranty.
It is important to register as soon as possible online at: smithsep.co.uk/product-registration/. This will ensure you will receive prompt and efficient service if your product requires attention within the warranty period. If you do not register your product, you will be required to produce proof of purchase prior to receiving service.
For more details please visit our website: SmithsEP.co.uk
Disposal
As part of the policy of continuous product improvement, Smith’s Environmental Products LTD reserves the right to alter specification without prior notice.
Products with this symbol (crossed out wheelie bin) cannot be disposed as household waste. Old electrical and electronic equipment must be recycled at a facility capable of handling these products and their waste by-products. If you are purchasing replacement equipment your retailer may offer a ‘take back’ scheme, or will be able to give details of the nearest approved authorised treatment facility. Proper recycling and waste disposal will help conserve resources whilst preventing detrimental effects on our health and the environment.
WEEE Registered Code: WEE/ED0093VW


After sales and spares
If you experience any problems with the use of your product, please contact our after-sales office +44 (0) 1245 324560.
For product information, customer services or sales support call us on +44 (0) 1245 324900
For the Republic of Ireland, contact MT Agencies on 01 864 3363
Sales: [email protected] General information: [email protected]
Smith’s Environmental Products Ltd Blackall Industrial Estate, South Woodham Ferrers, Chelmsford, Essex CM3 5UW
@SmithsEP_UK
#ThinkSmiths
Happy to help
Smith’s Environmental Products Ltd is one of the leading manufacturers of heating and cooling products in the UK. We are committed to achieving the highest standards and our faith is supported by a free parts and labour guarantee with every product (see our website for more information). Our customer service is second to none and we are happy to offer any help and guidance that you might need.
Stockists
All products are available nationally from Builders’ Merchants, Plumbers’ Merchants, Heating Equipment Distributors and Kitchen Equipment Distributors. In the event of difficulty, please contact us or visit our website SmithsEP.co.uk for details of your nearest stockist.
Information and advice
Full technical specifications and list prices is available to download from our website or in hard copy from our office. Also available on our website are price lists, individual product data sheets, installation & user guides, where to buy, who to contact and a media centre.
Alternatively contact our office 9.00am to 5.00pm Monday to Friday.
As part our commitment to continuous improvement Smith’s Environmental Products may change the specifications of its products without prior notification or public announcement. All descriptions, illustrations, drawings and specifications in this publication present only general particulars and shall not form part of any contract. All dimensions are in mm unless otherwise stated. Please visit the website for the most up to date information.
To view the full product information download the datasheet at: www.SmithsEP.co.uk
For product information, customer services or sales support call us on +44 (0) 1245 324900
For the Republic of Ireland, contact MT Agencies on 01 864 3363
Sales: [email protected] General information: [email protected]
Smith’s Environmental Products Ltd
Blackall Industrial Estate, South Woodham Ferrers,
Chelmsford, Essex CM3 5UW
@SmithsEP_UK
#ThinkSmiths
Issue 002 | 85-0057 | March 2023
Smith’s, providing comfort for the built environment

References
Connected-Solution
Smith’s Environmental Products | Convectors | Plinth Heaters | Radiators
Product Registration | Smith’s Environmental Products
Salus – Smart Technology for your comfort
Smith’s Environmental Products | Convectors | Plinth Heaters | Radiators
Salus – Smart Technology for your comfort


































