COMPUTHERM Q4Z Zone Controller Instruction Manual
GENERAL DESCRIPTION OF THE ZONE CONTROLLER
As the boilers usually have only one connection point for thermostats, a zone controller is needed in order to divide the heating / cooling system into zones, to control the zone valves and to control the boiler from more than one thermostat. The zone controller receives switching signals from the thermostats (T1; T2; T3; T4), controls the boiler (NO – COM) and gives commands to open/close the heating zone valves (Z1; Z2; Z3; Z4, Z1-2; Z3-4; Z1-4) associated with the thermostats.
The COMPUTHERM Q4Z zone controllers can control 1 to 4 heating / cooling zones, which are regulated 1-4 switch-operated thermostats. The zones can operate independently from each other or, in case of need, all zones can operate at the same time.
To control more than 4 zones at a time we recommend using 2 or more COMPUTHERM Q4Z zone controllers (1 zone controller needed per 4 zones). In this case, the potential-free connection points controlling the boiler (NO – COM) should be connected to the heater / cooler device in parallel.
The COMPUTHERM Q4Z zone controller provides the possibility for the thermostats to also control a pump or a zone valve in addition to starting the heater or cooler. This way it is easy to divide a heating / cooling system into zones, thanks to which the heating / cooling of each room can be controlled separately, thus greatly increasing comfort.
Furthermore, the zoning of the heating / cooling system will greatly contribute to the reduction of energy costs, as due to this only those rooms will be heated / cooled at any time where it is required.
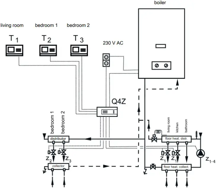
An example of dividing the heating system into zones is shown in the figure below:
From both a comfort and an energy-efficiency point of view, it is recommended to activate more than one switch for each day. Furthermore, it is advised that a comfort temperature is used only those times, when the room or building is in use, since every 1 °C decrease of temperature saves approximately 6% energy during a heating season.
THE CONNECTION POINTS OF THE ZONE CONTROLLER, MOST IMPORTANT TECHNICAL DATA
- Each of the 4 heating zones have an associated pair of connection points (T1; T2; T3; T4); one for a room thermostat and one for a zone valve/pump (Z1; Z2; Z3; Z4). The thermostat of the 1st zone (T1) controls the zone valve/pump of the 1st zone (Z1), the thermostat of the 2nd zone (T2) controls the zone valve/pump of the 2nd zone (Z2) etc. Following the heating command of the thermostats, 230 V AC voltage appears on the connection points of the zone valves associated with the thermostats, and the zone valves/pumps connected to these connection points open/start.
For ease of use, the connection points associated with the same zone have the same color (T1-Z1; T2-Z2, etc.). - The 1st and 2nd zones, beside their regular connection points, also have a joint connection point for a zone valve/pump (Z1-2). If any of the 1st two thermostats (T1 and/or T2) switches on, then beside the 230 V AC voltage appearing at Z1 and/or Z2, 230 V AC voltage appears on Z1-2 too, and the zone valves/pumps connected to these connection points open/start. This Z1-2 connection point is suitable to control the zone valves/pumps in such rooms (e.g. the hall or the bathroom), which do not have a separate thermostat, do not need heating at all times but need heating when any of the 1st two zones heat.
- The 3rd and 4th zones, beside their regular connection points, also have a joint connection point for a zone valve/pump (Z3-4). If any of the 2nd two thermostats (T3 and/or T4) switches on, then beside the 230 V AC voltage appearing at Z3 and/or Z4, 230 V AC voltage appears on Z3-4 too, and the zone valves/pumps connected to these connection points open/start. This Z3-4 connection point is suitable to control the zone valves/pumps in such rooms (e.g. the hall or the bathroom), which do not have a separate thermostat, do not need heating at all times but need heating when any of the 2nd two zones heat.
- Moreover, the four heating zones also have a joint connection point for a zone valve/pump (Z1-4). If any of the four thermostats (T1, T2, T3 and/or T4) switches on, then beside the 230 V AC voltage appearing at Z1, Z2, Z3 and/or Z4, 230 V AC voltage appears on Z1-4 too, and the pump connected to output Z1-4 also starts. This Z1-4 connection point is suitable to control the heating in such rooms (e.g. the hall or the bathroom), which do not have a separate thermostat, do not need heating at all times but need heating when any of the four zones heat. This connection point is also suitable for controlling a central circulating pump, which starts whenever any of the heating zones starts.
- There are some zone valve actuators that need a fix phase, a switched phase and a neutral connection to operate. The connection points of the fix phase are next to the (POWER INPUT) indicated by the FL FL sign. The connections of the fix phase are only operating when the power switch is turned on. Due to the lack of space there is only two connection points. By joining the fix phases four actuators can be operated.
- The 15 A fuse on the right side of the power switch protects the components of the zone controller from electrical overload. In case of overloading the fuse cuts off the electric circuit, protecting the componets. If the fuse has cut off the circuit, check the appliances connected to the zone controller before turning it on again, remove the broken components and the ones that cause overloading, then replace the fuse.
- The 1st, 2nd, 3rd and 4th zones also have a joint potential-free connection point that controls the boiler (NO – COM). These connection points clamp shut following the heating command of any of the four thermostats, and this starts the boiler.
- The NO – COM, Z1-2, Z3-4, Z1-4 outputs of the zone controller are equipped with delay functions, see Section 5 for more information.
LOCATION OF THE DEVICE
It is reasonable to locate the zone controller near the boiler and/or the manifold in a way, so that it is protected from dripping water, dusty and chemically aggressive environment, extreme heat and mechanical damage.
INSTALLING THE ZONE CONTROLLER AND PUTTING IT INTO OPERATION
Attention! The device must be installed and connected by a qualified professional! Before putting the zone controller into operation make sure that neither the zone controller nor the apparatus to be connected to it is connected to the 230 V mains voltage. Modifying the device can cause electric shock or product failure.
Attention! We recommend that you design the heating system you want to control with the COMPUTHERM Q4Z zone controller so that the heating medium can circulate in the closed position of all zone valves when a circulating pump is switched on. This can be done with a permanently open heating circuit or by installing a by-pass valve.
Attention! In switched on state 230 V AC voltage appears on the zone outputs, the maximum loadability is 2 A (0,5 A inductive). This information should be considered at the installation
The size of the connection points of the COMPUTHERM Q4Z zone controller allow at most 2 or 3 devices to be connected in parallel to any heating zone. If more than this is needed for any of the heating zones (e.g. 4 zone valves), then the wires of the devices should be joined before they are connected to the zone controller.
To install the zone controller, follow these steps:
- Detach the rear panel of the device from its front panel by loosening the screws at the bottom of the cover. By this, the connection points of the thermostats, the zone valves/pumps, the boiler and the power supply are accessible.
- Select the location of the zone controller near the boiler and/or the manifold and create the holes on the wall for installation.
- Secure the zone controller board to the wall using the supplied screws.
- Connect the wires of the needed heating equipment (the wires of the thermostats, the zone valves/pumps and the boiler) and the wires for power supply as shown in the figure below.
- Replace the front cover of the device and secure it with the screws at the bottom of the cover.
- Connect the zone controller to the 230 V mains network.

In case of using electro-thermal zone valves that operate slowly and all the zones are closed when the boiler is inactive, then the boiler should be started with a delay in order to protect the pump of the boiler. In case of using electrothermal zone valves that operate fast and all the zones are closed whenthe boiler is inactive, then the valves should close with a delay in order to protect the pump of the boiler. See Section 5 for more information on the delay funcions.
DELAY OF THE OUTPUTS
When designing the heating zones – in order to protect the pumps – it is advisable to keep at least one heating circuit that is not closed by a zone valve (e.g. bathroom circuit). If there are no such zones, then in order to prevent the heating system from an event in which all heating circuits are closed but a pump is switched on, the zone controller has two types of delay function.
Turn on delay
If this function is activated and the outputs of the thermostats are switched off, then in order to open the valves of the given heating circuit before starting the pump(s), the zone controller NO-COM and Z1-4 output, and depending on the zone the Z1-2 or Z3-4 output switches on only after a delay of 4 minutes from the 1st switch-on signal of the thermostats, while 230 V appears immediately at the output for that zone (eg. Z2). The delay is especially recommended if the zone valves are opened/closed by slow-acting electrothermal actuators, because their opening/closing time is approx. 4 min. If at least 1 zone is already switched on, then the Turn on delay function will not be activated when additional thermostats switch on.
The active state of the Turn on delay function is indicated by the blue LED flashing with 3-second intervals.
If the “A/M” button is pressed while the Turn on delay is active (blue LED flashes with 3-second intervals), the LED stops flashing and indicates the current operating mode (Automatic/Manual). Then the working mode can be changed by pressing the “A/M” button again. After 10 seconds, the blue LED continues to flash with 3-second intervals until the delay stops.
Turn off delay
“If this function is activated and some thermostat outputs of zone controller are switched on, then in order for the valves belonging to the given zone to be open during the recirculation of the pump(s), the 230 V AC voltage disappears from the zone output of the given zone (eg Z2), output Z1-4 and, depending on the switched zone, output Z1-2 or Z3-4 only after a delay of 6 minutes from the switch-off signal of the last thermostat, while the NO-COM output switches off immediately. The delay is especially recommended if the zone valves are opened/closed by quick-acting motorized actuators, as their opening/closing time is only a few seconds. Activating the function in this case ensures that the heating circuits are open during the circulation of the pump and thus protects the pump from overload. This function is only activated when the last thermostat sends the switch-off signal to the zone controller.
The active state of the Turn off delay function is indicated by the 3-second interval flashing of the red LED of the last zone switched off.
Activating/deactivating of the delay functions
To activate/deactivate the Turn on and off delay functions, press and hold the Z1 and Z2 buttons on the zone controller for 5 seconds until the blue LED flashes at one second intervals. You can activate/deactivate the functions by pressing the buttons Z1 and Z2. The LED Z1 shows the Turn on delay status, while the LED Z2 shows the Turn off delay status. The function is activated when the corresponding red LED is lit.
To save the settings and return to the default state wait 10 seconds. When the blue LED stops flashing the zone controller resumes the normal operation.
The delay functions can be reset to the factory defaults (deactivated state) by pressing the “RESET” button!
USING THE ZONE CONTROLLER
After installing the device, putting it into operation and turning it on with its switch (position ON), it is ready for operation, which is indicated by the illuminated state of the red LED with sign “POWER” and the blue LED with sign “A/M” on the front panel. Then, following the heating command of any of the thermostats, the zone valves/pumps associated with the thermostat open/start and the boiler also starts, also taking the Turn on delay function into account (see Section 5).
By pressing the “A/M” (AUTO/MANUAL) button (the factory default AUTO status is indicated by the illumination of the blue LED next to the “A/M” button) it is possible to detach the thermostats and manually adjust the heating zones for each thermostat to start. This may be necessary temporarily if, for example, one of the thermostats has failed or the battery in one of the thermostats has run down. After pressing the “A/M” button, the heating of each zone can be started manually by pressing the button indicating the zone number. The operation of the zones activated by manual control is also indicated by the red LED of the zones, but in manual control the blue LED indicating the “A/M” status is not illuminated. (In case of manual control, the heating of the zones operates without temperature control.) From manual control, you can return to the thermostat-controlled factory default operation (AUTO) by pressing the “A/M” button again.
Warning! The manufacturer does not assume responsibility for any direct or indirect damages and loss of income occurring while the appliance is being used.
TECHNICAL DATA
- Supply voltage:
230 V AC, 50 Hz - Standby power consumption:
0,15 W - Voltage of the zone outputs:
230 V AC, 50 Hz - Loadability of the zone outputs:
2 A (0.5 A inductive load) - Switchable voltage of the relay that controls the boiler:
230 V AC, 50 Hz - Switchable current of the relay that controls the boiler:
8 A (2 A inductive load) - Duration of activable Turn on delay function:
4 minutes - Duration of activable Turn off delay function:
6 minutes - Storage temperature:
-10 °C – + 40 °C - Operating humidity:
5% – 90% (without condensation) - Protection against environmental impacts:
IP30
The COMPUTHERM Q4Z type zone controller complies with the requirements of directives EMC 2014/30/EU, LVD 2014/35/EU and RoHS 2011/65/EU.![]()
Manufacturer:
QUANTRAX Ltd.
H-6726 Szeged, Fülemüle u. 34., Hungary
Telefon: +36 62 424 133
Fax: +36 62 424 672
E-mail: [email protected]
Web: www.quantrax.hu
www.computherm.info
Origin: China
Copyright © 2020 Quantrax Ltd. All rights reserved.
![]()




















