
STAIR STEPPER MACHINE WITH HANDLEBAR SF-S020027
USER MANUAL

IMPORTANT! Please retain owner’s manual for maintenance and adjustment instructions. Your satisfaction is very important to us, PLEASE DO NOT RETURN UNTIL YOU HAVE CONTACTED US:
[email protected] or 1-877-90SUNNY (877-907-8669).
![]()
IMPORTANT SAFETY INFORMATION
We thank you for choosing our product. To ensure your safety and health, please use this equipment correctly. It is important to read this entire manual before assembling and using the equipment. Safe and effective use can only be achieved if the equipment is assembled, maintained, and used properly. It is your responsibility to ensure that all users of the equipment are informed of all warnings and precautions.
- Before starting any exercise program, you should consult your physician to determine if you have any medical or physical conditions that could put your health and safety at risk or prevent you from using the equipment properly. Your physician’s advice is essential if you are taking medication that affects your heart rate, blood pressure, or cholesterol level.
- Be aware of your body’s signals. Incorrect or excessive exercise can damage your health. Stop exercising if you experience any of the following symptoms: pain, tightness in your chest, irregular heartbeat, shortness of breath, lightheadedness, dizziness, or feelings of nausea. If you do experience any of these conditions, you should consult your physician before continuing with your exercise program.
- Keep children and pets away from the equipment. The equipment is designed for adult use only.
- Use the equipment on a solid, flat level surface with a protective cover for your floor or carpet. To ensure safety, the equipment should have at least 2 feet (60 CM) of free space all around it.
- Ensure that all nuts and bolts are securely tightened before using the equipment. The safety of the equipment can only be maintained if it is regularly examined for damage and/or wear and tear.
- Always use the equipment as indicated. If you find any defective components while assembling or checking the equipment, or if you hear any unusual noises coming from the equipment during exercise, discontinue use of the equipment immediately and do not use until the problem has been rectified.
- Wear suitable clothing while using the equipment. Avoid wearing loose clothing that may become entangled in the equipment.
- Do not place fingers or objects into the moving parts of the equipment.
- The maximum weight capacity of this unit is 250 pounds (110KG).
- This equipment is not suitable for therapeutic use.
- To avoid bodily injury and/or damage to the product or property, proper lifting and moving are required.
- Your product is intended for use in cool and dry conditions. You should avoid storage in extreme cold, hot or damp areas as this may lead to corrosion and other related problems.
- This equipment is designed for indoor and home use only; it is not intended for commercial use.
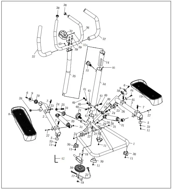
EXPLODED DIAGRAM

HARDWARE PACKAGE

PARTS LIST
| No. | Description | Spec. | Qty. | No. | Description | Spec. | Qty. | |
| 1 | Main Frame | 1 | 25 | Hexagon Bolt | M10*30120*S6 | 2 | ||
| 2 | Left Foot Tube | 1 | 26 | Nylon Nut | M10 | 2 | ||
| 3 | Right Foot Tube | 1 | 27 | Hexagon Bolt | M6’36’10*S5 | 4 | ||
| 4 | Pully Fixed Bracket | 1 | 28 | Sensor Wire | 1 | |||
| 5 | Cushion | 030’20 | 2 | 29 | Sensor Holder | 017’011’8 | 1 | |
| 6 | Hexagon Bolt | M6’20*S5 | 2 | 30 | Foot Pad | 58.4’33.7’20 | 4 | |
| 7 | Hexagon Bolt | M8’20*S5 | 4 | 31 | Nylon Nut | M6 | 4 | |
| 8 | Left Pedal | 373’151’82 | 1 | 32 | Computer | 050’20 | 1 | |
| 9 | Cover | 2 | 32a | Computer Wire | 1 | |||
| 10 | Bushing | 038’019.1’12 | 4 | 33 | Flat Washer | 012’05.2’1 | 2 | |
| 11 | Hexagon Bolt | M5’10*S3 | 6 | 34 | Bottom Handlebar Post | 1 | ||
| 12 | Magnet | 017’011’12 | 1 | 35 | Upper Handlebar Post | 1 | ||
| 13 | Right Pedal | 373’151’82 | 1 | 36 | Handlebar | 1 | ||
| 14 | Bushing | 1 | 37 | Foam Grip | 029’023’410 | 2 | ||
| 15 | Adjustment Knob | M16’1.5’20’037 | 1 | 38 | End Cap | 25 | 2 | |
| 16 | Pulley | 0100’08.2’20 | 1 | 39 | Hexagon Bolt | M8’3515*S5 | 2 | |
| 17 | Limit Plate | 1 | 40 | Hexagon Bolt | M8’16’55 | 5 | ||
| 18 | Hexagon Bolt | M81140’15’S6 | 1 | 41 | Curved Gasket | d8″020’2R25 | 5 | |
| 19 | Nylon Nut | M8 | 1 | 42 | Allen Wrench | S5 | 1 | |
| 20 | Hydraulic Cylinder | 38 | 2 | 43 | Extension Wire | 550MM | 1 | |
| 21 | Adjustment Knob | 060*M14 | 44 | Cross Countersunk Head Tapping Screw | ST3’8 | 1 | ||
| 22 | Wire Rope | 06.5’365 | 1 | 45 | Magnet Cover | 015’3.5 | 1 | |
| 23 | Plastic Gasket | 016’010.2’1 | 2 | 46 | Extension Wire | 680MM | 1 | |
| 24 | Alloy Wrap | 2 |
Ordering Replacement Parts (U.S. and Canadian Customers only)
Please provide the following information in order for us to accurately identify the part(s) needed:
- The model number (found on cover of manual)
- The product name (found on cover of manual)
- The part number found on the “EXPLODED DIAGRAM” and “PARTS LIST” (found near the front of the manual)
Please contact us at [email protected] or 1-877-90SUNNY (877-907-8669).
ASSEMBLY INSTRUCTIONS
We value your experience using Sunny Health and Fitness products. For assistance with parts or troubleshooting, please contact us at [email protected] or 1-877-90SUNNY (877907-8669).
![]() | STEP 1: Remove the Main Frame (No. 1) from the box. Lift one pedal of Left or Right Pedals (No. 8 or No. 13) up with your hand and ensure that the Wire Rope (No. 22) is put in the slot of the Pulley (No. 16) as shown in the picture. |
![]() | STEP 2: Take out the Adjustment Knob (No. 21) from the manual bag. Then insert the Adjustment Knob (No. 21) into the Main Frame (No. 1), and adjust the tightness of the Adjustment Knob (No. 21) to the desired position. |
![]() | STEP 3: Connect the Sensor Wire (No. 28) with the Extension Wire (No. 46). Insert the Bottom Handlebar Post (No. 34) into the Main Frame (No. 1) with 5 Hexagon Bolts (No. 40) and 5 Curved Gaskets (No. 41). Tighten with the Allen Wrench (No. 42). |
![]() | STEP 4: Connect the Extension Wire (No. 46) with the Extension Wire (No. 43). Insert the Upper Handlebar Post (No. 35) into the Bottom Handlebar Post (No. 34), adjust the Upper Handlebar Post (No. 35) to desired height, then secure it in place by inserting and tightening the Adjustment Knob (No. 15) from hardware package. |
![]() | STEP 5: Attach the Handlebar (No. 36) onto the Upper Handlebar Post (No. 35) with 2 Hexagon Bolts (No. 39). Tighten with the Allen Wrench (No. 42). |
![]() | STEP 6: Connect the Extension Wire (No. 43) to the Computer Wire (No. 32a). Then attach the Computer (No. 32) to the bracket of the Handlebar (No. 36). The assembly is complete! |
MAINTENANCE & ADJUSTMENT GUIDE
![]() | ADJUSTING THE STEPPING HEIGHT Turn the Adjustment Knob (No. 21) clockwise to increase the stepping height. Turn the Adjustment Knob (No. 21) counter-clockwise to decrease the stepping height. |
![]() | ADJUSTING THE HEIGHT OF HANDLEBAR Turn the Adjustment Knob (No. 15) counter-clockwise and pull out it from Bottom Handlebar Post (No. 34). Adjust the Upper Handlebar Post (No. 35) to desired position, then insert and re-tighten the Adjustment Knob (No. 15) by turning it clockwise. |
| CLEANING The stepper can be cleaned with a soft, clean, and damp cloth. Do not use abrasives or solvents on plastic parts. Please wipe your perspiration off the stepper after each use. Be careful not get excessive moisture on the computer display panel as this might cause electrical hazards or electronics failure. Please keep the stepper, especially the computer, out of direct sunlight to prevent screen damage. Please inspect all assembly bolts and pedals on the stepper for proper tightness every week. | |
| STORAGE Store the stepper in a clean and dry environment, away from children. | |
NOTES:
Do not use the stepper for more than 15 minutes as the hydraulic cylinders may overheat and become damaged.
BATTERY INSTALLATION AND REPLACEMENT

BATTERY INSTALLATION:
- Take out 1 AAA battery from computer box.
- Press the buckle of battery cover on the Computer (No. 32), then remove battery cover.
- Install 1 AAA battery into the battery case on the back of the Computer (No. 32). Pay attention to the battery + and – poles before installing.
- Press the buckle of battery cover, then put the battery cover back to the back of the Computer (No. 32).
The installation is complete!
BATTERY REPLACEMENT:
- Press the buckle of battery cover on the back of the Computer (No. 32), then remove battery cover.
- Remove the 1 old AAA battery in the battery case and install 1 new AAA battery into the battery case on the back of the Computer (No. 32). Pay attention to the battery + and – poles before installing.
- Press the buckle of battery cover, then put the battery cover back to the back of the Computer (No. 32). The replacement is complete!
NOTE: Dispose battery according to your state and regional guidelines.
EXERCISE COMPUTER
SPECIFICATIONS:
CALORIES (CAL)——————————-0~9999 KCAL
COUNT (CNT)———————————–0~9999
TIME———————————————–00:00~99:59 MIN/S
TOTAL COUNT (TOT. CNT)—————–0~9999

KEY FUNCTIONS:
MODE: This key lets you to select and lock on to a particular function you want.
FUNCTIONS:
- CALORIES (CAL): Display calories burned during exercise.
- COUNT (CNT): Accumulates the count of steps taken while exercising. Computer counts 1 step after you step once with each foot.
- TIME: Display the workout time elapsed during exercise.
- TOTAL COUNT (TOT. CNT): Display the total steps taken while exercising. To reset TOTAL COUNT (TOT. CNT), you need to remove the battery and reinsert.
- SCAN: The computer will rotate through the four functions in the following order: CALORIES— COUNT—TIME—TOTAL COUNT. Each function will be held for 6 seconds.
NOTE:
- Without any incoming signals in 4-5 minutes, the LCD display will be shut off automatically.
- When machine is in use, the computer automatically turns on.
- If computer display is abnormal, please replace the battery and try again.
- The computer use one 1.5V “AAA” battery.
CONNECT WITH US
FOR FITNESS ARTICLES, VIDEOS & WORKOUTS

https://sunnyhealthfitness.com/pages/sign-up
| @SUNNYHEALTHANDFITNESS | |
| @SUNNYHEALTHFITNESS | |
| @SUNNYHEALTHFIT | |
| /SUNNYHEALTHFITNESS | |
| /ISUNNYHEALTHANDFITNESS |






















