Honeywell PK 80169 CABLE PULL SWITCH WITHOUT BROKEN CABLE DETECTION
INSTALLATION INSTRUCTIONS
FOR THE CABLE PULL SWITCH WITHOUT BROKEN CABLE DETECTION 2CPS SERIES
WARNING
IF USED IN APPLICATIONS CONCERNING HUMAN SAFETY
- Only use NC direct opening (positive opening/positive break) contacts, identified by the symbol .
- Do NOT use flexible/adjustable actuators. Only use actuators designed for safety applications.
- Do NOT defeat, tamper, remove, or bypass this switch.
- Hazardous voltage, disconnect power before servicing.
- Strictly adhere to all installation and maintenance instructions.
- Consult with local safety agencies and their requirements when designing a machine-control link, interface and all control elements that affect safety.
Failure to comply with these instructions could result in death or serious injury.
WARNING
IMPROPER USE
- Use the 2CPS Cable Pull Switch Without Broken Cable Detection in stop applications only.
Failure to comply with these instructions could result in death or serious injury.
WARNING
IMPROPER SYSTEM PERFORMANCE
- The 2CPS Cable Pull Switch Without Broken Cable Detection provides only the front end switching/sensing function. The machine, its external machine interfaces, and the safety monitoring of the machine and its interfaces, are the responsibility of the machine safety control system.
- The user is SOLELY RESPONSIBLE for determining the appropriate level of risk.
- The 2CPS Cable Pull Switch Without Broken Cable Detection must be installed in a fashion that complies with all codes and standards that are applicable to the particular application of the device. EN 1050 and ANSI TR3 Risk Assessment and Risk Reduction provide assistance on how to perform risk assessment.
Failure to comply with these instructions could result in death or serious injury.
GENERAL INFORMATION
- The 2CPS Cable Pull Switch Without Broken Cable Detection is available in either single actuator or dual actuator versions. The maximum cable length in a single direction is 76 m [250 ft] for a combined length of 152 m [500 ft] in dual directions.
- The direct acting switch contacts are held closed when the reset knob is set to RUN. When the actuating cable is pulled, a cam positively opens the NC (Normally Closed) switch contacts. The snap action, trip operation causes the switch contacts to change state and mechanically latch almost simultaneously when the cable is pulled. The NC switch contacts remain open until the 2CPS Cable Pull Switch Without Broken Cable Detection is reset by properly tensioning the cable and manually rotating the reset knob.
- When the direct acting switch contacts open, the auxiliary contacts also actuate (open contacts close and closed contacts open). The auxiliary contacts are electrically isolated from the direct acting switch contacts. These NO (Normally Open) contacts may be used for monitoring or signaling.
- A removable contact block version is available for robust and easy termination.
- Accessory packets are available separately (see Table 2 on page 4).
STEP 1: MOUNT, WIRE, AND SEAL THE SWITCH
WARNIN
GIMPROPER OPERATION
- Locate the 2CPS such that the installed cable is visible from the 2CPS reset or inspect the length of the cable whenever a stop is signaled.
- Ensure no barriers or physical obstructions prevent the operator from actuating the 2CPS Cable Pull Switch Without Broken Cable Detection.
Failure to comply with these instructions could result in death or serious injury.
- Refer to pages 3-6 for:
- Specifications (Table 1).
- Accessories available separately (Table 2).
- Wiring configurations and travel distances (Figure 1).
- Mounting dimensions (Figure 2).
- Installation drawings (Figures 3, 4).
- Mount switch using four M6, 1/4-28 UNF or 1/4-20 UNC screws or bolts. Torque:
- M6 to 6,1 Nm to 7,5 Nm [54 in-lb to 66 in-lb].
- 1/4-28 UNF to 8,6 Nm to 10,4 Nm [76 in-lb to 92 in-lb].
- 1/4-20 UNC to 7,3 Nm to 9,0 Nm [65 in-lb to 79 in-lb].
- Refer to the circuit diagram on the switch cover. The diagram depicts the switch contacts when the cable is at proper tension and the reset knob is in the RUN position.
- Remove the cover plate.
- Wire the switch (use 90°C [194°F] wire when the ambient temperature is over 75°C [167°F]):
- Standard wiring version: Connect 0,75 mm² to 1,5 mm² (18 AWG to 16 AWG) stranded wire or 0,75 mm² to 2,5 mm² (18 AWG to 14 AWG) solid wire to the terminals. Torque:
- Switch terminal screws to 0,8 Nm to 1,0 Nm [7 in-lb to 9 in-lb].
- Ground screw to 1,0 Nm to 1,8 Nm [9 in-lb to 16 in-lb].
- Heavy duty wiring removable contact block version: Connect 3,5 mm² (12 AWG) or smaller stranded or solid wire to the terminals. Torque:
- Switch terminal screws and ground screw to 1,0 Nm to 1,8 Nm [9 in-lb to 16 in-lb].
- Standard wiring version: Connect 0,75 mm² to 1,5 mm² (18 AWG to 16 AWG) stranded wire or 0,75 mm² to 2,5 mm² (18 AWG to 14 AWG) solid wire to the terminals. Torque:
- OPTIONAL: Wire the LED indicator. Wrap the wire clockwise around the terminal screws. Ensure all wire strands are secured under the screw heads. Torque the terminal screws to 0,8 Nm to 1,0 Nm [7 in-lb to 9 in-lb]. For dc indicators, ensure the positive lead wire is attached to the terminal with the “+” sign. (There is no polarity requirement for ac indicators.)
- Seal the conduit opening according to the instructions in PK 80112 (included).
- Reassemble the cover plate. Torque the cover screws to 1,5 Nm [13 in-lb].
CABLE PULL SWITCH WITHOUT BROKEN CABLE DETECTION 2CPS SERIES
STEP 2: INSTALL J-HOOK TURNBUCKLE AND ACTUATING CABLE
- Ensure you have the following:
- Red plastic-coated aircraft cable 3,18 mm [1/8 in] diameter to 4,76 mm [3/16 in] diameter in desired length, not to exceed 76 m [250 ft] per each actuator.
- J-hook turnbuckle with locknuts.
- Thimbles to fit all terminations.
- Cable clamps to fit all terminations.
- Attach the hook end of the J-hook turnbuckle to the actuator.
- Attach the eye end of the J-hook turnbuckle to the cable using one thimble and one cable clamp by fitting the cable in the thimble groove and placing the cable clamp as close to the thimble as possible.
- Tighten the cable clamp according to the manufacturer’s instructions. (The torque for the cable clamp in the separate accessory packet is 7,3 Nm to 9,0 Nm [65 in-lb to 79 in-lb].)
NOTICE
- If improved cable visibility is needed, install labels, markers or flags to the cable or adjacent to the cable.
STEP 3: INSTALL CABLE SUPPORTS (EYEBOLTS)
WARNING
IMPROPER OPERATION
- Do not allow excessive side loads to occur that could bend the switch actuator shaft so as to defeat the broken cable shutdown.
Failure to comply with these instructions could result in death or serious injury.
NOTICE
- The first cable support should be in line with, and no farther than, 0,46 m [18 in] from the end of the actuator shaft.
- When changing the actuating cable direction, i.e., around a corner, ensure the cable runs freely through a pulley or cable supports.
- Ensure you have cable supports to fit the cable.
- Install a cable support as close to the end of the actuator shaft as possible without interfering with the switch operation.
- Install the cable supports at intervals of no greater than 2,4 m [8 ft] along the cable span.
- Thread the cable through the cable supports.
STEP 4: SECURE THE CABLE TO A FIXED SUPPORT
- Ensure you have the following:
- Thimbles to fit all terminations.
- Cable supports to fit the cable.
- Fixed support to fit all terminations.
- Attach the cable end to a fixed support in the same manner as Steps 2.C and 2.D.
STEP 5: ADJUST CABLE TENSION
- Tighten the turnbuckle until the cable is at the desired tension. Ensure that the cable is tight enough so that the J-hook turnbuckle can’t disengage.
- Tighten the turnbuckle locknuts.
- Periodically check and adjust the cable tension.
STEP 6: VERIFY INSTALLATION BY PERFORMING FUNCTIONAL TESTS
CAUTION
SWITCH DAMAGE
- Do not attempt to rotate the reset knob from OFF to RUN unless the switch is under proper tension.
Failure to comply with these instructions may result in product damage.
- Ensure the cable actuates freely. Ensure the installation elements are not subject to mechanical damage due to positioning or location.
- Turn the reset knob to RUN.
- PULLED CABLE STATE: Pull the cable. Ensure the reset knob rotates to OFF.
- Turn the reset knob to RUN.
CABLE PULL SWITCH WITHOUT BROKEN CABLE DETECTION 2CPS SERIES
| TABLE 1. | ||||
| Designation and Utilization Category | Rated Operational Current Ie (A) at Rated Operational Voltage Ue (V) | |||
| 24 V | 120 V | 240 V | ||
| AC15 | A300 | — | 6 A | 3 A |
| DC13 | Q300 | 2,8 A | 0,55 A | 0,27 A |
| Rated thermal current (Ith) | 10 A |
| Rated impulse withstand (Uimp) | 2500 V |
| Usable gold-plated current (if applicable) | 10 mA to 10 mA, 1 V to 50 V |
| Sealing | IP67; NEMA 1, 4, 12, 13 |
| Operating temperature range | -40°C to 80°C [-40°F to 176°F] |
| Shock | 15 g |
| Vibration | 10 Hz to 500 Hz, 5 g |
| Mechanical life | 1,000,000 operations |
| Complies with: • Low Voltage Directive 2014/30/EU as amended by directive 93/68/EEC • Machinery Directive 2006/42/EC only as the directives relate to the components being used in a safety function. • IEC/EN60947-1, IEC/EN60947-5-1. | |
Figure 1.
CABLE PULL SWITCH WITHOUT BROKEN CABLE DETECTION 2CPS SERIES
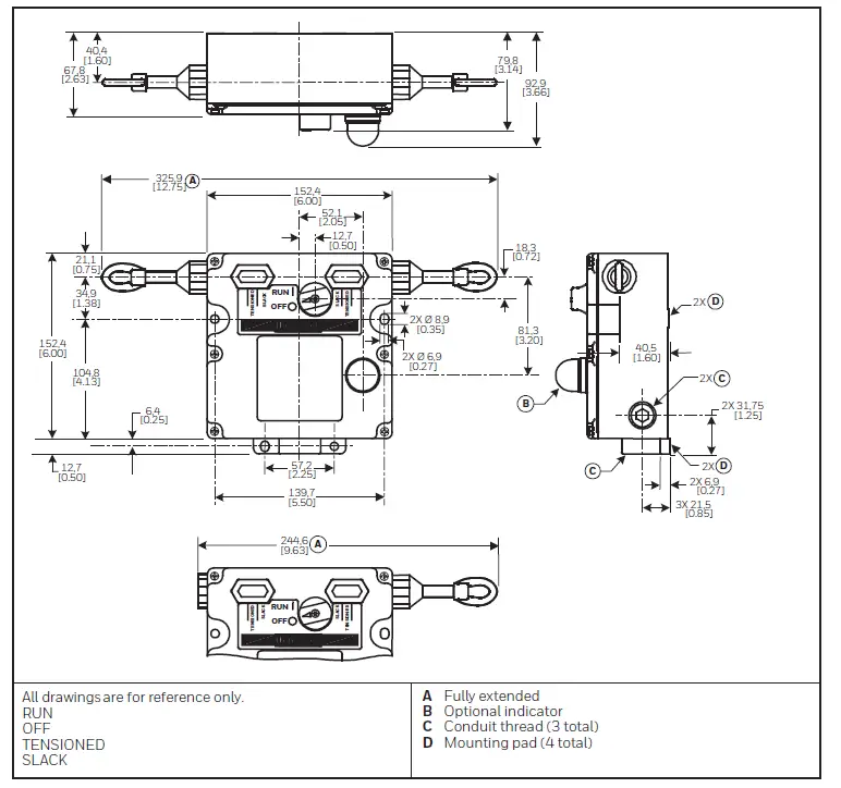
Figure 2. [mm/[in]
| TABLE 2. | ||
| Listing | Accessory (Available Separately) | |
| CLSZC1 | 7,6 m [25 ft] cable | |
| CLSZC2 | 15,2 m [50 ft] cable | |
| CLSZC3 | 30,5 m [100 ft] cable | |
| CLSZC4 | 45,7 m [150 ft] cable | |
| CLSZC5 | 61,0 m [200 ft] cable | |
| CLSZC7 | 76,2 m [250 ft] cable | |
| CLSZTC | • (2) Thimbles • (2) Low-profile duplex cable clamps | |
|
CPSZK1 | • (1) J-hook turnbuckle with lock nuts • (2) Thimbles • (2) Low-profile duplex cable clamps | • (16) Sets of cable supports (16) 1/4-20 eye bolts (32) 1/4-20 nuts (32) flat washers (16) lock washers |
| CPSZTB | (1) J-hook turnbuckle with lock nuts | |
| CPS-BRACKET | (1) Mounting bracket | |
| CPSLED24 | (1) 24 Vdc multicluster LED | |
| CPSLED120 | (1) 120 Vac multicluster LED | |
CABLE PULL SWITCH WITHOUT BROKEN CABLE DETECTION 2CPS SERIES
Figure 3.
Figure 4.
- 0, 46 m [18 in] maximum
- 2,4 m [8ft] maximum
- 76 m [250 ft] maximum
Cable Pull Switch Without Broken Cable Detection 2CPS Series Installation Instructions | sps.honeywell.com/ast | 5
Figure 5.
- J-hook turnbuckle
- Thimble
- Cable clamp
- Cable support (eyebolt)
- Tension indicator line is in center of indicator
- Reset knob
- Tension indicator line is in center of indicator window –right cable is properly tensioned
- Thimble
- Cable clamp
- Cable
FOR MORE INFOR MORE INFORMATION
HoneyHoneywell Advwell Advanced Sanced Sensingensing technologies services its auspices its customer through a worldwide netthrough a worldwide network of saleswork of sales offices and disoffices and distributors. Ftributors. For application or application as assistance, current specifications, pricing stance, current specifications, pricing or the nearesor the nearest At Authorized Disuthorized Distributortributor,, visit visit our website our website or call or call::
USUSAA/Canada /Canada +1 302 613 4491+1 302 613 4491
WARRANTY/REMEDY
Honeywell warrants goods of its manufacture as being free of defective materials and faulty workmanship. Honeywell’s standard product warranty applies unless agreed to otherwise by Honeywell in writing; please refer to your order acknowledgement or consult your local sales office for specific warranty details. If warranted goods are returned to Honeywell during the period of coverage, Honeywell will repair or replace, at its option, without charge those items it finds defective. The forego-ing is buyer’s sole remedy and is in lieu of all other warranties, expressed or implied, including those of merchantability and fitness for a particular purpose. In no event shall Honeywell be liable for consequential, special, or indirect damages.
While Honeywell may provide application as-sistance personally, through our literature and the Honeywell web site, it is up to the custom-er to determine the suitability of the product in the application.
Specifications may change without notice. The information we supply is believed to be accu-rate and reliable as of this printing. However, we assume no responsibility for its use.
Honeywell PK 80169 CABLE PULL SWITCH WITHOUT BROKEN CABLE DETECTION



















