Honeywell 50017382 Micro Switch GKN Series Instruction Manual
WARNING
IMPROPER INSTALLATION
- Consult with local safety agencies and their requirements when designing a machine-control link, interface, and all control elements that affect safety.
- Strictly adhere to all installation instructions.
Failure to comply with these instructions could result in death or serious injury.
MOUNT, WIRE, SEAL, AND TEST SWITCH
WARNING
IMPROPER OPERATION
- Ensure key travels to the given minimum insertion distance to ensure switch contact transfer.
- Ensure key travels to maximum extraction distance to ensure correct operation of the positive break mechanism.
- Do not exceed 50 N [11.2 lb] actuation force.
- Do not use the key as a stop for the door.
Failure to comply with these instructions could result in death or serious injury.
- Refer to:
- Page 6 for specifications.
- Page 7 for switch mounting.
- Ensure proper clearance for switch and key at mounting location.
- Align switch and key together before mounting.
- Mount switch and key:
- Torque switch to mounting surface: 1,0 N m-1,4 N m [9 in lb-12 in lb] using M5 screws
- Torque key to mounting surface: 1,0 N m-1,4 N m [9 in lb-12 in lb] using M4 or M5 screws
- Care should be taken to ensure that all mounted hardware cannot become detached during the operational lifetime in the intended application
- Refer to circuit diagram on switch housing. Diagram depicts safety switch when key is inserted.
- Remove screws on cover plate.
- The three conduit openings have been molded using knockout. Break out the conduit opening required for use.
- Connect stranded wire (0,75 mm2 to 2,5 mm2, 18 AWG14 AWG) or solid wire (0,75 mm2 – 1,5 mm2, 18 AWG16 AWG) to connector terminals (Use copper wire only, minimum 75 °C rated):
- Torque switch terminal screws: 0,8 N m to 1,0 N m [7 in lb-9 in lb] M3
- Torque connector to secure cable to switch enclosure (if required): 1,8 N m to 2,2 N m [16 in lb-19 in lb]
- Seal conduit opening according to instructions in PK 80112.
- Reassemble cover plate with cover screw. Torque to 0,40 Nm to 0,50 Nm [3.5 in-lb to 4.5 in-lb].
- Perform functional tests:
- Open and close protective guard several times to confirm key slides easily into switch head
- Open and close protective guard several times to confirm switch contacts transfer (change state) in each state
- Confirm the normally closed contacts open when protective guard is open
- Confirm hazardous motion does not start when protective guard is open.
| Designation and Utilization Category | Rated Operational Current Ie (A) at Rated Operational Voltage Ue (V) | ||||||||
| 120 Vac | 125 Vdc | 240 Vac/250 Vdc | 600 Vac | ||||||
| AC15 | A600 | 6 A | – | 3 A | 1,2 A | ||||
| DC13 | Q300 | – | 0,55 A | 0,27A | — | ||||
| Rated thermal current (Ith) | 10 A | Sealing | IP67; NEMA 1, 4X indoor use only, 12, 13 | ||||||
| Rated impulse withstand (Uimp) | 2500 V | Pollution degree | 2 (micro-environment, inside enclosure); 3 (macro-environment, installation environment) | ||||||
| Rated insulation voltage (Ui) | 600 V | Operating temperature range | -25 °C to 70 °C [-13 °F to 158 °F] | ||||||
| Short-circuit protective device (type/ maximum rating) | Class J fuse (10 A/600 V) | Storage temperature range | -40 °C to 85 °C [-40 °F to 185 °F] | ||||||
| Conditional short-circuit current | 1000 A | Expected mechanical life | 500,000 operations | ||||||
Complies with:
| |||||||||
| MCTF (Mechanical Life): >1,000,000 cycles with single-sided confidence limit of 100 % MCTF (Electrical Life): >25,000 cycles with single-sided confidence limit of 75 % Highest SIL Capability: SIL3 (HFT:1), IEC 61508-2: 2010; Proof Test Interval: 1 Year | |||||||||
| Designation and utilization category Rated operational current Ie (A) at rated operational voltage Ue (V) Rated thermal current (Ith) Rated impulse withstand (Uimp) Rated insulation voltage (Ui) Short-circuit protective device (type/maximum rating) Conditional short-circuit current Operating temperature range Complies with:
MCTF (Mechanical Life): >1,000,000 cycles with single-sided confidence limit of 100 % | |||||||||
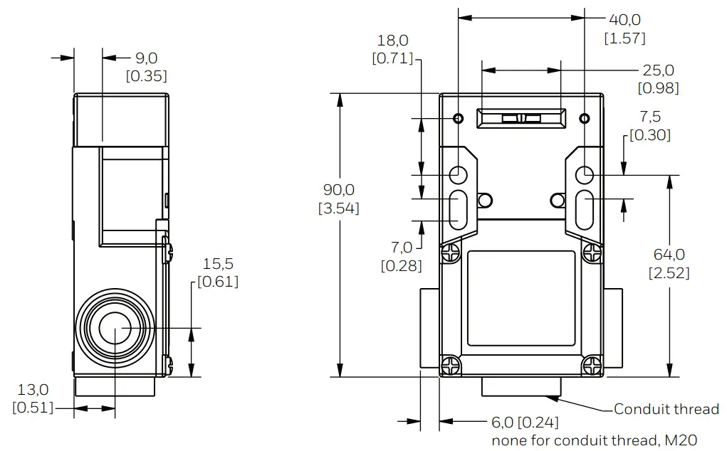
MOUNTING DIMENSIONS (MM/IN)


PART NUMBER TREE

CIRCUIT AND TRAVEL DIAGRAMS
Switch Code 21 – 2 NC/1NO BBM

Switch Code 30 – 3 NC

SWITCH ORDER GUIDE (ACTIVE LISTINGS)
| Catalog Listing | Description |
| GKNA21 | 3 contact door interlock safety limit switch;1/2 in NPT conduit; 2NC/1NO (BBM) |
| GKNA30 | 3 contact door interlock safety limit switch; 1/2 in NPT conduit; 3NC |
| GKNC21 | 3 contact door interlock safety limit switch; M20 x 1.5 conduit; 2NC/1NO (BBM) |
| GKNC30 | 3 contact door interlock safety limit switch; M20 x 1.5 conduit; 3NC |
KEY ORDER GUIDE (ACTIVE LISTINGS)
| Catalog Listing | Description |
| GKZ41 | Straight key |
| GKZ42 | 90° key |
| GKZ43 | Left-right adjustable key |
| GKZ44 | Up-down adjustable key |
| GKZ45 | Multidirectional key |
| GKZF1 | Funnel key |
SWITCH ORDER GUIDE (ACTIVE LISTINGS)
| Catalog Listing | Min. Actuating Radius |
| GKZ41 | min. R 160 [6.30] |
| GKZ42 | min. R 160 [6.30] |
| GKZ43 | min. R 32 [1.26] |
| GKZ44 | min. R 45 [1.77] |
| GKZ45 | Moveable max. 18 degrees |
| GKZF1 | min. R 160 [6.30] |
Warranty
Honeywell warrants goods of its manufacture as being free of defective materials and faulty workmanship during the applicable warranty period. Honeywell’s standard product warranty applies unless agreed to otherwise by Honeywell in writing; please refer to your order acknowledgment or consult your local sales office for specific warranty details.
If warranted goods are returned to Honeywell during the period of coverage, Honeywell will repair or replace, at its option, without charge those items that Honeywell, in its sole discretion, finds defective. The foregoing is buyer’s sole remedy and is in lieu of all other warranties, expressed or implied, including those of merchantability and fitness for a particular purpose. In no event shall Honeywell be liable for consequential, special, or indirect damages.
While Honeywell may provide application assistance personally, through our literature and the Honeywell web site, it is buyer’s sole responsibility to determine the suitability of the product in the application.
Specifications may change without notice. The information we supply is believed to be accurate and reliable as of this writing.
However, Honeywell assumes no responsibility for its use.
Email: [email protected]
Internet: sensing.honeywell.com
Asia Pacific
+65 6355-2828
+65 6445-3033 Fax
Europe
+44 (0) 1698 481481
+44 (0) 1698 481676 Fax
Latin America
+1-305-805-8188
+1-305-883-8257 Fax
USA/Canada
+1-800-537-6945
+1-815-235-6847
+1-815-235-6545 Fax
Honeywell Advanced Sensing Technologies
830 East Arapaho Road
Richardson, TX 75081
sps.honeywell.com/ast
TORX® is a registered trademark of the Camcar Corp. division of Textron Inds
Teflon™ is a registered trademark and a brand name owned by Chemours
50017382-12-ML | 12 | 06/21
© 2021 Honeywell International Inc. All rights reserved.




















