EDILKAMIN Lilia Plus Pellet Stove

Dear Sir or Madam,
thank you for choosing our LILIA PLUS stove.
Before using your stove, please read this booklet carefully: it explains how to get the most from all its features in complete safety.
Please remember that the 1st ignition must be carried out by the Dealer, which verifies the installation and completes the guarantee.
The manufacturer cannot be held liable for any damage which may derive from using the stove after incorrect installation, incorrect maintenance or misuse.
SAFETY INFORMATION
- The stove is designed to heat the room it is installed in by radiation and by air movement from the front grilles. The heat is generated by automatic pellet combustion in the firebox.
- The only risks which may derive from use of the stove are linked with non-compliance with the installation instruc-tions, direct contact with live electrical parts (inside) or with the fire or hot parts (glass, pipes and hot air outlet), and the introduction of foreign substances. Only use pellets as fuel.
- If components fail, the stove is fitted with safety devices which turn it off. This must be allowed to happen without interference.
- For correct operation, the stove must be installed in compliance with the instructions on this technical sheet and the door must not be opened while running: combustion is managed automatically so no manual operations are needed. Never put foreign substances in the firebox or hopper.
- Do not use flammable products to clean the smoke duct.
- Firebox and hopper components must only be cleaned using a vacuum cleaner.
- The glass must be cleaned when COLD with a special product (e.g. GlassKamin) and cloth.
- Do not clean when hot.
- Make sure the stove is installed and ignited by the Dealer, which must also complete the guarantee and take responsi-bility for correct installation.
- During stove operation, the outlet pipes and door reach high temperatures.
- Do not keep objects which are not able to withstand heat in the immediate vicinity of the stove.
- NEVER use liquid fuels to light the stove or rekindle the embers.
- Do not block ventilation openings in the room where the stove is installed or air inlets in the stove itself.
- Do not get the stove wet, and do not put wet hands near electrical parts.
- Do not fit reducers on the smoke outlet pipes.
- The stove must be installed in a suitable place as regards fire safety, and provided with all the facilities (power supply and outlets) it requires for correct safe operation.
- Before carrying out any maintenance, disconnect the device from the mains power supply.
- Should ignition fail, DO NOT re-ignite until you have emptied the combustion chamber.
DECLARATION OF CONFORMITY
The undersigned EDILKAMIN S.p.A. with registered office at Via Vincenzo Monti 47 – 20123 Milan – Fiscal codes P.IVA 00192220192
Declares under its own responsibility as follows:
The wood pellet stoves specifi ed below is manufactured in accordance with the 89/106/CEE Directive (Construction Products) WOOD PELLET STOVES, trademark EDILKAMIN, called LILIA PLUS
- MODEL: LILIA PLUS
- YEAR OF PRODUCTION: Ref. data tag plate
- SERIAL NO: Ref. data tag plate
Compliance with the 89/106/CEE Directive is also determined by compliance with the European standard:
EN 14785:2006 as shown in test report 400404 issued by:
KIWA GASTEC ITALIA S.P.A. Notifi ed Body NB 0694 and by documentation submitted to KIWA GASTEC ITALIA S.p.a.
The undersigned also declares as follows:
the LILIA PLUS pellets stoves complies with the requirements of the following European directives:
2006/95/CEE – Low voltage directive
2004/108/EEC – Electromagnetic compatibility directive
EDILKAMIN S.p.a. declines all responsibility for malfunction of the equipment in the event of substitution, assembly and/or alterations of any sort carried out by personnel not working for or authorised by EDILKAMIN S.p.a.
OPERATING PRINCIPLE
LILIA PLUS is a pellet burning stove which manages pel-let combustion electronically.
The fuel (pellets) is taken from the storage hopper (A) and delivered to the combustion chamber (D) by a screw feeder (B) driven by a gearmotor (C).
The pellets are ignited by hot air produced by a heating element (E) which is drawn into the combustion chamber by a centrifugal fan (M).
The combustion smoke produced is drawn out of the fire-box by the same centrifugal fan (M), and expelled from the outlet (F) at the bottom rear of the stove.
Air is blown into the hollow space at the back of the fire-box by a fan (G), where it is heated before coming out into the room from the front grille (I).
The amount of fuel and the smoke extraction/combustion air supply are controlled by an electronic circuit board (N) in order to achieve highly efficient fuel consumption. There is a display-control panel (L) and two knobs on the front panel under the door which allow all operating sta-ges to be managed and displayed.
The same functions may also be managed by remote control (optional).
The pellet hopper is at the top of the stove.
The hopper is filled through a lid found at the back of the top.
The internal structure of the stove is completely made of cast iron.
A serial port is found at the back of the stove (optional cable: code 620550) to be connected to devices that allow remote ignition (e.g. remote telephone, local thermostat). The external covering is available in the following colours and materials:
- ceramic apricot, wine-red, grey and cream;
- soapstone
- grey steel.
NOTES on fuel.
The LILIA PLUS pellet stove is designed and programmed to burn wood pellets with 6 mm diameter.
Pellets are small 6 mm diameter (approx.) fuel cylinders made from sawdust and ground waste wood pressed at high pressure without adhesives or other foreign material.
In order NOT to jeopardize stove operation, do NOT burn other substances. The use of other materials (including wood), which can be detected by laboratory analyses, invalidates the guarantee.
EdilKamin has designed, tested and programmed its stoves to perform best with pellets with the following characteristics:
- diameter: 6 – 7 millimetres
- maximum length: 40 mm
- maximum moisture content: 8%
- heat output: 4300 kcal/kg (at least)
If pellets with different characteristics are used, the stove will need recalibrating (similar to the initial calibration car-ried out by the TAC – technical assistance centre – upon 1st ignition).
Use of unsuitable pellets may lead to: a decrease in efficiency; operating anomalies; stoppages due to clogging, dirty glass, unburnt fuel, etc.
Pellets may be simply analysed just by looking at them.
- Good: smooth, regular lengths, not very dusty.
- Poor-quality: with horizontal and vertical splits, a lot of dust, highly variable lengths and mixed with foreign matter.
| TECHNICAL AND HEATING SPECIFICATIONS | ||
| Hopper capacity | 15 | kg |
| Efficiency | 89,2 | % |
| Available power | 3,4 / 8,0 | kW |
| Time between refuellings (min/max) | 7,5 / 17 | hours |
| Fuel consumption | 0,9 / 2,0 | kg/h |
| Test EN14785 smoke outlet temperature | 174,9 | °C |
| Mass flow | 5,5 | g/s |
| CO Emissions (13% O2) | 71 | ppm |
| Heatable room dimensions* | 210 | m3 |
| Weight including packaging | 157 | kg |
| Smoke duct diameter (A male) | 80 | mm |
| Air intake duct diameter (B male) | 40 | mm |

The heatable room dimensions are calculated on the basis of pellets with a lhv of at least 4300 kcal/kg and home insulation in compliance with Italian law 10/91, and subsequent changes together with an expected heat output of 33 Kcal/m³ per hour.
It is also important to consider the location of the stove in the room to be heated.
N.B.
- Bear in mind that external devices may cause interference.
- Caution: live parts. Servicing and/or inspections must be carried out by qualified staff.
| ELECTRICAL SPECIFICATIONS | ||
| Power supply | 230Vac +/- 10% 50 Hz | |
| 0/1 switch | yes | |
| Average power consumption | 150 | W |
| Power consumption during ignition | 400 | W |
| Remote control frequency (optional) | infrared | |
| Protection on mains power supply * | 2A, 250 Vac 5×20 Fuse | |
| Electronic circuit board protection | 2A, 250 Vac 5×20 Fuse | |

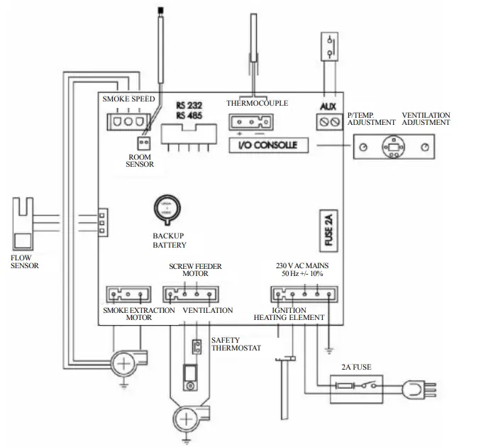
SAFETY DEVICES
THERMOCOUPLE: on the smoke outlet.
It measures the smoke temperature.
It controls the ignition, operating and shutdown stages according to the parameters set.
AIR FLOW SENSOR: on the intake duct. It trips when the flow of combustion air is not correct, therefore causing low pressure problems in the smoke circuit.
SAFETY THERMOSTAT:
It trips if the temperature inside the stove is too high. It stops pellet loading, thus causing the stove to go out.
FUSE
Two fuses are inserted on the socket behind the stove, fitted with a switch one is functional and the other is spare. 
SERIAL PORT 
The Dealer can install an optionnal on the AUX outlet (clean contact on the pins) for controlling the process of switching on and off (e.g. telephone remote, local thermostat), located at the rear oh the stove. Can be connected via special optional trestle (code 620550).
BACKUP BATTERY
A backup battery is found on the control board (3-Volt CR 2032 battery). Its malfunction is indicated with the follo-wing messages: (not considered a defect but due to nor-mal wear-and-tear): ERR 1 – ERR 2. For more detailed information, please contact the DEALER who has perfor-med the first 1st ignition.
ASSEMBLY AND INSTALLATION (Dealer)
Refer to the local regulations in the country of use for anything not expressly shown. In Italy, refer to UNI standard 10683/2005, along with any regional or local health authority regulations. If the stove is to be installed in a block of flats or jointly owned property, consult the administration before installing.
COMPATIBILITY CHECK WITH OTHER DEVICES
The stove must NOT be installed in the same room as extractor fans, type A and B gas equipment, or devices which lower the pressure in the room (refer to Italian standard UNI 10683/2005).
ELECTRICAL CONNECTION CHECK (the plugg must be in an accessible place)
The stove is fitted with an electrical power cord for connection to a 230 V 50 Hz socket, preferably protected with a ther-mal-magnetic circuit breaker. Voltage variations of greater than 10% may impair stove operation (if not already instal-led, fit a suitable residual current circuit breaker). The electrical system must comply with the law; in particular make sure the earth circuit is in working order. The power supply line must have a suitable cross-section for the equipment rating. An inadequate earthing system can cause anomalies for which Edilkamin cannot be held liable.
FIRE SAFETY DISTANCES AND LOCATION (fig. 4 p. 18)
For correct operation the stove must be level. Check the load-bearing capacity of the floor. The stove must be installed in compliance with the following safety conditions:
- minimum safety distance at the sides and back from medium-level flammable materials: 40 cm
- easily flammable materials must not be located less than 80 cm from the front of the stove
- if the stove is installed on a flammable floor, a sheet of heat insulating material must be placed between the stove and the floor, which protrudes by at least 20 cm at the sides and 40 cm at the front.
- If it is impossible to comply with the distances given above, technical/building measures must be taken to avoid all fire risks.
- If the smoke outlet pipe is connected to walls made of wood or other flammable materials, it must be insulated with ceramic fibre or other materials with similar characteristics.
AIR INTAKE
The room where the stove is located must have an air intake with cross section of at least 80 cm2 to ensure replenishment of the air consumed by combustion.
Alternatively, the stove air may be taken directly from outside through a 4 cm steel extension of the pipe. In this case, there may be condensation problems and it is necessary to protect the air intake with a grille, which must have a free section of at least 12 cm2. The pipe must be less than 1 metre long and have no bends.
It must end with a section at 90° facing downwards or be fitted with a wind guard.
SMOKE OUTLET
- The stove must have its own smoke outlet (it must not discharge into flues shared with other devices).
- The smoke leaves the stove through the 8 cm diameter pipe at the back.
- A T-section with condensation trap and bleeder must be fitted at the beginning of the vertical section.
- The stove smoke outlet must be connected with the outside using suitable steel pipes, without obstructions.
The pipe seals must be air-tight. Material that withstands up to 300°C (silicone or high temperature mastic) must be used to seal and insulate the pipes (if necessary). - The only horizontal section allowed may be up to 2 m long. It may have up to two 90° bends.
- If the smoke outlet does not end in a flue, a vertical section with wind guard at the end is essential (refer to UNI standard 10683/2005). The vertical duct section may be indoor or outdoor.
- If the smoke duct is outdoor, it must be insulated.
If the smoke duct ends in a flue, the flue must be authorized for solid fuel. If it is more than 150 mm in diameter, it must be renewed by inserting an internal pipe and sealing the smoke outlet from the brickwork. - All sections of the smoke duct must be inspectable. If it is fixed, cleaning inspection openings must be provided. Possible installations are shown in figures 1 and 2 on p. 18.

- A: insulated steel flue
- B: 1.5 m minimum height
- C-E: air intake from inside room (minimum internal section: 80 cm2)
- D: steel flue, inside existing brick-built chimney

COVERING ASSEMBLY
If the side ceramic tiles vibrate during operation, you can apply the gasket supplied by following these instructions:
- Loosen the fastening screws found under the tiles of the cast iron top and the 2 screws of the rear panel
- Move the cast iron top sideways, leaving enough space for the ceramic tiles to pass
- Carefully remove the ceramic tiles from the sides, ensuring not to damage them
- Cut 4 pieces of about 3 cm from the 8 x 1 black adhesive gasket (cod. 188140), supplied with the documentation, and apply them to the back of the ceramic tiles in the positions shown in the figure, indicated by an *.
- Insert the ceramic tiles in place
- Put the cast iron top back into its central position and fasten the screws previously removed
Covering parts list: 
- side tiles (4 pcs)
- side aluminium panels (4 pcs)
- cast iron top
- pellet hopper cover
- top tiles (2 pcs)
- front ceramic tile (75)
After positioning the frame according to the instruc-tions shown in the INSTALLATION INSTRUC-TIONS chapter, proceed as follows in the order shown:
- remove the 8 screws found under the top tiles (14) and the 2 rear panel screws (49);
- lift the top up 2/3 cm (15) and move it slightly to the right, enough to insert the two side tiles (11) into the aluminium bars (12-13);
- move the top (15) to the left, enough to insert the two side tiles (11) into the aluminium bars (10-13);
- put the top (15) back in the middle and replace the previously removed screws;
- put the two upper tiles (14) in place.
Lastly, open the door, unscrew the round-head
self-tapping screws which fix the cast iron rear support (73) to the structure, and remove it.
Now fasten the front ceramic insert with silicone (75) to the previously removed support.
Repeat the steps in reverse order to put the support (73) back on the structure. 
INTERFACE
Right wheel
For power adjustment during manual operation and temperature adjustment during automatic operation. The opera-ting mode may be set using the MENU key on the central panel. The display shows the power or temperature set. Left wheel
For room air flow adjustment, which in any case cannot be set lower than the minimum necessary to ensure cooling of the internal stove parts.
Panel 0/1 button
To turn the stove on or off and quit time programming (prog).
Panel MENU key
For switching the stove from manual to automatic operation and vice versa, and entering time programming mode (prog). “+” and “-” panel keys
For moving around in time programming mode (prog). 
Display unit messages
- Ac: ignition stage (flame appearance)
- Ar: second ignition stage (flame stabilizing) before the operating stage
- Of: shutdown stage (10 minutes)
- P1 or P2 or P3: power level set
- 8-29: temperature set for automatic operation
- H1..H7: stoppage problem identification number (see p. 23)
- Pu: automatic combustion chamber cleaning under way
- hh: motor stopping; wait a few tens of seconds before entering other commands.
When the stove is on standby, this flashes to show the mode it will restart in and when.
OPERATION
Before ignition.
1st Ignition: contact your Dealer, to calibrate the stove according to the pellets used and conditions of use. The first few times the stove is ignited there may be a slight smell of paint, which disappears rapidly. Before ignition, check:
- The stove has been installed correctly (see pages 17-18) The power supply
- The door is closed
- The combustion chamber is clean.
- The display shows standby (flashing power or temperature)
Hold the 0/1 key down for at least two seconds: the stove will automatically start loading pellets to start combustion (the display shows Ac). No flames appear for the first few minutes.
Ac changes into Ar when the flame appears.
SCREW FEEDER LOADING
If the pellet hopper empties completely, press the + and – keys together to fill the screw feeder.
This must be done before igniting the stove again if it has shut down due to running out of pellets.
It is normal for a few pellets to be left in the hopper, which the screw feeder is not able to pick up.
IGNITION
Automatic ignition
Hold the 0/1 key down for two seconds with the stove on standby to start the ignition procedure. Ac appears on the display for a few minutes (the ignition procedure does not actually take a preset time: it is automatically shortened if the electro-nics detect that certain tests are passed). The flame appears after about five minutes. It is normal for a little smoke to be seen in the combustion chamber before the flame appears. “Ar” appears on the display until the flame stabilizes.
Manual ignition
At temperatures of less than 3°C (too low for the heating element to glow) or if the heating element is temporarily out of order, a firelighter may be used for ignition. Put a piece of well lit firelighter in the combustion chamber, close the door and press 0/1.
Operating modes
(when the stove is working, press the MENU key to switch between modes)
Manual: adjust the working power (from P1 to P3 with the right wheel) and the ventilation (with the left wheel). Automatic: set the temperature which the room is to reach; the stove automatically adjusts the working power to reach it (P3) or maintain it (P1).
If you set a lower temperature than current room temperature, the stove operates at P1 and consumes the corre-sponding quantity of pellets.
Note on flame variability
Any variations in the state of the flame depend on the type of pellet used, the normal variability associated with solid fuels and the periodic automatic combustion chamber cleaning (which does NOT replace the essential cold vacuum-cleaning by the user before ignition).
Switching off
Hold the 0/1 key down for two seconds while the stove is operating. The shutdown procedure starts and the word “Off” appears on the display (for a total of 10 minutes).
During shutdown:
- Pellet loading ceases.
- Ventilation turns up to maximum.
- The smoke expulsion motor turns up to maximum. Never unplug the stove while it is shutting down.
WEEKLY TIME PROGRAMMER BUILT INTO PANEL
The concept of the weekly time programmer built into the central panel It is possible to set 3 ignition programmes:
- Pr 01 with settable on and off times;
- Pr 02 with settable on and off times;
- Pr 03 with settable on and off times.
It is possible to enable one or more of the three settings on each day of the week (day1 = Monday, day2 =Tuesday…day7 = Sunday).
When on standby, the display alternates between showing the ignition mode (P1, P2, P3 or a temperature) and the clock.
Setting the clock
Hold the MENU key down for about two seconds until tS appears. Press the MENU key three times until Prog appears. Press the “-” key until SEt appears. Press the MENU key until the clock appears. It may be changed with the “-” key, which decreases the time by one minute each time it is pressed, and with the “+” key, which increases it by 15 minutes each time it is pressed. Once the time is set, confirm with the MENU key. The day number appears (day1=Monday, day2=Tuesday… day7=Sunday), which can be changed with the “-” and “+” keys. Confirm with the MENU key. Prog appears. Press the 0/1 key to quit clock setting.
Enabling programmes
Hold the MENU key down for about two seconds until tS appears. Press the MENU key three times until Prog appe-ars. Press the “+” key until Pr OF appears. Press the MENU key until OFF appears. Press the “+ ” or “-” key until ON appears. Confirm with the MENU key. Prog appears. Press the O/1 key to return to standby. When the stove is in Pr mode, it responds to programmed on and off times.
Setting a programme (e.g. Pr01)
Hold the MENU key down for about two seconds until tS appears. Press the MENU key three times until Prog appe-ars. Press the “+” key twice until Pr1 appears. Press the MENU key until On P1 appears together with the “on time”. It may be changed with the “+” and “-” keys in ten-minute intervals. Press the MENU key to confirm. OfP1 appears together with the off time. This may be changed with the “+” and “-” keys in ten-minute intervals. Press MENU to confirm. “Of d1” appears (which means program 1 is not enabled on day 1, Monday). This may be changed into Ond1 (which means program 1 is enabled on day 1, Monday) using the “+” and “-” keys.
Press MENU to move on to the second day, and so on until day 7.
Press the MENU key again and Prog appears. To quit programming press the 0/1 key.
On and off times may be set for Pr 2 and Pr 3 in a similar way, and it can be decided which days they are enabled on.
REMOTE CONTROL code 633280 (optional)
: ignition / shutdown button
: button to increase the power/operating temperature (when inside a menu, it increases the displayed variable)
: button to increase the power/operating temperature (when inside a menu, it decreases the displayed variable) A : button to toggle from manual and automatic mode
: button to toggle from automatic to manual mode
The remote control transmits by means of an infrared signal within a range of 4-5 metres. The LED transmission signal must be in line with the receiving LED of the stove for the signal to be transmitted correctly. This must also be in a free-field environment, therefore, free of obstacles.
The remote control works with 3 alkaline 1.5V AAA batteries. Their duration depends upon usage, however, the ave-rage duration is that of an entire season.
When a button is pressed, the backlight goes on, which indicates that the remote control is transmitting the signal. The “beep” emitted by the stove confirms its reception.
The remote control must be cleaned with a damp cloth and no detergents or liquids must be sprayed onto it. In any case, use neutral detergents which are free from aggressive substances.
Handle the remote control with care. It could easily break if dropped, due to its size.
Moreover, all operations implemented from the synoptic panel can also be implemented from the remote control.
- The operating temperature is: 0-40°C
- The correct storage temperature is :-10/+50°C
- Operating humidity is: 20-90% R.H with no condensation
- Degree of protection is: IP 40
- Weight of remote control with batteries: 160gr
(Performed solely by the Dealer): An infrared remote control is easily identified through radio transmission as it has its transmission LED at the tip. Refer to photo “A” below. 
INFORMATION FOR USERS
In accordance with Art. 13 of the Legislative Decree No. 151, dated 25 July 2005, “Implementation of Directives: 2002/95/EC, 2002/96/EC and 2003/108/EC, pertaining to the reduction of hazardous substances used in electrical and electronic equipment, as well as disposal of waste”.
The crossed-out wheeled bin symbol shown on the equipment or on the packaging indicates that the product must be disposed of separately at the end of its useful life.
Therefore, at the end of the equipment’s useful life, the user must hand in the equipment to suitable collection faci-lities for electrical and electronic waste, or return it to the retailer when a new, equivalent appliance is purchased in a ratio of one to one.
ADVICE IN THE EVENT OF PROBLEMS
| PROBLEM | CAUSE | SOLUTIONS |
| display-control panel off | no mains voltage | make sure the power cord is connected check the fuse (on the power socket) |
| remote control (optional) not working | excessive distance from stove | move nearer to stove |
| outlet air not hot | too much soot in heat exchanger | clean heat exchanger from inside the firebox |
| no flame appears (remember that it only appears 5 minutes after pressing the 0/1 key) | the screw feeder has not been filled | fill screw feeder (see ignition paragraph) |
| ignition failure | build up of unburnt material in combustion chamber | clean combustion chamber |
| the ignition/off does not start at the time required | incorrect setting: clock programme enabling programme enabling for the day | check according to the instructions on page 22 |
| ERR 1- ERR 2 appears on the display | backup battery is drained, inside the control board | replace the backup battery |
POSSIBLE CAUSES OF SHUTDOWN
If the stove shuts down, the reason is shown on the display.
- H1 no depression: problem connected with air circulation;
- H2 smoke expulsion motor failure;
- SF (H3) flame stop;
- AF (H4) ignition failed;
- H5 power failure stoppage;
- H6 thermocouple failure or disconnection;
- H7 excessive smoke temperature.
The message is displayed until the 0/1 key on the panel is pressed.
Do not restart the stove until the problem has been looked into and the cause removed.
To start the stove up again after a shutdown, let the shutdown procedure end (10 minutes marked by a beep) then press the 0/1 key.
Never unplug the stove while it is shutting down owing to problems. It is important to report what the panel says to the Dealer.
Advice for each of the cases mentioned above is shown on the next page.
The chimney pots and smoke ducts connected to solid fuel devices must be brushed once a year (check whether there are regulations on the subject in the country of installation). If inspection and regular cleaning are not carried out, the probability of a chimney pot fire increases. In the event of a chimney pot fire, proceed as follows:
do not use water to extinguish; empty the pellet hopper; contact specialist staff after the accident before starting up again.
DVICE IN THE EVENT OF PROBLEMS
H1) No Depression (this trips if the flow sensor detects insufficient combustion air flow)
Air flow may be insufficient because the door is open, the door does not close properly (e.g. bad seal), there is an air intake or smoke extraction problem, or the combustion chamber is clogged.
Check:
- door closure;
- combustion air intake duct (clean, paying attention to the flow sensor components);
- clean the flow sensor with dry air (like that used for PC keyboards);
- stove location: it must not be installed against a wall;
- combustion chamber position and cleanliness (clean regularly according to the type of pellet);
- smoke duct (clean);
- installation (if it does not comply with regulations or the smoke outlet has more than 2-3 bends);
- flow sensor threshold (SF in the parameters) (only by the Dealer).
If you suspect the sensor is malfunctioning, carry out cold tests. If the conditions are changed (for example by opening the door) and the value does not change, there is a sensor problem. The no depression alarm may also occur during ignition, since the flow sensor starts monitoring 90 seconds after the ignition cycle begins.
(H2) Smoke expulsion motor failure (this trips if the smoke extraction speed sensor detects a fault)
- Check smoke extractor operation. (Performed solely by the Dealer)
- Check speed sensor connection. (Performed solely by the Dealer)
- Make sure the smoke duct is clean
SF (H3) Flame stop (this trips if the thermocouple detects a smoke temperature lower than the value set, which it interprets as the absence of flames)
There may be no flames because:
- there are no pellets;
- too many pellets have smothered the flames;
- the maximum temperature thermostat has tripped (this is very unusual since there would be an excessive smoke temperature).
AF (H4) No start (this trips if no flames appear and the start-up temperature is not reached within a maximum of 15 minutes)
There are two distinct cases:
| the flame does NOT appear | Flames appear, but AF appears on the display after Ar |
| Check: – combustion chamber position and cleanliness; – arrival of combustion air in the combustion chamber; – if the heating element is working; – room temperature (if lower than 3°C use a firelighter) and damp. Try to light with a firelighter. | Check: (only by the Dealer) – if the thermocouple is working; – start-up temperature setting in the parameters. |
(H5) Power failure stoppage
Check the electrical connection and for voltage drops.
(H6) Thermocouple failure (this trips if the thermocouple fails or is disconnected) (only by the Dealer).
Check connection between the thermocouple and the circuit board.
Check operation with cold tests.
(H7) Excessive smoke temperature (shutdown due to excessive smoke temperature)
Excessive smoke temperature may be caused by:
the type of pellet, smoke extraction fault, blocked duct, incorrect installation, or gearmotor “drift”.
Err. 1 – Err. 2
The heating stove will not stop, but this message appears on the display. The buffer battery on the pcb must be replaced.
SERVICING
Regular maintenance is essential for good stove operation.
FAILURE TO CARRY OUT MAINTENANCE LEADS TO FORFEITURE OF THE GUARANTEE
Before carrying out any maintenance, disconnect the device from the mains power supply.
DAILY CLEANING
Clean with a vacuum cleaner. The whole process takes a few minutes a day. USING A VACUUM CLEANER when the stove is cold:
- Vacuum-clean the door, vacuum-clean the hearth and vacuum-clean the space around the combustion chamber where the ash falls (there is no extractable ash pan).
- Remove the combustion chamber or clean it with a scraper, and unblock any blocked holes on all sides.
- Vacuum-clean the combustion chamber compartment, clean touching edges and replace the combustion chamber.
- If necessary clean the glass (when cold).
NEVER loosen the Allen screws inside the firebox: the loader will fall.
NEVER VACUUM-CLEAN HOT ASH, since it may damage the vacuum cleaner. After a few months use dry air (PC keyboard type) to clean, with the stove switched off, the flow sensor in the combu-stion air intake pipe.
EMPTY THE HOPPER AND VACUUM-CLEAN THE BOTTOM IF THE STOVE IS NOT IN USE, and in any case every 15 days.
EVERY SEASON (by the Dealer)
- General internal and external cleaning.
- Carefully clean the heat exchange pipes.
- Clean/check the exhaust pipes.
NEVER loosen the Allen screws inside the firebox: the loader will fall.
- Carefully clean and descale combustion chamber and corresponding compartment.
- Clean fan and mechanically inspect play and fastenings.
- Clean smoke duct (replace gasket on smoke outlet pipe).
- Clean smoke extractor fan compartment, clean flow sensor and check thermocouple.
- Clean, inspect and descale ignition heating element compartment and change the heating element itself if necessary.
- Clean/check display-control panel.
- Visually inspect electric cables, connections and power cord.
- Clean pellet hopper and check screw feeder-gearmotor assembly play.
- Change door seal.
- Test screw feeder loading, ignition, operation for ten minutes and shutdown.
If the stove is used frequently, it is advisable to clean the smoke duct every 3 months.
OPTIONAL EXTRAS
REMOTE CONTROL (code n. 633280)
It is possible to buy a remote control to turn the stove on and off and adjust it remotely.
Refer to instructions on page 22.
REMOTE IGNITION BY TELEPHONE (code n. 281900)
The stove may be turned on remotely by phone (code 620550) by having a Dealer connect a dialler to the electronic circuit board (AUX port).
TRESTLE Aux port connection (code 620550).
REMEMBER TO VACUUM THE COMBUSTION CHAMBER BEFORE EACH IGNITION Should ignition fail, DO NOT re-ignite until you have emptied the combustion chamber. 






















