AIR UCR-UCF 67 Inch Low-Profile Undercounter Refrigerator
Instruction Manual
FOR
WTR/WTF UCR/UCF
SPE/DP SERIES
This cooler has passed the
QUALITY CONTROL INSPECTION
And meets the high standards at Beverage-Air
This inspection includes the complete refrigeration system, cabinet construction & finish.
IMPORTANT
PLEASE RETAIN IT FOR YOUR RECORDS
SALES OFFICE: 3779 CHAMPION BLVD., WINSTON – SALEM, S.C. 27105
PHONE: (336) 245-6400 TOLL FREE 1-800-845-9800
TECHNICAL SERVICE: 1-800-684-1199
PARTS ORDER FAX: 1-800-262-9381
CORPORATE OFFICE: WINSTON-SALEM, NC
MANUFACTURING FACILITY: BROOKVILLE, PA.
BEVERAGE-AIR
REFRIGERATORS-DP/WTR/UCR: 46, 67, 93, 119 -SP/WTR/UCR: 27, 48, INSTALLATION AND OPERATING INSTRUCTIONS
REFRIGERATORS – DP/WTR/UCR: 46, 67, 93, 119 – SP/WTR/UCR: 20, 27, 34, 48, 60, 72 FREEZERS-UCF/WTF27A, UCF/WTF 48A
INSTALLATION
a. Receiving Inspection
Upon receipt, check all packages for accessories or optional components, including legs, ca stars, and shelves.
b. Door Handles
Remove the door handle from the bag inside the cabinet and install it on the outside of the door. The screw heads must be filled with NSF-listed RTV.
c. Shelves
Shipped inside each cabinet are plastic-wrapped shelves and a bag of shelf supports. Shelf spacing is adjustable to suit requirements.
d. Pilasters
(SP/WTR/UCR: 27, 48, 60, 72)
(SP/WTR/UCR: 20, 27, 34, 48, 60, 72)
The pilasters can be removed, without the use of tools, for cleaning.
e. Legs & Casters
Ea ch cabinet is provided with four legs or ca stars ship inside the cabinet. The legs or casters screw directly into an adapter nut provided in each corner of the base.
f. Locating Cooler
Provide at least two inches of space between the cabinet rear and adjacent wall.
OPERATION
a. Electrical Supply and Connections
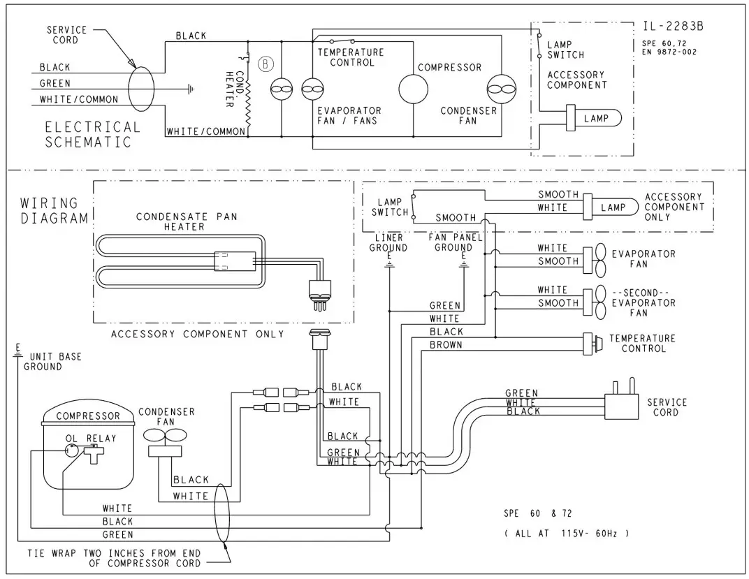
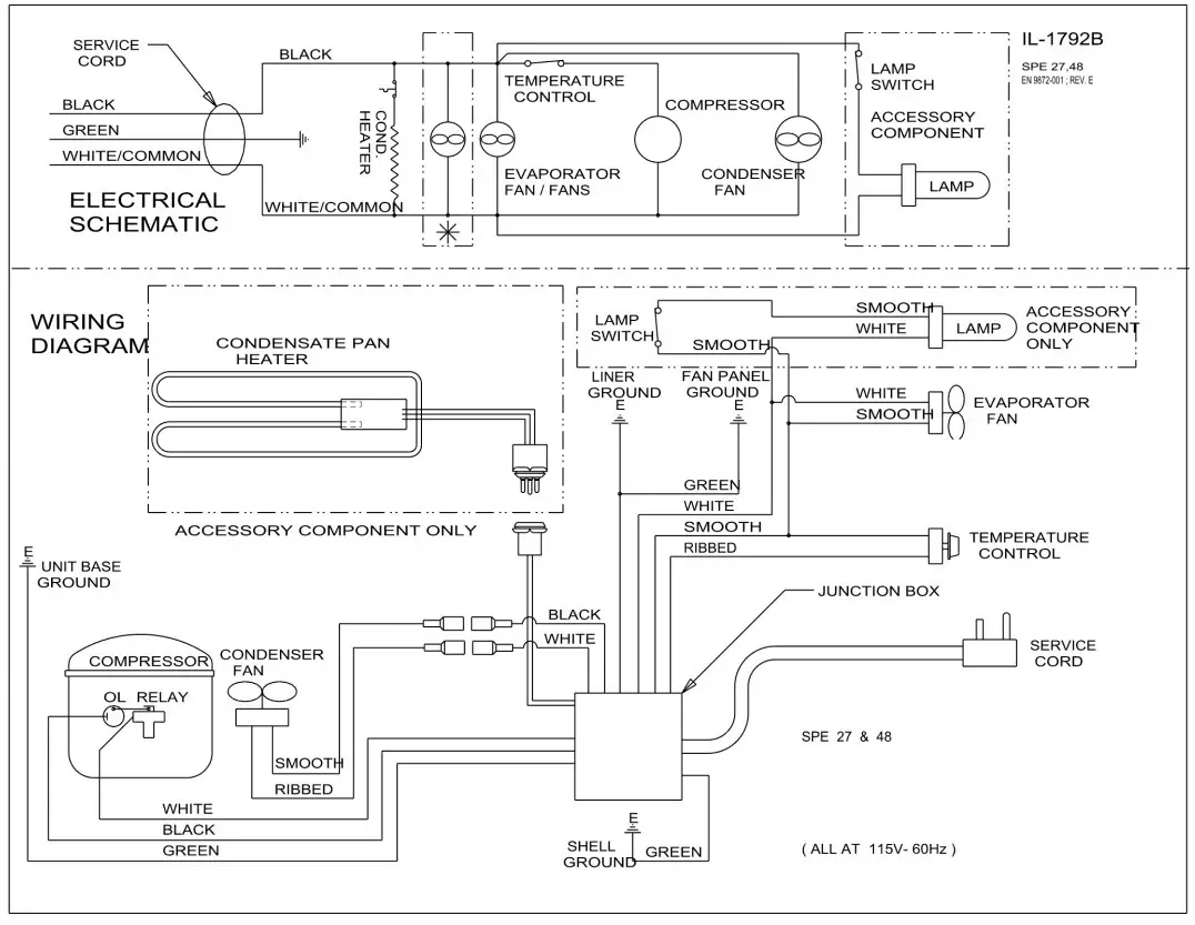
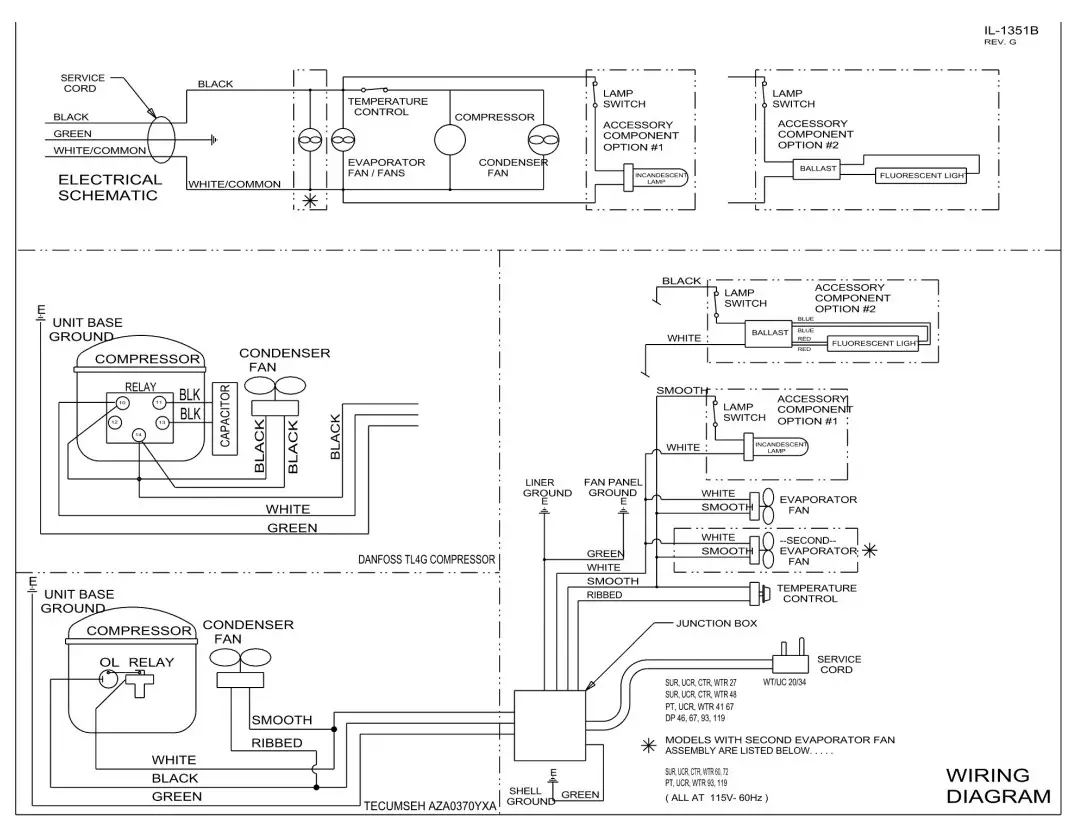
Plug all standard models into 115 volts AC 60-Hertz outlet. Low line voltage is often the cause of service complaints. Check to see that the line voltage is 110 volts or more with the unit running. Other motors or heavy appliances should not be used on the same circuit as the cooler. When working on the inside of the cooler, disconnect from the electrical circuit for safety reasons. CAUTION: If an extension cord is necessary, use only a three-wire grounding type of wire size 16 AWG or larger. DO NOT exceed 20 ft. in length. The use of ungrounded cords or overload circuits voids the compressor warranty.
b. Initial Start-Up
Turn the power on and check to verify that the condenser fan is running.
c. Temperature control
The factory setting of temperature control for a refrigerator is No. 5 position (normal) which will maintain the product at a pproximately 38 °F. The factory setting for a freezer is No. 5 position (normal) which will m maintain the product at approximately 0 °F. For colder temperatures, turn the knob clockwise one number a t a time.
Excessive tampering with temperature control could lead to service difficulties. For operation above 3000 ft. altitude, have the thermostat adjusted by a qualified service technician.
d. Condensate Disposal
The aluminum pan below the evaporator serves to collect and direct the condensate to the evaporator pan located below the unit. Airflow over the pan hastens condensate evaporation so that external drain plumbing is not required.
e. Freezer Defrost System
Defrost timers are factory set for (6) twenty-minute defrosts per 24-hour period. The start e for defrosting should be set to occur during the lightest usage of the cabinet. Choose to defrost at the time desired and turn to adjust the cam until defrost is activated. Def rost will then occur every four hours. The adjusting cam is located on the face of the evaporator housing.
CLEANING
a. Cleaning Cabinet Exterior
Cabinets should be cleaned with a solution of mild soap and water. Do not use caustic soap or brass e cleaners, since these might damage the cabinet finish. If the stainless steel surface becomes discolored, scrub by rubbing only in the direction of the finish grain. Do not use steel wool.
b. Cleaning Interior Surfaces
The inside of the cabinet is Anodized Aluminum. To clean, use mild soapy water and a cloth or sponge.
c. Condenser
For efficient operation, it is recommended that the condenser coil and fans be cleaned every 3 to 6 months. Remove the rear grille for access. Vacuum clean the front surface of the coil thoroughly or direct forced air through condenser fins. Failure to clean the condenser can cause compressor malfunction and will void the warranty.
d. Condensate Pan
Condensate pan should be cleaned periodically to prevent odors and to maintain evaporating efficiency.
Drawer installation and removal instructions.
Drawer models are shipped to customers with drawers already installed in cabinets.
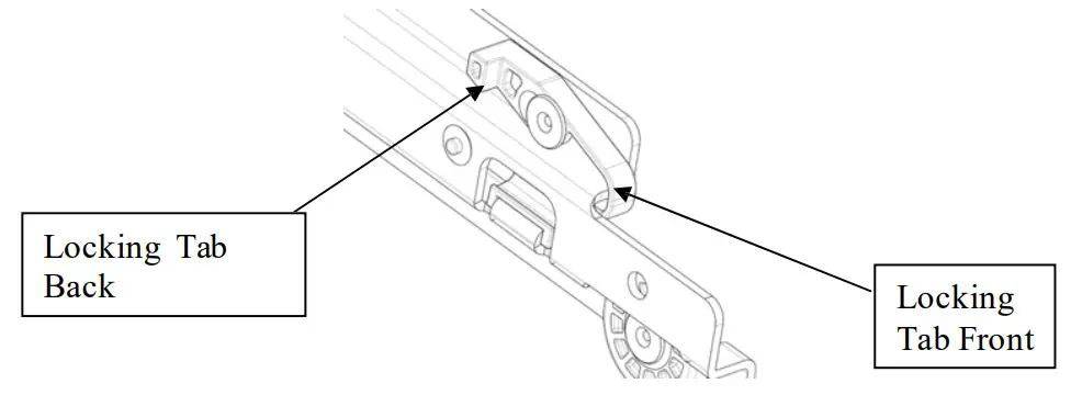
Beverage air drawers are designed with slides that have a locking mechanism to prevent drawers from coming off cabinets during normal opening and closing operations.
Drawers and slides can be removed from a cabinet for cleaning purposes. To remove a drawer from a cabinet, follow these instructions –
- Open the drawer to full extension.
- Push the white locking tabs forward on both sides of the drawer.
- Press down the back of the tabs.
- Slide the drawer out of the cabinet.

- To remove the sliding member (middle slide), press the metal tab up and slide it out.
- To reinstall the sliding member, press the metal tab up and slide it in.

- To reinstall the drawer back, push the locking tab forward and press the back of the tab down.
- Align the drawer slide members and move slide members.
- Slide the drawer in and lock the slide by pushing the front of the locking tab down and in.
SHELF CLIP INSTALLATION

INSTALLATION INSTRUCTIONS
- DETERMINE THE PROPER LOCATION FOR SHELF CLIPS. THE REFERENCE NUMBERS ON THE PILASTER CAN SERVE AS A GUIDE TO ENSURE ALL CLIPS ARE PROPERLY LOCATED.
- INSERT THE TOP TAB OF THE SHELF CLIP INTO THE DESIRED HOLE OF THE PILASTER.
THE RETAINING TAB SHOULD BE FACING UPWARDS AS SHOWN. - ROTATE THE CLIP DOWNWARDS AND INSERT THE BOTTOM TAB INTO THE APPROPRIATE
HOLE IN THE PILASTER. THE CLIP MAY NEED TO BE SQUEEZED SLIGHTLY DURING INSTALLATION. - INSTALL ALL REMAINING CLIPS AS DESCRIBED ABOVE.
- INSTALL SHELVES ONTO CLIPS WITH THE PRODUCT RETENTION BAR FACING UPWARD.
BE CAREFUL NOT TO DISLODGE CLIPS DURING SHELF INSTALLATION. - SHELVES MUST BE PLACED SUCH THAT THE RETAINING TAB ON THE SHELF CLIP CAPTURES THE SHELF AS SHOWN.
- PRIOR TO LOADING THE SHELF, ENSURE THAT THE SHELF IS RESTING ON EACH OF THE 4 CLIPS AND THAT THE CLIPS ARE INSTALLED AS SHOWN.
WARNING
- IMPROPER SHELF CLIP INSTALLATION MAY CAUSE THE SHELF AND/OR PRODUCT TO FALL RESULTING IN DAMAGE TO THE UNIT AND BODILY INJURY.
- DO NOT OVERLOAD THE SHELVES. THE UNIT IS DESIGNED TO UTILIZE ALL SHELVES THAT ARE SUPPLIED IN AN EQUALLY SPACED MANNER. IF FEWER SHELVES OR A DIFFERENT CONFIGURATION IS DESIRED, CONTACT THE MANUFACTURER TO ENSURE SHELF OVERLOADING WILL NOT OCCUR.
SPE/UCR-UCF/WTR-WTF MODELS
REAR BUMPER INSTALLATION INSTRUCTIONS 
BUMPERS AND SCREWS ARE INCLUDED IN THE ZIP-LOCK BAG
- REMOVE (1) SCREW FROM EACH END OF THE TOP REAR. (DISCARD SCREW)
- ATTACH THE BUMPERS AT THESE LOCATIONS, USING THE LONGER SCREWS THAT WERE SUPPLIED.
NOTE: FAILURE TO INSTALL BUMPERS WILL VOID THE COMPRESSOR WARRANTY



METHODS FOR CLEANING STAINLESS STEEL
Routine Cleaning
Stubborn spots and stains, baked-on splatter, and other light discoloration.
Heat tint or heavy discoloration
Burnt-on foods and grease, fatty acids milestone (where swabbing or rubbing is not practical)
Hard water spots and scale.
CLEANING AGENT*
Soap, ammonia or detergent, and water
Revere Ware cleaner, Twinkle, or Cameo stainless steel cleaner.
Goddard’s Stainless Steel Care, Revere Ware Stainless Steel Cleaner, Soft-Scrub.
Household cleaners, such as Old Dutch, Zud, Bon Ami, Ajax, Comet
Revere Ware Stainless Steel Cleaner, Goddard’s Stainless Steel Care.
Easy-Off Oven Cleaner
Vinegar
METHOD OF APPLICATION**
Sponge with a cloth, then rinse with clear water and wipe dry.
Apply with a damp sponge or cloth. Rub with a damp cloth.
Apply with a damp sponge or cloth.
Rub with a damp cloth.
May contain chlorine bleaches. Rinse thoroughly after use.
Rub with a damp cloth.
Apply with a damp sponge or cloth.
Apply a generous coating.
Allow standing for 10 to 15 minutes. Rinse. Repeated application may be necessary.
Swab or wipe with a cloth.
Rinse with water and dry.
EFFECT ON FINISH
Satisfactory for use on all finishes.
Satisfactory for use on all finishes if rubbing is light.
Use in direction of polish lines.
Use in direction of polish lines. May scratch or dull highly polished finishes.
Excellent removal.
Satisfactory for use on all finishes.
Satisfactory for use on all finishes.
*Use of brand names is intended only to indicate a type of cleaner. This does not constitute an endorsement. Nor does the omission of any brand name cleaner imply its inadequacy. Many products named are regional in distribution and can be found in local supermarkets, department, and hardware stores.
**It is emphasized that all products should be used in strict accordance with instructions on the package.
- Use the mildest cleaning procedure that will do the job efficiently and effectively.
- Always rub in the direction of polish lines for maximum effectiveness and to avoid marring the surface.
- Use only a soft cloth, sponge, fibrous brushes, and plastic or stainless steel pads for cleaning and scouring.
- Rinse thoroughly with fresh water after every cleaning operation.
- Always wipe dry to avoid water marks.
- Never use common steel wool pads, these will cause rust!
SERVICE AND ANALYSIS CHART
REFRIGERATION SYSTEM
| MALFUNCTION | POSSIBLE CAUSE | SOLUTION |
| The compressor will not start – no hum | 1. Line co rd not plugged in. 2. Fuse removed or blown. 3. Overload protector tripped. 4. Temp control is stuck in the open position. 5. Wiring improper or loose. | 1. Plug in the cord. 2. Replace the fuse. 3. Refer to the electrical section. 4. Repair or replace the temp control. 5. Check wiring against the diagram. |
| The compressor will not start – hums but trips on the overload protector. | 1. Low voltage to the unit 2. Relay failing to close 3. Starting capacitor defective. 4. Improperly wired. | 1. Determine the reason and correct 2. Determine the reason and correct replacement if necessary 3. Determine the reason and replace 4. Check wiring against the diagram |
| The compressor starts but does not switch off the start winding. | 1. Low voltage to the unit. 2. Relay failing to open. 3. Run capacitor defective 4. Comp Mt winding is open or shorted | 1. Determine the reason and correct it. 2. Determine the reason and correct replacement if necessary. 3. Determine the reason and replace it. 4. Determine the cause, correct, and replace the comp |
| The compressor starts and runs, but short cycles on overload protect. | 1. Additional current passing through overload protector. 2. Low voltage to the unit. 3. Overload protector defective. 4. Run capacitor defective. 5. Excessive discharge pressure. 6. Compressor too hot – return gas hot. | 1. Check the wiring diagram. Check for added fan motors, pumps, etc. connected to the wrong side of the protector. 2. Determine the reason and correct it. 3. Check the current, and replace the protector. 4. Determine the reason and replace it. 5. Check ventilation, restrictions in the cooling medium, and restrictions in the refrigeration system. 6. Check refrigerant charge (fix the leak if necessary). Check air flow across the condenser. |
| Unit runs OK, but short cycles. | 1. Overload protector. 2. Cold control. 3. Overarge. 4. Air in the system. 5. Undercharge. | 1. Check wiring ding for correct wiring 2. Differential set too close. 3. Reduce refrigerant charge. 4. Recover and recharge. * 5. Fix the leak and recharge wi the refrigerant. |
| Unit operates long or continuously. | 1. Dirty condenser 2. Shortage of refrigerant 3. Temp control contacts stuck and frozen 4. Evaporator coil iced. 5. Restriction in the refrigeration system. | 1. Clean condenser 2. Fix leak, additional charge, correct charge 3. Replace the Temp control 4. Defrost 5. Determine the location and remove it. |
| Start capacitor open, shorted or blown. | 1. Relay contacts not opening properly. 2. Low voltage to the unit. 3. Improper relay. | 1. Replace relay 2. Determine the reason and correct it. 3. Replace. |
| Run capacitor open, shorted or blown. | 1. Improper capacitor. 2. Excessively high line voltage (110% of rated max). | 1. Determine the correct size and replace it. 2. Determine the reason and correct |
| Relay defective or burned out | 1. Incorrect relay. 2. Line voltage too high or too low. 3. Relay being influenced by loose vibrating mounting. | 1. Check and replace. 2. Determine the reason and replace it. 3. Remount rigidly. |
| Space temperature too high. | 1. Control setting too high. 2. Overcharged with refrigerant 3. Inadequate air circulation. | 1. Reset control. * 2. Recover refrigerant and recharge with the proper charge specified on the data plate. 3. Improve air movement. |
| Cooler freezing beverage. | 1. Temperature control | 1. Reset control. |
| Unit noisy. | 1. Loose parts or mountings. 2. Tubing rattle. 3. Bent fan blade causing vibration. 4. Fan motor bearings are worn. | 1. Find and tighten. 2. Reform to be free of contact 3. Replace the blade. 4. Replace the motor. |
REFRIGERATION SYSTEM
- REFRIGERATION SYSTEM
The Refrigeration System consists of a hermetically sealed compressor and finned evaporator and condenser. - CONDENSER
The condenser has wide finned spaces, which allow more air passage with less dirt or dust accumulation. The condenser still requires periodic cleaning for maximum efficiency. - CONDENSER FAN MOTOR
The condenser fan motor assembly is mounted between the condenser and the compressor. Air is drawn through the condenser, over the body of the compressor and out the rear of the unit compartment.
The motor is wired to cycle with the compressor but will continue to operate should the compressor cut out on the overload. (The motor is permanently lubricated; therefore, oiling is not required). - DRIER
The drier is installed in the system just before the capillary tube. Its purpose is to trap minute particles of foreign material and absorb any moisture in the system. - LIQUID CONTROL AND HEAT EXCHANGE
Liquid refrigerant control to the evaporator of the system is accomplished by the use of a capilla ry tube. This capillary tube is soldered to the suction line to form a heat exchanger which subcools the liquid refrigerant to maintain high efficiency within the system.
REFRIGERATION SERVICE - EVACUATION
Moisture in a refrigera tion system is directly or indirectly the cause of more problems and complaints than all other factors combined.
When large amounts of moisture are present, system freeze-ups will occur. Even in minute amounts, moisture will combine with refrigera nts to form acid. The corrosive action of this acid forms sludge, which will plug the lines and drier.
Since most field-type vacuum pumps cannot pull a low enough vacuum to remove all moisture from the system, it is recommended that the system be triple evacuated, breaking each time with dry refrigerant nitrogen. Use care to purge air from the charging hose when breaking the vacuum. - CHARGING REFRIGERATION SYSTEM
Since capillary tube systems have small critical refrigerant charges, we recommend that a field charge either be weighed in or put in from a portable charging cylinder. After maximum vacuum has been obtained as detailed above, attach the charging cylinder to the system line m a king sure to purge an ir from a hose with refrigerant. With the unit running, allow refrigerant to run slowly into the system until the desired charge is reached. When using Refrigerant Blends it is recommended to liquid charge into the high side of the system with the initial charge and then any remaining charge can be put into the suction side; however, care must be taken to meter the remaining mount into the low side so as not to cause excess liquid to go into the compressor.
OVERCHARGE
When the cabinet has pulled down to operating temperature, an indication of an overcharge is that the suction line will be cooler than normal with the compressor running. Running time will be higher than normal. The suction line will sweat or frost.
Reclaim excessive refrigerant from the system very carefully in sm ll mounts waiting several minutes for the system to balance.
UNDERCHARGE
An undercharge or shortage of refrigerant will result in any of the following:
- Lower than normal head pressure.
- Lower than normal suction pressure.
- Excessive or continuous operation of the compressor.
- Higher than normal cabinet temperature.
SERVICE RECORD
ALL SERVICING MUST COMPLY WITH STATE AND FEDERAL REGULATIONS
SALES OFFICE: P.O. BOX 5932, SPARTANBURG, SOUTH CAROLINA 29304
PLANTS: SPARTANBURG, SOUTH CAROLINA; HONEA PATH, SOUTH CAROLINA;
BROOKVILLE, PENNSYLVANIA
PHONE: 864-582-8111
TOLL FREE: 1-800-845-9800





















