Beverage-Air 809-173a Hydrocarbon UCR Refrigerators
WELCOME
Thank you for purchasing a Beverage-Air cabinet. This series has passed our strict quality control inspection and meets the high standards set by Beverage-Air! You have made a quality investment that with proper maintenance will give you many years of reliable service!
Please read the following installation and maintenance instructions before installing or using your unit. If you have any questions, Please call our Technical Service Department at (800) 684-1195. 8:00 AM to 5:00 PM EST.
Important Information
- PLEASE READ THESE INSTRUCTIONS CAREFULLY BEFORE INSTALLING OR USING, IF RECOMMENDED PROCEDURES ARE NOT FOLLOWED, WARRANTY CLAIMS MAY BE DENIED.
- Your warranty registration information is located with this manual. Please complete the card and submit it to Beverage-Air within TEN days of installation. Failure to properly register equipment may limit or void the warranty.
- Beverage-Air reserves the right to change specifications and product design without
notice. Such revisions do not entitle the buyer to corresponding changes, improvements, additions, or replacements for previously purchased equipment.
SAFETY
This appliance has been designed with your safety in mind. It has many features to keep you from being harmed. However, safe operation and maintenance are your responsibilities.
CAUTION
Use: When using this unit, please:
- Move it carefully. If on casters be sure the casters do NOT run over the power cord.
- Lock the casters when in use.
- Seek help. This machine is heavy! Be sure to move with enough help to avoid tipping or dropping the cabinet.
- Prevent children from playing in or on the cabinet. Persons unable to use this product must be prevented access.
- Follow all instructions. There are many safety labels and directions on the unit. Heed them.
- Watch your fingers. There may be pinch points near the door hinges.
Maintenance
Do NOT:
- Clean a frozen evaporator with a sharp object
- Clean a dirty condenser with a sharp object.
- Store gasoline, kerosene or any other flammable material near the cabinet.
Do ALWAYS
- Use a Beverage-Air recommended technician certified to repair R290 equipment.
- Use ONLY Beverage-Air factory service parts. Use of non OEM parts can be dangerous because of the design changes needed to safely use R290.
Important Information to Add
Record the model number, serial number and the date of installation here for future reference. The model and serial numbers are on the unit’s serial number dataplate, which is located on the left inside wall.
| Model Number | |
| Serial Number | |
| Date of Installation | |
| Purchased From |
IMPORTANT INFORMATION
This unit is intended to be used in a commercial application. That includes bars and restaurants.
If installed in a residence some commercial service companies may not be able to service it on site.
The manufacturer has designed and produced this machine with the finest in materials. The manufacturer assumes no liability for units that have been altered in any way. Alterations or part substitutions will void the warranty.
Limitations
The machine is designed for use indoors in a controlled environment. It must be kept dry, not overheated or subjected to excessive cold. May only be connected to a dedicated electrical circuit. Extension cords are not permitted.
| Minimum | Maximum | |
| Voltage | 104 | 127 |
| Room Air Temp | 60º F | 100º F |
Air Flow
Agency Approvals
These marks appear on the dataplate or serial tag, located in the inside of the left wall. The dataplate also contains the model and serial numbers as well as electrical requirements.
PRODUCT INFORMATION
| Model | Cabinet Dimensions w x d x h (Inches) | Door Type | Door or Drawer Count | Full Load Amps | Power Cord Plug (NEMA) | Refrigerant Type / Charge g /Charge oz |
| UCR20HC | 20 x 24 1/2 x 31 1/8 | Solid | 1 | 2 |
5-15P |
R-290 / 60 / 2.12 |
| UCR20HC-25 | 20 x 25 x 31 1/8 | Glass | 1 | 2 | ||
| UCR24HC | 24 x 29 7/8 x 34 5/8 | Solid | 1 | 2 | ||
| UCR24AHC | 24 x 32 x 34 5/8 | Solid | 1 | 2 | ||
| UCR24AHC-25 | 24 x 32 x 34 5/8 | Glass | 1 | 2 | ||
| UCR27HC | 27 x 29 7/8 x 34 5/8 | Solid | 1 | 2 | ||
| UCR27HC-25 | 27 x 32 1/2 x 34 5/8 | Glass | 1 | 2 | ||
| UCR27AHC | 27 x 32 x 34 5/8 | Solid | 1 | 2 | ||
| UCR27AHC-25 | 27 x 32 1/2 x 34 5/8 | Glass | 1 | 2 | ||
| UCRD27AHC-2 | 27 x 32 x 34 5/8 | Solid | 2 | 2 | ||
| UCR32AHC | 32 x 32 x 34 1/2 | Solid | 1 | 2 | ||
| UCR32AHC-25 | 32 x 32 5/8 x 34 5/8 | Glass | 1 | 2 | ||
| UCRD32AHC-2 | 32 x 32 x 34 5/8 | Solid | 2 | 2 | ||
| UCR34HC | 34 x 24 5/8 x 31 1/8 | Solid | 2 | 2 | ||
| UCR34HC-25 | 34 x 25 1/8 x 31 1/8 | Glass | 2 | 2 | ||
| UCR36AHC | 36 x 32 x 34 5/8 | Solid | 2 | 2 |
R-290 / 110 / 3.9 | |
| UCR36AHC-25 | 36 x 32 1/2 x 34 5/8 | Glass | 2 | 2 | ||
| UCRD36AHC-2 | 36 x 32 x 34 5/8 | Solid | 2 | 2 | ||
| UCR48AHC | 48 x 32 x 34 5/8 | Solid | 2 | 2.2 | ||
| UCR48AHC-25 | 48 x 32 1/2 x 34 5/8 | Glass | 2 | 2.2 | ||
| UCRD48AHC-2 | 48 x 32 x 34 5/8 | Solid | 2 drawers 1 door | 2.2 | ||
| UCRD48AHC-4 | 48 x 32 x 34 5/8 | Solid | 4 | 2.2 | ||
| UCR60AHC | 60 x 32 x 34 5/8 | Solid | 2 | 3 | ||
| UCR60AHC-25 | 60 x 32 1/2 x 34 5/8 | Glass | 2 | 3 | ||
| UCRD60AHC-2 | 60 x 32 x 34 5/8 | Solid | 2 drawers 1 door | 3 | ||
| UCRD60AHC-4 | 60 x 32 x 34 5/8 | Solid | 4 | 3 | ||
| UCR72AHC | 72 x 32 x 34 5/8 | Solid | 3 | 3 |
R-290 / 120 / 4.06 | |
| UCR72AHC-25 | 72 x 32 5/8 x 34 5/8 | Glass | 3 | 3 | ||
| UCRD72AHC-2 | 72 x 32 x 34 5/8 | Solid | 2 drawers 2 doors | 3 | ||
| UCRD72AHC-4 | 72 x 32 x 34 5/8 | Solid | 4 drawers 1 door | 3 | ||
| UCRD72AHC-6 | 72 x 32 x 34 5/8 | Solid | 6 drawers | 3 |
- All models will maintain product temperature between 35.5 and 40.5 degrees F. at the factory setting of 38.0F.
- All models are 115 volts, 60 Hz AC.
- ALWAYS REFERENCE YOUR EQUIPMENT DATA PLATE AMPS, REFRIGERANT AND REFRIGERANT CHARGE FOR THE MOST UP TO DATE AND ACCURATE VALUES.
- There are no access valves on the refrigeration system.
CLEARANCE AND PLACEMENT
Placement
Consider the following when selecting a location for your Refrigerator:
Clearance:
- 0o – Top
- 0″ – Left
- 0″ – Right
- 2″ – Rear
- 3″ – Below
Floor Load: the floor on which the Refrigerator is located must be even and level, free from vibrations, and strong enough to support the combined weights of the unit and maximum product load.
Ventilation: Grille area at front must be free and clear of any object or wall.
Power Outlet: Dedicated power outlet is located within the length of the unit’s power cord.
UNPACKING AND SET UP
Carefully inspect the shipping carton for damage. This is the only time that shipping damage may be claimed. If damage is suspected, open the carton immediately and, if there is damage, retain the carton and contact the shipper to make a claim. Do NOT contact the manufacturer.
Uncrating
Tools Needed: ¾” box wrench, adjustable wrench, level, flat head screw driver, and box cutter.
- First, remove the cardboard top capping, all clear tape, and all staples including those at the bottom of the cardboard carton and skid.
- Next, start from the top of the carton. Using the box cutter, carefully make one continuous cut to the bottom of the skid. Remove cardboard carton and discard.
- Then, move unit as close to final position as possible before removing the skid.
- Remove the brackets securing the unit to the skid.
Note: The skid must be removed before the casters or legs can be attached.
Do NOT tip unit on its front or sides. If tipped onto the back, unit must not be started for 3 hours.
Skid Removal and Caster Attachment
Tip the unit forward and remove the skid.
- Remove the shipping bolts using the ¾” box wrench while cabinet is held in one direction. Repeat the process while the cabinet is held in the opposite direction.
- None of the threads on the leg or caster stem should be visible once screwed in.
- Tilt the cabinet in one direction approximately 8” and block it securely with pieces of 2×4 lumber or other suitable material.
- Thread the stem casters or legs into the ½ -13 holes in the bottom of the cabinet. Tighten by hand as much as possible. Some models may already have levelers installed. If so, then the levelers will need to first be removed and discarded.
- Once the caster or leg cannot be turned any further, use a 3/4 inch wrench to tighten the nut in between the mounting plate and the wheel of the caster until snug.
- Repeat this procedure with unit secured in the opposite direction so as to access the remaining legs/casters/levelers
- If plate casters or legs are installed instead of stem casters or legs, then repeat step 3 above and secure the plate with either #14 AB screws, or ¼-20 screws, depending upon which are required.
- If levelers are employed, then repeat step 3 above and thread the leveler in place. Then repeat step 6.
Leveling:
- Cabinets must be leveled when installed. Level should be measured on the headrail.
- Failure to level your cabinet may result in door not sealing, closing correctly, or condensed water draining not draining properly.
- For cabinets with legs, rotate the foot of the leg with an adjustable wrench to achieve desired height for leveling.
- For cabinets with casters, leveling can be achieved by placing large washers in between the ½’ stud and the holes located on the bottom of the case.
Caution: Do NOT loosen casters to level the cabinet. Casters MUST be tightly secured to cabinet for full strength.
Install or attach any accessories that will be used Remove any plastic covering the stainless steel.
ELECTRICAL
This is a cord-connected unit, and must be connected to its own dedicated power supply. Check the dataplate on the machine to confirm the voltage and per the dataplate use the correct fuses or HACR circuit breakers.
Power Cord
This 115 volt model is equipped with a cord and 5-15P plug.
If the power cord becomes damaged, it must be replaced with the identical cord.
Follow All National and Local Codes
This unit must be grounded. Do not use extension cords and do not disable or by-pass ground prong on electrical plug.
GFCI
Units that utilize variable speed compressor technology can experience nuisance tripping on Class A GFCI outlets which have a trip limit of 4 to 6 mA. To avoid this issue in a location that requires GFCI circuit protection, Beverage-Air recommends using a HUBBELL Model Number GFRST83W 20A Heavy Duty Hospital Grade Self-Test GFCI Receptacle.
Initial Start Up
Plug the power cord into the proper power supply.
The cabinet will soon begin to blow warm air out of the bottom area, and the inside wall of the cabinet will begin to become cold.
The cabinet temperature has been set at the factory and should not need adjustment, however if it was changed, the standard setting is 38º F.
Cautions Care must be taken whenever moving or servicing the unit. The refrigerant is contained in a sealed system, but if released it may be flammable.
IMPORTANT NOTICE
This Cabinet Was Manufactured With Either A Danfoss™ Or Eliwell™ Brand Electronic Controller.
Identify Which Controller Is Present And Refer To The Information For That Controller.
USING THE UNIT – DANFOSS CONTROLLER
- The operation is simple, just keep it connected to the correct power supply and the refrigerator will maintain the internal temperature it has been set to. Keep the doors and / or drawers closed as much as possible to avoid unnecessary run time.
- The controller displays the current internal temperature.
- Adjusting the set temperature lower will NOT cause the system to lower the temperature faster. When on, the refrigeration system is always operating at maximum.
- The temperature was set at the factory at 38º F, but you can adjust it to your own selected temperature. 30 seconds after adjustment, the display automatically reverts to showing the current temperature.
- The Refrigerator will automatically defrost as needed, there is no set time for defrost. Push and immediately release the “melting” or defrost button for a manual defrost.
Note: Holding the defrost button in too long will shut the controller off . - The internal fan will be on when the compressor is on and when the doors are closed.
- The compressor and condenser fan motor will only be on when the controller senses an increase in internal cabinet temperature passed the set point.
- If equipped with glass doors, holding the SC button in will turn the cabinet light on or off .

In most cases the only thing displayed will be the cabinet temperature. When something other than normal operation has occurred, a message will be shown.
| Message Displayed | Why | What to do |
| dEF | Unit is defrosting | Nothing. Normal operation. |
| Hi | Cabinet temperature too warm | Confirm doors or drawers are closed. |
| dOr | Door is open | Close door, if message does not change, call for service. |
| LEA | Compressor run time too long | Check doors closed. If yes, call for service. |
| E01, E02, E03, E04 | Sensor unplugged or has failed | Call for service. |
SEQUENCE OF OPERATIONS REFRIGERATOR
The refrigerator operates based on the air temperature measured by the probe located at the return air.


Control Panel Display
Note: Defrost is manual, LED indicator is inoperative.
NOTE: When switched on, the instrument panel performs a lamp test for a few seconds.
Keyboard Functions
Note: When the controller is in a Standby Mode, a blue dot will be displayed as shown here. To switch out of Standby Mode, push and hold the Defrost button until the displahy reads ON.
CONTROL PANEL CONNECTIONS
Changing the Set point
The alarm condition is always signaled by the alarm icon
Press any button to silence the alarm, the relative icon will continue flashing.
How to Acknowledge Alarms:
NOTE: If alarm exclusion times are in progress (ALA folder of the parameter table), the alarm is not signaled.
USING THE UNIT- ELIWELL CONTROLLER
- The operation is simple, just keep it connected to the correct power supply and the refrigerator will maintain the internal temperature it has been set to. Keep the doors and/or drawers closed as much as possible to avoid unnecessary run time.
- The controller displays the current internal temperature. Adjusting the set temperature lower will NOT cause the system to lower the temperature faster. When on, the refrigeration system is always operating at maximum.
- The temperature was set at the factory at 35° F, but you can adjust it to your own selected temperature. 30 seconds after adjustment, the display automatically reverts to showing the current temperature.
- The refrigerator will automatically defrost as needed, there is no set time for defrost. Push and immediately release the “melting” or defrost button for a manual defrost.
- The internal fan will be on when the unit is plugged in.
- The compressor and condenser fan motor will only be on when the controller senses an increase in internal cabinet temperature passed the set point.
- If equipped with glass doors, pressing the down button in will turn the cabinet light on or off.

In most cases the only thing displayed will be the cabinet temperature. When something other than normal operation has
OCcurred, a message will be shown.
SEQUENCE OF OPERATIONS REFRIGERATOR
The refrigerator operates based on the air temperature measured by the probe located at the return air.

Controller Symbols

Controller Buttons
Alarms are always indicated by the buzzer (if present) and the alarm icon. To switch off the buzzer, press and release any
key, the relative icon will continue to flash.
NOTE: If alarm exclusion times have been set (see AL folder in the parameters table), the larm will not be signaled.
CLEANING AND MAINTENANCE
Daily Exterior Cleaning
It is much easier to clean on a regular basis than to have to remove stains once they have built up.
- Wash with a clean sponge and a mild detergent that does not contain chlorine.
- Rinse with clean water.
- Dry with a soft cloth.
- Polish with a soft cloth, wiping with the grain.
- Wipe weekly with stainless steel cleaner.
Weekly Interior Cleaning
- Remove all food, food related items. Store the food at a safe temperature.
- Disconnect power to the unit (unplug it or switch the breaker off).
- Remove all loose food particles from the inside walls, floor, door liner and ceiling.
- Scrub all interior surfaces and door gaskets with a warm (100oF to 110oF) detergent solution and a soft scrub brush.
- Rinse with clean water and allow to air dry.
- Restore power.
- Return food to the unit when it has reached a safe temperature.
CONDENSER CLEANING
Keeping the condenser coil clean is critical to efficient operation.
The condenser coil is located right behind the back grille of the cabinet. It should be inspected once a month and cleaned as required. Vacuum clean all surfaces of the condenser. Make sure no fins are bent or damaged in the process. If there are bent fins, carefully straighten them so that air can flow through the coils. Failure to keep the condenser coil clean will lead to poor performance, excessive power consumption and compressor failure and may result in loss of property. Failure to keep the condenser coil clean may void the limited warranty.
- Unplug unit from power supply.

- Remove the Phillips head screws at the top of the panel.
- Once the screws have been removed the you can lower the panel.
Please note the electrical cord will still be connected to the panel. - Examine condenser surface, if dusty, brush and vacuum the dust and lint from the surface of the coil. Brush up and down to avoid damaging the fins. Use care to not disturb the wires connected to the controller.
Note: If the coil is greasy, the coil will need to be cleaned with coil cleaner and that should be left to an experienced technician. - After the condenser is clean, return the grille panel to the unit.
- To reinstall the rear panel line up the bottom of the panel to the bottom of the unit keeping the screw holes lined up on the panel and on the unit.
- Reinstall the Phillips head screw.
- Note: Air filters are not recommended as they restrict the flow of cooling air.


METHODS FOR CLEANING STAINLESS STEEL
| Cleaning Needed | Cleaning Agent | Method of Application | Affect on Finish |
| Smears and fingerprints | Areal 20, Lac-O-Nu, Lumin Wash O’Cedar Cream Polish, Stainless Shine. | Rub with cloth as directed on the package. | Satisfactory for use on all finishes. Provides barrier film to minimize prints. |
|
Stubborn Spots and Stains, Baked-On Splatter, and Other Light Discolorations | Allchem Concentrated Cleaner. | Apply with damp sponge or cloth. Rub with damp cloth. |
Use in direction of polish lines on No. 4 (polished) finish. May scratch No. 2 (mill) and Nos. 7 and 8 (polished) finishes. |
| Samae, Twinkle or Cameo Copper Cleaner | Rub with damp cloth. | ||
| Grade FFF Italian pumice, whiting, or talc. | Rub with dry cloth. | ||
| Liquid NuSteel Paste NuSteel or DuBois Temp. Copper’s Stainless Steel Cleaner Revere Stainless Cleaner Household cleansers, such as Old Dutch, Lighthouse, Sunbrite, Wyandotte, Bab-O, Gold Dust, Sapolio, Bon Ami, Ajax, or Comet Grade F Italian Pumice, Steel Bright, Lumin Cleaner, Zud, Restore, Sta-Clean, or Highlite. Penny-Brite or Copper-Brite. | Use small amount of cleaner. Rub with dry cloth using a small amount of cleaner. Apply with damp sponge or cloth. Rub with a damp cloth. May contain chlorine bleaches. Rinse thoroughly after use. Rub with a damp cloth. Rub with a dry cloth using a small amount of cleaner. | ||
|
Heat tint or discoloration | Penny-Brite or Copper-Brite. Past NuSteel, DuBois Temp, or Tarnite. Revere Stainless Steel Cleaner. Allen Polish, Steel Bright, Tenacious Deposits, Rusty Discolorations, Industrial Atmospheric Stains Wyandotte, Bab-O or Zud. | Rub with a dry cloth. Rub with a dry cloth or stain- less steel wool. Apply with damp sponge or cloth. Rub with a damp cloth. | |
| Burnt-On Foods and Grease Fatty Acids, Milkstone (where swabbing or rubbing is not practical) | Easy-Off, De-Grease-It, 4 to 6% hot solution of such agents as trisodium phosphate or sodium tripolyphosphate or 5 to 15% caustic soda solution | Apply generous coating. Allow to stand for 10-15 minutes. Rinse. Repeated application may be necessary. |
Excellent removal, satisfactory for use on all finishes. |
| Tenacious Deposits, Rusty Discolorations, Industrial Atmospheric Stains | Oakite No. 33, Dilac Texo 12, Texo NY, Flash-Klenz, Caddy Cleaner, Turco Scale 4368 or Permag 57. | Swab and soak with clean cloth. Let stand 15 minutes or more according to directions on package, then rinse and dry. | Satisfactory for use on all finishes |
|
Hard Water Spots and Scale | Vinegar. 5% oxalic acid, 5% sulfamic acid, 5 to 10% phosphoric acid, or Dilac, Oakite No. 33, Texo 12, Texo N.Y. | Swab or wipe with cloth. Rinse with water and dry. Swab or soak with cloth. Let stand 10-15 minutes. Always follow with neutralizer rinse, and dry. | Satisfactory for all finishes. Satisfactory for all finishes. Effective on tenacious deposits or where scale has built up. |
HELP
| Trouble Diagnosis for the User | ||
| Malfunction | Possible Cause | Likely Solution |
| No cooling – unit is silent | Unit not plugged in. Fuse or circuit breaker tripped. Power cord plug loose in outlet. | Connect to proper voltage circuit Replace fuse or reset breaker. Check outlet for loose connection, replace as needed |
| Unit cools but seems to be on all the time | Dirty condenser | Clean condenser |
| Space temperature too high | Dirty condenser Evaporator iced over Unit in high temperature environment | Clean condenser Defrost unit Reduce temperature of room |
| Space temperature too low | Temperature control | Adjust or replace control |
| Trouble Diagnosis for the Technician | ||
| No cooling – compressor does not hum | Temp control stuck in open position | Replace temp control. |
| No cooling – compressor hums but does not start | Low voltage to unit. Compressor starting system failure | Check voltage, correct as needed. Check start relay and start capacitor. See next step. |
| No cooling – compressor starts but shuts off | Compressor start relay failure Compressor start capacitor failure | Replace relay. Replace capacitor. |
| No cooling – compressor cycles on and off | Overheating weak overload | Clean condenser, check fan motor and blade. Check refrigerant charge. Replace overload. |
| Unit cools but turns on and off frequently | No product in cabinet. Temperature control defective Refrigeration issue | Fill cabinet Replace control Have system checked |
| Makes excessive noise | Tubing rattle Loose parts Bent or broken fan blade Noisy fan motor | Check tubing for routing Check for loose components Replace fan blade Replace fan motor |
FOR THE SERVICE TECH – R290
Refrigeration service should only be attempted by a trained trade professional certified to work on R290 systems.
Here are some critical service items.
This list does not qualify anyone to service the unit. It is a reminder and checklist for the service tech. Keep these in mind for R290 service:
- Wire nuts are NOT to be used when changing an electrical part.
- The switches in this product are sealed, only exact replacements may be used.
- The process tubes are to be used for service access.
- Cut out (with tubing cutter) refrigeration components that are to be replaced. Do NOT un-braze.
- Because R290 can be vented into the air during service, the venting MUST be in an area free from flame or spark. It must also be in a well ventilated area, with a nearby open window or door.
- A sign noting service of a system containing propane must be attached to the unit during refrigeration service.
- A combustible gas leak detector must be used to inform anyone in the area when propane is present in the air.
Other Information:
Evacuation: It is critical that a refrigeration system be leak free and internally dry. A thorough evacuation with a good vacuum pump with a micron gauge attached is the only way to ensure that the system is dry and ready for a charge of refrigerant.
Charging: The system is critically charged and the proper type and amount MUST be weighed in.
Overcharge symptoms: Unit will cool properly but the suction line temperature will be unusually cold. Compressor run time will be longer than normal.
Undercharge symptoms: Long run time, poor cooling and a hot compressor dome are the main symptoms of an undercharge.
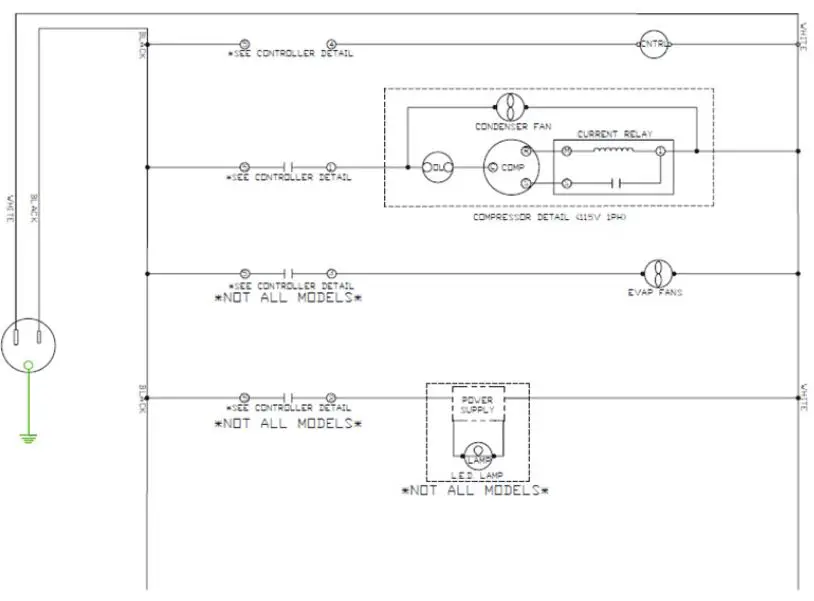
WIRING DIAGRAM
FOR THE SERVICE TECH – WIRING DIAGRAM DANFOSS CONTROLLER

FOR THE SERVICE TECH – WIRING DIAGRAM ELIWELL CONTROLLER

LIMITED WARRANTY
WARRANTY (Warranty valid in USA and Canada)
THREE (3) YEAR PARTS AND LABOR WARRANTY:
Beverage-Air Corporation warrants to the original purchaser of Beverage-Air branded equipment, including all parts thereof, that such equipment is free from defects in material and workmanship, under normal use, proper maintenance, and service as indicated by Beverage-Air installation and operation instructions, for a period of three (3) years from the date of installation, or thirty-nine (39) Months from the date of shipment from the manufacturer, whichever is earlier.
ADDITIONAL FOUR (4) YEAR COMPRESSOR PART WARRANTY*: In addition to the warranty set forth above, Beverage-Air warrants the hermetically/semi-hermetically sealed compressor (part only) for an additional FOUR (4) years beyond the first three (3) years warranty period; not to exceed eighty-seven (87) months from the date of shipment from Beverage-Air, provided upon receipt of the compressor, manufacturer examination shows the sealed compressor to be defective. This extended warranty does not cover freight for the replacement compressor or freight for the return of the failed compressor.
* Units shipped after 03/01/2020. Previous warranty applies to units shipped prior.
EXCEPTIONS:
CT96 Models carry a one (1) year parts and labor warranty, limited to fifteen (15) months from date of shipment
from Beverage-Air. These are excluded from additional compressor warranty.
SR/SF (Slate) models carry a two (2) year parts and labor warranty, limited to twenty-seven (27) months from date of shipment from the Beverage-Air.
Blast Chillers carry a three (3) year parts and labor warranty; additional two (2) years compressor part only.
Units installed in Residential applications will be not covered under this warranty. Units are intended for Commercial use only.
BEVERAGE-AIR
- Also, this extended compressor-part only warranty does NOT apply to any electrical controls, condenser, evaporator, fan motors, overload switch, starting relay, capacitors, temperature control, filter/drier, accumulator, refrigeration tubing, wiring harness, labor charges, or supplies which are covered by the warranty above.
- Normal wear type parts, such as light bulbs/lamps and gaskets are not covered by this warranty. For the purpose of this warranty, the original purchaser shall be deemed to mean the individual or company for who the product was originally installed.
- Our obligation under this warranty shall be limited to repairing or replacing, including labor, any part of such product, which proves thus defective. Beverage-Air reserves the right to examine any product claimed to be defective.
- The labor warranty shall be for self-contained units
only and for standard straight time, which is defined as normal service rate time, for service performed during normal working hours. Any service requested outside of
a servicer’s normal working hours will be covered under this warranty at the normal rate and any additional overtime rate will be at the responsibility of the equipment purchaser. - Any part or accessory determined to be defective in the product should be returned to the company within thirty (30) days under the terms of this warranty and must be accompanied by a record of the cabinet model, serial number, and identified with a return material authorization number (RMA#) issued by the manufacturer.
- Special installation/applications, including remote locations, are limited in coverage by this warranty. Any installation that requires extra work, and/or travel, to gain access to the unit for service is the sole responsibility of the equipment purchaser.
- Improper operation resulting from factors, including but not limited to, improper or negligent cleaning and maintenance, low voltage conditions, inadequate wiring, outdoor use (unless otherwise specified) and accidental damage are no manufacturing defects and are strictly the responsibility of the purchaser.
- With the exception of Blast Chillers product is designed for maintaining temperature and not bringing food to a desired temperature therefore cannot be held responsible for this function under warranty.
- Units must be in a conditioned environment or warranty will be void.
- Condensing coils must be cleaned at regular intervals. Failure to do so can cause compressor malfunction and will void warranty. Although cleaning requirements vary in accordance with operation of various products, Beverage-Air recommends a minimum monthly cleaning.
- NO CLAIMS CAN BE MADE AGAINST THIS WARRANTY FOR SPOILAGE OF FOOD. PRODUCTS, LOSS OF SALES OR CONSEQUENTIAL DAMAGES.
THE FOREGOING WARRANTIES ARE EXPRESSLY GIVEN IN LIEU OF ALL OTHER WARRANTIES, EXPRESS, IMPLIED, OR STATUTORY, INCLUDING THE IMPLIED WARRANTIES OF MERCHANTABILITY AND FITNESS FOR A PARTICULAR PURPOSE, WHICH ARE HERBY DISCLAIMED, ALL OTHER OBLIGATIONS OR LIABILITIES ON OUR PART, AND WE NEITHER ASSUME, NOR AUTHORIZE ANY OTHER PERSON TO ASSUME FOR US, ANY OBLIGATION OR LIABILITY IN CONNECTION WITH THE SALE OF SAID REFRIGERATION UNITS OR ANY PARTS THERE OF. - This warranty shall not be assignable and shall be honored only in so far as the original purchaser. This warranty does not apply outside the limits of the United States of America and Canada, nor does it apply to any part that has been subject to misuse, neglect alteration, accident, or to any damage caused by transportation, flood, fire, acts of terrorism, or acts of God.
LIMITATION OF LIABILITY:
Beverage-Air Corporation or its affiliates shall not be liable for any indirect, incidental, special or consequential damages, or losses of a commercial nature arising out of malfunctioning equipment or its parts components thereof, as a result of defects in material or workmanship.
THE ORIGINAL OWNER’S SOLE AND EXCLUSIVE REMEDY AND BEVERAGE-AIR’S SOLE AND EXCLUSIVE LIABILITY SHALL BE LIMITED TO THE REPAIR OR REPLACEMENT OF PARTS OR COMPONENTS CONTAINED IN THE EQUIPMENT IDENTIFIED ABOVE WHICH UNDER NORMAL USE AND SERVICE MALFUNCTION AS A RESULT OF DEFECTS IN MATERIAL OR WORKMANSHIP, SUBJECT TO THE APPLICABLE PROVISIONS AND LIMITATIONS STATED ABOVE.
Warranty Registration



























