700 Mini Gas Engine Trencher
User Manual
Read this owner’s manual carefully in its entirety before attempting to assemble this machine. Read, understand and follow all instructions on the machine before operation. Be completely familiar with the controls and the proper use of the machine before operating it. Keep this manual in a safe place for future and regular reference and for ordering replacement parts
![]()
This product picture is a schematic diagram, some details may not be exactly the same with the product you bought.
Instructions for Safety, Operation and Maintenance
To maximize the life of your machine, it needs to be serviced and maintained at every indicated month or operating hour interval, whichever comes first, in accordance with the below Schedules. Please note that failure to service your machine on schedule or use genuine parts and consumables will result in your warranty being void.
Engine Service & Maintenance Schedule
| Item | Checks/Work | Each Use | ipsiltrtvionth) | 50hrs (2nd Month) | 100hrs (6th Month) | 300hrs (Yearly) |
| Engine Oil | Check Leve | X | ||||
| Change | X(1) | X | ||||
| Air Filter | Check | X | ||||
| Clean | X(3) | |||||
| Replace | X(4) | |||||
| Sediment Cup | Clean | X | ||||
| Spark Plug | Check/Clean | X | ||||
| Replace | X | |||||
| Idle Speed | Check/Adjust | X(2) | ||||
| Valve Clearance | Check/Adjust | X(2) | ||||
| Fuel Tank Strainer | Check/Clean | X(2) | ||||
| Combuster Chamber | Inspect/Clean | X(2) | ||||
| Fuel Unes | Check | X(2) | ||||
| Engine Oil | lOw-30 | |||||
| Gasline fuel | #92 | |||||
Machine Service & Maintenance Schedule
| Item | Checks/Work | Each Use | Weekly | 20hrs (1st Month) | 50hrs (2nd Month) | 100hrs (6th Month) | 300hrs (Yearly) |
| Grease Main Bearing | Check Leve | X | |||||
| Fasteners Tension | Check | X | |||||
| Clean Machine | Clean | X | |||||
| Inspect Clutch | Check/Adjust | X(2) | |||||
| Drive Belt | Check/Adjust | X | |||||
| Replace | X(2) | ||||||
| All Other Moving Parts & Cables | Lubricate | X | X(2) |
1 – First service only, 2 = Should be carried out by your Dealer, 3 = May need to be done more often in dusty areas & 4 = Replace paper element only
Conventions used in this manual
| This indicates a hazardous situation, which, if not avoided, could result in death or serious injury. | |
| This indicates a hazardous situation, which, if not avoided, could result in minor or moderate injury. | |
| This information is important in proper using of your machine. Failure to follow this instruction could result in damage to your machine or property. |
Additional Information and Potential Changes
We reserve the right to discontinue, change, and improve its products at any time without notice or obligation to the purchaser. The descriptions and specifications contained in this manual were in effect at printing. Equipment described within this manual may be optional. Some illustrations may not be applicable to your machine. Neither the machine as a whole nor its internal components are intended for use in potential explosive atmospheres.
SPECIFICATIONS
| Item Number | 700 | ||||||
| Engine | RATO R210 | Loncin G200F | Briggs&Stratton XR950/CR950 | Kohler CH270 | Yamaha MX200 | Honda GX200 | Ducar DH212-X |
| Displacement | 212cc | 196cc | 208cc | 208cc | 192cc | 196cc | 212cc |
| New Power | 7hp | 6hp | 6.5 hp | 6.5hp | 6hp | 6.5hp | 7.5hp |
| General | |||||||
| Trench Capacity | 60m/hour | ||||||
| Trench Width | 100mm | ||||||
| Trench Depth | 150,250,340,450mm | ||||||
| Blade | 21 carbide alloy blades | ||||||
| Chain Length | 1600mm | ||||||
| Chain Speed(Max) | 550m/min | ||||||
| Tire | 145/7.0-6 | ||||||
| Overall Height | 900mm | ||||||
| Overall Length | 1760mm | ||||||
| Overall Width | 700mm | ||||||
| Weight | 136kgs | ||||||
| Noise | A-weighted sound power level LW(A)=112.4dB A-weighted Sound pressure LpA=88.8dB | ||||||
| Vibration Values | 12.38 m/s2 | ||||||
| Item Number | 1500 | ||||||
| Engine | RATO R420 | Loncin G420F(D) | Briggs&Stratton XR2100 | Kohler CH440 | Yamaha MX400 | Honda GX390 | Ducar DG420 |
| Displacement | 420cc | 420cc | 420cc | 429cc | 402cc | 389cc | 420cc |
| New Power | 15hp | 15hp | 13.5hp | 14hp | 12.8hp | 13hp | 15hp |
| General | |||||||
| Trench Capacity | 60m/hour | ||||||
| Trench Width | 100mm | ||||||
| Trench Depth | 200,400,600mm | ||||||
| Blade | 27 carbide alloy blades | ||||||
| Chain Length | 2000mm | ||||||
| Chain Speed(Max) | 550m/min | ||||||
| Tire | 145/7.0-6 | ||||||
| Overall Height | 1100mm | ||||||
| Overall Length | 2100mm | ||||||
| Overall Width | 720mm | ||||||
| Weight | 188kgs | ||||||
| Noise | A-weighted sound power level LW(A)=110.8dB A-weighted Sound pressure LpA=88.6dB | ||||||
| Vibration Values | 9.99 m/s2 | ||||||
General Safety Rules
Safety Labels May Be Found on Your Unit
OPERATOR SAFETY
- Always wear the proper clothing and protective gear. Eye and ear protection, hard hat, boots, gloves and dust masks are that may be required.
- Keep hair, fingers, and all other body parts away from openings and moving parts. Always wear, long pants, boots, and gloves. Secure hair so it is above shoulder
- Do not operate trencher indoors. outdoor use only.
- Do not operate trencher when tired, ill, or under the influence of alcohol, drugs, or medication.
- Always assume the digging location contains underground utilities. Contact appropriate utility company to determine where electrical cables, gas lines, water lines, etc. are buried before operation.
- Always use extreme caution while operating tool. Be sure of your footing and physical capabilities.
TOOL SAFETY
- Inspect entire trencher before each use.Replace damaged or worn parts.
- Check for fuel leaks and make sure all fasteners are in place and securely fastened.
- Replace digging blades that are severely worn. Be sure the digging chain and engine is not moving.
MAINTENANCE SAFETY
Maintain according to recommended procedures included in this manual.
Disconnect the spark plug wire before performing
Stop engine before removing fuel cap.
Use only genuine replacement parts of the engine
FUEL SAFETY
- Refuel outdoors and where no sparks and flames.
- Store fuel in a container approved for gasoline.
- Do not smoke or allow smoking near fuel or the trencher or while using the trencher.
- Clean up all fuel spills before starting engine.
- Move at least 10 feet away from fueling site before
- starting engine.
Stop engine before removing fuel cap.
DIGGING SAFETY
- Be sure that the area is clear of potential hazards, such as pipes, rocks or other materials that could possibly entangle itself around the digging chain or cause unstable footing before using the trencher.
- Keep others bystanders and helpers outside a 15 foot hazard zone from the trencher.
- Hold the trencher handle firmly with both hands.
- Keep all your body and clothing away from the digging chain, auger and other moving parts.
- Inspect the digging site. Soil, job specifications and operator experience may dictate that a different trencher or method be used to do the job.
- Do not leave trenches open or unmarked.
TRANSPORTATION AND STORING SAFETY
- Always shut off the fuel valve and engine.
- Always allow the engine to cool.
- Store trencher and fuel where fuel vapors cannot reach sources of combustion like, water heaters, electric motors, switches, furnaces, etc.
- Always secure this trencher with tie downs or similar restraints when transporting.
- The trencher shall be stored in a manner that prevents it from falling, rolling or tipping over.

Safety Labels May Be Found on Your Unit

Safety Labels May Be Found on Your Unit
| Reference # | Description |
| 1 | TRENCHER |
| 2 | WARNING |
| 3 | WARNING AND SAFETY INSTRUCTIONS |
| 4 | KEEP BACK WARNING |
| 5 | KEEP CLEAR WARNING |
| 6 | WRING LEG HAZARD |
| 7 | LIFTING LABEL |
This machine can cause serious injury to the operator and bystanders. The warning and safety instructions in this manual must be followed to provide reasonable safety and efficiency in using and storing. The operator is responsible for following the warnings and instructions in this manual and the trencher. Read the entire Operator’s Manual before using this trencher!
Restrict the use of this trencher to persons who read, understand, and follow the warnings and instructions in this manual and on the trencher. If you have not read and understand the warnings and instructions in this manual and on the trencher, you are not qualified to operate this trencher! Become familiar with the operation and service recommendations to ensure the best performance of your machine.
Propose
CAUTION
This machine is designed solely to dig trench and must not be used for any other purpose. It should only be used by trained operators who are familiar with the content of this manual. It is potentially hazardous to fit or use any parts other than your dealer parts. We disclaim all liability for the consequences of such use, which in addition voids the machine warranty
NOTICE:
Before using the Trencher
Operators must be fully trained before using this machine.
User Manual is read and understood.
Blades are in good condition and secure. All blades are sharpened or replaced in sets.
All fasteners are checked for tightness.
WARNING: When using the Trencher
Maintain strict discipline at all times and service machine at specified periods.
During working, people should stand in the middle of the two handles, and keep a certain space from engaged wheel, so that avoid injuries of foot touching engaged wheel during walking.
Keep body parts, foreign objects and clothing clear of rotating auger and digging chain.
Coming into contact with buried utilities while digging can cause severe injuries or DEATH.
Contact appropriate utility representatives to determine if/where electrical cables, gas lines, water lines, etc. are buried BEFORE operation.
DO NOT operate the machine while under the influence of alcohol or drugs.
Only use the machine in daylight or illuminance above 500lux. Never operate the dumper after dark.
WARNING: Protecting Yourself and Those around You
This is a high-powered machine, with moving parts operating with high energy. You must operate the machine safely. Unsafe operation can create a number of hazards for you, as well as anyone else in the nearby area. Always take the following precautions when using this machine:
- Keep in mind that the operator or user is responsible for accidents or hazards occurring to other people, their property, and themselves.
- Always wear protective goggles or safety glasses with side shields while using the Trencher to protect your eyes from possible thrown debris.
- Avoid wearing loose clothing or jewelry, which can catch on moving parts.
- Wear shoes with non-slip treads when using your Trencher. If you have safety shoes, we recommend wearing them. Do not use the machine while barefoot or wearing open sandals.
- Wear earplug when using your trencher to avoid noise.
- Keep bystanders at least 50 feet (15m) away from your work area at all times.
- Stop the engine when another person or pet approaches.
WARNING: Safety for Children and Pets
Tragic accidents can occur if the operator is not alert to the presence of children and pets.
Children are often attracted to the machine and the digging activity. Never assume that children will remain where you last saw them. Always follow these precautions:
- Keep children and pets at least 50 feet(15m) from the working area and ensure they are under the watchful care of a responsible adult.
- Never allow children to operate the Trencher.
- Never run the engine in an enclosed area or without proper ventilation as the exhaust from the engine contains carbon monoxide, which is an odorless, tasteless, and a deadly poisonous gas.
- Store all fuel and oil in containers specifically designed and approved for this purpose and keep away from heat and open flame, and out of the reach of children.
- Replace rubber fuel lines and grommets when worn or damaged and after 5 years of use. completely. Don’t handle gasoline if you or anyone nearby is smoking, or if you’re near anything that could cause it to ignite or explode. Reinstall the fuel tank cap and fuel container cap securely.
- If you spill gasoline, do not attempt to start the engine. Move the machine away from the area of the spill and avoid creating any source of ignition until the gas vapors have dissipated. Wipe up any spilled fuel to prevent a fire hazard and properly dispose of the waste.
- Allow the engine to cool completely before storing in any enclosure. Never store a machine that has gasoline in the tank, or a fuel container, near an open flame or spark
such as a water heater, space heater, clothes dryer or furnace. - Never make adjustments or repairs with the engine running. Shut down the engine, disconnect the spark plug wire, keeping it away from the spark plug to prevent accidental starting, wait 5 minutes before making adjustments or repairs.
- Never tamper with the engine’s governor setting. The governor controls the maximum safe operation speed and protects the engine. Over-speeding the engine is dangerous and will cause damage to the engine and to the other moving parts of the machine. If required, see your authorized dealer for engine governor adjustments.
- Keep combustible substances away from the engine when it is hot.
Do not operate the engine with the air cleaner or the carburetor air intake cover removed. - Removal of such parts could create a fire hazard. Do not use flammable solutions to clean the air filter.
WARING: General Safety
Operating this Trencher safely is necessary to prevent or minimize the risk of death or serious injury. Unsafe operation can create a number of hazards for you. Always take the following precautions when operating:
- Your Trencher is a powerful tool, not a plaything. Exercise extreme caution at all times.
- The machine is designed to dig trench. Do not use it for any other purpose.
- Know how to stop the Trencher quickly.
- Exercise caution to avoid slipping or falling.
- See manufacturer’s instructions for proper operation and installation of accessories.
- Never use the machine without ensuring that all guards and shields are in place.
- Never, under any conditions, remove, bend, cut, fit, weld, or otherwise alter standard parts on the Trencher. This includes all shields and guards. Modifications to your machine could cause personal injuries and property damage and will invalid your warranty.
- If the machine start to make an unusual noise or vibrate, shut down the engine, disconnect the spark plug wire, keeping it away from the spark plug to prevent accidental starting, wait 5 minutes for engine to cool down, then inspect for damage. Vibration is generally a warning of trouble. Check damaged parts and clean, repair and/or replace as necessary.
- Never tamper with safety devices. Check their proper operation regularly.
- Before performing any maintenance or inspection procedure, shut down the engine, disconnect the spark plug wire keeping it away from the spark plug to prevent accidental starting, wait 5 minutes for machine to cool down.
- Never allow people who are unfamiliar with these instructions to use the Trencher.
- Allow only responsible individuals who are familiar with these rules of safe operation to use your machine.
- Never overload or attempt to dig trenches beyond the manufacturer’s recommendation.
- It could result in personal injury or damage to the machine.
- While using, don’t hurry or take things for granted. When in doubt about the equipment or your surroundings stop the machine and take time to look things over.
Never operate the machine when under the influence of alcohol, drugs, or medication. - Use the machine only in daylight.
- Keep all nuts and bolts tight and keep the equipment in good operating condition.
Familiar with Your Trencher
It may be helpful to familiarize yourself with the controls and features of the Trencher. If you have any question, please contact the dealers in your area

: When we push forward, the throttle increases and the speed faster.
: When we pull back, the throttle reduces and the speed slower.
NOTICE
It is your responsibility as the operator of this piece of equipment to know what specific requirements, precautions and work hazards exist. You must read and understand all of the information contained in the user manual.
NOTICE
It is your responsibility as the operator of this piece of equipment to know what specific requirements, precautions and work hazards exist. You must read and understand all of the information contained in the user manual.
- The trencher is a small, operator propelled, chain-type trencher designed for the installation of lines that require a narrow shallow trench. It has more than enough power to trench through the toughest soils, however, because of its small size, low horse power and trench capacity, it is limited in what it is capable of doing. The job site, soil conditions, job used to do the job.
- The digging chain has a tendency to pull the trencher in the opposite direction you want to dig. For this reason, be sure that the digging teeth are not in contact with the ground or other objects while starting the engine and that the wheel lock device engages before lowering the digging bar into the ground. Be sure that you have a firm grip on the machine and are ready to control it when the digging bar comes in contact with the ground.
- The trencher has a tendency to “hop” or “buck” under certain conditions. This can be the result of certain soil conditions or buried objects that the trencher cannot cut through or lift to the surface. The trencher must be stopped and the object removed, or restarts the trench beyond the object.
Assembling the appliance
Preparing for use
Assembling the appliance (700)
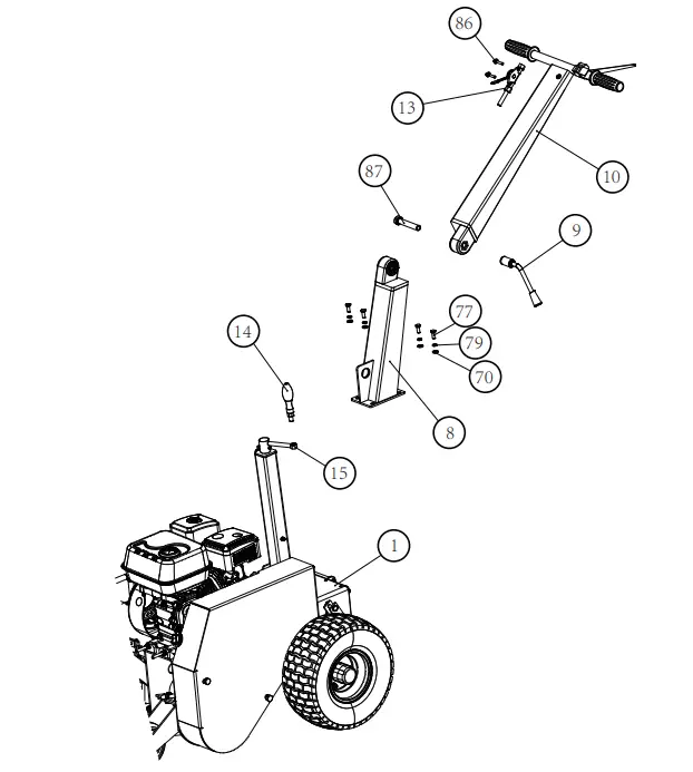
Step 1: Handle assembly
| Part number | Description | Part number | Description |
| 1 | Main frame | 15 | Rotation Handele |
| 8 | Lower Handle | 70 | Flat Washer 8 |
| 9 | Angle Arm | 77 | M8x45 hex bolt |
| 10 | Upper Handle | 79 | M8x25 hex boltS |
| 13 | Throttle Switch | 86 | M8x25 hex bolt |
| 14 | Handle | 87 | Spring Washer8 |
a) Attach the lower part of the handle (14) to the ratation handle (15).
b) Install the lower handle (8) to the main frame(1), securethe connection with the flat washer(70) and hex bolts(77)(79).
c) Install the upper handle(10) to the lower handle(8) with spring washer8(87),then connect angle arm(9) with the spring washer8(87).
d) Install the throttle switch (13) to upper handle(10) with hex bolt(86).
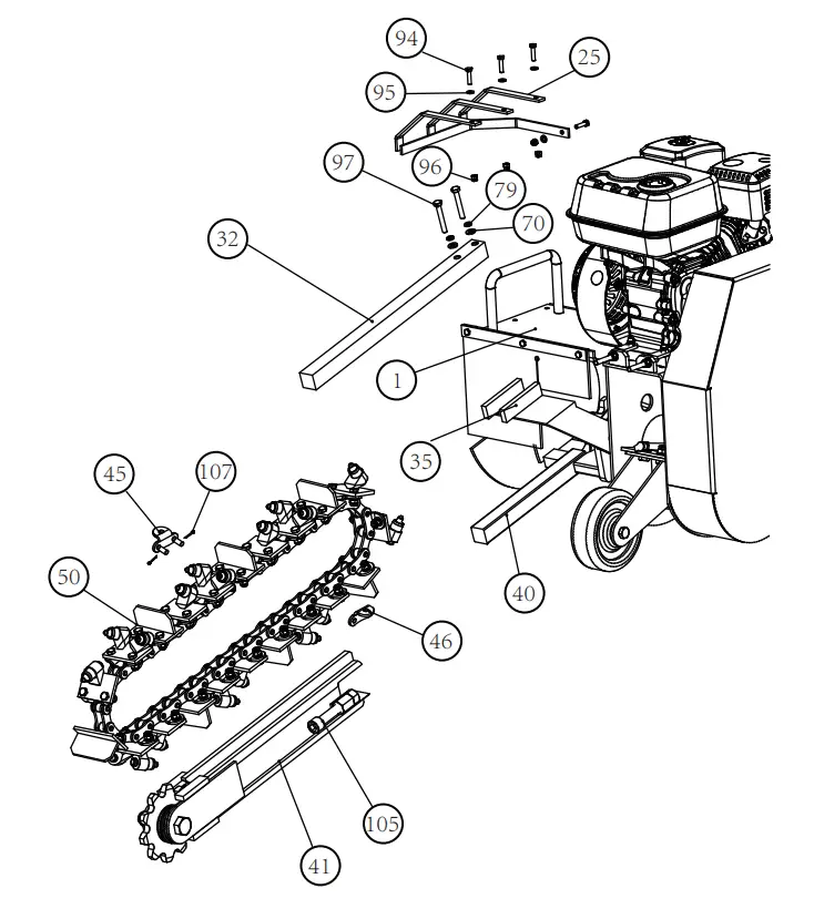
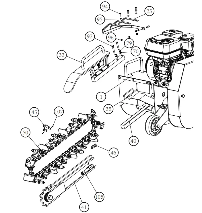
Step 2: Chain assembly

| Part number | Description | Part number | Description |
| 32 | Chain Cover | 46 | Chain lock2 |
| 35 | Connection arm plate | 50 | Chain |
| 40 | Chain axle plate | 70 | Flat Washer 8 |
| 41 | Chain Adaptor | 79 | Spring Waher8 |
| 45 | Chain Lock1 | 94 | Hex Bolt M6x25 |
| 25 | Shield | 95 | Flat Washer6 |
| 105 | Hex socket bolt M16x100 | 96 | Lock Nut M6 |
| 107 | Split cotter 1.6×18 | 97 | Hex bolt M8x55 |
| 1 | Main Frame |
a) Connect the chain adaptor(41) to the chain axle plate(40)
b) Lock the chain (50) on the adapter (41) to cirle with chain lock1(45) chain lock2(46) and split cotter(107),
c) Tighten the chain by tightening the bolt (105).
d) Connect the chain cover(32) with connection arm plate(35) with flat washer8(70),spring washer8(79) and hex bolt(97).
e) Install the shield(25) on the main frame(1) with hex bolt(94),flat washer6 (95) and lock nut (96).
Assembling the appliance (1500)
Step 1: Handle assembly

| 1 | Main frame | 15 | Rotation Handele |
| 8 | Lower Handle | 70 | Flat Washer 8 |
| 9 | Angle Arm | 77 | M8x45 hex bolt |
| 10 | Upper Handle | 79 | M8x25 hex boltS |
| 13 | Throttle Switch | 86 | M8x25 hex bolt |
| 14 | Handle | 87 | Spring Washer8 |
a) Attach the lower part of the handle (14) to the ratation handle (15).
b) Install the lower handle (8) to the main frame(1), securethe connection with the flat washer(70) and hex bolts(77)(79).
c) Install the upper handle(10) to the lower handle(8) with spring washer8(87),then connect angle arm(9) with the spring washer8(87).
d) Install the throttle switch (13) to upper handle(10) with hex bolt(86).
Step 2: Chain assembly

| Part number | Description | Part number | Description |
| 32 | Chain Cover | 46 | Chain lock2 |
| 35 | Connection arm plate | 50 | Chain |
| 40 | Chain axle plate | 70 | Flat Washer 8 |
| 41 | Chain Adaptor | 79 | Spring Waher8 |
| 45 | Chain Lock1 | 94 | Hex Bolt M6x25 |
| 25 | Shield | 95 | Flat Washer6 |
| 105 | Hex socket bolt M16x100 | 96 | Lock Nut M6 |
| 107 | Split cotter 1.6×18 | 97 | Hex bolt M8x55 |
| 1 | Main Frame |
a) Connect the chain adaptor(41) to the chain axle plate(40)
b) Lock the chain (50) on the adapter (41) to cirle with chain lock1(45) chain lock2(46) and split cotter(107),
c) Tighten the chain by tightening the bolt (105).
d) Connect the chain cover(32) with connection arm plate(35) with flat washer8(70),spring washer8(79) and hex bolt(97).
e) Install the shield(25) on the main frame(1) with hex bolt(94),flat washer6 (95) and lock nut (96).
Operating the Trencher
Operating the Trencher
It may be helpful to better familiarize yourself with the features of your Trencher before beginning the steps outlined in this chapter.
CAUTION:
A. Read and understand all instructions, safety precautions, and/or warningslisted in “PART I: General Safety Rules” before operating the TRENCHER. If any doubt or question arises about the correct or safe method of performing anything found in this manual, please contact the dealers inyour area.
B. Before loading and operating the Trencher, always wear protective gear, including safety goggles, hearing protection, tight-fitting gloves without draw String or loose cuff and steel toed shoes.
Starting
Be sure the depth control is in the “0” depth position and move both stop switches to the “ON” position. Always stand to the rear of the trencher, away from the side delivery auger and digging chain while starting the engine. Always start the trencher at the job site and allow it to warm up. While the machine is running, check that all controls are working properly before using.
Start the engine following the procedures:
- Move the choke control lever to the “CHOKE” position (should only be needed if the engine is cold).
- Move the throttle control lever to the “FAST” position.
- Recoil Start: Turn the Ignition Switch to the “On” position. Push the handle of flameout switch and grasp the recoil starter handle and slowly pull until you feel resistance. Let the cord retract a little bit then pull the cord rapidly to start the engine. One or two pulls usually starts the engine.
- Electric Start: Turn and hold the Key in the start position until Engine starts then let the key return to run position.
- Move the choke control lever (if used for cold engine) slowly back to the “RUN” position when the engine is running well.
- If the Trencher has not been running (cold engine), warm up the engine by running the engine at half throttle for 3 to 4 minutes, then advance the engine throttle control to the maximum speed.
Trenching
Be sure the digging chain is not turning when the engine is at an idle. Be sure the engine is off or at idle before moving the trencher the job site.
NOTE: All depths are approximate. Actual depth may vary depending upon soil conditions and trencher blade wear.
Also, soil conditions and operator experience will dictate actual trenching action and speed
A general description on how to trench:
Anticlockwise rotate the depth control handle and lift the chains, lock the antiforward control handle, then the trencher can be push forward
- Push forward the trencher to the work site, loose the anti-forward control handle, then the trencher can only move backwards. Clockwise rotate the depth control handle and descend the chains to your desired depth.

Notes:
- Lock: When we put the anti-forward control handle in the slot, the anti-forward controller lift up, don’t touch the wheel gear, we can push forward.
- Loose: When we pull back the ant-forward control handle, it will automatically loose the anti-forward controller down on the wheel gear, the trencher can’t move forward and can only move backwards

Stopping
There are two stop switches on the trencher; one on the handle bar and one on the engine. Refer to the engine manual for the switch location on your trencher. The operator can turn the trencher off at any time by switching either stop switch to the “OFF” position. Both switches must be “ON” before the engine can start.
Maintaining Your Trencher
Maintaining Your Trencher
Regular maintenance is the way to ensure the best performance and long life of your machine. Please refer to this manual and the engine manufacturer’s user manual for maintenance procedures.
NOTICE: Maintenance Safety
- Before performing any maintenance procedure or inspection, stop the engine, wait five minutes to allow all parts to cool.
- Disconnect the spark plug wire, keeping it away from the spark plug. Disconnect the
- Battery Terminals (Electric start only).
- Stop engine before removing fuel cap.
- Use only genuine replacement parts of the engine manufacturer.
Regular Maintenance Checklist
| Procedure | Before Each Use | Every 3 Hours | Every 25 Hours | Every 100 Hours |
| Check engine oil level | Δ | |||
| Check general equipment condition | Δ | |||
| Check wedge for sharpness | Δ | |||
| Grease surface of slide rail | Δ | |||
| Check belts | Δ | |||
| Grease rack and pinion | Δ | |||
| Check tire pressure | Δ | |||
| Clean engine exterior and cooling | Δ | |||
| Change Engine Oil | First time 5hours | Δ | ||
| Replace air filter | Δ | |||
| Replace spark plug | Δ |
Engine Service
Refer to the engine manufacturer’s user manual for engine maintenance.
Lubrication
Recommended engine oil 4-stroke gasoline engine oil SF under API service classification or SAE10W-30(equivalent to SG class).
NOTICE: All Bearings of Trencher are sealed units and should have sufficient lubricant to last the life of your machine with normal use. 
Transporting and Storing
Transporting and Storing
Transporting
The mini trencher is designed to be transported via a van or small trailer. The machine is equipped with grab bars that are to be used for both lifting the machine, and strapping it down. This machine weighs approximately 188kg and should only be lifted using correct apparatus.
When the mini trencher is packaged in the plywood case, we can carry machine by forklift.
Without package, we can lift the machine at the point of lift label shown.
Tie the machine at the point of tying label when transport for long distance to keep the machine stable.
Note: There are legal road requirements for transiting mini machines. It is the owner’s responsibility to be aware of these laws and to adhere to them.
Storing
- When you finished using the mini trencher and it has cooled, you must:
- Cool engine before storage.
- Clean the dumper.
Inspect for worn or damaged parts. - Choose covered storage location.
- Prevent accidental starting.
- Plan on exercising the engine at least monthly unless the dumper is prepared for long term storage.
NOTICE
- Always allow the engine to cool.
- Store trencher and fuel where fuel vapors cannot reach sources of combustion like, water heaters, electric motors, switches, furnaces, etc.
- Always secure this trencher with tie downs or similar restraints when transporting.
- The trencher shall be stored in a manner that prevents it from falling, rolling or tipping over.
Troubleshooting and Parts List
Troubleshooting and
Parts List
Most problems are easy to fix. Consult the Troubleshooting Table below for common problems and their solutions. If you continue to experience problems, contact the dealers in your area.
WARNING:
Before performing any maintenance procedure or inspection, stop the engine, wait five minutes to allow all parts to cool. Disconnect the spark plug wire, keeping it away from the spark plug.
Troubleshooting Table
| SYMPTOM | POSSIBLE CAUSE |
| The engine won’t start. (Please refer to the engine user manual for engine-specific procedures.) | Is the ignition switch in the “ON” position? Is the fuel shut-off valve on? Are you using fresh, clean gas? If the gas is old, change it. Use a fuel stabilizer if you keep gas longer than 30 days. Is the spark plug clean? If the spark plug is dirty or cracked, change it. If it’s oily, leave it out, hold a rag over the plug hole and pull the recoil cord several times to blow out any oil in the cylinder, then wipe off the plug and reinsert it. |
| The engine lacks power or is not running smoothly. (Please refer to the engine user manual for engine-specific procedures.) | Check that the Throttle Lever is in the “Run” position. Is the air filter clean? If it’s dirty, change it following the procedure in the engine manufacturer’s owner’s manual. Is the spark plug clean? If it’s fouled or cracked, change it. If it’s oily, leave it out, hold a rag over the plug hole and pull your recoil cord several times to blow out any oil in the cylinder, then wipe off the plug and reinsert it. Are you using fresh, clean unleaded gasoline? If it’s old, change it. Use a fuel stabilizer if you keep gasoline longer than 30 days. Does your engine have the right amount of clean oil? If it’s dirty, change it. following the procedure in the engine manufacturer’s owner’s manual. Check the oil level and adjust as needed. |
| Engine smokes. (Please refer to the engine user manual for engine-specific procedures.) | Check the oil level and adjust as needed. Check the air filter and clean or replace if needed. You may be using the wrong oil—too light for the temperature. Refer to your Engine Owner’s Manual for detailed information. Clean the cooling fins if they’re dirty. |
EXPLOSION VIEW

Item | Description | Item | Description |
| 1 | Chassis | 34 | Connection arm |
| 2 | Belt cover | 35 | Connection arm plate |
| 3 | Left ratchet wheel | 36 | Ridge |
| 4 | Wheel | 37 | Ridge locating bush |
| 5 | Bearing cover | 38 | Back gear |
| 6 | Rubber | 39 | Bearing flange spacer |
| 7 | Halt frame | 40 | Chain axle plate |
| 8 | Lower handle | 41 | Chain adapter |
| 9 | Angle arm | 42 | Gear cap |
| 10 | Upper handle | 43 | Chain spacer |
| 11 | Handlebar grip | 44 | Front gear |
| 12 | Flameout switch | 45 | Chain lock |
| 13 | Throttle switch | 46 | Chain lock 2 |
| 14 | Handle | 47 | Single blade holder |
| 15 | Rotation handle | 48 | Blade |
| 16 | Outer lift rod | 49 | Dual blade holder |
| 17 | Thread rod | 50 | Chain |
| 18 | Inner lift rod | 51 | Alloy carbide teeth |
| 19 | Lift rod foundation | 52 | Drive chain |
| 20 | Halt control lever | 53 | Locating bush |
| 21 | Cable clamp | 54 | Gear axle |
| 22 | Rubber mounting plate | 55 | Gear wheel |
| 23 | Rotation plate | 56 | Belt |
| 24 | Lift rod plate | 57 | Pulley |
| 25 | Shield | 58 | Drive gear |
| 26 | Right ratchet wheel | 59 | Drive axle |
| 27 | Rubber | 60 | Left fixing plate |
| 28 | Rubber mounting plate | 61 | Bearing cover |
| 29 | Right fixing plate | 62 | Chassis component |
| 30 | Engine | 63 | Wheel mounting seat |
| 31 | Clutch | 64 | 6″ whee |
| 32 | Chain cover | 65 | Round nut M20x1.5 |
| 33 | Chain cover support | 66 | Round nut stop washer 20 |

Item | Description | Item | Description |
| 67 | Flat washer 20 | 100 | Hex socket bolt M10x70 |
| 68 | 6204 bearing | 101 | Hex bolt M10x25 |
| 69 | Lock nut M8 | 102 | Carriage bolt M8x45 |
| 70 | Flat washer 8 | 103 | Flat key 5×5 |
| 71 | Hex bolt M8x25 | 104 | Hex bolt M6x40 |
| 72 | Oil sea 20×47 | 105 | Hex socket bolt M16x100 |
| 73 | Hex bolt M12x130 | 106 | Hex nut M16 |
| 74 | Flat washer 12 | 107 | Split cotter 1.6×18 |
| 75 | Lock nut M12 | 108 | UCP205 bearing |
| 76 | Eyebolt M8 | 109 | Libricating cup M10x1 |
| 77 | Hex bolt M8x20 | 110 | Lock nut M20 |
| 78 | Flat washer 8 | 111 | Spring washer 47 |
| 79 | Spring washer 8 | 112 | Hex bolt M20x90 |
| 80 | Spring | 113 | Flat key 8×7 |
| 81 | Hex bolt M10x35 | 114 | Oil seal 42×62 |
| 82 | Flat washer 10 | 115 | Spring washer 75 |
| 83 | Lock nut M10 | 116 | Bearing 32007 |
| 84 | Pin 10×40 | 117 | Seal ring 69×3.55 |
| 85 | Split cotter 3.2×32 | 118 | Spring washer 35 |
| 86 | Hex bolt M6x30 | 119 | Round nut 30×1.5 |
| 87 | Hex bolt M16x90 | 120 | Lock washer 30 |
| 88 | Hex bolt M8x30 | 121 | Bearing 51102 |
| 89 | Pin 10×26 | 122 | Battery |
| 90 | Pin 16×65 | 123 | Battery laminate |
| 91 | Hex bolt M6x60 | 124 | M8x35 hex bolt |
| 92 | Hex bolt M5x40 | ||
| 93 | Lock nut M5 | ||
| 94 | Hex bolt M6x25 | ||
| 95 | Flat washer 6 | ||
| 96 | Lock nut M6 | ||
| 97 | Hex bolt M8x55 | ||
| 98 | Hex nut M10 | ||
| 99 | Spring washer 10 |


















