Installation & Operation Manual Merlin 1000S+
AGS Merlin 1000S+
Gas and Electric Isolation Controller
![]()
Installation, Operation & Maintenance
Please read this manual carefully and retain for future use.
For specific requirements that may deviate from the information in this guide – contact your supplier.
American Gas Safety
www.americangassafety.com
Important Warning Statements
Warning Symbol!
Where this symbol is used, the manual must be consulted to understand the nature of any potential hazards and how to avoid them.
Please take the time to thoroughly read this user’s guide which should be retained for future reference.
It is recommended that this device be commissioned upon installation.
Do not apply lighter gas or other aerosols to detectors – this will cause extreme damage to the gas sensing elements.
High concentrations of alcohol found in many products may damage, deteriorate, or affect the gas sensing elements of the detectors – Avoid exposure near your devices.
Never ignore your devices when in alarm. Actuation of your alarm indicates the presence of an error or issue that requires immediate attention.
This device requires a continual supply of electrical power – it will not work without power.
This device should not be used to substitute proper installation, use and/or maintenance of fuel burning appliances including appropriate ventilation and exhaust systems.
Your product should reach you in perfect condition, if you suspect it is damaged, contact your supplier.
Manufacturer’s Warranty
Warranty coverage: The manufacturer warrants to the original consumer purchaser, that this product will be free of defects in material and workmanship for a period of three (3) years from date of purchase.
The manufacturer’s liability hereunder is limited to replacement of the product with repaired product at the discretion of the manufacturer. This warranty is void if the product has been damaged by accident, unreasonable use, neglect, tampering or other causes not arising from defects in material or workmanship. This warranty extends to the original consumer purchaser of the product only.
Warranty disclaimers: Any implied warranties arising out of this sale, including but not limited to the implied warranties of description, merchantability and intended operational purpose, are limited in duration to the above warranty period. In no event shall the manufacturer be liable for loss of use of this product or for any indirect, special, incidental, or consequential damages, or costs, or expenses incurred by the consumer or any other user of this product, whether due to a breach of contract, negligence, strict liability in tort or otherwise. The manufacturer shall have no liability for any personal injury, property damage or any special, incidental, contingent, or consequential damage of any kind resulting from gas leakage, fire, or explosion. This warranty does not affect your statutory rights.
Warranty Performance: During the above warranty period, your product will be replaced with a comparable product if the defective product is returned together with proof of purchase date. The replacement product will be in warranty for the remainder of the original warranty period or for six months – whichever is the greatest.
Information on waste disposal for consumers of electrical & electronic equipment.
When this product has reached the end of its life it must be treated as Waste Electrical & Electronics Equipment (WEEE). Any WEEE marked products must not be mixed with general household waste, but kept separate for the treatment, recovery and recycling of the materials used. Please contact your supplier or local authority for details of recycling schemes in your area.
At the end of their working life, electrochemical sensors should be disposed of in an environmentally safe manner. Alternatively, they can be securely packaged and returned to AGS clearly marked for disposal. Electrochemical sensors should not be incinerated as this may cause the cell to emit toxic fumes.
Installation
Typical Application & Location
Installation must be carried out by a licenced, insured contractor!
Installation must be in accordance with recognised standards in the country concerned, for North America, NEC / CEC regulations should be followed!
Cables must be protected against mechanical damage!
The 1000S+ panel is a gas pressure proving and electric isolation system is designed specifically for use in educational establishments and laboratories.
The panel is designed to give the teacher full control over the incoming gas supply & bench electrics with the lockable main key-switch and touch sensors.
The panel can work in conjunction with carbon dioxide, natural gas, carbon monoxide and LPG sensors. It also has a built in “timeout” facility which will automatically shut off the gas solenoid valve at the end of a specific time, this time can be adjusted to 2, 5, 8 hours or can be overridden if required.
Mounting & Cabling
If mounting direct to wall – ensure the wall surface is flat to prevent base distortion!
Ensure the rear base is installed in the correct orientation as shown!
Where cable glands/conduits are used for wire entry, use 20mm (3/4 inch) max separated by at least 20mm!
Any parts that form part of the connections/installation must have a minimum fire-retardant rating of UL94v-2!
Damage to PCBs when creating cable entry points or attempting to remove the circuit board may void any warranty!
Restrain the hazardous live wiring from accidental loosening to prevent wires from moving after installation and touching parts of opposite polarity or at low voltages!
Isolate the equipment from all hazardous live power sources before opening the cover!
Place the panel 48-60 inches above finished floor level.
esigned for surface mounting, it must be installed by a licensed, insured contractor.

- Carefully remove the front cover from the unit by unscrewing the four bolts located at each corner. To do this – use the socket wrench provided.
- Remove the keys and spare parts – keep safe.
- Mark the four screw holes located on the back of the enclosure to the wall. Ensure the wall surface is flat to prevent base distortion. Drill out as necessary ensuring all warf is removed from the box and holes have smooth edges.
- After executing the mounting and the connections –replace the front cover and insert the security caps over the four bolts.
A flush mount kit is available, comprising of a mounting bracket and decorative surround strip. Contact your supplier for more information.
Circuit Board Connections Overview

POWER / LINE IN
110-120V AC Power should be supplied to the [POWER / LINE IN] terminal and fused at 3A.
GAS SOLENOID VALVE OUTPUT
110-120V AC electrical power supplied from the [VALVE OUT] connector using a 3-core cable can be connected to a gas solenoid valve which can shut the gas supply on alarm status.
ELECTRIC CONTACTOR OUTPUT
110-120V AC electrical power supplied from the [ELECTRIC CONTACTOR] connector using a 3-core cable can be connected to a contactor.
BMS OUT
Connections are available on the board for Building Management Systems. [NO Normally Open] [COM Common] [NC Normally Closed] These are dry connections.
This is a relay that changes state in alarm or when the gas is on/off and can be used in conjunction with the 12V DC output and other external relays that affect other devices and controls such as purge fans and audible alarms etc. See section; Switch Settings – for BMS options
PRESSURE SENSOR
The pressure sensor is screwed into the downstream port of the gas solenoid valve.
Connect the pressure sensor as shown: Wiring: Red [+] Black [-] Blue [IN]
The sensor will monitor the gas supply pressure and if pressure drops below 0.17psi – the gas valve will close as this could mean a gas leak is present. The operating pressure is: 0 – 1.45psi.
EM REMOTE / FIRE PANEL
Connections for remote emergency shut-off buttons or integrated with a fire alarm to close the gas supply automatically in the event of a fire. This is linked out as a factory setting.
Remote emergency shut-off buttons should be dry contact and wired to the using a plenum security cable, white, 18/2 (18AWG 2 conductor), stranded, CMP or similar.
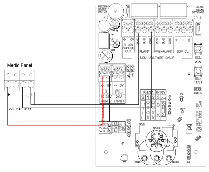
WIRING GAS DETECTORS
Refer to your gas detector manual for further information!
If no detector is being used leave the factory fitted link in!
Connecting a Gas Detector i / i-S

Connecting a Gas Detector

Connecting a Gas Detector TFT

FAN SWITCHES (FS 1 / 2 / 3)
These terminals can be connected to a fan switch (supplied separately) which provide power to fans when the emergency shut-off button is pressed.
Example of an AGS FS1 given.

CO2 MONITOR & 12VDC
Primarily this is used to power the AGS CO2-X but can be used as a power output for external auxiliary devices when there is power at the panel and can be used to create a relay switch with the BMS relay output. Max output: 50mA. If no CO2 monitor or other device is connected, the panel will ‘beep’ upon power up and the CO2 LED will flash 3 times to indicate that this terminal has been disabled.

Switch Settings – Auto Reset
| OFF | When power is restored after the power cut/ loss, the panel has to be restarted manually. (Default) |
| ON | This will instruct the system to restart automatically when power is restored after power cut/loss. |
![]()
Switch Settings – BMS Integration
The panel can be integrated with a BMS to make or break a circuit when the gas is either on or off, (valve open or valve closed). This will tell the BMS whether power is being sent to the solenoid valve.
| OFF | Signals the BMS when gas is on or gas is off. (Default) |
| ON | Signals the BMS on a fault i.e. high gas levels detected, emergency shut-off activated etc. |
![]()
Switch Settings – Gas Fill & Prove Time
Once the settings have been changed – remove power for 10 seconds.
FILL TIME: Amount of time the gas valve opens to fill the gas line on power up or reset.
PROVE TIME: Amount of time the system tests the gas line for leaks on power up or reset.
| Fill Time | Prove Time | ||
| OFF | 5 Seconds (Default) | OFF | 30 Seconds (Default) |
| ON | 10 Seconds | ON | 50 Seconds |
Switch Settings – Automatic Shut Down Timer
The system has an auto-shut down feature after a selected time.
There are two switches located on the circuit board labelled [TIME1] & [TIME2].
These can be configured to select the required timeout/ shut-down period.
| TIME 1 | TIME 2 | Timeout Period |
| OFF | OFF | 2 Hours (Default) |
| ON | OFF | 4 Hours |
| OFF | ON | 8 Hours |
| ON | ON | Disabled |
![]()
Upon timeout the gas supply will be turned off unless other utilities are configured.
Switch Settings – Utility Shutdown Selection
here are two switches located on the circuit board labelled [ELECTR].
This is factory set to ‘Off’.
On installation, it can be switched ‘On’. This will instruct the system to also turn off Electrics when performing auto-shut down/ timeout.
![]()
Operation
Initial Power Up
All services can be turned on or off within 10 seconds only of the key switch being turned on. After 10 seconds, all utility buttons will be disabled. The user must turn the key off and back on to adjust any services.
Turn the key switch to on position. Gas & Electric LEDs will flash for 10 seconds. Press relevant service button to turn required utility on.
LED Indicators
Gas
When the key switch is turned on, the system will check the installation for gas leaks.
If gas proving is successful, the LED will illuminate. ON = Gas On / OFF = Gas Off
Electric
When electric service is turned on, the Electric LED will illuminate.
ON = Electric on / FLASHING = Electric Off, Electric button enabled / OFF = Electric Off, Electric button disabled.
Testing
This LED will illuminate GREEN for approximately 30 seconds when the panel is checking the integrity of the gas installation upon start up. ON = proving the gas line, do NOT operate any appliances.
Test Fail
Under normal working conditions this LED is off. When the panel detects a gas leak on start-up, the LED will illuminate AMBER. Gas valve will remain closed. OFF = OK / ON = gas proving failed.
Pressure Low
Under normal working conditions the LED is off. The LED will illuminate AMBER when pressure of the gas supply drops below 0.17psi for 10 secs. The gas valve will close. OFF = OK / ON = gas supply pressure low.
Timeout
Under normal working conditions this LED is off. This LED will illuminate AMBER when auto-shut down has occurred. OFF = OK / ON = Auto-shut down activated
EM Stop
If an emergency shut off button (either remote or on the panel) is pressed, the LED will illuminate AMBER and the gas will be turned off and the fans switch (if a fan switch is connected). The EM Stop button must be reset before restarting the system. The emergency shut off button(s) will cut off the gas supply, electrics, and fans (if connected) when activated. OFF = OK / ON = Emergency Shut-Off button activated.
CO2/ Gas Detected
Under normal working conditions this LED is off. If the external Merlin detector connected detects gas this will show RED, and the gas valve will turn off. OFF = OK / ON = Gas detected.
CO2 High
Under normal working conditions this LED is off.
If the concentration of CO2 in the air is at alarm level (relevant detector required), the LED will show RED, and the gas valve will close. OFF = OK / ON = the concentration of CO2 is at alarm level.
Maintenance
Cleaning
Concentrations of alcohol found in many products may damage, deteriorate, or affect the gas sensing elements such as wine; deodorants; stain removers and thinners. Other gases and substances to avoid are corrosives (i.e., chlorine & hydrogen chloride); alkali metals; basic or acidic compounds; silicones; tetraethyl lead; halogens and halogenated compounds!
Keep your panel in good working order – follow these basic principles.
- Remove any dust/debris from the outer enclosure regularly using a slightly damp cloth.
- Never use detergents or solvents to clean your device.
- Never spray air fresheners, hair spray, paint or other aerosols near the device.
- Never paint the device. Paint will seal vents and interfere with the device.
Bump Testing (Gas Response Check)
All certified test gases supplied by AGS are classified as non-flammable and non-toxic, however, they may contain gas under pressure and may explode if heated to extreme temperatures and cause asphyxiation in high concentrations. Always use in accordance with the safety data sheet!
Gas response checks are often referred to as a ‘bump test’. Bump tests are important to make sure a device can detect a release of gas as early as possible. The aim of the bump test is to make sure a detector is working at its optimum by briefly exposing the unit to a known concentration of the target gas that usually exceeds the highest alarm point. If the detector goes into alarm and all signals/outputs activate, then the system is working.
If the system fails to operate as intended in an alarm state, the gas detector must not be used until a full inspection and service has been conducted. NFPA requires all gas detectors to be tested annually and that the test results be recorded on site and available to inspectors.
A detector may visually appear in good working order, but its sensitivity and accuracy can be inhibited by external factors. Dust, humidity, temperature fluctuations, cleaning products, contaminants, exposure to its target gas or sensor drift (ageing) can cause a decline in sensitivity, accuracy, and eventual failure. Regular bump tests are important to make sure the detector can detect a release of gas as early as possible and usually takes seconds (gas type dependant i.e., CO sensors will take over a minute) and is often completed alongside a scheduled fire alarm test, however the frequency should be determined following an appropriate risk assessment by the end user.
We recommend testing detectors every 12-18 months along with the regular fire test procedures and coincide with the annual service message prompted on the detection system after each year of service/operation.
Contact your AGS representative for details of suitable bump testing kits and gases. Kits usually consist of a certified gas cylinder or spray. We recommend only using AGS calibration gas kits to ensure correct flow rates meet AGS technical requirements. A bump testing gas is usually a concentration mix that exceeds the highest alarm set point.
Specification
| General Model: | 10005+ |
| Size: (H x W x D) | 7.08 x 10.03 x 3″ (180 x 255 x 77 mm) |
| Housing Material: | ABS Polylac – PA765. UL 94 V-1 |
| Mounting: | Indoor use – Wall Mounting |
| User Interface | |
| Visual Indicators: | LED |
| Audible Alarm: | >70dB 0 3.28ft (1m). Quiet conditions. |
| Language: | English |
| Power Supply | |
| Power Rating: | 6W max. |
| Voltage Rating: | 100-120V- 50-60Hz |
| Internal Fuse: Equipment Overvoltage Category: | T3.15A L250V II |
| Pollution Degree: | 2 |
| Equipment Class: Environmental Ingress Protection: | Not Formally Evaluated |
| Operating: | -10 – 50°C / 14 – 122°F 30 – 80% RH (non-condensing) |
| Storage: | -25 – 50°C / -13-122F° up to 95% RH (non-condensing) |
| Altitude Rating: | 2000m |
| Approvals | |
| Electromagnetic Compatibility and Electrical Safety | IEC 61010-1:2010 + AMD1:2016; EN 61010-1:2010 +A1:2019; CAN CSA C22.2 No. 61010-1-12/A1:2018-11 UL61010-1/20121R:2019-07; EMC EN 61326-1:2013 |
| UL Approval Reference | E464760 |
Installation Details
Please pass this manual to the system owner or system user.
| Date of Installation: | |
| Installation Location: | |
| Organisation: | |
| Stamp/ Signature of the installer: |
Every effort is made to ensure the accuracy of this document; however, AGS can assume no responsibility for any errors or omissions in this document or their consequences. AGS would greatly appreciate being informed of any errors or omissions that may be found in the content of this document. For information not covered in this document, or if there is a requirement to send comments/corrections, please contact AGS using the contact details.
American Gas Safety LLC
Head office:
6304 Benjamin Road, Suite 502, Tampa, FL 33634
Tel: (727) 608-4375
[email protected]
American Gas Safety LLC is the owner of this document and reserves all rights of modification without prior notice.
Rev: 13 08-22



















