Merlin 1000Splus Gas and Electric Utility Isolation Controller

Product Information
The Merlin 1000S+ gas pressure proving and electric isolationsystem is designed specifically for use in educational establishments and laboratories. The system is designed to give full control over incoming gas supply and bench electrics with the lockable main key-switch and touch sensors. It can work inconjunction with carbon dioxide, natural gas, carbon monoxide, and LPG sensors. The system also has a built-in timeout facility which can be adjusted to 2, 5, or 8 hours, or overridden if required.
Installation
- Planning: The Merlin 1000S+ is designed to carry out a gas-proving test on the pipe work to highlight if there is a gas appliance open or a gas leak in a laboratory.
- Important Warning Statements: Please read the manufacturer’s warranty information and the waste disposal instructions for electrical and electronic equipment before installation. When the product has reached the end of its life, it must be treated as Waste Electrical & Electronics Equipment(WEEE) and should not be mixed with general household waste. Contact the supplier or local authority for details of recycling schemes in your area.
Operation
- First Power Up: When turning on the Merlin 1000S+ for the first time, ensure that all necessary connections have been made and that the system is properly grounded.
- Emergency Shut-Off Button: In case of an emergency, press and hold the emergency shut-off button to immediately shut off the gas solenoid valve.
- LED Indicators: The Merlin 1000S+ has LED indicators to show the status of the system. The green power LED indicates that the system is on, the amber LED indicates that the system is in timeout mode, and the red LED indicates that there is a fault in the system.
Maintenance
- Cleaning: Clean the Merlin 1000S+ regularly to prevent dust buildup. Use a dry cloth to wipe the surface of the panel.
- Bump Test (Gas Response Check): Perform a bump test on the system every six months to ensure that the gas sensors are functioning properly.
Installation & Operation
Please read this manual carefully and retain it for future use.
The Merlin 1000S+ gas pressure proving and electric isolation system is designed specifically for use in educational establishments and laboratories. The system is designed to give full control over incoming gas supply and bench electrics with the lockable main key-switch and touch sensors.
The information contained within this manual should be referenced for typical installation and operation only. For specific requirements that may deviate from the information in this guide – contact your supplier
IMPORTANT WARNING STATEMENTS
- Please take the time to thoroughly read this user’s guide which should be retained for future reference.
- This device requires a continual supply of electrical power – it will not work without power.
- This device should not be used to substitute proper installation, use and/or maintenance of fuel-burning appliances including appropriate ventilation and exhaust systems.
- This device does not prevent dangerous gasses from occurring or accumulating.
- The non-continuous (intermittent) operation will not affect performance.
- The actuation of alarms indicates the presence of danger.
- Your product should reach you in perfect condition, if you suspect it is damaged, contact your supplier.
Manufacturer’s Warranty
- Warranty coverage: The manufacturer warrants to the original consumer purchaser, that this product will be free of defects in material and workmanship for a period of three (3) years from the date of purchase.
The manufacturer’s liability hereunder is limited to the replacement of the product with the repaired product at the discretion of the manufacturer. This warranty is void if the product has been damaged by accident, unreasonable use, neglect, tampering or other causes not arising from defects in material or workmanship. This warranty extends to the original consumer purchaser of the product only. - Warranty disclaimers: Any implied warranties arising out of this sale, including but not limited to the implied warranties of description, merchantability and intended operational purpose, are limited in duration to the above warranty period. In no event shall the manufacturer be liable for loss of use of this product or for any indirect, special, incidental or consequential damages, or costs, or expenses incurred by the consumer or any other user of this product, whether due to a breach of contract, negligence, strict liability in tort or otherwise. The manufacturer shall have no liability for any personal injury, property damage or any special, incidental, contingent or consequential damage of any kind resulting from gas leakage, fire or explosion. This warranty does not affect your statutory rights.
- Warranty Performance: During the above warranty period, your product will be replaced with a comparable product if the defective product is returned together with proof of purchase date. The replacement product will be in warranty for the remainder of the original warranty period or for six months – whichever is the greatest.
Information on waste disposal for consumers of electrical & electronic equipment
When this product has reached the end of its life, it must be treated as Waste Electrical & Electronics Equipment (WEEE). Any WEEE marked products must not be mixed with general household waste, but kept separate for the treatment, recovery and recycling of the materials used. Please contact your supplier or local authority for details of recycling schemes in your area.
Alternatively, all AGS products can be securely packaged and returned clearly marked for disposal.
Installation
Planning
- The Merlin 1000S+ gas pressure proving and electrical isolation system is designed specifically for use in educational establishments and laboratories.
- This panel is to be used to carry out a gas-proving test on the pipe work in order to highlight if there is a gas appliance open or a gas leak in a laboratory. The Merlin 1000S+ is designed to give the teacher full control over the incoming gas supply and bench electrics with the lockable main key-switch and touch sensors.
- The Merlin 1000S+ can work in conjunction with carbon dioxide, natural gas, carbon monoxide and LPG sensors. The Merlin 1000S+ also has a built in “timeout” facility which will automatically shut off the gas solenoid valve at the end of a specific time period, this time period can be adjusted to 2, 5, 8 hours or can be overridden if required.
- Please refer to your detector manual for important information regarding coverage, location and positioning including areas and conditions to avoid
Fixing – Mounting
Place the panel 48-60 inches above finished floor level.
Unpack all the parts!
Designed for surface mounting, it must be installed by a licensed, insured contractor.
- Carefully remove the front cover from the unit by unscrewing the four bolts located at each corner.
To do this – use the socket wrench provided. - Mark the four screw holes located on the back of the enclosure to the wall. Ensure the wall surface is flat to prevent base distortion.
- After executing the mounting and the connections – replace the front cover and insert the security caps over the four bolts.
WARNING
- Take care when making connections to high voltage connectors!
- Any damage attempting to remove the circuit board may void any warranty!
- All Class 2 wiring is to be installed within flexible tubing to maintain segregation between circuits!
- Wiring of different circuits shall be separated by means of routing, clamping or barrier!
A flush mount kit is available, comprising of a mounting bracket and decorative surround strip. Contact your supplier for more information.
Typical Installation Arrangement
Terminal Connections
POWER / LINE IN
110-120V AC Power should be supplied to the [POWER / LINE IN] terminal and fused at 3A.
GAS SOLENOID VALVE OUTPUT
110-120V AC electrical power supplied from the [VALVE OUT] connector using a 3 core cable can be connected to a gas solenoid valve which can shut the gas supply on alarm status.
Pressure sensors should be screwed to the downstream port of the valve.
ELECTRIC CONTACTOR OUTPUT
110-120V AC electrical power supplied from the [ELECTRIC CONTACTOR] connector using a 3 core cable can be connected to a contactor
BMS OUTPUT
Connections are available on the board for Building Management Systems.
[NO Normally Open] [COM Common] [NC Normally Closed] These are volt free connections.
This is a relay that changes state in alarm or when the gas is on/off and can be used in conjunction with the 12V DC output and other external relays that affect other devices and controls such as purge fans and audible alarms etc. See section; Switch Settings – for BMS options
PRESSURE SENSOR
The pressure sensor is wired to the [PRESSURE SENSOR] connector and screwed into the downstream port of the gas solenoid valve. Connect the pressure sensor as shown:
Wiring: Red [+] Black [-] Blue [IN]
The sensor will monitor the gas supply pressure and if pressure drops below 0.17psi – the gas valve will close as this could mean a gas leak is present.
The pressure sensor operating pressure is: 0 – 1.45psi.
EM REMOTE
Connections for remote emergency shut-off or stop buttons is detailed on the circuit board as [EM REMOTE]. This is linked out as a factory setting. Remote emergency shut-off buttons should be volt free and wired to the Merlin 1000S+ using a plenum security cable, white, 18/2 (18AWG 2 conductor), stranded, CMP or similar.
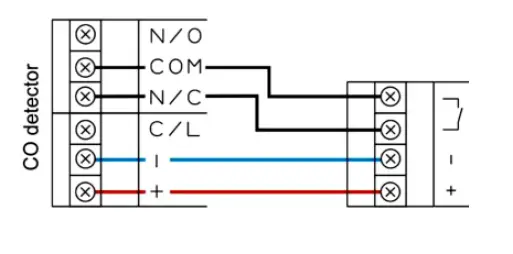
GAS DETECTOR
- Connections can be made for a Merlin gas detector (LPG, NG, CO or Hydrogen).
- If no detector is being used leave the factory fitted link in.
- A wiring example is shown.
- Refer to your gas detector manual for further information
FAN SWITCHES (FS 1 / 2/ 3)
These terminals can be connected to a fan switch (supplied separately) which provide power to fans when the emergency shut-off button is pressed.
CO2 MONITOR
This terminal can be used to connect a Merlin CO2 monitor to shut off the system in the event of a high concentration of CO2.
If no CO2 monitor is connected, the panel will ‘beep’ upon power up and the CO2 LED will flash 3 times to indicate that this terminal has been disabled. An external power supply is required.
Refer to your CO2 monitor manual for further information.
12V DC
This is a power output for external auxiliary devices when there is power at the panel and can be used to create a relay switch with the BMS relay output.
Max output: 50mA
Switch Settings
Auto Reset
| OFF | When power is restored after the power cut/ loss, the panel has to be restarted manually. (Default) |
| ON | This will instruct the system to restart automatically when power is restored after power cut/loss. |
Building Management System Integration
[BMS SEL]. The panel can be integrated with a BMS to make or break a circuit when the gas is either on or off, (valve open or valve closed).
This will tell the BMS whether or not power is being sent to the solenoid valve
| OFF | Signals the BMS when gas is on or gas is off. (Default) |
| ON | Signals the BMS on a fault i.e. high gas levels detected, emergency shut-off activated etc. |
Gas Fill Time and Prove Time
There are two switches located on the circuit board labelled [FILL TIME] and [PROVE TIME].
- FILL TIME: Amount of time the gas valve opens to fill the gas line on power up or reset.
- PROVE TIME: Amount of time the system tests the gas line for leaks on power up or reset
FILL TIME PROVE TIME OFF 5 Seconds (Default) OFF 30 Seconds (Default) ON 10 Seconds ON 50 Seconds
Once the settings have been changed – remove power for 10 seconds.
Fire Panel Integration
The Merlin 1000S+ can be integrated with a fire alarm to close the gas supply automatically in the event of a fire. The volt free fire alarm signal can be wired in series with any remote emergency shut off buttons. If there are no remote emergency shut off buttons being installed, wire this directly to the terminal marked [EM REMOTE].
Auto Shut-Down – Timeout Period
- The system has an auto-shut down feature after a selected time.
- There are two switches located on the circuit board labelled [TIME1] & [TIME2].
- These can be configured to select the required timeout/ shut-down period.

TIME 1 TIME 2 Timeout Period OFF OFF 2 Hours (Default) ON OFF 4 Hours OFF ON 8 Hours ON ON Disabled
Upon timeout the gas supply will be turned off unless other utilities are configured.
Auto Shut-Down – Selectable Utility
- There is a switch located on the circuit board labeled [ELECTR].
- They are factory set to ‘Off’.
- Upon installation, it can be switched ‘On’. This will instruct the system to turn off Electric when performing auto-shutdown/ timeout.
General Specification
| Model: | 1000S+ |
| Visual Indication | LED |
| Mains Electrical Power Input | 110-120VAC |
| Gas Solenoid Valve Output | 110-120VAC |
| Electrical Contactor Output | 110-120V AC |
| Current Consumption | 12W max (50mA) @ 120VAC |
| Internal Fuse | 3.15A |
| Operating Temperature | 32 – 104°F 0-95%RH Non-Condensing |
| Audible Alarm Buzzer dB | 65 dB (300mm distance in quiet conditions) |
| Pressure Sensor Operating Pressure | 0 -1.45psi |
| Housing Material | Polylac PA-765 |
| Flame Rating | UL 94 |
| UL Approval Reference | E464760 |
| O/All Dimensions (H x W x D) mm / inch | 7.08 x 10 x 3.03” |
Operation First Power Up
On connecting mains power, an LED on the front of the panel (AGS Logo) will illuminate red.
- Turn the key switch to on position.
- Gas & Electric LEDs will flash for 10 seconds.
- Press the relevant service button to turn the required utility on.
Turn the key switch to the off position to turn the panel off.
All services can be turned on or off within 10 seconds only of the key switch being turned on. After 10 seconds, all utility buttons will be disabled.
The user must turn the key off and back on to adjust any services
Emergency Shut-Off Button
- The emergency shut-off button is located on the front of the panel.
- There is also a facility for remote shut-off buttons to be wired in series on the circuit board.
- The emergency shut-off button(s) will cut off the gas supply and electrics only when activated.
- To reinstate the system, the emergency shut-off button(s) will need to be reset and the panel restarted.
LED Indicators
- Gas
When the key switch is turned on, the system will check the installation for gas leaks.
If gas proving is successful, the LED will illuminate.- ON = Gas On
- OFF = Gas Off
- Electric
When Electric service is turned on, the Electric LED will illuminate.- ON = Electric On
- FLASHING = Electric Off, Electric button enabled
- OFF = Electric Off, Electric button disabled.
- Testing
This LED will illuminate GREEN for approximately 30 seconds when the panel is checking the integrity of the gas installation upon start up.- ON = proving the gas line, do NOT operate any appliances.
- Test Fail
Under normal working conditions this LED is off.
When the panel detects a gas leak on start-up, the LED will illuminate AMBER.
The gas valve will remain closed.- OFF = OK
- ON = gas proving failed
- Pressure Low
Under normal working conditions the LED is off.
The LED will illuminate AMBER when pressure of the gas supply drops below 0.17psi for 10 secs. The gas valve will close.- OFF = OK
- ON = gas supply pressure low.
- Timeout
Under normal working conditions this LED is off.
This LED will illuminate AMBER when auto-shut down has occurred.- OFF = OK
- ON = Auto-shut down activated.
- EM Stop
If an emergency shut off button (either remote or on the panel) is pressed, the LED will illuminate AMBER and the gas will be turned off and fans will turn on (if a fan switch is connected).
The EM Stop button must be reset before restarting the system.- OFF = OK
- ON = Emergency Shut-Off button activated.
- Gas Detected
Under normal working conditions, this LED is off.
If the external Merlin detector connected detects gas this will show RED and the gas valve will turn off.- OFF = OK
- ON = Gas detected.
- CO2 High
Under normal working conditions, this LED is off.
If the concentration of CO2 in the air is at alarm level (relevant detector required), the LED will show RED and the Gas valve will turn off.- OFF = OK
- ON = the concentration of CO2 is at an alarm level
Maintenance Cleaning
To keep your control panel in good working order – follow these basic principles;
- Remove any dust/debris from the outer enclosure regularly using a slightly damp cloth.
- Never spray air fresheners, hair spray, paint or other aerosols near gas-detecting devices.
- Never paint the device.
- It is recommended that any detectors connected to the system are inspected and serviced at least annually from the date of installation for optimum performance and protection.
Bump Test (Gas Response Check)
What is a Gas Response Check?
Response checks are often referred to as a ‘BUMP TEST’. Bump tests are important to make sure a gas detection device is able to detect a release of gas as early as possible.
The aim of the bump test is to make sure a gas detector is working at its optimum by briefly exposing the unit to a known concentration of the target gas that exceeds the highest alarm point. If the detector goes into alarm and all system outputs/relays activate, then it is working safely.
If the system fails to operate as intended in an alarm state, the gas detector must not be used until a full inspection and service has been conducted.
Why is it important?
A detector may visually appear in good working order, but its sensitivity can be inhibited by external factors. Dust, humidity, temperature fluctuations, cleaning products, contaminants or sensor drift (ageing) can cause a decline in sensitivity and eventual failure.
Regular bump tests are important to make sure the detector is able to detect a release of gas as early as possible.
How often should I Bump Test a detector?
Regular bump tests are important to make sure the detector is able to detect a release of gas as early as possible. A bump test usually takes seconds (gas type dependant) and is often completed alongside a scheduled fire alarm test, however the frequency should be determined following a risk assessment by the end user. Remember, bump testing does not remove the need to have gas detectors inspected, calibrated and serviced periodically by a trained personnel.
What equipment do I need to perform a Bump Test?
Contact your AGS representative for details of suitable bump testing kits and gases.
Kits usually consist of a certified gas cylinder; flow control regulator, tube pipe and applicator cone.
Installation Details
Please pass this manual to the system owner or system user
| Date of Installation: | |
| Installation Location: | |
| Organisation: | |
| Stamp/ Signature of the installer: |
American Gas Safety LLC
Head office: 6304 Benjamin Road, Suite 502, Tampa, FL 33634
Tel: (727) 608-4375
[email protected]
American Gas Safety LLC is the owner of this document and reserves all rights of modification without prior notice.





















