CONNECTS2 CHIV8C Steering Wheel Control Interface for Iveco Vehicles Owner’s Manual
APPLICATION
Note: Application data is subject to change at any time
Iveco Daily 2018 >
FEATURES
- Allows for the installation of a double DIN aftermarket stereo
- Retains factory steering wheel control functionality
- Retains factory phone buttons
- Provides outputs for speed pulse, reverse gear and park brake
DISCLAIMER
The information provided in this document is subject to change without notice due to manufacturer changes and/or improvements to the product/s. This instruction manual is based on documented data and research. The manufacturer of this product cannot be held responsible for any changes made to the vehicle by the manufacturer or damages that may occur through the installation of this product in accordance with the steps outlined herein.
PRODUCT INFORMATION
The CHIV8C is a CAN steering wheel interface and harness which helps retain the steering wheel controls and factory phone button functionality of the vehicle (if vehicle is equipped). The lead features plugand-play connectors for an easier installation process.
Please note: This interface is designed for vehicles with the basic head unit.
WIRING KEY
IN ISO CONNECTOR
- Purple: Right Rear Speaker +
- Purple/Black: Purple/Black
- Green: Left Rear Speaker +
- Green/Black: Left Rear Speaker –
- Grey: Right Front Speaker +
- Grey/Black: Right Front Speaker –
- White: Left Front Speaker +
- White/Black: Left Front Speaker –
- Yellow: Permanent 12V
- Black: Ground
- Red: Ignition 12V
- Orange: Illumination
ADDITIONAL CONNECTIONS
- Pink: Speed Pulse
- Green: Park Brake
- Purple/White: Reverse Gear
STEERING WHEEL CONTROL FUNCTIONALITY
The following diagram, though based on careful research, is an example only. Individual steering wheel control configurations may differ.
Front
Back
- Track Up
- Track Down
- Source
- Volume Up
- Volume Down
- Mute
- Pick Up (Short Press) Hang Up (Long Press)
- Speech
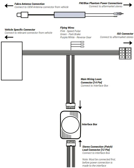
WIRING DIAGRAM

INSTALLATION GUIDE – WIRING
Before installing the interface, the factory stereo must be removed and disconnected. To do this, please consult the vehicle owner’s manual/handbook or contact a fitting professional.
For universal patch leads, prepare the wiring loops in accordance with the instruction manual supplied before installation.
- Connect the 12 Pin connector from the stereo connection (patch) lead to the interface box.
- Connect the opposite end of the stereo connection (patch) lead to the steering wheel control input on the back of the aftermarket stereo.
NOTE: This may be a 3.5mm jack connector or a wired input depending on the brand of aftermarket stereo being fitted. Please consult the aftermarket stereo installation manual for further information on where to make the connection.
IMPORTANT: THIS STEP MUST BE COMPLETED BEFORE CONNECTING POWER TO THE INTERFACE. ! FAILURE TO DO SO MAY RESULT IN A LACK OF FUNCTIONALITY AND THE NEED TO REINSTALL THE PRODUCT - Connect the 14 Pin connector from supplied wiring loom to the interface box.
- Connect the power/speaker ISO connector to the power/speaker ISO connector at the rear of aftermarket stereo.
Note: For aftermarket stereos which do not have an ISO connector, please see ‘Wiring Key’ on Pg.2 for information on which wires to connect. - Connect any additional flying wires from the harness to the head unit as required.
Note: Additional ‘flying’ wires can be connected to the vehicle to support various features i.e. parking brake trigger, reverse gear and speed pulse. Details of these can be found under ‘Additional Connections’ - Attach the antenna adapter in between the vehicles pre-existing connector as well as the rear of the aftermarket head unit.
NOTE: If vehicles which feature an amplified aerial, the blue wire will be needed for purposes of phantom power - Connect the vehicle specific connector to the vehicles main power connector.
- Test stereo and steering wheel control functionality for correct operation before reassembling the vehicle dashboard. If steering wheel control functions are unresponsive, please uninstall the interface and wiring and reinstall carefully in accordance with the above steps.
For further help, please contact and fill out a support ticket with the full details of your issue at: aerpro.com/contact



















