
FP8473K
Steering Wheel Control
Interface for Ford Vehicles
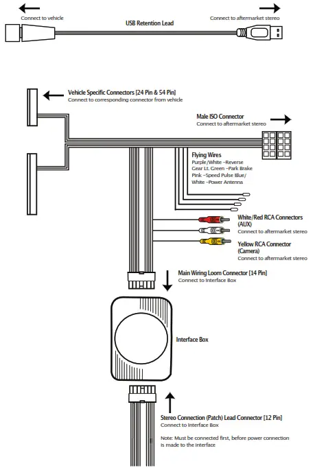
| I. USB Retention (Female) ii. Car Connector (24 Pin) iii. Car Connector (54 Pin) iv. ISO Connector (16 Pin) v. Flying Wires | vi. Yellow RCA -Camera Retention vii. Red/White RCA -AUX Retention viii. USB Retention (Male) ix. Interface Box |
APPLICATION
Note: Application data is subject to change at any time
Ford Ranger 2019 – UP
For US Vehicles with SYNC3 OEM systems (small display)
FEATURES
- Retains Factory Steering Wheel Control Functionality
- Retains Phone Buttons
- Retains USB and AUX Inputs
- Retains Reversing Camera
- Supports Voice Assistant (with software update via SWCREFLASHER)
- Provides Speed Pulse, Park Brake, Reverse Gear & Power Antenna Outputs
DISCLAIMER
The information provided in this document is subject to change without notice due to manufacturer changes and/or improvements to the product/s. This instruction manual is based on documented data and research. The manufacturer of this product cannot be held responsible for any changes made to the vehicle by the manufacturer or damages that may occur through the installation of this product in accordance with the steps outlined herein.
PRIOR TO INSTALLATION
Read the manual prior to installation. Technical knowledge is necessary for installation. The place of installation must be free of moisture and away from heat sources. Please ensure that the correct tools are used during the installation to avoid damage to the vehicle or product. Connects2 can not be held responsible for the installation of this product.
WIRING KEY
IN WIRING HARNESS
| Purple | Right Rear Speaker + |
| Purple/Black | Right, Rear Speaker – |
| Green | Left Rear Speaker + |
| Green/Black | Left Rear Speaker – |
| Grey | Right Front Speaker + |
| Grey/Black | Right, Front Speaker – |
| White | Left Front Speaker + |
| White/Black | Left Front Speaker – |
| Yellow | Permanent 12V |
| Black | Ground |
| Red | Ignition 12V |
| Orange | Illumination |
ADDITIONAL CONNECTIONS
| Light Green | Park Brake |
| Pink | Speed Pulse |
| Purple/White | Reverse Gear |
| Blue/White | Power Antenna |
| (RCA) Red/White | Connect to Head Unit AUX-In R/L |
| (RCA) Yellow | Connect to Head Unit Camera Input |
| USB Retention (Male) | Connect to Head Unit USB Female |
| USB Retention (Female) | Connect to Vehicle |
STEERING WHEEL CONTROL FUNCTIONALITY
The following diagram, though based on careful research, is an example only of Individual steering wheel control configurations that may differ.
Steering wheel 1
1. Volume +
2. Volume
3. Track
4. Track +
5. Source
Steering wheel 2
1. Volume +
2. Volume
3. Voice Assistant*
4. Source
5. Track +(Short Press) Hang-Up (Long Press)
6. Track -(Short Press) Pick Up (Long Press)
*Visit www.connects2.com for more information on how to download the SWC software update. Note: a refresher the tool is also required (Part No: SWCREFLASHER)
INSTALLATION GUIDE
Before installing the interface, the factory stereo must be removed and disconnected. To do this, please consult the vehicle ownerʼs manual/handbook or contact a fitting professional.
A stereo connection (patch) lead is also required for the installation of this interface (supplied separately). Please ensure that you have the correct lead before proceeding. For universal patch leads, prepare the wiring loops in accordance with the instruction manual supplied with the product before installation.
- Connect the 12 pin connector from the stereo connection (patch) lead to the interface box
- Connect the opposite end of the stereo connection (patch) lead to the steering wheel control input on the back of the aftermarket stereo
NOTE: This may be a 3.5mm jack connector or a wired input depending on the brand of aftermarket stereo being fitted. Please consult the aftermarket stereo installation manual for further information on where to make the connection
!IMPORTANT: THIS STEP MUST BE COMPLETED BEFORE CONNECTING POWER TO THE INTERFACE. FAILURE TO DO SO MAY RESULT IN A LACK OF FUNCTIONALITY AND THE NEED TO REINSTALL THE PRODUCT - Connect the 14 pin connector from the supplied wiring loom to the interface box
- Connect the power/speaker ISO connector (16 pins) from the interface to the power/speaker ISO connector from the aftermarket stereo.
NOTE: For aftermarket stereos that do not have an ISO connector, please see “Wiring Key” on Pg.2 for information on which wires to connect. Some interfaces may also have additional ʻflyingʼ wires which can be connected to the vehicle to support various features ie. parking brake trigger, reverse gear, and speed pulse. Details of these can be found under ʻAdditional Connectionsʼ. - Connect the 24 pins and 54 pin vehicle-specific connectors on the supplied harness to the corresponding connectors from the vehicle
- Make additional connections to retain the OEM reversing camera (yellow RCA), AUX input (red/white RCA), and USB input (USB retention harness) if the vehicle is equipped.
- Test stereo and steering wheel control functionality for correct operation before reassembling the vehicle dashboard. If steering wheel control functions are unresponsive, please uninstall the interface and wiring and reinstall carefully in accordance with the above steps.
For further help and support, please contact us directly at https://aerpro.com/contact and fill out a support ticket with the full details of your issue.
WIRING DIAGRAM

DOUBLE DIN FITTING KIT
FORD RANGER, EVEREST2015>(Flat Black. Not for Vehicles with SYNC3 8″ Touchscreen)

Tools Required:- – – – – – – – – – – – – – – – – –
- Panel Removal Tool/s
- Screwdriver/s
DISCLAIMER
This instruction booklet is based on carefully documented data and research. Connects2 cannot be held responsible for discrepancies/inconsistencies that may occur due to automobile manufacturing changes, options, or damage that may occur in the vehicle during the installation of components while using this booklet
Need help with your installation? Visit https://aerpro.com/contact
INSTALLATION GUIDE
STEP ONE
Firstly, use a panel removal tool to remove both of the fans and trim panels from each side of the head unit

STEP TWO
Next, remove the panels underneath the A/C controls by hand, followed by the panel situated between the head unit and A/C controls

STEP THREE
With the panels removed, use a screwdriver to remove the five screws holding the fascia panel in place

STEP FOUR
Once the fascia panel is free, disconnect all wiring to the panel and remove the panel

STEP FIVE
Unscrew the eight screws holding the head unit and top display in place

STEP SIX
Once the head unit and top display are free, disconnect all wiring to both parts and remove

STEP SEVEN
Take the OEM fascia panel and remove all eighteen screws located on the back (circled)

STEP EIGHT
Remove the back of the panel and disconnect the wire which leads from the top board to the A/C panel to reveal a screw. Remove this and the three other screws on the panel to detach the A/C controls from the rest of the panel

STEP NINE
Insert the new trim piece into the opening in the new fascia panel. Screw the fascia panel to the A/C controls (using the four screws removed in Step Eight) and refit the back of the panel (using the eighteen screws removed in Step Seven)
[NB: At this point, a Connects2 CTSFO0l 8.2 the interface can be connected to retain steering wheel control functionality]

STEP TEN
Attach both of the brackets to the aftermarket head unit, using the fascia panel as a guide. Once satisfied with the fit, screw the head unit into the dash

STEP ELEVEN
Next, reconnect all connections to the fascia panel and air conditioning assembly and clip them into place around the head unit

STEP TWELVE
Reattach all remaining trim panels to complete your installation of the FP8473K Double DIN Fascia Kit

![]()



















