
CTSVL006.2
Steering Wheel Control
Interface for Volvo Vehicles

| i. Interface Box | vi. ISO Power/Speaker Connector |
| ii. Volvo CAN Data Connector | vii. OEM Aux Retention |
| iii. Vehicle Specific Power Connector | viii. Volvo Amplifier Connector |
| iv. Additional Wiring Outputs | ix. Speaker Module |
| v. OEM Microphone Retention | |
APPLICATION
| Volvo S80 | 2006 – 2011 |
| Volvo V70 | 2007 – 2011 |
| Volvo XC70 | 2007 – 2011 |
FEATURES
- Retains Factory Steering Wheel Control Functionality
- Retains Factory Phone Button Functionality
- Retains Amplified System
- Retains Warning Chimes/Parking Sensor Audio
- Provides Outputs for Park Brake, Reverse Gear, and Speed Pulse
- Software Updatable (contact supplier for more information)
DISCLAIMER
The information provided in this document is subject to change without notice due to manufacturer changes and/or improvements to the product/s. This instruction manual is based on documented data and research. The manufacturer of this product cannot be held responsible for any changes made to the vehicle by the manufacturer or damages that may occur through the installation of this product in accordance with the steps outlined herein.
PRIOR TO INSTALLATION
Read the manual prior to installation. Technical knowledge is necessary for installation. The place of installation must be free of moisture and away from heat sources. Please ensure that the correct tools are used during the installation to avoid damage to the vehicle or product.
Connects2 can not be held responsible for the installation of this product.
WIRING KEY
IN ISO CONNECTOR
| Purple | Right Rear Speaker + |
| Purple/Black | Right, Rear Speaker – |
| Green | Left Rear Speaker + |
| Green/Black | Left Rear Speaker – |
| Grey | Right Front Speaker + |
| Grey/Black | Right Front Speaker – |
| White | Left Front Speaker + |
| White/Black | Left Front Speaker – |
| Yellow | Permanent 12V |
| Black | Ground |
| Red | Ignition 12V |
| Orange | Illumination |
ADDITIONAL CONNECTIONS
| Pink | Speed Pulse |
| Green | Park Brake |
| Purple/White | Reverse Gear |
STEERING WHEEL CONTROL FUNCTIONALITY
The following diagram, though based on careful research, is an example only of Individual steering wheel control configurations may differ.

| 1. Track Up | 4. Hang Up |
| 2. Track Down | 5. Volume Up |
| 1&2. Source (Hold Both) | 6. Volume Down |
| 3. Pick Up | 5&6. Mute (Hold Both) |
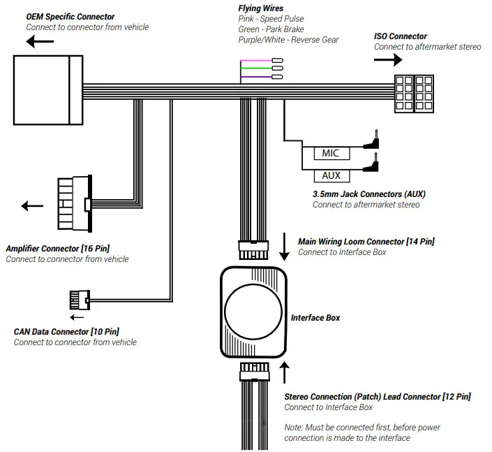
INSTALLATION GUIDE
See wiring diagram on Pg.4 for more information
Before installing the interface, the factory stereo must be removed and disconnected. To do this, please consult the vehicle owner’s manual/handbook or contact a fitting professional.
A stereo connection (patch) lead is also required for the installation of this interface (supplied separately).
Please ensure that you have the correct lead before proceeding. For universal patch leads, prepare the wiring loops in accordance with the instruction manual supplied with the product before installation.
- Connect the 12 pin connector from the stereo connection (patch) lead to the interface box
- Connect the opposite end of the stereo connection (patch) lead to the steering wheel control input on the back of the aftermarket stereo
NOTE: This may be a 3.5mm jack connector or a wired input depending on the brand of aftermarket stereo being fitted. Please consult the aftermarket stereo installation manual for further information on where to make the connectionIMPORTANT: THIS STEP MUST BE COMPLETED BEFORE CONNECTING POWER TO THE INTERFACE. FAILURE TO DO SO MAY RESULT IN A LACK OF FUNCTIONALITY AND THE NEED TO REINSTALL THE PRODUCT - Connect the 14 pin connector from the supplied wiring loom + 2-pin speaker wire to the interface box
- Connect the power/speaker ISO connector to the power/speaker ISO connector at the rear of the aftermarket stereo
NOTE: For aftermarket stereos that do not have an ISO connector, please see “Wiring Key” on Pg.2 for information on which wires to connect. Some interfaces may also have additional ‘flying’ wires which can be connected to the vehicle to support various features ie. parking brake trigger, reverse gear, and speed pulse. Details of these can be found under ‘Additional Connections’. - Connect the additional flying wires to the aftermarket head unit’s wiring harness as required
- Connect the 3.5mm jack connectors to the back of the aftermarket head unit to retain the vehicle’s OEM Aux input and Microphone
- Connect the Amplifier connector to the vehicle OEM Amplifier (for these models, the amplifier is located under the driver’s seat)
- Connect the CAN Data connector to the vehicle OEM connector
- Connect the vehicle-specific power connector on the supplied harness to the OEM connector from the vehicle
- Test stereo and steering wheel control functionality for correct operation before reassembling the vehicle dashboard. If steering wheel control functions are unresponsive, please uninstall the interface and wiring and reinstall carefully in accordance with the above steps
For further help and support, please contact us directly at support.connects2.com/tickets/technical and fill out a support ticket with the full details of your issue.
WIRING DIAGRAM




















