ASHCROFT T400 Snap Action Switch for Temperature Control Instruction

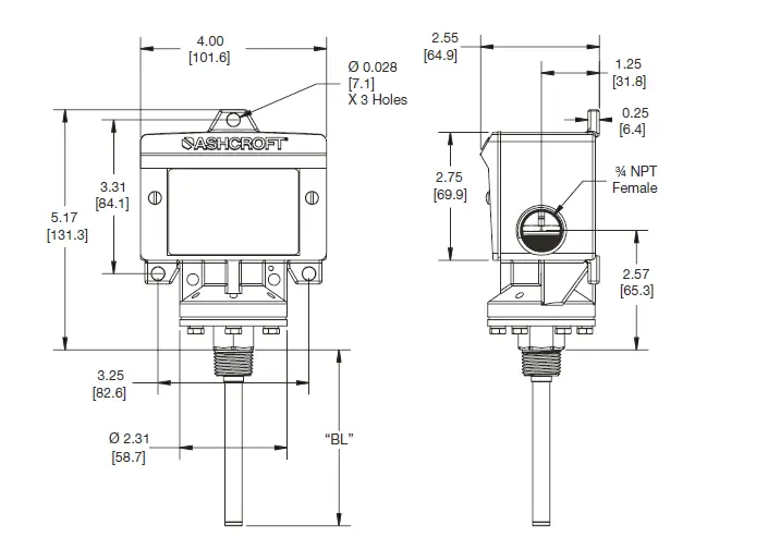
T400 REMOTE MOUNT
INTRODUCTION
The Ashcroft® temperature switch is a precision built U.L. and C.S.A. approved control device which features a mechanical snap action switch. Controllers are available for operation on temperature with fixed or variable differential. Also, manual reset types are available for operation on increasing or decreasing temperature. The manual reset types remain tripped until reset by pressing a button on the top of the enclosure. The standard electrical switch is SPDT and is available with various electrical characteristics. Two SPDT switch elements mounted together are available except on variable deadband and manual reset types. Bulb material is stainless steel. The Ashcroft snap action temperature switch is furnished in the standard NEMA 4/4X enclosure style. The enclosure is epoxy coated aluminum casting.
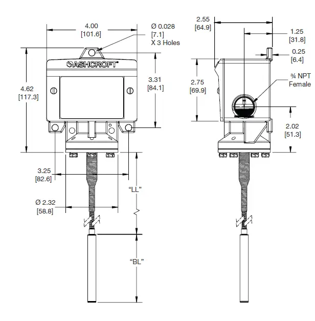
T400 DIRECT MOUNT


INSTALLATION
These controls are precision instruments and should never be left with internal components exposed. During installation insure that covers are in place and conduit openings are closed except when actually working on the control. Good piping practice requires the use of a thermowell for installation where pressure may be applied to the thermal system. The thermowell provides protection against physical damage as well as corrosive effects of media flow. Use of a thermowell also facilitates removal of the bulb from the process line without disturbing the process. Standard thermowell materials include brass, steel and stainless steel; other materials are available upon request. Selection should be based on corrosion resistance requirements and process pressure.
MOUNTING T400 SERIES
There are three holes external to the enclosure for surface mounting. Location of these holes is shown on the general dimension drawing.
A. Direct – Mounted Controls
These controls have a ½ NPT threaded adapter and may be attached directly or indirectly by means of a thermowell to equipment to be controlled. When installing or removing control always use the wrench flats or hex above the threads. Do not twist the housing.
B. Remote Mounted Controls
Two types of union bushings are available to install a remote mounted bulb into a thermowell or other ½ NPT threaded hole. A non-pressure tight type consists of a bushing, split grommet and compression nut. To use this, the bulb is inserted through the nut and the split grommet is slipped into the capillary between the compression nut and the bushing. After positioning the bulb as desired tighten the nut to the bushing. This will lock the capillary at the desired location. The pressure tight type is clamped to the bulb after insertion by tightening the compression nut.
To use this, the union bushing is screwed into the ½ NPT threaded hole. The compression nut and sleeve are slipped onto the bulb which is then inserted into the union bushing. The bulb is then positioned and the compression nut is hand tightened pus 2¼ turns. This will lock the capillary at the desired location.
ELECTRICAL CONNECTIONS
Remove cover T400 Series – two screws hold cover to enclosure
CONDUIT CONNECTIONS
Note – It is recommended that Teflon® tape or other sealant be used on conduit, bushing or plug threads to ensure integrity of the enclosure.
- T400 Series standard – one ¾ NPT conduit hole right side.
- T400 Series – XJL variation – ¾ to ½ NPT reducing bushing
- supplied.
- T400 Series – XJK variation – two ¾ NPT conduit holes.
T400 SERIES
SPDT – Wire directly to the switch according to circuit requirements. On controls with pilot lights wire lights according to circuit diagram on inside of cover. See special wiring instruction tag for single switches with two pilot lights and dual switches with one or more lights.
2-SPDT – Dual switching elements consist of two SPDT switches mounted together in a bracket. Switches are calibrated to have simultaneous operation within 1% of range either on increasing or decreasing pressure but not in both directions. Wire directly to the front and rear switch according to circuit requirements. Leads are provided on rear switch color coded as follows:
- Common – White
- Normally Closed – Red
- Normally Open – Blue
When hermetically sealed switch element (s) are supplied, the lead color coding is as follows
- Common – White
- Normally Closed – Red
- Normally Open – Blue
SETPOINT LOCKING SCREW
Once setpoint has been determined, tighten setpoint locking screw using a 5/64˝ allen (hex) wrench. Do not over torque; setpoint locking screw only needs to be hand tight.
When performing calibration or changing the setpoint, the setpoint locking screw should be loosened before turning the setpoint adjusting nut. Once calibration is complete, re-tighten the setpoint locking screw. After installation of the control replace cover to insure electrical safety and to protect internal parts from the environment.

ADJUSTMENT OF SETPOINT
T400 Series – A single setpoint adjustment nut (7⁄8˝) is located centrally at the bottom on the inside of the enclosure. The bulb of the control should be immersed in a bath at the desired setpoint temperature. Optimum performance will be obtained if the bulb is fully immersed. Allow five minutes for initial stabilization. As received, the temperature switch will normally be set to approximately 90% of the indicated range. After stabilization, turn the adjustment nut until switch changes mode. Direction of turning is indicated on a label affixed to the inside of the control enclosure. When setpoint has been achieved raise and lower temperature to insure that the setpoint is correct. After installation of the control replace cover to insure electrical safety and to protect internal parts from the environment.
T450 VARIABLE DEADBAND SWITCH
Deadband is varied by rotating the wheel on the precision switch. When viewed from the front of the enclosure, rotation to the left increases deadband – rotation to the right decreased headband. Letters on the wheel may be used as a reference. Deadbands obtainable will vary from 0.5% to 9% of pressure range depending on range segment.
ADJUSTMENT OF SETPOINT
As received, the temperature switch will normally be set to approximately 90% of range. Rotate the wheel on the MICRO SWITCH all the way to the right; this will provide smallest deadband. Increase bath temperature to the required setpoint and turn the adjustment nut until the switch changes mode. Lower the bath temperature to reset the switch. Rotate the wheel on the MICRO SWITCH until the desired deadband is obtained. The upper setpoint will be changing upward with this adjustment. Lower the bath temperature to reset the switch. Raise the bath temperature to the desired setpoint and turn the adjusting nut until the switch changes mode. Lower the bath temperature and check reset point and deadband.
T428 & T429 MANUAL RESET SWITCHES
Route wire leads from switch terminals so as not to interfere with or touch reset button. Note – As indicated above, adjustment of setpoint is made by use of 7/8˝ nut. Precision switch element mounting screws and bracket adjusting screw are factory sealed and should not be tampered with.
© 2017 Ashcroft Inc., 250 East Main Street, Stratford, CT 06614-5145, USA, Tel: 203-378-8281, Fax: 203-385-0499, www.ashcroft.com All sales subject to standard terms and conditions of sale. t400_switch_im_ RevA_(009-10006)_08-24-18
















