
![]()
OPTOD NUMERICAL SENSOR
User manual

General
In order to maintain and ensure the good working order of the OPTOD sensor, users must comply with the safety precautions and warnings featured in this manual.
Assembly and activation:
- Assembly, electrical connection, activation, operation, and maintenance of the measuring system must only be carried out by specialist personnel authorized by the user of the facilities.
- Trained personnel must be familiar with and comply with the instructions in this manual.
- Make sure the power supply complies with the specifications before connecting the device.
- A clearly-labeled power switch must be installed near the device.
- Check all connections before turning the power on.
- Do not attempt to use damaged equipment: it may represent a hazard and should be labeled as faulty.
- Repairs must only be carried out by the manufacturer or by AQUALABO CONTROL’s after-sales service department.
➢ Marking on the body of the sensor:
The marking on the body of the sensor indicates the serial number of the sensor (for the traceability) and the LOGO CE.

| 1 | Datamatrix (contains the serial number) |
| 2 | Serial number OPTOD sensor : SN-PODOXYYYY X: version YYYY: number |
| 3 | CE mark |
Characteristics
Technical characteristics.
The technical characteristics can be modified without advance notice.
| Measures | |
| Measure principle | Optical measure by luminescence |
| Measure ranges | 0,00 to 20,00 mg/L 0,00 to 20,00 ppm 0-200% |
| Resolution | 0,01 |
| Accuracy | +/- 0,1mg/L +1- 0,1 ppm +/- 1 % |
| Response time | 90% of the value in less than 60 seconds |
| Frequency of recommended measure | >5 s |
| Temperature compensation Via NTC | (compensation active for temperature lower than 0°C) |
| Measurement range (Temperature) | 0.00 to 50.00 °C |
| Resolution (Temperature) | 0.01 °C |
| Accuracy (Temperature) | 0.5°C |
| Storage temperature | – 10°C to + 60°C |
| Sensor | |
| Dimensions | Diameter : 25 mm ; length : 146 mm |
| Weight | Stainless steel version 450g (sensor + cable 3 m) Titanium version 300 q (sensor + cable 3 m) |
| Wetted material | Standard Version in passivated Stainless steel 316L body, strainer and screw, For Seawater application Version in Titanium body, strainer and screw, Cable : polyurethane jacket Steam gland : Polyamide Patch with active material (black) — DO DISK : Optical isolation silicon |
| DO disk | No cross-sensitivity with : pH 1 — 14 ; CO2, H2S, SO2 Cross-sensitivity to Organic solvents, such as acetone, toluene, chloroform or methylene chloride Chlorine gas |
| Maximum pressure | 5 bars |
| IP classification | IP68 |
| Connection | 9 armoured connectors, polyurethane jacket, bare-wires or waterproof Fisher connector |
| Sensor cable | Standard: 3, 7 and 15 m (other length on request). 100 m Max. Up to 100 m with junction box. |
| Communication — Power supply | |
| Signal interface | Modbus RTU RS-485 and SDI-12 |
| Power requirements | 5 to 12 volts for cable 0-15 m 7 to 12 volts for cable >15 m Max. 13.2 V |
| Consumption | Standby 25 pA Average RS485 (1 measure/ seconde) : 4,4 mA Average SDI12 (1 measure/ seconde) : 7,3 mA Current pulse : 100 mA Heating time : 100 mS Protection against the inversions of polarity |
CE compliance.
Pursuant to the article 11 of the directive 89 / 336 / EEC relative to the electromagnetic compatibility.
We declare that the digital sensor of the range DIGISENS sensor PHEHT was tested and declared in compliance with the European standards : Standard tests: EN 61326-1 edition 2013
Emission – EMC EN 55022 Class B
Immunity – EN 61000-4-3 A
EN 61000-4-2 B
EN 61000-4-6 A
EN 61000-4-4 B
Shone disturbances: EN 55011B
Identification of the measurement process: composed of :
1- one probe
2- Ponsel’s cable.
EN 61000-4-5 Not concerned for sensors with a cable lower or equal to 30 M
Commercial name: DIGISENS range
Manufacturer
AQUALABO CONTROLE –Ponsel Mesure
35 Rue Michel MARION
56850 CAUDAN
Responsible UE :
AQUALABO CONTROLE – Ponsel Mesure
35 Rue Michel MARION
56850 CAUDAN
Description.
Product overview
The OPTOD dissolved oxygen sensor applies the luminescence-based optical measurement technology and measures reliably and accurately without requiring calibration. With no consumables or maintenance required, the OPTOD sensor gives an immediate return on the investment. The only intervention required is to replace the DO disk every two years. Since it does not consume oxygen, the OPTOD sensor can be used in all media; even when there is a very weak flow of water.
The OPTOD sensor offers the following advantages:
- Low operating costs due to reduced maintenance work (no electrolyte changes)
- Greater calibration intervals due to low drift behaviour
- No polarization voltage required
- High measuring accuracy, even for low concentrations
- Rapid response times
- No minimum inflow (no oxygen consumption)
The sensor features excellent interference immunity thanks to the integrated preamplifier and digital signal processing. The measured value for dissolved oxygen is automatically compensated with the temperature, air pressure, and salinity (salt content), and transferred without interference to the
connected display unit and controller via a digital interface. The membrane cap is easy to replace, meaning the sensor is very easy to maintain. The current calibration data is saved directly in the sensor electronics. As a result, the Plug and Play function of the system is enabled without the need for recalibration. The sensor also includes a log book containing the last ten successful calibrations in the form of a ring buffer.
Applications
The compact and robust stainless steel or titanium sensor is particularly well suited to the following typical areas of application:
- Industrial and municipal sewage treatment plants
- Wastewater management (nitrification and de-nitrification)*
- Surface water monitoring
- Fish farming, aquaculture
- Drinking water monitoring
Construction and dimensions.

- Stainless steel membrane cap (or titanium) with DODISK
- Membrane cap seal
- Sensor body with measurement electronics
- Cable bushing
- Securely connected connection cable

Communication.
Modbus RTU registers.
The link protocol must correspond to MODBUS RTU.
See document:
- Modbus_over_serial_line_V1_02.pdf
- Modbus_Application_Protocol_V1_1a.pdf
- Modbus memory for PONSEL digital Sensors : SENSOR_TramesCom_xxx_UK.xls (refer to http://www.ponselweb.com/)
The Modbus memory plane is identical for each parameter of the Sensors.
The Modbus protocol for the Sensors allows you to measure the parameter (+ temperature) of the Sensor and to calibrate the parameter (+ temperature). Furthermore, there are certain numbers of functions such as:
- Select the averaging value
- Read the Sensor description
- Return to default coefficients
- Modify the Sensor address
- Information on measures conducted (Out Of Specification measures, measures in progress, etc.).
- Date and name of the operator who performed the calibration
- etc.
To have more information on the open PONSEL’s Modbus protocol please consult the last version of the following documents :
- the pdf file : Modbus_SpecificationsVxxx-EN
- the excel file : Digital sensor Frame_XXX_UK
SDI12 frame.
A list of SDI12 registers is available for network communication. Refer to http://www.ponsel-web.com/ for more information.
Compensation
Influences on the measurement.
The oxygen measurement is dependent on parameters:
- The temperature of the measurement medium
- The air pressure (atmospheric pressure)
- The salinity of the measurement medium
The degree of solubility of oxygen in water is dependent on the temperature, the salinity, and the air pressure. This dependency is stored in the sensor’s measurement electronics in the form of functions. The sensor can therefore determine the oxygen concentration of the measurement medium, in order to digitally transmit the influencing factors above, in compensated form, to the transmitter/controller.
Temperature compensation.
The temperature compensation is automatic and managed directly by the sensor via the integrated sensor of temperature (NTC).
Atmospheric pressure.
With the most frequently used calibration method – end value calibration of the sensor in water vapor-saturated air – the air pressure must be taken into account.
For this purpose, the air pressure can, for example, be transmitted to the sensor by the way of your terminal, where it is saved. By default the value of the atmospheric used for the compensation is 1013 hPa.
Salinity.
The value for the salinity of the measurement medium could be transmitted to the sensor by the way of your terminal.
By default the value of the salinity used for the compensation is 0 g/Kg.
Sampling rate
Optical oxygen sensors do not carry out any continuous measurements.To extend the operating life of the optical membrane, the measurement interval can be set to a value superior to 10 seconds.
Installation.
Sensor installation option
For the installation of the sensors in condition of immersion or in-pipe insertion, we advise to use accessories adapted and proposed by AQUALABO CONTROLE.
Accessories for immersion installation.
In immersion condition, it is necessary to maintain the sensor by the body and not to leave the sensor suspended by the cable at the risk of damaging the sensor AQUALABO CONTROLE proposes a range or pole (short and long version) in order to install the sensor in open basins. It can be positioned a considerable distance from the basin edge with the bracket suspended on a chain, for example. Please note the following when planning your set-up:
- The fitting must be easily accessible to allow the sensor or the fitting itself to be maintained and cleaned regularly
- Do not allow the fitting (and thus also the sensor) to swing against and hit the basin edge
- When working with systems involving pressure and/or temperature, ensure that the fitting and sensor meet all relevant requirements
- The system designer must check that the materials in the fitting and sensor are suitable for the measurement (chemical compatibility, for instance)
| Material | PVC |
| Admissible temperature | 0 to 60 °C |
| Pressure max. | 5 bars |
➢Short pole

The short pole is available in 2 versions :
- version with elbowed shutter. The nozzle of support is included in the offer.
| PF-ACC-C-00266 | STRAIGHT SHORT POLE FOR OPTOD SENSOR (1495 mm, ELBOWED SHUTTER) |
| PF-ACC-C-00267 | STRAIGHT SHORT POLE FOR PHEHT SENSOR (1495 mm, ELBOWED SHUTTER) |
| PF-ACC-C-00268 | STRAIGHT SHORT POLE FOR C4E/NTU SENSOR (1495 mm, ELBOWED SHUTTER) |
- version with shutter for mounting with chain The nozzle of support is included in the offer.
| PF-ACC-C-00269 | STRAIGHT SHORT POLE FOR OPTOD SENSOR (1550 mm, RING SHUTTER) |
| PF-ACC-C-00270 | STRAIGHT SHORT POLE FOR PHEHT SENSOR (1550 mm, RING SHUTTER) |
| PF-ACC-C-00271 | STRAIGHT SHORT POLE FOR C4E/NTU SENSOR (1550 mm, RING SHUTTER) |
➢Long pole
The long poles are available in elbow version, for installations in aeration basin, and straight, for applications in open channel. Every pole is equipped with an elbowed shutter and with waterproofness joints. The lower part includes a nozzle which is adapted to the sensor what assures its mechanical support.

- Elbowed pole with elbowed shutter
PF-ACC-C-00230 90° ELBOW LONG POLE FOR OPTOD SENSOR (2955 mm, ELBOWED SHUTTER) PF-ACC-C-00261 90° ELBOW LONG POLE FOR PHEHT SENSOR (2955 mm, ELBOWED SHUTTER) PF-ACC-C-00262 90° ELBOW LONG PERCH FOR C4E/NTU SENSOR (2955 mm, ELBOWED SHUTTER) - Straight long pole with elbowed shutter
PF-ACC-C-00263 STRAIGHT LONG POLE FOR OPTOD SENSOR (2745 mm, ELBOWED SHUTTER) PF-ACC-C-00264 STRAIGHT LONG POLE FOR PHEHT SENSOR (2745 mm, ELBOWED SHUTTER) PF-ACC-C-00265 STRAIGHT LONG POLE FOR C4E/NTU SENSOR (2745 mm, ELBOWED SHUTTER)
➢Mounting accessories for pole.
The elements of fixation for the poles are flexible and specially studied to adapt themselves to the different configurations of assembly.

- Pole kit fixation
| NC-ACC-C-00009 | POLE FIXATION KIT FOR NUMERICAL SENSOR (ON LOW WALL) |
| NC-ACC-C-00010 | POLE FIXATION KIT FOR NUMERICAL SENSOR (ON LIFE LINE) |
| NC-ACC-C-00011 | POLE FIXATION KIT FOR NUMERICAL SENSOR (ON VERTICAL AXIS) |
| PF-ACC-C-00272 | VERTICAL AXIS FOR NUMERICAL SENSOR POLE (TO BE FIXED ON SOIL) |

- Accessories kit for assembly of poles with chain.
| NC-ACC-C-00012 | SHORT POLE FIXATION KIT FOR NUMERICAL SENSOR (ON LOW WALL) |
| NC-ACC-C-00013 | SHORT POLE FIXATION KIT FOR NUMERICAL SENSOR (ON LIFE LINE) |
| NC-ACC-C-00014 | SHORT POLE FIXATION KIT FOR NUMERICAL SENSOR (ON VERTICAL AXIS) |
Accessories for PVC pipe-mounting
Every system of assembly is delivered with an adapter (and the appropriate joints) and one T of assembly (45 ° for OPTOD sensor) to stick on a 50 mm diameter pipe. Its special design type ensures the correct inflow to the sensor, thus preventing incorrect measurements.
Please note the following when planning your piping set-up:
- The fitting must be easily accessible to allow the sensor or the fitting itself to be maintained and cleaned regularly
- We recommend bypass measurements. It must be possible to remove the sensor through the use of shut-off valves
- When working with systems involving pressure and/or temperature, ensure that the fitting and sensor meet all relevant requirements
- The system designer must check that the materials in the fitting and sensor are suitable for the measurement (chemical compatibility, for instance)

Mounting system for OPTOD sensor (PF-ACC-C-00224)
Accessories for stainless steel pipe-mounting
The accessories of assembly for stainless pipe are proposed with an adapter and its joints with or without the systems of clamp / Nipple. The acceptable maximum pressure for the sensors is 5 bars.
The system of assembly can be delivered with or without stainless steel clamp. The adapter is compatible with a 51 mm diameter external clamp

Mounting system for OPTOD sensor (PF-ACC-C-00227)
Installation of the sensor in the accessories of assembly
Insertion in a pole.
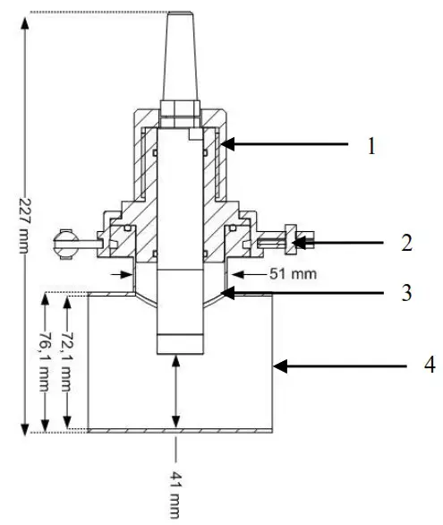
The sensor is mounted on the relevant fitting as described below, using a sensor holder, which can be used both for the short and long pole:

- Guide the sensor cable (3) through the nozzle (4) with union nut (5).
- Insert the sensor cable into the fitting pipe (6) and completely feed through.
- Remove the protective cap (1) on the sensor (2) and insert the sensor into the nozzle.

- Insert the sensor (2) into the nozzle (4) as far as the stop.
- Screw the sensor holder with the union nut (5) onto the fitting pipe (6) and tighten until handtight.
Insertion into the PVC in-pipe mounting system.

- Unscrew the union nut (3) from the PVC flow fitting (1).
- Guide the sensor cable (4) through the union nut on the fitting.
- Insert the sensor (2) into the fitting as far as the position shown in the middle image above.
- Screw the union nut onto the fitting as far as the stop.
Insertion into the Stainless steel in-pipe mounting system.

- After welding the clamp on the stainless steel pipe, remove the clamp from the system and remove the PVC adapter.
- Unscrew the union nut from the adapter.
- Guide the sensor cable through the union nut on the adapter.
- Reposition the adapter in the nipple, and re-screw the union nut.
Electrical connections.
The sensor could deliver within version bare wire on 3, 7, 15 m or on other length (up to 100 m).
| Power supply | |
| Power requirements | 5 to 12 volts for cable 0-15 m 7 to 12 volts for cable >15 m Max. 13.2 V |
| Consumption | Standby 25 µA Average RS485 (1 measure/ seconde) : 4,4 mA Average SDI12 (1 measure/ seconde) : 7,3 mA Current pulse : 100 mA Heating time : 100 mS Protection against the inversions of polarity |
Wiring diagram

Cable length up to 15m
| 1- Red | Power supply V+ |
| 2 – Blue | SDI-12 |
| 3 – Black | Power supply V- |
| 4 – Green | B ” RS-485 “ |
| 5 – White | A ” RS-485 “ |
| 6 – Green/yellow | Cable shield with Power supply V- |
Cable lenght 15 to 100 meters
| Red Purple Yellow Orange pink | Power supply V+ |
| 2 – Blue | SDI-12 |
| 3 – Black | Power supply V- |
| 4 – Green | B ” RS-485 “ |
| 5 – White | A ” RS-485 “ |
| 6 – Green/yellow | Cable shield with Power supply V- |
Note :
Never exceed a voltage of 10VDC (absolute maximum rating) on communication lines RS485, A or B, under penalty of irreversible destruction of the transceiver component RS 485. SDI-12: respect the voltage value described in the associated standard (nominal: 5 VDC) Always connect ground + shield first.
Startup and maintenance.
Initial startup
Once the sensor is connected to your terminal, the sensor is settled in its accessory of assembly and the parameterization has been carried out on the display unit, the sensor is ready for initial startup.
➢ Note :
For measurement, you must eliminate bubbles trapped under the membrane. Presence of chlorine will distort the measure (overestimation of dissolved oxygen level).
During the introduction of the sensor in measurement environment, wait for sensor’s temperature stabilization before measure processing.
To optimize a sustainable functioning of your probe, we recommend you to respect a frequency of measure superior to 10 seconds.
The membrane is vulnerable to : chemicals (organic solvents, acids, peroxide), mechanical treatments (impact, abrasion, tearing).
➢ Started :
Remove the black cap of protection (by holding the sensor head downward and by unscrewing the hood towards the right).
The sensor is delivered dry and the DODISK must be rehydrated so that the measures are optimized. After dry storage, rehydrate the membrane for a 12 hours period (one night) in clear water.
Calibration
The sensor is calibrated to specification at the factory. The manufacturer does not recommend calibration unless periodically required by regulatory agencies. If calibration is required, let the sensor come to equilibrium with the process before calibration. Do not calibrate the sensor at setup. After the membrane cap is replaced, calibration should be carried out. It is also advisable to regularly clean the sensor (see the chapter maintenance : 5.3);
Calibration in 2 point.
With two-point calibration, the zero point (0% – offset) and slope (100 %)of the sensor are calibrated.
This calibration method offers the greatest possible level of accuracy and is particularly recommended for measurements of small oxygen concentrations.
It is carried out as follows:
➢ Offset calibration :
- The sensor beforehand cleaned (to see chapter maintenance 5.3) is immersed in a water-sulphite solution (sulphite concentration < 2 %) in order to determine the zero point (0 % saturation). Mix the solution with the sensor so that the saturation in oxygen decreases more quickly (The oxygen fixed to the DODISK) must be consumed),
![]()
CAUTION!
Damage to the sensor membrane due to chemicals.
A damaged membrane can lead to incorrect measurement results. The sensor membrane must not be in contact with the sulphite solution for longer than one hour.
- Washing (with clear water) and drying the sensor,
➢ Slope calibration :
- Sensor slope is determined by positioning in oxygen-saturated environment (100 % saturation. The slope of the sensor is calibrated beyond the defined state of 100 % oxygen saturation. This state can in principle be achieved in two ways:
- By positioning the sensor in water vapor-saturated air (for example, directly over a water surface).
- By positioning the sensor in air-saturated water (air is directed through water until the water is saturated with it). The illustration below is a representation of the conditions in air- saturated water.

- The sensor must be kept dry during the calibration process. Drops of water adhering to the sensor membrane could distort the measurement result.
- The air pressure and temperature must remain constant during the calibration.
Calibration in 1 point.
The calibration in 1 point consists in propping up a 100% point : please consult the above chapter (slope calibration).
Maintenance
The maintenance schedule shows minimum intervals for regular maintenance tasks. Perform maintenance tasks more frequently for applications that cause electrode fouling.
Note: Do not disassemble the probe for maintenance or cleaning.
- The sensor must always be kept clean, particularly in the area around the optical membrane. The presence of a biofilm on the membrane cap can lead to measuring errors.
- A dirty membrane should be cleaned with warm, soapy water. A soft sponge should be used for cleaning (not an abrasive scouring sponge).
- If the sensor is put out of operation, it should be rinsed prior to being stored, and the protective cap should be fitted with the protective case and a moist absorbent surface (like cotton).
Cleaning.
Rinse meticulously the sensor and the membrane with clear water.
If deposits like biofilm or mud persist, wipe the membrane gently with a sweet cloth or an absorbent paper.
Attention : For the Titanium version clean the body of the sensor by means of acetone (do not use methylated spirit, ethanol or methanol).
Change of the DODISK.
The average life time of the DODISK is of 2 years.
In case of deterioration of the DODISK or of difficulty on the processes of calibration, the DODISK will be to change.

- Unscrew the stainless steel DODISK (1) from the sensor body with measurement electronics (3). When doing so, ensure that the optical window (2) of the sensor is not touched.
- Remove the DODISK (Ref PF-CSO-C-00041 stainless steel version, PF-ACC-C-00045 Titanium version) from the opaque protective film and screw slowly onto the sensor body. When screwing on, ensure that the optical window of the sensor is not touched.
- Rehydrate the membrane for a 12 hours period and recalibrate the sensor in 2 points (chapter 5.2.1)
Attention: do not unscrew the strainer containing the DODISK only in case of change.
Storage.
With the aim of keeping the active pastille operational quickly, keep the membrane hydrated with the protective case and a moist absorbent surface (like otton wool).
After dry storage, rehydrate the membrane for a 12 hours period.
AQUALABO After-Sales Service
AQUALABO CONTROLE 115 Rue Michel MARION 56850 CAUDAN FRANCE
Tel.: +33 (0)4 11 71 97 41
AQUALABO
90, Rue du Professeur P. Milliez 94506 Champigny-sur-Marne
Tel.: +33 (0)1 55 09 10 10
Version 1.2
Update: Feb 2021


















