Honeywell DT4R Wireless Modulating Room Thermostat Instruction Manual

Scan the QR Codes


Must be installed by a competent person. To ensure your safety make sure the mains power is switched OFF before accessing wiring.
Application

Pittway Sarl, Z.A. La Pièce 6,
1180 Rolle, Switzerland
Country of origin : UK
© 2023 Resideo Technologies, Inc. All rights reserved.
The Honeywell Home trademark is used under license from Honeywell International Inc.
This product is manufactured by Resideo Technologies, Inc. and its affiliates.
R32350730-001 B
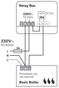
On/off boiler (230V)

Combi boiler

Heat Pump

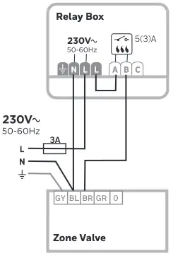
2-Port Zone Valve

Install the Relay Box



Install the Thermostat






RF Communication Test


The Thermostat and Relay Box in this pack are pre-bound.

Parameters


HC
Heat, Cool, Heat/Cool Mode
H, C, HC
Ot
Minimum On Time
1, 2, 3, 4, 5, 10, 15, 20, 25, 30
OFt
Minimum Off Time
0, 1, 5, 10
Cr
Cycle Rate
3, 6, 9, 12
tO
Temperature Offset
-3.0 … +3.0°C
(0.0)
UL![]()
Upper Limit (heat)
19 … 35°C
LL![]()
Lower Limit (heat)
5 … 19°C
ULc![]()
Upper Limit (cool)
27 … 35°C
LLc![]()
Lower Limit (cool)
5 … 27°C
EOs
Eco Offset
-3.0 … +3.0°C
(-2.0)
LC
Failsafe Mode
0 = Disabled
FS
Factory Reset
0, 1 = Reset
End
Exit


















