eSSL inBIO160 Single Door Fingerprint Access Control System

Installation and Connection Guide
Cautions
Please note the following cautions. Mis-operation may lead to personal injury or equipment failure:
- Do not energize the system before installation is complete; never carry out installation activities when the system is energized.
- All perip heral devices must be grounded.
- The conduits of wire s under relay must be matched with metaled conduits, other wires can use PVC conduits.
- It is strongly recommended that the length of the exposed part of any connection cable should not be longer than 4 mm. Professional clamping tools may be used to avoid unintentional contact of exposed wires to avoid short-circuit or communication failure.
- It is recommended that card readers and buttons be installed at a height of 1.4m-1.5m above ground.
- It is recommended to use the power supply for the control panel, and an external power supply for each lock.
- The appliance shall be installed and wired in accordance with the national electrical code and by qualified personnel only
Description of normal working state:
Connect the system to the power supply. If the system works properly, the POWER indicator (red) is lit constantly and the RUN indicator (green) flashes.
Valve regulated lead-ac id battery :
Constant t voltage charge voltage regulati on Cycle use : 14.5V ~14.9V (25 )
Initial curren t: less tha n 2.88 A
Standby use: 13.6V ~13.8V (25 )
Capacity: 12V, 7.2A h/20 hr
Battery Type: LC-RA127R2T1
Caution :
Do not charge in a gastight container.
Do not short the battery term in ls.
Do not inc in rate
Flush with water at once if contact is made with electrolyte (Acid )
Do not attempt to disassemble the battery.
Components

Installation
After the following installation, fix the panel to the track first, and then install other components.

LED Indicators and Wire Illustration
- Meaning of LED indicators:
LINK indicator (green): Constant light always indicates TCP/IP communication is normal.
ACT indicator (yellow): Flashing indicates data is transmitting through TCP/IP communication.
EXT RS485 indicator (yellow&green): Flashing indicates it is sending or receiving data through RS485 communication. PC RS485 indicator (yellow&green): Flashing indicates it is sending or receiving data through RS485 communication. POWER indicator (red): Light always indicates the control panel is power on.
RUN indicator (green): Flashing indicates that system is working normally.
CARD indicator (yellow): Flashing indicates a card is punched on reader. - Recommended use of wires
Inte rface Wir e Speci cation Network cable M aximum length Power (A) 18AWG*2PIN / 1.5M Wiegand (B)
24AWG*6PIN (6PIN, 8PIN, 10PIN for different readers)
CAT-5 or above network cable, one way DC impedance is less than 100Ω /KM
100M
Electric Lock (C)
18AWG*2PIN+24AWG*2PIN, 18AWG*2PIN for lock connection, 24AWG*2PIN for door sensor connection.
/
50M
Button (D) 24AWG*2PIN / 100M EXT485 (E)
20AWG*2PIN+24AWG*2PIN, 20AWG*2PIN for reader power supply, 24AWG*2PIN for RS485 communication
CAT-5 or above network cable, one way DC impedance less than 100 Ω /KM. In wire connection, +12V and
GND of power supply need to be parallel and use double wires.
Share power with control panel: 100M Use independence power supply (connect RS485 signal interface only): 1000M - The auxiliary input may be connected to infrared body detectors, alarm switches, etc.
- The auxiliary output may be connected to door bells, alarms, etc.
- State Indicators are connected to the panel box, that is power indicator, run status indicator and communication status indicator.

- AUX Output 1 connect to alarm, door bell and so on;
Port (NO, COM, NC) Electrical Parameters:
MAX Voltage: 36V(DC) MAX Current: 1.25A
Note:
AUX Output 1 connect way is same. - Lock 1:
Port (SEN)connect to door sensor single with
dry contact (no voltage);
Port (NO, COM, NC) Electrical Parameters:
MAX Voltage: 36V(DC) MAX Current: 2A
Note:
When you select Wet mode,the power is Lock power,
Lock 1 total load don’t more than Lock power Rated
current (2A).
Lock 1 connect way is same. - Lock Power Input Electrical Parameters:
Rated Voltage: 36V(DC) Rated Current: 2A - Device Power Input Electrical Parameters:
Rated Voltage: 12V(DC) Rated Current: 2A
Note:
Output Electrical Parameters:
Rated Voltage: 12V(DC)
Rated Current: 0.5A - AUX Input 1 connect to the infrared human body induction, wireless exit button, windows sensor with dry contact (no voltage).
AUX Input 1 connect way is same. - Exit button for Lock1 connect to Exit button with dry contact.(no voltage);
Reader 1 connect to WG Reader; - Port (+12V)Output Electrical Parameters:
Rated Voltage: 12V(DC) Rated Current: 0.5A
Port (BEEP GLED) Output Electrical Parameters:
Rated Voltage: 5V(DC) Raged Current: 0.5mA
DIP Switch Settings
- Switches1-6 are used to set the control panel number in RS485 communication: It is adopted binary coding and little-endian, the address number is set by placing these 6 switches are shown in the figure below. Before setting the address, please keep the system powered off. Place the corresponding switches to the desired status, and the address number should not be repeated in the network.
For example: Set the device number as 39 (39=1+2+4+32), the switches status are 111001, that is set number 1, 2, 3 and 6 switches at “ON”. - Number 7 switch is used to restore factory defaults: Switch it three times within 10 seconds and restart the device, then all data will be cleared and the system restored to factory default setting.
- Number 8 switch is used to set terminal resistance in RS485 communication: Switch it to“ON” status, for adding a terminal resistance of 120 ohm between 485+ and 485-.

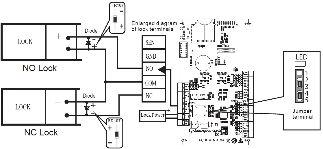
Lock Connection
- The control panel provides lock control output interfaces. For NO lock, it is normal open when power is on, so COM and NO terminals should be used. For NC lock, it is normal closed when power is on, so COM and NC terminals should be used.
- The control panel supports “dry mode” and “wet mode” by using the jumper. For “wet mode”, short 2-3 and 4-5 terminals. The control panel and the lock use separate power supplies: One is connected with +12V and GND of POWER interface (for the control panel), the other is connected with V+ and V- of LOCK interface
(for the lock). For detailed settings for “dry mode” and “wet mode” , please refer to the Installation Guide. The factory default is dry mode. - For the Wiegand reader and the inBIO reader, the standard power supply is 12V/3A. So we do not recommend that the lock and the control panel share a common power supply. If it is necessary to do, so we suggest using a larger one such as 12V/5A.Not including the power reserved, there are 2A current for the lock. For the common electrical lock (the standby current is 300mA, the max current is 500mA), the maximum connected lock is 4.
- When electrical lock is connected with access control system, you need to parallel a Fr107 diode (equipped in the package) to prevent the self-inductance EMF affecting the system, do not reverse the polarities.
Insert a screwdriver to the rectangular hole in the four corner of the panel back, push it in until hearing the “click” sound. Then remove the case from the panel. The following is “ wet mode” lock connection with external power supply.

485 Reader (inBIO Reader) Connection
The control panel supports inBIO biometric verification reader and Wiegand reader. All inBIO reader operations are executed from the control panel including storage, verification, etc. Re-register the fingerprints is not required when replacing the reader. inBIO r eader connection: First of all, set the 485 address (device number) of the reader by DIP switch and software.
For reader 1, 2 (the odd number is for entrance reader, and the even number is for exit reader), the door number is 1. And the 485 address is 1, 2, as in the figure below. For more information, please refer to the software user manual.
Attention: DIP switch configuration for FR1200, KR500E&M-RS; Software configuration for unnormalized F11,MA300 and other fingerprint readers.

Besides, a single EXT485 interface can supply maximum 500 mA(1 2V) current . So the entire cuttent consumption should be less than this max value when the readers share power with the panel.
In calculation, please use max current of the reader, and start current is usually more than twice of the normal work current, please consider of this situation.
For example, use the FR1200 reader, the standby current is less than 100mA, the max current is less than 120mA, When the device is started, the Instantaneous current can reach 240 mA. As inBIO reader, consider the starting current is bigger, through the EXT485 interface can only connect two readers for power supply. So the power of the control panel connect only 2 readers. For some of the devices with much greater consumption, we suggest to using the separate power supplies, to make sure steady operation.
Equipment Communication
The PC software can communicate with the panel according to the communication protocols (RS485 and TCP/IP) for data exchange and remote management. The communication cable should be as far away from high-voltage lines as possible. Do not keep the communication cable parallel to power cords or bind them together.
TCP/IP Communication
- Internationally accepted RVVP (shielded twisted-pair) wires should be used for communication to effectively avoid interference. RS485 communication wires should be connected by means of bus cascade connection.
- It is recommended that the RS485 bus should be less than 600 meters to aid communication stability.
- One RS485 bus may hold 63 control panels, but it is recommended to connect with less than 32 access control panels.
- For the inBIO reader connection, if the reader and the control panel use the same power, it is recommended that the wire should be less than 100 meters. If greater length is required, please use a separate power supply.
- To enhance the stability of communication when the wire is longer than 300 meters, it is necessary to keep number 8 switch of the first and the last control panel at “ON” status. That adds the RS485 terminal resistance (120 ohms) of the two devices to the system. As shown in the figure above, turn number 8 of the DIP switches of the 1# and 8# at “ON” status.


















