SHURE MX412 Cardioid Gooseneck Microphones User Guide

MX412, MX418, MX424 Gooseneck Microphones
General Description
The Shure Microflex MX412, MX418, and MX424 microphones are miniature gooseneck-mounted electret condenser micro- phones designed primarily for speech and vocal pickup. They can be mounted on lecterns, pulpits, or conference tables. All models include a preamplifier and are available with interchangeable cartridge
- Wide dynamic range and frequency response for accurate sound reproduction
- Interchangeable cartridges that provide an optimal polar pattern choice for each application
- Shock mount provides over 20 dB of isolation from surface vibration noise
- Snap-fit foam windscreen reduces breath noise or plosives
- CommShield RF filtering reduces interference from nearby mobile devices.
These microphones are available with 12 inch, 18 inch, or 24 inch goosenecks. Some models are also available with a built-in mute switch.
- “S” models include a mute button and LED.
- “D” models include a desktop base with programmable mute button and LED and logic input and output.
- “SE” models feature a surface mount flange with side-exit cable.
The polar pattern of the included cartridge is indicated by a model number suffix:
/C Cardioid
/S Supercardioid
/MS Mini-shotgun
/O Omnidirectional
/N Cartridge not included
Interchangeable Cartridges

Microflex microphones use interchangeable cartridges that allow you to choose the polar pattern for different installations.

Snap-Fit Windscreen
- Snap into the groove below the cartridge.
- To remove, spread the gap with a screwdriver or thumbnail.
- Provides 30 dB of “pop” protection.

Preamp Gain
If necessary, the preamplifier gain can be reduced by 12 dB. Contact an authorized Shure service center for information.
Microphone Placement
- Aim the microphone toward the desired source, such as the talker.
- Aim it away from any unwanted source, such as a loudspeaker.
- Place the tip of the microphone within 15 to 30 cm (6 to 12 inches) of the desired sound source.
- Always use the supplied windscreen or optional metal windscreen to control breath noise.
- If four or more microphones will be open at the same time, use of an automatic mixer is recommended.
Permanent Installation
Mount the microphone using one of the following methods.
Flange
- Drill a 22 mm (7/8 in.) diameter hole in the desired location.
- Trace and drill three starter holes for the supplied screws using the flange as a template.
- Insert the preamplifier through the mounting flange.
- Slip the mounting flange retaining ring over the bottom of the preamplifier and slide it up until it is flush to the bottom of the flange. Then press the ring firmly into place.
- Secure the flange to the mounting surface with three screws.

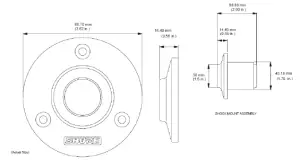
Shock Mount
- Drill a 44 mm (1-3/4 in.) diameter hole in desired mounting surface.
- Mark and drill starter holes for screws, using shock mount as a template.
- Secure shock mount to mounting surface with screws.
- Thread the supplied adapter onto the microphone before inserting it into the shock mount.

Specifications
Type
Electret Condenser
Frequency Response
50–17000 Hz
Polar Pattern
| MX412/C, MX418/C, MX424/C | Cardioid |
| MX412/S, MX418/S, MX424/S | Supercardioid |
Output Impedance
180 Ω
Output Configuration
Active Balanced
Sensitivity
@ 1 kHz, open circuit voltage
| Cardioid | –35 dBV/Pa(18 mV) |
| Supercardioid | –34 dBV/Pa(21 mV) |
Maximum SPL
1 kHz at 1% THD, 1 kΩ load
| Cardioid | 124 dB |
| Supercardioid | 123 dB |
Self Noise
A-weighted
| Cardioid | 28 dB SPL |
| Supercardioid | 27 dB SPL |
Signal-to-Noise Ratio
Ref. 94 dB SPL at 1 kHz
| Cardioid | 66 dB |
| Supercardioid | 68 dB |
Dynamic Range
1 kΩ load, @ 1 kHz
96 dB
Common Mode Rejection
10 Hz to 100 kHz
45 dB, minimum
Clipping Level
at 1% THD
–6 dBV (0.5 V)
Polarity
Positive sound pressure on diaphragm produces positive voltage on pin 2 relative to pin 3 of output XLR connector
Mute Switch
MX412S/MX418S
–50 dB minimum
Environmental Conditions
| Operating Temperature | –18–57°C (0–135°F) |
| Storage Temperature | –29–74°C (–20–165°F) |
| Relative Humidity | 0–95% |
Power Requirements
11–52 V DC, 2.0 mA




Certifications
Meets essential requirements of all applicable European Directives. Eligible for CE marking.
The CE Declaration of Conformity can be obtained from Shure Incorporated or any of its European representatives. For contact information please visit www.shure.com
The CE Declaration of Conformity can be obtained from:
www.shure.com/europe/compliance
Authorized European representative: Shure Europe GmbH
Global Compliance
Jakob-Dieffenbacher-Str. 12
75031 Eppingen, Germany
Phone: +49-7262-92 49 0























