
Smokehouse
Operator’s Manual
DSHS08 Smokehouse

Note: All models standard are hand feeders, you need optional order.
Introduction
Congratulations! You have purchased a smokehouse designed, engineered, and constructed by a company with 10 years of experience in creating products for making homemade sausage. The materials used will give you years of trouble-free service, provided that you carefully follow the use and maintenance instructions in this manual. Please
remember that this smokehouse must always be monitored when in use. Like any piece of cooking equipment, it generates heat that, if not controlled, may lead to fires and possible injuries.
Parameter
Note: Due to continuous products improvement, specifications may change without noticeItem No. Name Voltage Layers Power(W) Sizes CM Temperature.
oC Timer Metal SG-001 Smoker Generator 110V or 220V —- 110+5 19*16*23 0-60 0-12h S/S DSH-S03 Mechanic 110V or 4 1000 45*40*87 0-135 0-12h S/S DSH-0O3 Controller 220V Steel DSH-A04 Mechanic 110V or 4 500+500 45*40*87 0-135 0-12h S/S DSH-004 Controller 220V Steel DSH-S08 Mechanic 110V or 8 1000 50*40*130 0-135 0-12h S/S DSH-008 Controller 220V Steel DSH-A09 Mechanic 110V or 8 500+500 50*40*130 0-135 0-12h S/S DSH-009 Controller 220V Steel
All machine base on IPX0, Class I
Smoking Meat
Smoking meat can accomplish two things simultaneously: it can prepare meat for long-term storage and impart unique flavor profiles depending on the ingredients and methods used. There are so many different recipes and methods that they cannot be adequately covered in this manual. We hope everybody like DIY your own taste and wonderful sausage
Important Safeguards
- Read ALL of these instructions thoroughly before using.
- Save these instructions for future reference.
- Never leave your smokehouse unattended.
- Never use your smokehouse indoors.
- Close supervision is necessary when this smokehouse is used near children.
NOTE: This machine is not intended for use by children. - Smokehouses are major appliances and should only be used by a person that is familiar with smoking procedures.
- This smokehouse operates at 220V, 50Hz or 110 volts, 60Hz, 9 amps and should be serviced only by a qualified electrician. Failure to do so may result in electrical shock, bodily injury or property damage.
- As with any electrical appliance, basic safety precautions should always be followed. Your smokehouse is really a cooking utensil and needs your complete attention. It is no different from using an oven, barbecue grill, or frying pan at home. We all know what can happen if they are left unattended for any length of time. Follow basic safety precautions and enjoy your smokehouse.
- To protect against electrical shock, do not immerse the cord, plugs, or heating elements in water or other liquid. Avoid using this smokehouse in the rain.
- Unplug this smokehouse when not in use.
- Unplug this smokehouse before cleaning or servicing.
- Do not operate any appliance with a damaged cord or plug, after the appliance malfunctions, or has been damaged in any manner.
- Extreme caution must be used when moving any appliance. Do not move this smokehouse while operating.
- If there are any questions about this appliance, contact the Manufacturer. .
Operating Instructions
Our smokehouses are about as simple to operate as your kitchen stove. The proper and efficient operation of this smokehouse rests with you. This appliance is equipped with
digital control and a thermostat which has a probe located on the rear interior wall for relaying accurate temperature readings. The digital thermostat has a range of 10° C (50° F) to 90° C (200° F). The ideal temperature when smoking sausage is 73° FC (165° F). This can be monitored by checking the thermometer
THE SMOKEHOUSE TEMPERATURE SHOULD NEVER EXCEED 76°C (170°F) AT ANY TIME WHEN SMOKING MEATS.
ONLY OPERATE THIS APPLIANCE AFTER YOU HAVE READ AND UNDERSTAND THESE INSTRUCTIONS. IF YOU HAVE ANY DOUBTS, CONTACT THE MANUFACTURER.
Operating Instructions cont’d
- Fully open the damper located on the top of the smokehouse by turning the lever on the damper stack. Preheat the smokehouse to 54°C (130° F) by pressing ON once,
Press SET TEMP once, when the LED display is blinking use the +/- Buttons to adjust to 54°C (130° F), when acquired Press SET TEMP to lock in Temperature. Without Setting a Timer, the heating element will not turn ON. To set a timer Press the SET TIME button once, when the LED display is blinking use the +/- Buttons to select the duration of the Timer (suggestion: Enter a slightly longer time than it will take to finish the smoking process). Monitor the inside temperature using the LED Control Display. - While you are waiting for the smokehouse to preheat, dampen the sawdust. Do not soak it or get it too wet or it will create extra moisture that will condense on the inside
of the smokehouse. On the other hand, if it is too dry, it may create an open flame which may scorch the meat and/or damage the smokehouse. There are three ways to check if your sawdust has reached the proper dampness.
1. There should be no visible water collecting in the bottom of the sawdust pan,
2. All of the sawdust should now be a darker color
3. When you pick up a little more than a pinch of sawdust and squeeze it in your fingers, water should not drip out. The amount of sawdust used greatly depends upon individual taste. Using one full pan is a good place to start, but you can use more if you desire a stronger taste. Set it aside for Step 4. - After approximately 15 minutes, place the product you will be smoking in the smokehouse, close the door and let the product dry for 30-45 minutes at 54°C (130° F).
- Open the smokehouse door and carefully place the sawdust pan with sawdust in it.
- (TIP: Pack the dampened sawdust in the pan and create a hole in the middle of the sawdust. This will help to keep the sawdust smoldering and create a heavy smudge.)
Close the door, leave the damper open and enter 68° C (155° F) on the smokehouse control. - When you see smoke coming from the smokestack (this could take up to 10 minutes), lower the temperature to 60° C-63° C (140-145° F) and hold at this temperature until the desired temperature is reached. Close the smokestack to 1/4 open (repeat Step 4 if smoke stops). Raise the temperature every 1 1/2 hours until the smokehouse temperature reaches 71° C-74° C (160-165° F). Hold at this temperature until the internal temperature of the product you are smoking reaches 66°C (152° F).
- When 66° C 152° F is reached, turn off the smokehouse and carefully remove sausage.
- Shower with cold water until the internal temperature reaches 49°C (120° F)
- Refrigerate sausage overnight. Product is now ready to eat or freeze.
NOTE: A separate temperature probe should be purchased to monitor the internal temperature of the meat.
Troubleshooting
– During the smoking process, smoke emits acids that cling to the meat and to the outside layer of the skin. This acid helps preserve the meat by preventing the growth of surface mold and bacteria compounds.
– A 19 mm casing takes approximately 7 hours, a 32-35 mm casing takes approximately 8 hours, a 3 1/2” synthetic casing may take up to 12 hours, and ham can take a couple of days.
– You can identify that your meat is fully smoked by the distinctive color that develops as a result of the carbon compounds combined with the meat pigments. Also, the cures that are used will give smoked meat a red color.
– The sawdust or wood chips should be dampened, yet not soaked. Dampened sawdust will burn for a longer period of time and will impart gentle flavors into the meat. To dampen, place sawdust in a bucket or bowl and squirt with a water bottle. You should mix the sawdust as you add the water to make sure all of the sawdust is moistened.
– It all depends on what you mean by “cold smoke”. Cold smoking refers to a smoking process in which the heat source is in one area while the smoke is forced into another area where the meat product is. In other words, the meat will have a smoked flavor, but will not be exposed to heat. If you are referring to making sausage and keeping the temperature within the 76° C (170° F) area, then yes, this is what our smokehouses are designed for. Smoking sausage is a slow process. The temperature of the smokehouse should be between 74° C (165°F) and 76° C 170° F. When the temperature rises higher, between 190 degrees and 200 degrees, the fat breaks down, and over 93° C (200° F) you will melt the fat. If you order a Smoker generator, just use it, the temperature will not be higher than 60° C.
– Yes, you can. Just add liquid smoke to your spices and mix with the meat. Then proceed to use the smokehouse at the low temperatures as instructed.
– No. If overloaded, the time from start to finish will be greatly increased. Also, if the meat is touching there will be discoloration where the smoke was not able to penetrate the meat.
– No. The Sausage Maker Smokers are made for the sole purpose of smoking meat and are meant for temperatures no higher than 88° C (190° F). If the temperature goes higher the fat melts, which can cause the heating element to burn out or may cause a fire in the smokehouse itself.
– Your temperature was too high and it melted the fat in the meat. My sausage does not look good, it is shriveled.
– There could be several reasons for these results. The temperature may have risen too high and either melted or repositioned the fat. Also, the sausage may not have been showered with cold water immediately after it was finished smoking. Finally, the sausage casings may not have been stuffed to their full capacity. Most of my sausage has a nice mahogany color, but there are areas of white spots. Why? If the sausage was touching during smoking, the smoke was not able to penetrate that area, leaving a white spot after smoking. There is no problem with your sausage.
Cleaning and Maintenance
Your smokehouse has been designed to give you years of trouble-free service, provided that it is properly maintained. After each use, unplug the smokehouse and allow it to cool. Do not try to clean it while it is still hot. Wipe it down with a good cleaner or detergent. If possible, avoid scouring the surface as this will mar the finish and promote
sticking in subsequent uses. You can use a cleaner that does a great job. If you have excessive amounts of dripping or if there is liquid in the bottom of your smokehouse, it should be cleaned up immediately.
Warranty
Hakka through its Distributors warrants each new product sold by it to the initial user to be free of defects in material and workmanship for a period of one year from the date of sale of the equipment. With respect to the sale of spare parts, the warranty period shall be three (3) months from the date of sale. Hakka will provide a new or repaired part, at its election, in place of any part which is found upon inspection to be defective in material and workmanship during the period described above. Purchaser must present proof of purchase and purchase date at the time of exercising this warranty.
This warranty does not apply to failures occurring as a result of abuse, misuse, negligent repairs, corrosion, erosion, and normal wear and tear, alterations or modifications made to the product without the express written consent of Hakka or failure to follow the recommended operating practices and maintenance procedures as provided in the products
operating and maintenance publications. The warranty provided herein does not apply to equipment sold hereunder but manufactured by others as they are warranted by their
respective manufacturers directly to the user. This warranty is in lieu of all other warranties (except title) expressed or implied and there are no warranties of merchantability or of fitness for a particular purpose.
Limitation of Liability
The remedies of the user set forth under the provisions outlined above are exclusive and the total liability of Hakka or its distributors with respect to this sale of the equipment and service furnished hereunder, in connection with the performance or breach thereof, or from the sale, delivery, installation, repair or technical direction covered by or furnished under this sale, whether based on contract, warranty, negligence, indemnity, strict liability or otherwise shall not exceed the purchase price of the unit of equipment upon which such liability is based. Hakka and its Distributors shall in no event be liable to the user, any successors in interest, or any beneficiary or assignee relating to this sale for any consequential, incidental, indirect, special, or punitive damages arising out of this sale for any breach thereof, or any defects in, or failure of, or malfunction of the equipment under this sale whether based upon loss of use, lost profits or revenue, interest, lost goodwill, work stoppage, impairment of other goods, loss by reason of shutdown or non-operation, increased expenses of operation, cost of purchase or replacement power claims of user or customers of the user for service interruption whether or not such loss or damage is based on contract, warranty, negligence, indemnity, strict liability or otherwise
MACHANIC CONTROL OPERATING INSTRUCTIONS

To connect wiring
- Put the thermometer to the hole so it can work fine, and fix it well in the middle position.

- Connect electric box plug to the smoker body box socket well.
Then screw the box to the smoker body well. - If your order come with a smoker generator, just fix it to
- the smoker body and plug on, switch on/off, you can control it.

To Working
- Install the handles, put the woodchips to the trays or into generator trays, and the oil drop pan into the smoker.

- Power On, the Power light will open
- To set temperature
- To set timer
- Green light opens, the smoker work.
- Check the door middle thermometer for the meat temperature.
Specifications/Parts List

| Item No. | Name | Quantity | Note | Item No | Name | Quantity | Note | ||
| 4 layers | 9 Layers | 4 layers | 9 Layers | ||||||
| 1 | HeatingTray | 1 | 1 | – | 9 | Chimney | 1 | 1 | – |
| 2 | Inner frame | 1 | 1 | – | 10 | Thermometer | 1 | 1 | – |
| 3 | Shells | 4 | 8 | – | 11 | Wood chips feeder | 1 | 1 | – |
| 4 | Oil drop tray | 1 | 1 | – | 12 | Handle | 3 | 3 | – |
| 5 | Temperature controller | 2 | 2 | – | 13 | Smoker Generator | 1 | 1 | Optional |
| 6 | Switch | 1 or 2 | 1 or 2 | Optional | 14 | Body | 1 | 1 | – |
| 7 | Indicator ight | 2 | 2 | – | 15 | Heating Elememt | 1 or 2 | 1 or 2 | Optional |
| 8 | Electrical box | 1 | 1 | – |
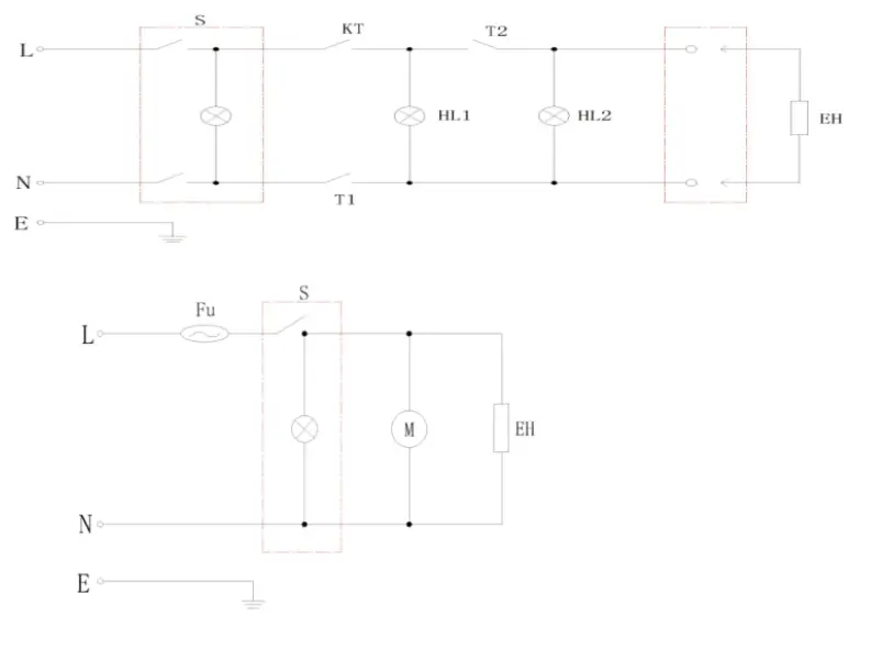
Electric Diagram( Smoker body and Generator)

- FU—-Fuse
- M—-Motor
- EH—Heating Element
- S– –Switch
1. S—-Switch
2. KT—-Timer
3. T1—Safty Thermometer
4. T2– -Temperatur e Control
5. HL1—Power indicator
6. HL2—Heatin g indicator
7. EH—Heating Element
Great Sausage Recipes
Ingredients for 25 Lbs.:
1.2/3 cups salt
2.2 1/2 Tb. sugar
3.3 Tb. fresh garlic
4.2 1/2 Tb. coarse black pepper
5.2 1/2 Tb. marjoram
6.5 cups ice water
7.25 lbs. boneless pork butts
8.5 cups soy protein concentrate or non-fat dry milk
9.5 tsp. Instacure No. 1 Grind all of the pork butts through a 1/4” or 3/8” grinding plate and place meat in the mixing Dissolve all ingredients in water chilled to 4-5° C (38-40º F). Wash the cavity of the turkey very well and bring the internal temperature of the turkey to 4-5° C (38-40º F) before placing it into the brine. Turkey should be submerged in the brine for 4 days at 4-5° C (38-40º F). Larger turkeys should be cured for 5 days. F) before placing in the cooler. tub. Add all of the ingredients and mix well until spices are evenly distributed. Deliver to the stuffer and stuff into 38-42mm hog casings. Then place the sausage on the smokehouse sticks, spacing it properly.
To smoke the sausage, place it into a preheated smokehouse at 54° C (130° F) with dampers wide open. Keep this temperature until the casings are dry. Gradually increase the
the temperature of the smokehouse to 71-74° C (160-165° F) with dampers 1/4 open. Apply heavy smoke and keep in the smoker until the internal temperature of the sausage reaches 67° C (152° F). Remove from the smokehouse and shower with cold tap water until the internal temperature is reduced to 43° C (110° F). Allow the sausage to hang at room temperature for about 30 minutes or until the desired bloom is obtained. Place in a cooler at 4-5° C (38-40° F) overnight. Smoked Turkey Brine Ingredients: 5 gallons water 1 ½ lbs. powdered dextrose 2 lbs. salt 1 lb. Insta Cure No. 1 Thoroughly wash the cured turkey with cold water and place it into a 54 º C (130º F) preheated smokehouse. Smoke at this temperature for 1 hour with dampers wide open. Close the damper to ¼ open and apply smoke for 5 hours at 54 º C (130º F). Raise temperature to 140º F and hold for 4 hours. Finally, raise the temperature to 74º C (165º F) and hold until an internal temperature of 160º F is obtained. Test the temperature close to the ball-and-socket joint of the thigh. Remove the turkey from the smokehouse and allow the internal temperature to drop to 38 º C (100º Great Sausage Recipes and Meat Curing by Rytek Kutas Smoked Venison Summer Sausage
Ingredients for 10 Lbs.
1.2.5 Tb. Ground black pepper
2.¾ cup salt
3.2/3 cup powdered dextrose
4.5 tsp. Insta Cure No. 1
5.2 ½ Tb. Ground coriander
6.2 ½ tsp. ground ginger
7.2 ½ tsp. ground mustard
8.2 ½ tsp. garlic powder (optional) 9.1 cup corn syrup solids
10.20 lbs. lean venison or elk meat
11.5 lbs. regular pork trimmings
12.3 ¼ cup Fermento
Grind meat through 3/16” grinder plate and pork trimmings through ¾” plate. Add all ingredients and mix well. Pack into curing tubs and hold in the cooler for 2 days. Regrind meat through 3/16” plate. Stuff into 2 ½” – 2 ¾” x 24” beef middles. Hang on smokestacks and dry at room temperature for 4-5 hours. Place in preheated 48-54°C (120-¬130° F) smokehouse. Apply heavy smudge and smoke for 3-4 hours until the desired color is obtained. Raise the smokehouse to 74°C (165° F) and cook until the internal temperature of the sau¬sage reaches 63°C (145° F). Shower in cold water until internal temperature is reduced to 48°C (120° F). Allow hanging at room temperature for 1-2 hours until desired bloom is obtained. Place in a 7°C (45° F) cooler for at least 24 hours.
IMPORTANT WARRANTY INFORMATION!
Please fill out and return this warranty card immediately. Your warranty cannot go into effect until we receive your registration.
First Name: _________ Initial Last Name: ___________
Street: _______________ Apt.. No.: ___________
City: ____________ State Zip Code: ______________
Telephone: _____________ Fax (If Available): ________
Email Address: ____________
Note: This registration is Void without purchase information.
Date of Purchase: ______________
Where Purchased: ____________
Month Day Year ______________
Other:_______________________
Name of Product ______________
Item Number: _______________
To Help us serve you better, please tell us a little about the reason you
purchased this item: This is for:
□ Personal Use □ Small Business □ Camping □ Other
(please describe)_______________
Comments:

Smokehouse






















