resideo L4103A,B,C COMBINATION AQUASTAT AND HIGH LIMIT CONTROLLER User Guide
APPLICATION
The L4103A,B is an immersion-type controller for oil-fired water heaters. The Aquastat® Controller senses water temperature and cycles the burner through the oil primary. The high-limit controller breaks the circuit to the burner on a temperature rise past the factory-set setpoint. The L4103C is an immersion-type controller for gas systems that provides water temperature regulation. The high-limit controller breaks the circuit to the burner on a temperature rise past the factory-set setpoint.
FEATURES
- L4103A,B,C have a sensing element and a high limit sensor with automatic reset.
- Mounts on a horizontal immersion well in water heater wall.
- Adjustable temperature setting scale.
- Fluid-filled element operates spst, Micro witch™ snapacting switch.
- Integral, nonadjustable high limit.
- L4103C is an immersion controller for gas systems. L4103A,B is an immersion controller for oil systems.
SPECIFICATIONS
IMPORTANT
The specifications given in this publication do not include normal manufacturing tolerances. Therefore, this unit might not exactly match the listed specifications. Also, this product is tested and calibrated under closely controlled conditions, and some minor differences in performance can be expected when those conditions are changed.
Model:
L4103A,B,C Combination Aquastat® and High Limit Controller provides water temperature regulation. The limit controller breaks circuit to the burner on temperature rise past the setpoint. Select models have manual reset.
Differential:
Fixed, nonadjustable, 5.0°F (15°C) or 7.0°F (14°C).
Electrical Ratings (A):
120 Vac | 240 Vac | |
Full Load | 8.0 | 5.0 |
Locked Rotor | 48.0 | 30.0 |
Range:
100°F to 240°F (38°C to 116°C) stop set available between 120°F and 200°F (49°C to 93°C); scale marked HOT-NORMAL-WARM; stop set at HOT.
Pressure Rating:
255 psi (1756 kPa).
Sensing Bulb:
Liquid (toluene) filled.
Immersion Well:
Spud: 3/4 in NPT.
Insertion: 3-3/8 or 5 in. (85.7 or 127.0 mm).
Insulation: 2-1/4 or 4 in. (57.2 or 101.6 mm).
NOTE: If immersion well is needed, refer to form 68-0040, Wells and Fittings for Temperature Controllers, to order one.
High Limit Setting:
Fixed high limit settings between 140°F and 238°F (60°C to 114°C).
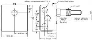
Dimensions
See Fig. 1.
Approvals:
Underwriters Laboratories Inc. Component Recognized: File No. MP466, Guide No. MBPR2
Fig. 1. L4103A,B,C mounting dimensions in in. (mm).
INSTALLATION
When Installing this Product…
- Read these instructions carefully. Failure to follow instructions can damage the product or cause a hazardous condition.
- Check ratings given in the instructions and on the product to make sure the product is suitable for your application.
- Make sure the installer is a trained, experienced service technician.
- After completing the installation, use these instructions to check out the product operation.
CAUTION:
Hazardous Voltage. Can cause electrical shock or equipment damage. Disconnect power supply before beginning installation. Do not exceed ratings in the Specifications.
Mounting
The manufacturer provides a tapping for insertion of the controller sensing element. This tapping is located at a point where typical water temperature can be measured. Follow the instructions furnished by the system manufacturer, if available, or use this procedure:
- Make sure the burner is turned off.
- If the system is filled, drain to a point below the tapping.
- Remove the plug from the tapping. (If no tapping is provided, prepare one properly sized and threaded at the selected location.)
- Install the immersion well in the heater tapping, using a wrench on the well hex.
- Mount the L4103 by carefully inserting the sensing element into the well. See Fig. 2.
- Fit the case over the outer ridge on the neck of the well and secure it in place by tightening the clamp screw on the top of the case
Fig. 2. Location of L4103A,B in oil-fired water heater.
IMPORTANT
The immersion well must fit the sensing bulb snugly and the bulb must rest against the bottom of the well. Bend the tubing, if necessary, to hold the bulb against the bottom of the well, but do not make a sharp bend in the tubing. Some models have an adjustable tubing length that can be pulled out to 3 in. (76 mm), if necessary.
CAUTION
Hazardous Voltage.
Can cause electrical shock or equipment damage. Disconnect power supply before making wiring connections.
All wiring must comply with applicable codes and ordinances. Refer to burner manufacturer wiring information, if available. Fig. 3 shows a typical hookup of the L4103A,B oil-fired application. Fig. 4 and 5 show L4103C gas-fired applications.
Fig. 3. Typical hookup for L4103A,B
Combination Aquastat® and Limit Controller
- PROVIDE DISCONNECT MEANS AND OVERLOAD PROTECTION AS REQUIRED.
- R8184G MAY BE USED IF T-T TERMINALS ARE JUMPERED
Fig. 4. L4103C Combination Aquastat® and Limit Controller in low voltage gas applications.
- POWER SUPPLY. PROVIDE DISCONNECT MEANS AND OVERLOAD PROTECTION AS REQUIRED.
Fig. 5. L4103C Combination Aquastat® and Limit Controller in line voltage gas applications
- POWER SUPPLY. PROVIDE DISCONNECT MEANS AND OVERLOAD PROTECTION AS REQUIRED
Fig. 6. Internal view of L4103A,B,C with leadwires on high limit.
Fig. 7. Internal view of L4103A,B,C with quick connects on high limit.
OPERATION
When the water temperature in the water heater drops, the Aquastat® Temperature Controller switch makes to energize the control. The burner operates until the water temperature rises to the set point and the temperature controller breaks the circuit to the oil primary control.
The internal high-limit controller breaks the circuit to the burner if an overheating condition occurs and the safety switch locks out.
When the limit breaks on the L4103A,B,C, the oil primary control must be reset before burner operation can resume.
Adjusting
Adjust the control point to agree with the manufacturer recommendations. To adjust, remove the cover and set the scale to the desired control point. See Fig. 6 and 7. Limit set point is nonadjustable.
CHECKOUT
Check to make certain that the Aquastat® Controller was installed and adjusted properly. Put the system into operation and observe the action of the device through several cycles to make certain that it provides proper control of the system.

www.resideo.com
Resideo Technologies, Inc.
1985 Douglas Drive North, Golden Valley, MN 55422 1-800-468-1502 60-2344—08 M.S. Rev. 06-20 | Printed in United States



















