LP-500 Digital Station Monitor

Overview
The LP-500 Digital Station Monitor combines the following functions, controlled by the front panel Mode button.
Power/SWR mode: Provides a state-of-the-art wattmeter and SWR meter with large numerical readouts, range indexed bar graphs for Average power, Peak power and SWR.
Waveform Monitor ‘Scope: Provides easy monitoring of modulation waveforms with a multitude of horizontal sweep choices, triggering modes and vertical voltage ranges. Preset combinations for common transmission modes are provided, as well as user programmable preset buttons. Integrated into this mode is a selectable test tone generator to facilitate performance measurements. The generator can also be used to store user defined modulation signals which can be recorded to an internal micro-SD card.
Spectrum Display: Provides display of transmitted modulation spectrum with multiple span and vertical range settings, selectable averaging and the choice of Linear or Logarithmic scaling of the horizontal axis. The test tone generator is also integrated into this screen. Note: The spectrum display monitors your transmitted signals. It does not provide a “panadapter” function for received signals.
The LP-500 has a 5” diagonal TFT color display. It is also available as the LP-700, with 7” diagonal display. Otherwise, the two meters are the same. Any reference to the LP-500 in this manual also applies to the LP-700. The instrument can be used to monitor the outputs of four different transmitters, or the inputs and outputs of two amplifiers as well as other combinations. The intent is for the user to be able to monitor many aspects of his transmitted signal and ensure that his station is operating as cleanly as possible.
The LP-500 doesn’t completely replace dedicated oscilloscopes and spectrum analyzers, although it performs many of the tasks one would employ these instruments to do, but does it much more conveniently and cost effectively.
While the LP-500 is a complex piece of test equipment, every effort has been made to make operation as simple as possible, with many automated or linked functions. Operation of the LP-500 is mostly controlled through the six pushbuttons, but in the scope and spectrum modes there are a number of touch screen controls, as well as a rotary digital encoder control. The six main buttons are associated with six “soft” buttons, which can also be controlled via the touch screen.
A detailed description of modes and their specific controls follows starting.
Basic Connections

Power: 12-16 VDC @ 800 mA maximum, center pin positive, 5.5mm OD / 2.5mm ID. The supplied cable either has a white stripe on the positive wire, or ridges on the negative wire, depending on the cable supplied. The meter has a protection diode to prevent component damage in case of reverse polarity. The meter also has a built in replaceable 1A automotive type plugin fuse on the PCB for protection. We recommend a well regulated supply with a 1A to 1.5A rating. We DO NOT recommend the use of “wall wart” type switching power supplies due to excessive RF noise generated in all the units that we have tested. But we have a supply of suitable regulated linear wall warts if you need one. These are Jameco part #1953663, 12VDC @ 1A. You can also use a fused DC power distribution strip like RigRunner connected to the main station DC supply. Connecting a high current supply, without a fuse at the power supply connection point can be a fire hazard if for instance the polarity of the connections is accidentally reversed, or the power cable gets pinched, leading to melting of the power supply leads.
When sharing a power supply with the LP-500 and rig, make sure that the supply, rig and meter are all bonded together with heavy wire or copper braid. If there is any residual DC voltage on the ground lead to the meter, it can add noise to the scope displays and increase the power and SWR readings.
PTT: For older amplifiers, loop the PTT (send, amp keying) between your amplifier and rig through the LP-500 using RCA cables. Two isolated pairs of connectors are provided for connecting two amplifiers. Use either pair for either amplifier.
USB 2.0: Connects to computer using standard USB cable (Type A to Type B connectors). Used for flashing firmware and interfacing to LP-500 VM and future utility program. Can be connected to USB 2.0 or 3.0 jacks on PC. No special drivers are necessary since the standard Windows drivers are used. Windows should automatically recognize the LP-500 as USB HID (Human Interface Device).
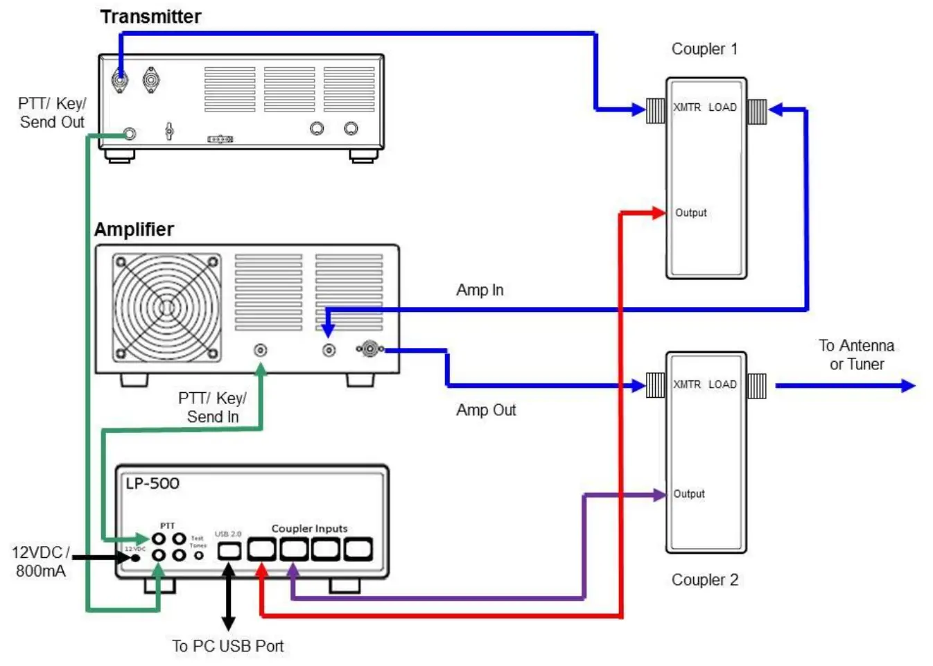
Couplers: Connect to corresponding jacks on the coupler(s) using supplied or user provided CAT5/6 shielded Ethernet cables.
Unshielded (UTP) cables are probably acceptable as well. See Fig.1 on page 3.
Test Tones: Audio output for built in test tones. 3.5mm mono. Connects to the MIC or LINE input of the rig. An attenuator will be needed in the case of mic input, and possibly galvanic isolation (transformer). Interfaces designed for a sound card based RTTY setup can work for this. To minimize ground potential differences between the meter, rig and power supplies, it is recommended that they all be bonded together with heavy wire or copper braid. This will minimize pickup of noise on the test signal displays.
Line Level… Most rigs have a high Z (10K) line input designed for sound card based digital modes. These inputs work well for the LP500 test tones. One some rigs they are labeled as line inputs, and have dedicated RCA or 1/8” (3.5mm) jacks. On some rigs they are part of an Accessory jack or a RTTY jack. These are generally DIN type connectors. Consult your user manual for specifics.
Mic Level… There are some inexpensive “sound card” interfaces available to converting line level outputs to mic level rig inputs, with level adjustment and isolation. Devices in this category include the W2IHY iBox, West Mountain RigBlaster Nomic and several interfaces from MFJ, like the MFJ-1273 and -1275 series. I have tested these and found that they can provide proper levels to the rig mic jack, and minimize the effects of multiple ground returns. These devices typically do not utilize magnetically shielded transformers, so it is important to not place them near power supplies with large transformers. We will be publishing a help file on the LP-500 web page detailing methods to avoid pickup of these signals. In the meantime, you can check out the discussion “clean up 2 tone signal” on the LP-500 User Group or extensive info published by Jim Brown, K9YC, http://audiosystemsgroup.com/HamInterfacing.pdf
For a more detailed discussion on interfacing the Test Tone output to your rig, see the section titled “Connecting Test Tone Output to Your Rig
The figure above shows installation with two couplers and PTT Alarm connections. The use of two couplers allows viewing of amplifier linearity with a trapezoidal display. PTT Alarm connections are optional and designed mainly for older amplifiers with no built in protection.
For users with one coupler, it can be connected to any channel, and should be inserted at the output of the amplifier.
When couplers are used in pairs to facilitate the Trapezoidal displays, they should be connected as follows…
CH1 – rig 1output
CH2 – amplifier 1 output
CH3 – rig 2 output
CH 4 – amplifier 2 output
When using multiple amplifiers, there are two isolated pairs of PTT relay contacts. They are interchangeable.
Power/SWR Mode

The above picture shows the Power/SWR mode, with menu choices listed below each button. The bottom choice in each list wraps around to the top.
Note: The pictures in this section were taken from v2.12 of the firmware and have changed slightly in later versions. The later versions have added a peak hold power readout in the lower right.
Mode Button: Changes mode.
CH Button: Selects among the 4 coupler channels, and also offers an Auto Channel selection, which displays the channel with the highest power reading. This mode is very useful for SO2R type contest operation. When in CH Auto, the current selected channel is displayed to the right of the SWR bargraph, along with the current power and SWR alarm settings for that channel.
Range Button: Selects the desired bargraph range between 5W and 10KW in 11 steps, and also offers an Auto-Range choice.
The selection is indexed to the current channel selection and is saved in memory. As the range changes, the bargraph legends also change so that you always graphically see the correct range and bargraph length. When changing to a higher range, there is some hysteresis built in so that the meter will stay at the higher range unless power drops a certain percentage. This is done to prevent “hunting” on the edge of two ranges while operating, and especially while tuning. Note: This choice can’t be changed when the CH button is in Auto.
Alarm Button: Selects the alarm status for each channel and is saved in memory. The alarm settings for the current selected channel are displayed to the right of the SWR bargraph below the Auto CH display. This is true whether the channel is manually or automatically selected. These values are entered on the Setup screen. If the alarm is tripped, the display indicates which channel tripped the alarm, and the chime sounds as well, with 1 chime for CH1, 2 chimes for CH2, etc. The sequence repeats continuously until you stop transmitting, the fault is cleared or the alarm is set to OFF. The Alarm P and/or Alarm S displays will change to red to indicate whether the trigger was due to a power fault or SWR fault. The large blue (power) and green (SWR) display areas also turn red. Note: This choice can’t be changed when the CH button is in Auto.
Peak/Avg/Tune Button: Determines whether Average, Peak Hold or Tune power is fed to the large numeric power display. The hold time for Peak Hold is adjustable in Setup. Tune is just peak hold with a very short hold time. Note: Smaller values of average and peak power are always displayed at the end of the average and peak power bargraphs with 1W resolution.
Setup Button: This is a special button and displays a screen with all the adjustable user preference items. This will be covered as a separate mode later in this guide. Tapping this button once changes to Setup mode, tapping again returns to Power/SWR mode. Tapping the Mode button will also return to Power/SWR mode.
“Adjust” Knob: This controls an optical encoder which has a number of functions. In this mode, it adjusts the averaging setting (Slow/Med/Fast), which is indicated to the right of the red AV indicator at the end of the red average bargraph. It is used in Setup, in conjunction with the UP/DN buttons to enter your call sign. In Wfm mode, it is used to set sweep rate for User sweep modes, and to set the amplifier gain (trap width) in trapezoid modes.
Waveform / ‘Scope Mode

Mode Button: Changes mode. See graphic above for choices for all the buttons. The choices wrap around to the beginning once you get to the end.
CH Button: Selects among the 4 coupler channels. CH Auto is not offered in the ‘scope mode to avoid confusion. The channel selection for the ‘scope mode is independent of the Power/SWR mode.
Range Button: Selects the desired voltage range between 10V/division to 350V/division, and also offers an Auto-Range choice.
The selection is indexed to the current channel selection and is saved in memory. As the range changes, the vertical voltage legend changes as well to indicate actual peak voltage at the output connector of the coupler. As with the Power/SWR mode, there is some hysteresis built into the auto-ranging.
Sweep Button: Selects the horizontal sweep rate / scaling. There are 5 factory presets… which select a combination of sweep rate and trigger mode optimized for the indicated mode, as follows:
SSB Fast… 1.0 msec/division, Normal trigger
SSB Slow… 2.0 msec/division, Normal trigger
CW… 1.0 msec/division, +/- trigger (more on this below).
PSK Fast… 5.0 msec/division, Normal trigger
PSK Slow… 10.0 msec/division, Normal trigger
Note: The +/- trigger mode displays a split screen of the CW waveform with positive edge triggering on the left side of the screen and negative edge triggering on the right edge. This provides more resolution for viewing the detail of the leading and trailing edges of the keying waveform. In addition, there are three customizable USER sweep presets which allow the user to select his own combinations of sweep rate and trigger style. More on this in the Touch Screen Controls section.
Test Tone Button: This button selects the desired test signal to be fed to the transmitter. Choices are:
2 Tone+… Two tones plus “subcarrier” (Spectrum Mode)
Wnoise+… White noise plus subcarrier (Spectrum Mode)
Pnoise+… Pink noise plus subcarrier (Spectrum Mode)
2 Tone… Standard two tone test signal
Wnoise… White noise
Pnoise… Pink noise
400 Hz… 400 Hz sine wave
1 kHz… 1 kHz sine wave
User 1,2,3,4… These select custom tones that the user can record and save to a removable microSD card inside the LP-500. The files are .wav, 16-bit, 44.1 kHz sampling rate. If you are saving user files to the microSD card, you must use the name USER0001.wav, USER0002.wav, USER0003.wav or USER0004.wav if you want to be able to select your files from the LP-500 front panel. Files with these names already exist on the uSD, but they are silent. They can be overwritten with your custom files. The test tone output of LP-500 is unbalanced line level audio with a source impedance of 250 ohms. This can be directly fed to the line input of most radios, or to the microphone jack through a transformer and attenuator interface like those sold by W2IHY.
Descriptions below refer to these pictures.
- ½ Trapezoid

- CW Envelope

- WFM / Trapezoid

- AM Modulation

- WFM / Pwr

- Trap / Pwr (from v2.50b4)

Wfm Style Button: Selects the desired ‘scope display from these choices…
Wfm: Standard oscilloscope display… shown top of previous page.
½ Trap: Top half of a trapezoidal display plots exciter output vs. amplifier output and displays a triangular image that easily shows when the output of the amplifier becomes nonlinear, ie. flat tops and no longer provides the same gain as at lower power. ½ Trap shows more detail than normal trapezoid.
Scope: Shows the modulation signal, ie. demodulated audio. Not shown.
Wfm/Trap: Split screen of the transmitted waveform on the left of the screen and trapezoid on the right side.
Wfm/Pwr & Trap/Pwr Adds Power/SWR bargraphs to the Wfm and Trap displays..
NOTE: In trapezoid modes, a numerical value for amplifier gain is displayed above the Wfm Style button. The gain setting should match the gain of your amplifier, and determines the width of the trapezoid. On the latest versions of firmware, this can be adjusted by using the Adjust knob when the Knob Selector is red and displays “Knob Gain”.
Touch Screen Controls
The touch screen serves a couple functions. It adds additional buttons that the user can access by pressing with his finger or a stylus, and it allows the user to control cursors which allow the user to make voltage and time measurements. The buttons are grey when not active.
Cursor Button: Pressing this button cycles through four cursor modes.
Selecting Cursor 1 displays a blue crosshair, which allows the user to set a position on the waveform in voltage. The corresponding voltage is displayed numerically. Selecting Cursor 2 adds a second cursor with green crosshairs. In this mode, the numerical readout shows the voltage difference between Cursor 1 and Cursor 2. Pressing the cursor button turns on the Peak Pwr Markers. The Power level of the marker follows the power alarm setting for the channel in use. The fourth position is OFF.
Freeze Button: To aid in setting the cursors and making measurements, pressing this button causes the waveform to freeze.
Trigger Button: This button selects the trigger mode when one of the USER sweep presets is selected. The selection is saved as a custom user preset.
The button only works when a USER preset is selected, but always displays the current trigger setting, even in factory sweep preset positions.
Sweep Button: Selects the desired sweep rate when the Sweep preset is set to one of the USER choices. The setting is saved in memory along with trigger mode. The sweep rate can be modified by rotating the Adjust knob to any desired value.
Knob Button: Selects what the knob controls. Choices are OFF, Sweep, Gain.
Power Displays: Numeric displays below the Knob button which show the current transmitted average and peak power level. When moving Cursor 1, the peak power display shows calculated power based on the cursor position rather than transmitted power.
Spectrum Mode

Mode Button: Changes mode.
CH Button: Selects among the 4 coupler channels. CH Auto is not offered in the Spectrum mode to avoid confusion. The channel selection for the Spectrum mode is independent of the Power/SWR mode.
Range Button: Selects the desired vertical gain in 10 dB steps. This results in “0 db” reference levels of +45, +55 and +65 dBm at the top of the screen.
The button turns red and an error message appears if the signal is too strong. Power range is between 5W and 10KW in 11 steps, and also offers an Auto-Range choice. The selection is indexed to the current channel selection and is saved in memory. The “Ref(dBm)” readout below the Filter button updates to indicate the current 0 reference level at the top of the graph.
Span Button: Selects the desired span width in Hz. The choices are 2, 5 and 10 kHz with a linear scale, and 2, 5 and 10 kHz with a log scale. Linear is generally used for tests like two tone IMD. Log is best for frequency response measurements.
Averaging Button: Selects the amount of averaging applied to the display. A higher setting provides lower noise, but is slower to respond and update.
Test Tone Button: This button selects the desired test signal to be fed to the transmitter. Choices are same as Waveform Mode.
Touch Screen controls…
Cursor Button: Pressing this button cycles through four cursor modes… Cursor 1, Cursor 2, Marker and no cursor. Selecting Cursor 1 displays a blue crosshair, which allows the user to set a position on the waveform in either amplitude or frequency, or both. The corresponding amplitude and frequency are displayed numerically just below the Cursor button. Selecting Cursor 2 adds a second cursor with green crosshairs. In this mode, the numerical readout shows the amplitude and frequency difference between Cursor 1 and Cursor 2. Pressing the cursor button again turns on the Peak Pwr Markers. The level for the peak marker follows the Power Alarm setting. The fourth position is OFF.
Freeze Button: To aid in setting the cursors and making measurements, pressing this button causes the waveform to freeze.
Filter Button: This button activates a 200 Hz filter, which eliminates the “carrier” generated by some of the test tones, and shifts the display by 200 Hz to restore proper values to the frequency scale. The filter button is automatically selected when any test tone that uses the 200 Hz subcarrier is selected, but the filter can be manually turned on or off with any test tone selection. A description of the use of the 200 Hz subcarrier is explained in the waveform / ‘scope section of the guide.
Pwr Display: This indicates the transmitted signal level in watts. Note, this is a total peak power reading and will not always match the graphic display, because it represents the sum of the power in all the frequency bins, rather than the power in any given frequency bin.
dBm Display: Indicates the maximum power level in dBm.
Setup Mode

Mode Button: Changes mode
CH Button: Selects among the 4 coupler channels. There are three parameters that are channel specific… Coupler, Pwr Alarm and SWR Alarm. The channel indicated next to each of these parameters is the one that is being adjusted.
Scroll Button: Allows the user to scroll down to the parameter he would like to change. This can be done by tapping repeatedly, or by holding the button down for rapid scrolling through the parameters. When you get to the end of the list, the cursor moves back to the first parameter.
Adj Dn / Adj Up Buttons: Once the cursor is pointing to the parameter you want to adjust, using these buttons will allow you to adjust the setting up or down. The exception is call sign entry. For this parameter, use the Dn button to select the horizontal position of the character you want to change, 1-9 from left to right. The use the knob to select the character (letter, numeral, punctuation) you want in that position. Pressing Up saves the character in the call sign.
NOTE: The character position counter automatically advances when you save a character, so you only need to use the Dn button if you want to change one character.
Normal Button: Returns you to the Power/SWR screen
Here is a list of the various parameters and what they do, followed by a table of the default values.
Coupler… Selects the coupler model that is plugged into the selected channel…. LPC501, 502, 503, 504, 505
Power Alarm… Sets the power alarm trigger point for the selected channel… 10 to 2.5KW in 10W steps for LPC501, 20 to 5KW in 20W steps for LPC502, 40 to 10KW in 40W steps for LPC503. This also sets the Peak Marker value.
SWR Alarm… Sets the SWR alarm trigger point for the selected channel… 1.50 to 5.00 in 0.50 steps
Power Mode… Selects power display type, either Net (F-R), ie. delivered power… or Fwd, ie. forward power.
AL/SWR Thresh… Minimum power required to activate the alarm system & SWR display. Use higher values to prevent false triggering from other transmitters in multi-multi contest environments…1, 3, 10, 30, 100W. Higher values produce a more stable SWR display.
SWR Rest Fmt… Determines the graphic style for SWR display when not transmitting… 1.00, 0.00, Last (holds last value).
Brightness… Sets the screen brightness… 10% to 100% in 10% steps
Pk Hold Time… Sets the peak hold time in Peak power mode… 0.5, 1, 2, 3, 4, 5 seconds
Call: Pos Save… Allows the user to set a character position, and save the character to spell out his call sign. Adjust knob selects each character.
Scr Svr Timer… Sets the timeout values for the screen saver. Dims the screen to 10% after… 1, 2, 3, 4, 5, 10 minutes
Sleep Timer… Sets the timeout value for the screen to go to sleep… 10, 20, 30, 60 minutes and “Never Sleep”
Scr Svr Reset… Determines whether the meter will wake when you transmit, or if you wish to manually wake it with the Mode button.
Alarm Volume… Sets the volume of the alarm chimes… 10% to 100% in 10% steps. The chime sounds to help you set the right level.
Alarm Pitch… Sets the approx. pitch of the alarm chimes (the chimes are actually specified as musical notes)… ~300 to 900 Hz in 100 Hz steps
Peak Resp… Recently added screen. Allows the user to determine how the meter responds to very short peaks of power.
Hdwe Rev… Displays the current firmware revision.
The default settings for a standard LP-500 are shown below.
Coupler CH x… LPC501
Power Alarm CH1, CH3… 60W
(Power Alarm CH2, CH4… 1500W
SWR Alarm CH x… 2.0
Power Mode… Net (F-R)
AL Threshold… 3W
SWR Rest Fmt… 1.00
Brightness… 100%
Peak Hold Time… 1 sec
Call: Pos Char… Dn 1 Up L
Scr Svr Timer… 5 min
Sleep Timer… 30 min
Scr Svr Reset… RF / Mode
Alarm Volume… 100%
Alarm Pitch… 700 Hz
Peak Resp… 100 usec
Beep Vol… Low
Recommended Usage of the LP-500
For the most part, you will find the LP-500 intuitive and relatively easy to use for common functions. Below are some recommended settings for the various modes of the LP-500, and how to maximize your experience using it.
Power/SWR Mode…
The key thing to remember in this mode is that the Range and Alarm buttons are indexed to the selected channel. This is true whether using manual or auto channel selection. The first thing you should do is to verify that the default setup values work for you. If not, enter Setup and set the values to your desired settings. Then, in the Power/SWR screen, step through each channel manually, and select the bargraph range that you would like, and which channel should be the alarm trigger for the selected channel. Normally this would be the same channel as the selected channel, but there are a number of circumstances where you might want different channels selected for power alarm and SWR alarm, as outlined in the Power/SWR section of this guide.
The programmed values for the trigger points are displayed to the right of the SWR bargraph. If the alarm is triggered, the Alarm P or Alarm S displays will turn red to indicate whether the alarm was triggered by high power or high SWR.
Once you have the channels configured, you can select auto channel if you like. When in auto channel, the currently selected channel is displayed to the right of the SWR bargraph. For most operating modes, Peak power should be selected, which displays and holds the peak value in the blue area of the display. The hold time is programmable in Setup, from ½ second to 5 seconds.
Waveform/’Scope Mode…
Again, the key thing to remember here is that the Range is indexed to channel. For instance, if you typically use 100W on channel 1, you can manually set the range to 30V/div. If you typically use 1500W on channel 2, you can manually set the range to 150V/div. You could also set both to AutoRng if you like, and let the meter select the correct scaling.
Here are the recommended Sweep settings for the indicated modes…
SSB… SSB F or SSB S. The slower sweep shows more cycles of speech waveforms, but is a tad slower.
Two Tone Tests… SSB F or SSB S. The fast sweep displays 2 cycles of the test pattern, while the slow sweep displays 4.
CW… CW. Displays both the leading and trailing edges of the keying waveform, independent of keying speed.
PSK 31… PSK F or PSK S. The slower sweep rate shows 4 cycles of the PSK signal, the faster rate shows a bit more than 1 cycle.
You can experiment with different combinations to get the display you prefer, and you can create your own sweep presets for custom displays where you can choose your own trigger mode and sweep rate, from 1 msec to 20 msec in 0.1 msec steps. Just as with a normal oscilloscope, the slower the sweep rate the slower the response.
The Wfm Style button selects the type of waveform display that’s shown. Choices are as follows…
Wfm… Traditional envelope display of modulation.
½ Trap… Top half of trapezoidal display of exciter output vs. amplifier output
Scope… Traditional scope display of modulation waveform.
Wfm/Trap… Split screen of Wfm on the left and Trapezoid on the right.
AM Mod… Split screen of Wfm on the left, and bargraphs for positive and negative modulation on the right.
Wfm/Pwr… Split screen of Wfm on the left, and bargraphs for power and SWR on the right.
Trap/Pwr… Split screen of Trapezoid on the left, and bargraphs for power and SWR on the right.
There are some warnings that you should be aware of regarding this mode. In either the ½ Trap or Wfm/Trap display, you must connect a coupler at the input and output of your amplifier, as shown in the diagram on page 1 of this guide. The couplers must be plugged into either CH1 / CH2 or CH3 / CH4, with the amplifier output on the higher number channel. When in either trap mode, you must select the higher number channel. If you select the lower number channel, you will see an error message and the button will briefly turn red. If the amplifier is off, or on the wrong band, you will receive another error indicating that the amplifier gain is low. The LP-500 assumes that the amp should have a gain of at least 6 dB.
In AM Mod display, the LP-500 looks for pauses in speech to determine the carrier level. Typically, this happens when you first key up, before speaking, but also happens anytime there is no modulation. The meter needs this info to calculate modulation percentages.
The test tones to use in the Wfm displays are 2 Tone for SSB testing and either 400 Hz or 1 kHz for AM testing. The other choices are specially designed for the Spectrum mode, as explained in the Spectrum Mode section.
Spectrum Mode…
Before going through the settings, we need to address some factors affecting spectrum measurements. Notice that three of the test tones have a “+” sign added, indicating that the signals include a subcarrier. These signals are used only in the Spectrum Mode. The purpose of this is to add a pseudocarrier when testing in SSB modes. Without this, the envelope detectors in the coupler would produce a highly distorted signal in the audio realm, which is what we are really measuring in the Spectrum Mode. So, these test tones are really designed to produce a pseudo-AM signal when fed to a SSB balanced modulator so that the detectors in the couplers can cleanly demodulate the signal into its audio components, which includes the modulation signal and any distortion created in the transmitter. This is not the same as sampling the RF directly, as is done in an RF spectrum Analyzer, but with care can produce somewhat similar results if care is taken. But it allows the use of standard type couplers over very wide frequency ranges (up to microwaves if desired) without the complicated circuitry of an RF spectrum analyzer or expensive ADC circuits which can cover UHF frequencies… or both.
Because the subcarrier must be stronger than the two test tones, this limits the peak power in the two tones, but still results in meaningful measurements on a relative basis at full power, so that the user can see the degradation of the IMD products depending on amplifier settings, or when comparing one amplifier to another. Note: The rig must be capable of passing 200 Hz for this mode to work. Most rigs will do this, or have SSB pass band options which allow adjustment of the low frequency cutoff.
The Noise+ signal is especially useful in adjusting parametric equalizers in voice modes. For AM mode, noise signals are provided without the subcarrier. Keep in mind that the amplifier is being taxed to the full power limit of the subcarrier, which is stronger than the modulation signals. This is similar to the situation with AM, although the ratios are different. See the picture at the right for an example of a white noise test.
In terms of settings, similar to what we saw in the other modes, the preamp gain settings are indexed to the selected channel. Normally, the gain can be left at +65 dBm or +55 dBm depending on whether you are using an amplifier, but occasionally when running very low power you may want to increase gain to +45 dBm full scale. If you use too much gain, the gain button will turn red and you will see an error message.
There are three span settings… 2.5, 5 and 10 kHz, with the option of either linear or logarithmic frequency scaling, with a 5X multiplier also available for the 2.5 & 5 kHz Linear scales. Here are some recommended choices for some common tests…
Two Tone SSB… 2.5 kHz linear
Freq. Response… 5 or 10 kHz log
CW Bandwidth… 500 to 1000 Hz linear
SSB or AM Bandwidth… 5 kHz log
There is also a Span Multiplier button which decreases the span by a factor of 5:1 in the two narrowest ranges. Therefore, 2.5 kHz becomes 500 Hz and 5 kHz becomes 1 kHz. The span multiplier works in Linear modes and is useful for measuring the spectral width of CW or PSK signals. It should be noted than when the multiplier is on, it slows the meter own considerably. We recommend setting the averaging to 2. It is self-cancelling in that the Spectrum mode always starts with the multiplier off. This is done to eliminate starting in a slow mode.
When making IMD tests, it is advisable to use +55 dBm reference gain setting when doing tests at 100W, or +45 dBm reference gain setting when doing tests at QRP levels. This not only lowers the noise floor, but places the signal and distortion products in a more linear range of the coupler detector. You should try to set the reference setting so that the two tones are at an indicated level of -10 to -20 dBm relative to the reference at the top of the display.
The Filter button should be On whenever using a test signal with subcarrier to filter out the carrier artifacts and to restore the proper frequency scaling to shift the display by the carrier frequency. This is automatic when selecting these test signals, but can be manually selected or deselected.
The averaging button can be set to taste. The higher the setting, the lower the noise floor, but also the slower the response. For frequency response measurements with white noise, it should be set to 8 or 16 to make it easier to see the curve.
Connecting Test Tone Output to Your Rig
The Test Tone output is intended to feed a line level audio input of the rig. Some rigs have a dedicated jack for this, but some of the newer rigs which have limited space for connectors don’t. Most rigs have a DATA connector, which is meant to be connected to a TNC or Sound Card RTTY interface. These usually take the form of a DIN or mini-DUN connector. Sometimes these are labeled ACC-1, ACC-2 or ACC-3. The pins that you want to look for are usually labeled Data IN and Gnd. These would connect to the tip and sleeve of the audio jack on the LP-500.
An alternative is to use the front panel MIC jack on the rig, either an 8-pin round or 8-pin modular (Ethernet type) connector. You will need an interface like the inexpensive W2IHY iBox to make this connection. The iBox accepts the unbalanced line level output of the meter, and converts it to any number of outputs to feed various connectors on your rig, either front panel or rear panel. Julius, W2IHY can direct you to the best option for your rig. It is generally preferred to use a rear panel connector so that the microphone (or mixer) can remain plugged into the front panel. This will usually allow you to have independent gain controls for the mic and meter levels, so that they can be matched. If the levels aren’t matched, adjustments made with the test tones will not correlate directly to microphone use.
Here is Julius’ information…
Website: www.w2ihy.com
W2IHY Technologies Inc.
19 Vanessa Lane
Staatsburg, NY 12580
Toll Free: 877-739-2449
Land Line: 845-889-4253
[email protected]
Troubleshooting
| Problem | Solution |
| Meter won’t boot past startup screen | Rotate Adjust knob. This is a bug caused by indecision (noise) in the optical encoder on early meters (LP-500 serial number < 00030, LP-700 serial number <00018)). A free plugin mod is available to update the encoder operation. |
| Meter screen flickers or tones are raspy | Insufficient power supply current capability |
| Ripple on patterns in ‘scope modes | Insufficient power supply regulation or chassis bonding |
| SWR reads high into dummy load or matched antenna | Same reason as above. Check that the rig, power supply and meter are all bonded together with heavy copper braid. Also, make sure that the neutral wire inside the power supply is properly connected. If you still have problems, you might want to power the meter with a dedicated power supply, not the station supply. The Triad supply that’s mentioned on page 2 of this manual is a good, inexpensive choice. |
| Power readings off by large percentages (70% – 300%) | Wrong coupler type is selected in Setup for the selected channel. |
| Low gain alarm in Trapezoid modes | Amplifier is off or not adjusted properly |
| Trapezoid vertical scale is low | Lower the Range setting, or select Auto |
| Trapezoid horizontal scale is low | Increase amplifier gain setting in LP-500 |
| Channel alarm in Trapezoid modes | CH 2 or CH 4 must be selected for Trapezoid operation. Amplifier must be connected to one of these channels. |
| Meter shows occasional high power peaks. | The solution depends on the source of the peaks and whether the user wants to see them. Modest peaks can be caused by ALC overshoot in the transmitter. Very large peaks could be caused by T/R relay arcs caused by application of power before the relay has closed. Most rigs have an adjustment to delay onset of power output after PTT is initiated. In any case, the user can slow down the meter’s ultrafast response to short spikes by choosing a longer Peak Resp time in SETUP. |
LP-500 VM (Virtual Meter) Software for Windows

Above images are screen captures from the VM software. These images are scaled down for display in this manual, but fill an 800 x 480 pixel window on the user’s computer monitor. This is, of course, the native resolution of the LP-500. With typical size monitors, this provides a large and very readable display, which can be viewed either locally on your PC, or remotely over a LAN or the Internet using RDP or a USB Device Server.
In general, the VM works just like the meter itself, with all of the controls and displays mirroring the ones on the meter. The VM can run simultaneously with the meter and is fully bidirectional, meaning that any change at the meter will be reflected in the VM and vice versa. This includes the displays and controls. For those with limited space for the LP-500, this provides a much larger display, and higher resolution. The VM is a free download, like all TelePost software, and is very easy to set up. If the meter is plugged into a USB jack on the PC, starting the VM will automatically connect to it.
The VM software is a work in progress, but it is available for downloading on the LP-500 web page. The current version (1.06) is mostly functional except for the following things…
Most LP-500 screens are supported in VM to some extent, although the Setup screen is not currently supported. The touch screen features of the LP500 are not currently available in the VM either.
This is still beta software, but is constantly being improved.
Using mikroBootloader to flash new firmware
Download the mikroBootloader software from our LP-500 web page, as well as the latest firmware. Unzip and install the software, then unzip the firmware file and save the resulting hex file to a convenient place where you might want to save future firmware versions as well. In this example, we’ll use LP500_v213.hex, and we’ll save it to the folder C:\Users\Shack\Downloads\LP-500_firmware\.



Plug the LP-500 into a USB 2.0 port on the PC using the supplied USB cable. No special drivers are needed for the LP-500. It uses the standard Windows USB HID drivers and should be instantly recognized by the PC with the usual USB connect sound.
Start the mikroBootloader program (Fig. 1), then turn the LP-500 on, or power cycle the meter if it’s already on. This starts the bootstrap loader in the meter. The several seconds of black you normally see when the meter is turned on is actually the bootstrap loader running and waiting for a possible request.
In the Device window of the software you should see “LP-500” for a few seconds indicating that it has found the LP-500 with its bootstrap loader running.
The MCU Type window simply indicates that the microcontroller in the LP-500 is from the PIC32 family, which matches the code in the hex file. While “LP-500” is being displayed, click on Connect. The Connect button should immediately change to Disconnect if the software was successful connecting to the meter, (Fig. 2). If not, turn the meter off and back on and try again. You have a window of a few seconds to connect to the meter, otherwise it will continue to the operate mode. You can always get the bootloader to restart by power cycling the meter.
NOTE: In the earliest meters (low serial number), “LP-500” might not appear because they used a generic version of the bootstrap loader. In this case, watch for the USB symbol next to “Wait for USB Link” to turn red and then click on Connect. Note that the color change from gray to red is subtle.
After the program connects to the meter, click on Browse for HEX. Find and open the hex file that you previously saved (Fig. 3). In the History Window you will see that the file has been opened (Fig. 4).
Then click on Begin uploading. It should take about 10 seconds to upload the new firmware, as indicated by the progress bar (Fig. 5). WARNING: Don’t remove power from the meter or interrupt the loading while it’s in progress.
Then you’ll get a message that the meter is restarting (Fig. 6). After that, the meter will restart with the new firmware. After the meter boots up and goes to the main screen, it’s a good idea to power cycle it again to make sure everything is properly initialized.
Specifications
(Using standard LPC-501 3KW HF/6M Coupler. Other couplers listed at end of specifications)
General
Power Range… 0.1W to 3 KW PEP / (1.5 KW average)
Power Accuracy… +/- 5% at 7 MHz, NIST Traceable, reduced accuracy below 10W.
Flatness… +/- 3% from 1.0 to 54 MHz, +/- 1% typical from 1.8 to 30 MHz)
SWR Range… 1.00 to 9.99
SWR Accuracy… Within 5%, 1.8 to 30 MHz, slightly worse on 6m.
Bar Graph Resolution… 600 steps for each range, Manual or Auto-Ranging
Directivity… >30 dB, 1.8 to 54 MHz.
Return Loss … >30 dB, 1.8 to 54 MHz.
Number of Channels… 8 simultaneous (FWD & REF power for 4 couplers)
Channel Match… + / – 0.1%
A/D Converter 16-bit / 200ksps, with 2X to 16X oversampling.
DAC Resolution… 18-bit, 96 dB SNR
Screen Update… 5 Hz to 25 Hz, depending on mode, sweep/span setting.
Sampling Rate… 3 ksps to 25 ksps, depending on mode, sweep/span setting.
Display Resolution 800 x 480 pixels (WVGA)
Display Type TFT with White LED Backlight
Display Size LP-500: 5″ Diagonal, LP700: 7″ Diagonal
Test Tone Output… 250 ohms, 350-500mVpp, unbalanced, 0.01% THD into 10K load
Power Requirements… 13-16VDC @ 800 mA maximum
Size… LP-500: 9.125″W x 6.1″D x 4.88″H (23.2cm x 15.5cm x 12.4cm)
LP-700: 10.125″W x 6.1″D x 5.63″H (25.7cm x 15.5cm x 14.3cm)
Scope
Sweep Rate … 1.0 to 20.0 ms/division in 0.1 ms steps 5 Factory Presets and 3 User Adjustable Presets
Display Modes … 6, including 3 split screens
Trigger Modes … 5
AM Modulation % … 0 to 150 positive, 0 to 100 negative.
Cursors … 2, measuring peak voltage and time (ms)
Markers… 2, adjustable to show preset power limits
Spectrum
Frequency Spans… 2.5, 5.0 & 10.0 kHz, w/linear or log scaling
Span Multiplier… 5X (500 & 1000 Hz, linear)
RBW… 1 to 20 Hz, depending on span
Averaging… 2X to 16X
Reference Level… +45, +55, +65 dBm Full Scale
ADC Dynamic Range… > 90 dB
Coupler Dynamic Range… Up to 80 dB, depending on modulation type
Cursors … 2, measuring peak power (dBm) and frequency (Hz)
Marker… 1, adjustable to show preset power limit
LPC502 5KW HF/6M Coupler
Power Range… 5 KW PEP / >2.5 KW average power
Flatness… +/- 3% variation from 1.8 to 54 MHz, + / – 1.5% typical.
NIST traceable. Reduced accuracy below 10W
LPC503 10KW HF Coupler
Power Range… 10 KW PEP / 5 KW average power
Flatness… +/- 5% variation from 1.8 to 30 MHz, +/- 2% typical.
NIST traceable. Reduced accuracy below 10W
LPC504 3KW VHF Coupler
Power Range… 3 KW PEP / >1.5 KW average power
Absolute Power Accuracy… Better than 5% at 146 MHz, +/- 0.15 dB variation from 144 to 148 MHz. NIST traceable.
Reduced accuracy below 10W
Warranty
LP-500 is warranted against failure due to defects in materials and workmanship for two years from the date of purchase from TelePost Inc. Displays are warranted to be free of functional defects for a period of one year from the date of shipment, and free of obvious visual defects for a period of 30 days.
The warranty covers the original purchaser, but is transferable upon prior approval from TelePost Inc. Warranty does not cover damage caused by abuse, accident, improper or abnormal usage, improper installation, alteration, lightning or other incidence of excessive voltage or current.
If failure occurs within the warranty period, return the LP-500 to TelePost Inc. at your shipping expense. The device will be repaired or replaced, at our option, without charge, and returned to you at our shipping expense. Repaired or replaced items are warranted for the remainder of the original warranty period. In some cases, display failures can be handled as customer installed replacements.
TelePost Inc. shall have no liability or responsibility to customer or any other person or entity with respect to any liability, loss or damage caused directly or indirectly by use or performance of the product or arising out of any breach of this warranty, including, but not limited to, any damages resulting from inconvenience, loss of time, data, property, revenue or profit, or any indirect, special incidental, or consequential damages, even if TelePost Inc. has been advised of such damages.
Under no circumstances is TelePost Inc. liable for damage to your amateur radio equipment resulting from use of the LP-500, whether in accordance with the instructions in this Manual or otherwise.
Compliance Statements
LP-500 & LP-700 have been tested and fully documented in accordance with the following standards…
ANSI C63.4 – Radio Noise Emissions 2003.12
CFR47 FCC Part 15, SubPart B, Class B limits
AHD/SEI test procedures TP0101LC, TP0102RA
EN55022 ITE Disturbance 2005.11
EN61000-6-3 Generic 2007.2
EN61326-1:2006 (E)
EN61000-4-2
EN61000-4-3
Tests were conducted at the following accredited test facilities…
- University of Michigan Radiation Laboratory, Ann Arbor, MI
- AHD LC EMC Lab, Sister Lakes, MI – NVLAP LAB CODE 2001290
Federal Communications Commission
Statement (USA)
NOTE: This equipment has been tested and found to comply with the limits for a Class B digital device, pursuant to part 15 of the FCC Rules. These limits are designed to provide reasonable protection against harmful interference in a residential installation. This equipment generates, uses, and can radiate radio frequency energy and, if not installed and used in accordance with the instruction manual, may cause harmful interference to radio communications. However, there is no guarantee that interference will not occur in a particular installation. If this equipment does cause harmful interference to radio or television reception, which can be determined by turning the equipment off and on, the user is encouraged to try to correct the interference by one or more of the following measures:
i. Reorient or relocate the receiving antenna.
ii. Increase the separation between the equipment and receiver.
iii. Connect the equipment into an outlet on a circuit different from that to which the receiver is connected.
iv. Consult the dealer or an experienced radio/TV technician for help.
European Union Declaration of Conformity
TelePost Inc. declares that the product:
Product Name: Digital Station Monitor
Model Number:LP-500 / LP-700
Conforms to the following Product Specifications:
EN 55022: 1998 Class B
following the provisions of the Electromagnetic Compatibility Directive 89/336/EEC
Industry Canada Compliance Statement
Canada Digital Apparatus EMI Standard
This Class B digital apparatus meets all the requirements of the Canadian Interference-Causing Equipment Regulations.
Cet appareil numerique de la classe B respecte toutes les exigences du Reglement sur le material brouilleur du Canada.
LP-500 / LP-700 are 100% RoHS compliant for all parts and manufacturing processes.
Copyright and Trademark Disclosures
LP-500 & LP-700 are trademarks of TelePost Inc. Windows® is a registered trademark of Microsoft Corporation.
Material in this document copyrighted ©2015 – 2020 TelePost Inc. All rights reserved. All firmware and software used in the LP-500 & LP-700, VM and Utility programs copyrighted ©2015 – 2020, TelePost Inc. All rights reserved.
























