V I V O STAND-TDML2 Universal Laptop Desk for Treadmill Instruction Manual
SKU: STAND-TDML2
Scan the QR code with your mobile device or follow the link for helpful videos and specifications related to this product.
Instruction Manual
https://vivo-us.com/products/stand-tdml2
GET IN TOUCH | Monday-Friday from 7:00am-7:00pm CST
[email protected]
www.vivo-us.com
Chat live with an agent!
309-278-5303
WARNING!
If you do not understand these directions, or if you have any doubts about the safety of the installation, please call a qualified technician. Check carefully to make sure there are no missing or defective parts.
Improper installation may cause damage or serious injury. Do not use this product for any purpose that is not explicitly specified in this manual and do not exceed weight capacity. We cannot be liable for damage or injury caused by improper mounting, incorrect assembly, or inappropriate use.
WARNING: CHOKING HAZARD
SMALL PARTS – NOT FOR CHILDREN UNDER 3 YEARS. ADULT SUPERVISION IS REQUIRED.
PACKAGE CONTENTS
- A (x2) Connecting Plate

- B (x2) Strap Bracket

- C (x2) Strap Set

- D (x8) M5x12

- E (x8) M5x14

- F (x4) Rubber Pad

- G (x2) Tray

TOOLS NEEDED

DO NOT EXCEED WEIGHT CAPACITY.
Failure to do so may result in serious injury
ASSEMBLY STEPS
- STEP 1
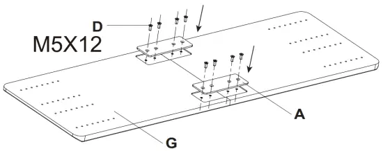
Assemble the tray sections (G) using the connecting plates (A) and M5x12 screws (D).
Tighten with a Phillips screwdriver.
- STEP 2
Measure the treadmill handlebar distance, then mount the strap brackets (B) to the corresponding middle row holes in the tray using M5x14 screws. Tighten with a Phillips screwdriver.
- STEP 3
Attach the rubber pads (F) to the tray making sure to match the handlebar distance as closely as possible. Mount rubber pads (F) to the outer row screw holes using M5x14 screws (E). If the treadmill has control buttons on the handlebars, ensure the pads will not be resting on the buttons.
Insert the straps (C) through the strap brackets, then secure the assembled tray to the treadmill handlebars.
Love your new VIVO setup and want to share?
Tag us in your photo! @vivo_us
Open Monday – Friday 7:00am – 7:00pm CST, our dedicated support team can offer immediate assistance with rapid response times. If any parts are received damaged or defective, please contact us. We are happy to replace parts to ensure you have a fully functioning product.
[email protected]
AVG. RESPONSE TIME (within office hrs): 1HR 8M
– 23% within < 15m
– 38% within < 30m
– 61% within < 1hr
– 83% within < 2hr
– 92% within < 3hr
www.vivo-us.com
Chat live with an agent!
AVG. RESOLUTION TIME (within office hrs): < 15 M
309-278-5303
309-278-5303 AVG. RESOLUTION TIME (within office hrs): 5M 4S
FOR MORE VIVO PRODUCTS, CHECK OUT OUR WEBSITE AT: www.vivo-us.com








Assemble the tray sections (G) using the connecting plates (A) and M5x12 screws (D).













