V18B-CX50-2/CX35 Installation and Operation
Manual
V18B Variable Capacity In-Line Electric Backup Heater for Heat Pump Chillers
Thank you for purchasing the worlds most advanced and efficient hydronic backup heating solution for air-to-water heat pumps. The V18 adds backup heat in more precise amount, with variable & automatic real time control. For use with Chiltrix air-to-water heat pumps.
CHSK SERIAL NUMBER OF UNIT IN APPROPRIATE MANUAL TO DETERMINE IF THIS MANUAL APPLIES TO YOUR UNIT.
The V18-B model uses the Chiltrix CX Unit onboard controls and does not need a separate V18 controller. Any questions please contact Chiltrix technical support dept. Note the serial number of the CX Unit to see if this manual applies. ONLY USE THIS MANUAL FOR CX50-2 or CX35. Check the appropriate CX heat pump manual for serial number range.
THIS PRODUCT USES HIGH VOLTAGE ELECTRICITY! DO NOT OPEN OR SERVICE THIS DEVICE UNLESS POWER HAS BEEN DISCONNECTED
This product must be assembled and installed by a licensed electrician in a manner that conforms with all national and local electrical and safety codes. All high voltage electrical components meet UL requirements.
SERVICE OR REPAIR TO BE PERFORMED ONLY BY A LICENSED ELECTRICIAN DO NOT DRY FIRE THIS DEVICE / INSTALL VERTICALLY ONLY WITH FLOW ENTERING FROM BOTTOM AS SHOWN IN THE DRAWINGS
USE 208-240V 30a Circuit with GFCI Breaker.
Note special procedure for chilled water capable systems.
Read the entire manual before beginning installation.
Follow all instructions.
Version 1.0
The V18 communicates with the Chiltrix air-to-water heat pump via low voltage signaling. The Chiltrix heat pump always understands the load as part of its capacity management program, as such, if a heating shortfall is detected, the quantity of such shortfall is known.
Real time monitoring and calculation allow the Chiltrix air-to-water heat pump to operate with the V18 with the goal being that only the needed amount of extra heat is added.
Power increments of adjustment 1% are possible, as needed, for precise control.
Note, the 5.5 kW rating is for 240v line voltage and is equal to 18,760 BTU.
Actual max heating BTU is determined by your local line voltage.
Standard included element is rated for 240v, 5500w, and 18,760 BTU.
Voltage deratings for a 5500w element rated at 240v if used at a different voltage (Ohms Law):
230v= Up to 5051w (17,234 BTU)
220v= Up to 4621w (15,766 BTU)
208v= Up to 4131w (14,094 BTU)
Shown above: V18 mounted on a painted plywood board with Uni-struts. Or mount to other wood mounting, not metal. Flow must enter from the bottom, plastic cover should be closer to the bottom as shown
The pipe fittings are NPT 2” female, use a bushing or adapter to match it to your piping. Always use Teflon tape /dope for any threaded pipe connection, particularly important to liberally apply when using with stainless steel threaded fittings as stainless is a very hard material and will not “give” and seal on its own like copper or brass NPT fittings.
Note, water flow should enter from the bottom.
Do not attach to metal studs etc. to prevent harmonics. Use PEX for vibration isolation from copper piping system..
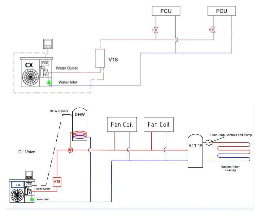
Example showing proper placement. Always installed *before* any loads, and *before* the G2 DHW valve (if DHW is used in the system) or *before* any G3 valve (if used). See proper placement in the following examples.
The V18 must be installed in an upright orientation (vertical) and the water flow entry should be from the bottom. The bottom, or water entry end, is considered to be the end closest to the removable panel as shown in all pictures.
Note: The V18 does not have anything to do with DHW which usually has its own backup element. It is placed before the G2 valve for other reasons.
Installation
The in-line V18 Heater unit(s) must be installed indoors, in the main chiller loop between the Chiltrix outdoor unit(s) and any loads such as fan coils, air handler, or buffer tank. If DHW is used, the V18 would be before the G2 valve (and before any loads. See drawings below. The V18 should be mounted on a board with the heating element mounted vertically. Mounting it horizontally could trap air bubbles that could cause flow or overheating problems.
Two (or three) V18 inline heaters may be mounted together (series piping), note they are wired separately for power, each with a 30a GFCI circuit for main power. Control circuits are wired in parallel and the CX Unit controller can manage up to 3x V18 units. Shown below, two V18Bs piped in series.
Wiring
Power Wiring
Power to operate the Heating element in the In-line Heater(s) comes from a 2 pole 208 to 240 VAC GFCI circuit breaker, via an included 40a Solid State Relay (SSR) used to provide real time control over the power level and manage the rate of addition of heat to the Chiltrix main loop.
The power from one circuit breaker pole (L1) passes through the relay box and connects directly to the in-line heater’s thermal overload interrupt device. Power from the other circuit breaker pole(L2) is connected to the SSR and its conductor is connected to the SSR’s terminal #2. The SSR’s terminal #1 is connected to the in-line heater’s heating element. See below.
MAKE SURE GROUNDING IS DONE PROPERLY!
Assembly of this system and all connections to the buildings electrical power system should be performed by a qualified licensed electrician according to local and national electric codes.
CHILLED WATER
IMPORTANT NOTE*
If the V18 will be installed in asystem that performs cooling operation at times, make sure to thoroughly seal around thewhite ABS cover and inside the Liquidtight conduit with silicone as a minimum precaution.
The requirement is to prevent air from entering the V18 inside the white ABS cover and contacting the cold pipe or components which could cause condensation to form and accumulate inside the unit.
For higher humidity locations you may also consider filling the entire cavity (but not cover the reset button) with an electronics-grade RTV silicone potting material rated for this type of application.
When using a potting material, use it only per-code and according to the materials instructions, make sure to allow the material to fully cure before attaching thecover.
Make sure power is disconnected before and during this operation.
SSR Wiring
When wiring the secondary side of the SSR (high voltage side) make sure of a tight connection. If using stranded wire you must use a fork-type cable lug, Eg. Mouser p/n 651-3240042
Control Wiring
Output Cable
Control wiring from the terminals as shown below to the SSR(s), this consists of a cable connected to the (+) red wire and the (-) black wire on the solid state relay (SSR). If more than one in-line heater/SSR arrangement is used then a jumper cable is used. It consists of a cable connecting the red to (+) and black to (-) on both SSR’s putting them in a parallel configuration. A junction box could also be used for this purpose (see illustrations on page 6) .
ASSEMBLING COMPONENTS
HEATER ELEMENT REPLACEMENT INSTRUCTIONS
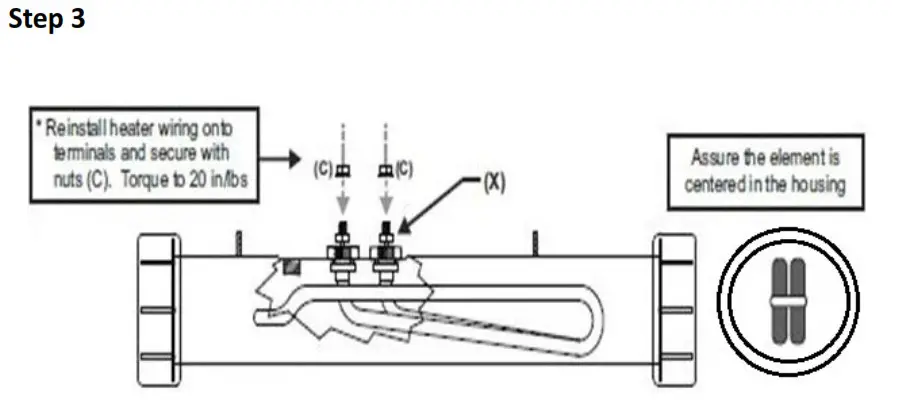
CAUTION – During assembly/installation or after removing an element for replacement, assure that all inner and outer sealing surfaces are clean and free of debris prior to installing the new o-rings and element or leaks may occur. Make sure to do step 1 before step 2. The O-ring must end up INSIDE the cannister, not outside, or it will not seal.
Step 1
Visually inspect the element after installation and verify that that the element is not in contact with the inside wall of the heater body. Failure to do so may cause failure.
WARNING: Hold the Bottom Hex (x) with a 1/4” open end wrench when tightening the Terminal Nut to prevent rotation and damage to the epoxy end seal.
Note, if you replace an element, make sure to change the V18 controller parameters P103 and P106 (if/as needed, to the correct volt/watts ratings. If you are using 2 or 3 heaters with the same V18 controller the elements may be of different watts ratings as long as they are rated at the same voltage. Use the total watts of all elements that are connected to the same controller. For parameter P103. The standard element is 5500w. A max 6000w element can be used.
Plumbing
The in-line V18 Heater unit(s) are installed in-doors, in the main system loop between the CX Unit outdoor unit and Load (building’s Hydronic system), as near to the CX Unit chiller as practical and before any valves of loads. See illustration below.
The V18 must be installed in an upright orientation (vertical) and the water flow entry should be from the bottom. The bottom, or water entry end, is considered to be the end closest to the removable panel as shown in all pictures.
The inline heater units have 2” NTP female connections at either end.
Install 2” NTP pipe nipple(s) to connect two heater units together in series. Install 2” NTP bushings or adapter fittings to match up to the plumbing.
Use Teflon tape on all treaded fittings to prevents leaks. Once the heater units are installed, pressurize your loop and check for any leaks. Flush fill, and pressurize the loop according to the Chiltrix Installation and Operations Manual.
V18B-G Backup Heater
Programming the CX Unit Parameters
Enter CX Unit Manufacturers Settings on the CX Unit standard controller.
V18B-G Parameter Settings:
P57 is E2 activation air temperature. Outdoor air temp must less than P57 for V18b to be activated. P57 default is 0◦C (P10 range is -20~20◦C)
P56 must be set to 0 for V18 to be enabled
P41 = Set it to 10, means the rate of ramp up of V18 starting curve, it will not go to max speed until after the number of minutes set in P74.
P40= the E2 start delay time. If compressor cannot meet target for X minutes (P84 minutes) then E2 & V18 will start.
P103 is the V18 rated max watts, range allowed is 0-99999w
Setting for one standard V18b (new, with original element) is 5500W (Default 5000W). Format: is x 100. therefore, to set 5500w, set value will be 55.
P106 is the rated element voltage, allowed range 0-500V, this is generally set at 240v for USA, verify the rating of the heating element used.(Default 230V)
The original element shipped with the unit is 240v/5500w. If the element is changed these settings may need to be changed. If multiple V18s are used on one CX Unit, the P103 value will be the total W of all V18 units connected to the CX Unit. All V18b units used on the same CX Unit must have the same element V rating and the same W rating
P107 is the transfer coefficient (WF) 100-600, Default 500 (see water factor chart page 15)
P108 is the Voltage compensation, set = 0 (unless otherwise instructed by Chiltrix support dept.)
V18b-G Operation
Before the V18B-G can start:
- Before the SSR can start, the ambient outdoor temperature as measured by C02 (LED 2) must be below the P57 setting.
- P56 must=0
- When the compressor cannot meet the BTU load for a period of X minutes (as defined by P40), and the AC outlet water temperature < or = target inlet temperature+P95-1C, V18B-G will turn on.
- Only when E2 is on, the V18B-G control will start.
E2 on/off control is as explained below.
- E2 will start during defrost and stop if AC inlet water temperature is >/= to Target inlet water temperature +P12. However, if AC outlet water temperature > or = target inlet temperature+P95, V18B-G output result =0.
- When the compressor is on and E2 starts, the CX Unit will re-target the AC inlet water temperature set point by +3C. If E2 stops, the EWT target will revert back to the original target temperature.
- If a P5 error is flagged, (water flow error ), E2 will stop.
- Any error that stops the CX Unit will stop the V18B-G.
| Percentage of Propylene Glycol | Water Factor |
| 0 | 500 |
| 5 | 495 |
| 10 | 490 |
| 15 | 485 |
| 20 | 480 |
| 25 | 473 |
| 30 | 467 |
| 35 | 457 |
| 40 | 447 |
| 45 | 436 |
| 50 | 425 |
Notes Re: Controllers
When the V18B is active, any changes to temperature parameters entered via the standard controller or via the Psychrologix controller (including outdoor reset) will be ignored.
Outdoor Reset function OF Psychrologix must not be used. Instead, use the built-in, if used with a Psychrologix controller, must be set at to least 1 degree higher ambient trigger than what is set as the V18 parameter 3 (outdoor air trigger). If using the standard CX Unit onboard outdoor reset control, this does not apply.
Multiple V18s
When using multiple V18s, parameter P103 rated watts should be entered as the total of all elements. Both (all) elements must be the of same rated voltage.
Do not install more than 2x V18s in series on a single CX Unit.
V18b Testing
To verify operation, take the following steps:
- Make sure that parameters are correct according to page 13.
- Temporarily set P57 to an outdoor temperature of 20C activation point. If outdoor temperature is >20C then use ice or some other means to cool the CX Unit outdoor temperature sensor until it reads below 20C (68F) for the duration of this test.
- Temporarily set P27 to 55%
Temporarily set P40 to 5 - Turn the CX Unit on in heating mode, set AC target to the highest allowed setpoint. Establish a heating load to ensure that the setpoint cannot be easily met.
- Enable E2 at P56 (-0). Wait 5-6 minutes. The E2 indicator on the CX Unit screen will illuminate. When E2 engages you should soon be able to hear a slight hissing sound from the V18b. This is the same (percussive) sound that a pot of water or tea kettle makes while heating up (but that stops as the water reaches its boiling point).
To test further, after the E2 icon has illuminated you may use a clamp-on amp meter to test the amps on the SSR input of L1 or L2. (Test the conductor that does not pass through the SSR). See pic next page.
Amps should equal approximately the same as C62 (V18 watts) divided by the voltage (C55). For example if C62 is 5000 and C55 is 230, amps reading should be approx. 21.7a.
Important: After testing, reset P27 to 100% and P40 to 15. Set AC target temp to proper temperature. Disable E2 if/as needed. And adjust all other parameters to their correct settings.
Note, the conductor (marked with white hash marks) is the one that does not pass through the SSR. Use this one for testing.
When E2 is active and engaged and providing a value >0 at C62 you should be able to see current with the tester. The amps reading should approximately equal the product of C62 (power applied) divided by the voltage C55).
Troubleshooting
The backup heater is off by default. Activation can only occur under certain strict conditions and only if backup heat is needed. There are several levels of safety.
- The GFCI breaker will trip if there is a ground fault. This protects the system and users in the event of a short circuit or loose wire in the power wiring.
- An internal thermal circuit breaker will trip if the heater exceeds 150°F . Reset for this control is manual. See below.
- There are a number of permissive factors that will inhibit the firing of the SSR. Primarily, there must be minimal fluid flow.
Visual indicators: AFTER DISCONNECTING AC V18b POWER, Remove the cover from the gang box exposing the Solid State Relay. If the units are receiving a firing signal, the LED on the SSR(s) will be lit and may be flashing. If the LEDs are lit, then power will be sent to the units when the circuit breaker is on. The firing signal can be tested with a 9v battery.
As noted, the second-level safety feature we have included is a safety switch, a UL-Listed bi-metal thermal overload switch that opens and breaks the element power connection in case of temperature rising above 150°F. It is attached to the heater barrel interior wall.
If the thermal overload switch is tripping for no apparent reason, the heating element may be in contact with the inside wall of the V18. See section on proper installation / replacement of heating element.
Manual Reset
If the heater unit rises to an unsafe temperature the thermal overload switch will stop power to the units element. To access the reset switch, FIRST, POWER MUST BE DISCONNECTED. Remove the white ABS cover to access the reset button. Assuming the temperature is below 130 °F, depressing the reset button will reset the V18. You may need to press the reset button with up to 15-20 lbs. of pressure in order to reset it.
Note, a tripped thermal safety switch most likely indicates a problem that should be corrected before resetting.
A short circuited Solid State Relay is a possible cause of a tripped safety switch. If this is suspected, turn off the circuit breakers feeding power to the backup heater. Disconnect the SSR from the output signal connection. Have a licensed Electrician check the SSR before turning the circuit breakers back on.
Another cause may be if the V18b heating element is too close to (or touching) the interior sidewall of the V18b heater vessel. Insufficient flow, particularly with multiple V18bs in series, may cause this.
If the V18b backup unit stops working, first check the Chiltrix standard controller for any error codes. Check for loose wires, see troubleshooting section. Make sure nothing is blocking flow through the heater.
Contact Chiltrix technical support with any questions at 757 410 8640 ext. 112.
DO NOT REMOVE WHITE COVER UNLESS POWER HAS BEEN DISCONNECTED.
DO NOT RECONNECT POWER UNTIL THE COVER HAS BEEN REPLACED.
NOTICE
Bulletin Regarding V18 Installed
With CX Unit Systems Used For Cooling
CHILLED WATER
IMPORTANT NOTE*
If the V18 will be installed in a system that performs cooling operation at times, make sure to thoroughly seal around the white ABS cover and inside the Liquidtight conduit with silicone as a minimum precaution.
Make sure power is disconnected before and during this operation. The requirement is to prevent air from entering the V18 inside the white ABS cover and contacting the cold pipe or components which could cause condensation to form and accumulate inside the unit. For high humidity locations you may also consider filling the entire cavity (but not cover the reset button) with an electronics-grade silicone potting material rated for this type of application. Example: GC 19-160 or similar.
(gcelectronics.com)
Make sure power is disconnected before and during this operation. When using a silicone potting material, use it only per-code and according to the material manufacturers instructions and make sure to allow the material to fully cure before attaching the cover. Do not cover the reset button with silicone.
Do not connect power until the material has fully cured and white cover has been replaced.


















