SAWO Aries Wall Heater

ARIES WALL HEATER
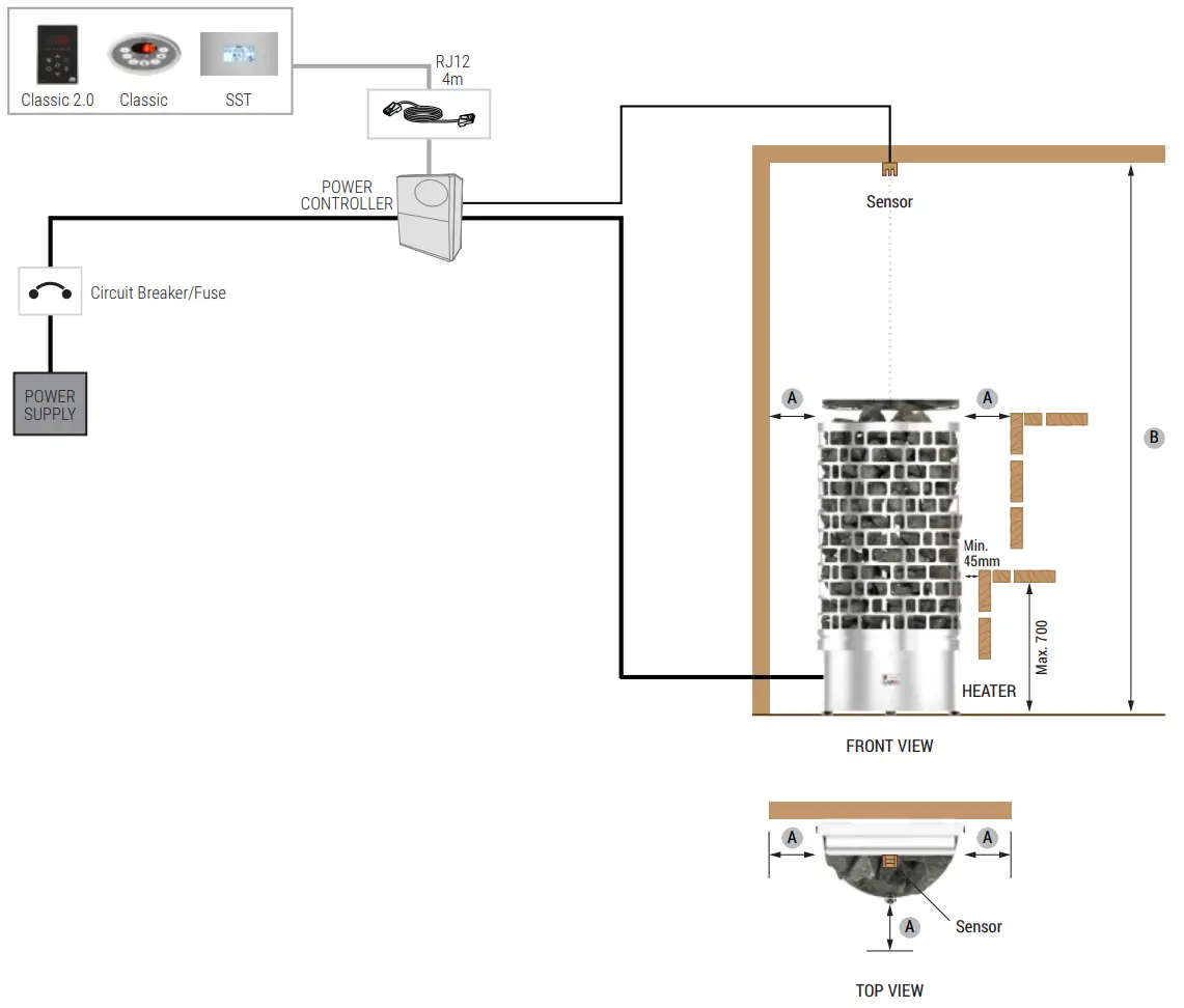
Installation Diagram for Separate Control (NS)
NOTE!
Do not place the sensors too near to air ventilation (not under 1000mm) or not under 500mm from air ventilation, which is directed away from sensors.

Minimum Safety Distances
| Heater Mode | A | B |
| ARI3-45NS-WL | 100 | 1900 |
| ARI3-60NS-WL | 100 | 1900 |
| ARI3-75NS-WL | 100 | 1900 |
| ARI3-90NS-WL | 100 | 1900 |
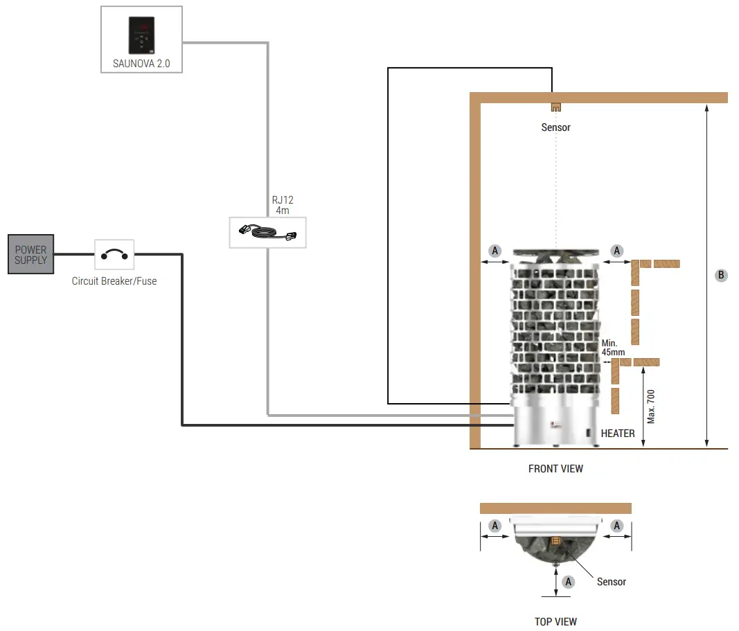
Installation Diagram for Saunova 2.0 Control (Ni2)
NOTE!
Do not place the sensors too near to air ventilation (not under 1000mm) or not under 500mm from air ventilation, which is directed away from sensors.

Minimum Safety Distances
| Heater Mode | A | B |
| ARI3-45NS-WL | 100 | 1900 |
| ARI3-60NS-WL | 100 | 1900 |
| ARI3-75NS-WL | 100 | 1900 |
| ARI3-90NS-WL | 100 | 1900 |
Installation Diagram for Built-in Control (NB)

Minimum Safety Distances
| Heater Mode | A | B |
| ARI3-45NS-WL | 100 | 1900 |
| ARI3-60NS-WL | 100 | 1900 |
| ARI3-75NS-WL | 100 | 1900 |
| ARI3-90NS-WL | 100 | 1900 |




















