M06-084 Enhanced UL Adapter
Instructions
M06-084 Enhanced UL Adapter
These instructions apply to both the Standard Coupling Nut and Magnetic Coupling for Spindle Connection.
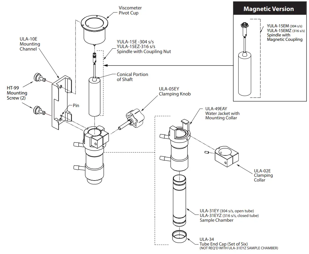
The Enhanced UL Adapter, shown in Figure 1, is a kit consisting of a spindle with coupling nut attached, sample chamber, mounting channel, and water jacket with mounting collar. It is available in two versions: (1) with type 304 stainless steel suitable for most general purpose applications; (2) with type 316 stainless steel for use with corrosive/acidic applications. All versions are shipped with the water jacket (ULA-49EAY) mounted on the sample chamber.
The type 304 s/s UL Adapter (Part No. ULA-EY or ULA-EMY) may be used either as an “open tube” or “closed tube” system. In the “open tube” method, the water jacket (ULA-49EAY) must be removed, allowing measurement in a beaker or other suitable vessel. In the “closed tube” method, the sample is poured into the sample chamber with tube end cap installed, which may be temperature controlled by direct immersion into a water bath or with the use of the water jacket connected to a circulating water bath. The 316 s/s UL Adapter (Part No. ULA-EZY or ULA-EMZY) has a closed sample chamber with solid bottom and cannot be used as an open tube configuration.
The Enhanced UL Adapter may be ordered without the water jacket (Part No. ULA-E or ULA-EM). Check your sales order to verify that you have received the correct configuration for your Enhanced UL Adapter.

Assembly & Operation
- Attach the mounting channel to the viscometer by threading the upper mounting screw into the viscometer pivot cup. Do not over-tighten. The end of the mounting channel with the pin must be at the bottom, as shown in Figure
- Open Tube Operation (#304 stainless steel)
The water jacket (ULA-49EAY) must be removed when the “open tube” method is used. This allows measurement in a beaker or other container. The sample chamber must be inserted into the clamping collar before immersion in sample fluid. The top of the sample chamber should be flush with the top edge of the clamping collar.
The clamping collar connects to the mounting channel as shown in Figure 1. For the Standard Coupling Nut, the spindle with coupling nut can be attached to the viscometer beforehand for easy handling. For the Magnetic Coupling, attach the spindle coupling to the viscometer by carefully inserting the spindle coupling into the instrument coupling. When properly installed, there should be no gap between the spindle coupling and the instrument coupling. Slowly lower the spindle chamber assembly into the sample fluid.
Observe the immersion groove located on the outside of the sample chamber as shown in Figure 2.
- Closed Tube Operation with Water Jacket
The UL Adapter may be used with the ULA-49EAY water jacket and a circulating water bath by connecting the water jacket to the bath inlet and outlet ports (Figure 3). The tube end cap (ULA-34) is snapped over the bottom end of the sample chamber before the sample is added. Be sure that it is securely seated in the groove. Fill with 16 mL of sample fluid. Insert the clamping collar into the mounting collar as shown in Figure 1. Insert the sample chamber upwards into the water jacket and clamping collar. When fully inserted, secure the sample chamber by tightening the clamping knob.
For the Standard Coupling Nut and Magnetic Coupling, insert the spindle into the chamber. Attach the clamping collar to the mounting channel. Connect the spindle coupling to the viscometer. For the Magnetic Coupling, attach the spindle coupling to the viscometer by carefully inserting the spindle coupling into the instrument coupling. When properly installed, there should be no gap between the spindle coupling and the instrument coupling.
Confirm that the fluid level in the sample chamber covers the conical portion of the spindle shaft.
CAUTION: The spindle, sample chamber, and cap (if used) should be clean before use. The cap material is low density polyethylene. Replace when damaged or loose.
- Level the viscometer. General operating procedures for making viscosity measurements are described in the viscometer operating instruction manual.
- UL Adapter spindle factors are shown on page 4. The factor is used to calculate viscosity when using Dial Reading
Viscometers. All Brookfield digital model Viscometers and Rheometers calculate the viscosity value automatically.
The spindle entry code for the UL Adapter is 00.
Notes
- Maximum recommended viscosity for measurement with the UL Adapter is 2000 cP (mPa•s). If viscosity exceeds 2000 cP, the material being measured may be too viscous to immerse the spindle into the sample chamber; damage to internal parts of the viscometer may result.
- Turbulent conditions may begin whenever .85 cP at 60 RPM is exceeded.
- For tubing and fluid recommendations when using a Constant Temperature Bath, refer to the table below: Insert the Spindle into the Sample Chamber.
| Fluid Temperature – | Recommended Fluid | Recommended Tubing | Note |
| 10°C to 15°C | TC-FLUID 2′ | ULA-45 R.2 | Do Not Use Gum Rubber Tubing With This Fluid |
| 15°C to 65°C | Water | Gum Rubber or Fluran R | ULA-34 Tube End Cap is ok for use up to 65°C |
| 65°C to 100°C | TC-FLUID 3 3 | ULA-452 | Do Not Use Gum Rubber Tubing With This Fluid |
| R Fluran is a Registered Trademark of Norton Co. 6. Use only laboratory grade ethylene glycol. Do not use automobile anti-freeze, which contains materials that can damage the equipment. 7. Fluran tubing (5/16” ID) and clamps are offered in a kit, part # ULA-45A. 8. Do not use high viscosity oil. Recommended is 50 centipoise. | |||
UL Adapter Factors
The factor is used to calculate viscosity in units of centipoise (cP) or milli Pascal seconds (mPa•s) when using Dial Reading Viscometers. The Viscometer Dial Reading/Display Value x Factor = cP (mPa•s). Factors are automatically built-in for Digital Models — no calculations required.
LV Models
| Speed (RPM) | Shear Rate(sec -1 ) | Factor |
| 60 | 73.38 | 0.1 |
| 30 | 36.69 | 0.2 |
| 12 | 14.68 | 0.5 |
| 6 | 7.34 | 1 |
| 3 | 3.67 | 2 |
| 1.5 | 1.83 | 4 |
| 0.6 | 0.73 | 10 |
| 0.3 | 0.37 | 20 |
RV-HA-HB Models
| Speed (RPM) | Shear Rate (sec-1) | RV | Factor HA | HB |
| 100 | 122.3 | 0.64 | 1.28 | 5.12 |
| 50 | 61.15 | 1.28 | 2.56 | 10.24 |
| 20 | 24.46 | 3.2 | 6.4 | 25.6 |
| 10 | 12.23 | 6.4 | 12.8 | |
| 5 | 6.12 | 12.8 | 25.6 | |
| 4 | 4.89 | 16 | ||
| 2.5 | 3.06 | 25.6 | ||
| 2 | 2.45 | |||
| 1 | 1.22 | |||
| 0.5 | 0.61 |
When an older dial reading viscometer is used, the viscometer pivot cup may need to be replaced with the current design. If your viscometer has a Type I or Type II pivot cup, the cup should be replaced with a Type III cup. Contact AMETEK Brookfield or your local authorized dealer for information.
Figure 4: Pivot Cup Compatibility
© 2019 AMETEK Brookfield Inc. All rights reserved.
M06-084-1.0





















