SKIL BB9504-00 4.5 Amp Belt and Disc Combination Sander Instructions
Product Overview
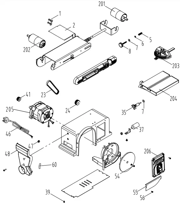
| No. | Product Model# | Part Number | Description | Qty |
| 1 | BB9504-00 | 5610973001 | Hex Cylinder Screw + Washer Assy | 2 |
| 2 | BB9504-00 | 3708776001 | Limiting Plate | 1 |
| 5 | BB9504-00 | 3667838001 | Adjust Spring | 1 |
| 6 | BB9504-00 | 3134018001 | Rubber Washer | 1 |
| 7 | BB9504-00 | 5650986001 | Big Flat Washer | 2 |
| 8 | BB9504-00 | 3403439001 | Belt adjusting handle | 1 |
| 23 | BB9504-00 | 3800220001 | Cog Belt | 1 |
| 24 | BB9504-00 | 3570369001 | Driven Pulley | 1 |
| 35 | BB9504-00 | 3403441001 | Table Locking Handle | 1 |
| 37 | BB9504-00 | 4190085001 | Capacitor | 1 |
| 39 | BB9504-00 | 5610964001 | Phillips Screw + Spring Pad + Washer Assy | 5 |
| 41 | BB9504-00 | 3570371001 | Motor Arbor Wheel | 1 |
| 46 | BB9504-00 | 4810408001 | Cord | 1 |
| 47 | BB9504-00 | 3134022001 | Retainer | 1 |
| 48 | BB9504-00 | 3134019001 | Dust Hood | 1 |
| 54 | BB9504-00 | 5610962001 | Hex Socket Round Head Screw+ Toothed Lock Washer Assy | 1 |
| 55 | BB9504-00 | 3708768001 | Disc Cover | 1 |
| 56 | BB9504-00 | 5610958001 | Phillips Screw | 2 |
| 60 | BB9504-00 | 2245836001 | Table Scale Label | 1 |
| 201 | BB9504-00 | 2829262001 | Driven roller Assy | 1 |
| 202 | BB9504-00 | 2829264001 | Driving Roller Assy | 1 |
| 203 | BB9504-00 | 2829267001 | Index board Assy | 1 |
| 204 | BB9504-00 | 2829265001 | Table Assy | 1 |
| 205 | BB9504-00 | 2829266001 | Motor Assy | 1 |
| 206 | BB9504-00 | 2829270001 | Switch Assy | 1 |



















