SENKO SI-100 Fixed Gas Detector

WARNING
Read this manual carefully before using the instrument. The instrument will perform as designed only if it is used and maintained in accordance with the manufacturer’s instruction. Otherwise, it could fail to perform as designed and persons who rely on this instrument for their safety could sustain serious personal injury or death.
Warning
- Remove any debris on the surfaces of the sensor part before use.
- Test regularly whether the alarms go off properly.
- Use the device under the conditions instructed, including the temperature, humidity and pressure range. The use out of the instructed conditions may cause malfunction or failure.
- The sensors inside the device may indicate the gas concentration differently according to the environment such as temperature, pressure and humidity. Make sure to calibrate the detector under the same or similar environment to the specification.
- Severe shock to the device may cause failures of the device or sensors.
- Alarm values are set according to international standards. Therefore, the values must be changed by an authorized expert.
Caution
- Use the device after reading this manual thoroughly.
- This product is not a gas analyzer, but a gas detector.
- If calibration failure occurs continuously, stop using the equipment and contact the manufacturer.
Warranty
- We, SENKO CO., LTD warrant replacement or repair for the products of SI series for 24 months from the shipment date of the product(s). However, the parts, whose life can be shortened by use, such as sensors, batteries and lamps are not under the warranty. Also, Free repair and replacement is not available in case of purchases of our products through unauthorized channels, mechanical damage and deformation by user’s misuse, and calibration and replacements of parts without following the instruction in the manual. If any defect or quality problem occurs to the products during the warranty period, the user should notify it to the manufacturer. In this case, all the expenses except freight cost are paid by SENKO.
- Repair, replacement and freight cost for the products, whose warranty is already over, are paid by the user. SENKO CO., LTD does not have any responsibility for indirect, or accidental loss which occurs while using our products, and the warranty is limited to the exchange of parts and products. The warranty is subject to the users who have bought products from the authorized agency and office appointed by SENKO CO., LTD, and warranty repairs must be made through the designated A/S center of SENKO CO., LTD with a skilled technician.
Introduction
Specification
- Various sensors can be applied
- Easy operation with a magnetic bar
- Large digital LCD embedding white backlight
- Explosion-proof & Water/Dust-proof structure
- Automatic calibration function
- Long-distance transmission by 4-20mA output

Sensor List
| Gas | Sensor | Range | A1 | A2 | Resolution | |
| Oxygen | O2 | Electrochemical | 0~30%Vol | 19.0%vol | 23.0%vol | 0.1%vol |
| Carbon Monoxide | CO | Electrochemical | 0~500ppm | 30ppm | 60ppm | 1ppm |
| Sulfur Dioxide | SO2 | Electrochemical | 0~20ppm | 2ppm | 5ppm | 0.1ppm |
| Hydrogen | H2 | Catalytic | 0~100%LEL | 15%LEL | 50%LEL | 1%LEL |
| Hydrogen | H2 | Electrochemical | 0~1000ppm | 100ppm | 500ppm | within 5ppm |
| Hydrogen Sulfide | H2S | Electrochemical | 0~500ppm | 10ppm | 15ppm | 1ppm |
| Combustible | – | Catalytic | 0~100%LEL | 15%LEL | 50%LEL | 1%LEL |
| Combustible | – | IR | 0~100%LEL | 15%LEL | 50%LEL | 1%LEL |
| Ammonia | NH3 | Electrochemical | 0~100ppm | 25ppm | 35ppm | 1ppm |
| Acetylene | C2H2 | Catalytic | 0~100%LEL | 15%LEL | 50%LEL | 1%LEL |
| Ethanol | C2H6O | Catalytic | 0~100%LEL | 15%LEL | 50%LEL | 1%LEL |
| Toluene | C7H8 | IR | 0~100%LEL | 15%LEL | 50%LEL | 1%LEL |
| Toluene | C7H8 | Catalytic | 0~100%LEL | 15%LEL | 50%LEL | 1%LEL |
| Methane | CH4 | IR | 0~100%LEL | 15%LEL | 50%LEL | 1%LEL |
| Methane | CH4 | Catalytic | 0~100%LEL | 15%LEL | 50%LEL | 1%LEL |
| Chlorine | Cl2 | Electrochemical | 0~5ppm | 0.5ppm | 1.0ppm | 0.1ppm |
| Chlorine | Cl2 | Electrochemical | 0~20ppm | 0.5ppm | 1.0ppm | 0.1ppm |
| Carbon Dioxide | CO2 | IR | 0~2000ppm | 1000ppm | 1500ppm | 3ppm |
| Carbon Dioxide | CO2 | IR | 0~5000ppm | 3000ppm | 5000ppm | 8ppm |
| Carbon Dioxide | CO2 | IR | 0~5%Vol | 0.5%vol | 3%vol | 0.1%vol |
| Hydrogen Chloride | HCl | Electrochemical | 0~10ppm | 1ppm | 2ppm | 0.1ppm |
| VOC | VOC | PID | 0~1000ppm | 50ppm | 100ppm | within 3ppm |
| Xylene | C8H10 | IR | 0~100%LEL | 15%LEL | 50%LEL | 1%LEL |
| Hydrogen peroxide | H2O2 | Electrochemical | 0~10ppm | 1ppm | 2ppm | 0.1ppm |
| Nitrogen Dioxide | NO2 | Electrochemical | 0~20ppm | 3ppm | 5ppm | 0.1ppm |
| Ethylene oxide | C2H4O | Electrochemical | 0~30ppm | 1ppm | 2ppm | 0.1ppm |
| Ethylene | C2H4 | Catalytic | 0~100%LEL | 15%LEL | 50%LEL | 1%LEL |
| Nitrogen Monoxide | NO | Electrochemical | 0~100ppm | 25ppm | 50ppm | 1ppm |
| Hydrogen fluoride | HF | Electrochemical | 0~5ppm | 0.5ppm | 1ppm | 0.1ppm |
Instrument Overview
- OK/ERR LED (Power & Operation)
- LOW Alarm (1st alarm)
- HIGH Alarm (2nd alarm)
- Sensor Housing and Sensor Part
- Buttons (Use a Magnetic bar)

How to install
Installing a detector at a site, opening the cover of a detector, or operating it may cause fire or explosion depending on the environment. Therefore, you should proceed with your work after turning off the power and examining whether explosive residual gas is around you or not.
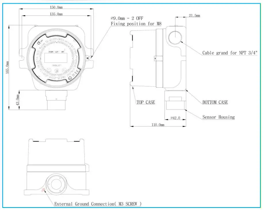
How to fix
You can easily install a detector on a wall or ceiling like the above drawing by using M8 Bolts or other bolts.
How to open and wire
Separating Cover from Gas Detector Body
- Use a screwdriver to fasten the bolt (for preventing separating of the Cover from the body) of the enlarged picture on the side and turn it counterclockwise by two or three turns. Then hold the cover of the gas monitor and turn it counterclockwise to remove the Cover.

| L | Contact output in LOW alarm (DRY or DC 24V) |
| H | Contact output in HIGH alarm (DRY or DC 24V) |
| 485 | RS 485+ Telecommunication output |

Measuring Mode
Gas Detector Initial Operation

When this gas detector repeatedly fails to initiate measuring mode, first you should check the conditions of the connection between gas sensors and the detector. When it is impossible for the detector to initiate measuring mode even when the connection to the sensors is proper, the gas detector should require checks and repairs. Therefore, please contact SENKO CO., LTD or your supplier. 
Initial Screen Explanation
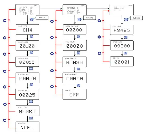
Set Display
The displays are sequentially shown whenever you press each mode key (
) by using a magnetic bar.
Description of Set Display
Advanced setting
- Press the MODE key (
) for 2 seconds by using the magnetic bar in Set Display to enter Advanced setting. - Press the MODE key (
) by using the magnetic bar in the Advanced setting screen, in order to go to another menu. - Press the DOWN key (
) by using the magnetic bar to go back to the main menu (SET 1, 2, or 3). - Without magnetic operation for 60 seconds, the display returns to the main menu (SET 1, 2, or 3).
How to modify the settings [Flow chart]
- Press MODE key (
) for 2 seconds by using the magnetic bar in Set Display, in order to enter Advanced setting. - When you press UP key (
) by using the magnetic bar in Advanced setting display, setting values flicker, which means they can be changed. - Press UP key (
) when setting values flicker, in order to change the values. - Press MODE key (
) for 2 seconds to save the changes of setting values. These changes are saved with the indication, “SAVED”. - When GAS TYPE is changed, related settings (GAS UNIT, RANGE, ALAMR, etc.) are changed as well.
- In order to operate properly, sensor replacement for the gas type and calibration is required.
- When you press DOWN key (
) in each mode, the mode goes back to its previous step.
Zero calibration & Span calibration
WARNING
Do not conduct Zero Calibration unless you are sure you are in fresh, uncontaminated air. Otherwise, inaccurate reading can occur, then show that a hazardous atmosphere is safe. If you have any doubts as to the quality of the surrounding air, Calibration with N2 gas should be done. Failure to follow this warning can result in serious personal injury or death.
How to connect Calibration cap
Correctly attach the calibration cap to the sensor part of the gas detector (SI-100) as the picture above (using flow meter, etc., flow rate: about 300 SCCM) and inject the calibration gas.
Calibration Mode Explanation
In Calibration mode, the ADC values of ZERO and SPAN are displayed. When you conduct ZERO/SPAN Calibration, Cal. Count starts counting. In the meantime, ADC Value (Present) is displayed on the above part and ADC Value (Before Cal.) on the below part.
How to enter Calibration Mode
- Press MODE key (
) 4 times by using the magnetic bar in Measuring mode, in order to enter Calibration mode. - Press MODE key (
) for 2 seconds by using the magnetic bar in Calibration mode, in order to enter ZERO calibration when “ZERO” flickers. Then, press MODE key (
) for 2 seconds once again to initiate ZERO calibration. - When ZERO calibration is completed, the display automatically shifts to SPAN calibration. The process is the same as ZERO calibration.
- If ZERO calibration ADC value (EX: 12667) goes beyond the SPAN calibration ADC value (EX: 14928), you may suspect failure of calibration or malfunction of the gas sensor. In this case, you should carry out recalibration or receive formal A/S to take appropriate measures for the case.























