4143 23 Gauge Pin Nailer
Owner’s Manual 
Owner’s Manual & Safety Instructions
Save This Manual Keep this manual for the safety warnings and precautions, assembly, operating, inspection, maintenance and cleaning procedures. Write the product’s serial number in the back of the manual near the assembly diagram (or month and year of purchase if product has no number).
Keep this manual and the receipt in a safe and dry place for future reference.
Visit our website at: http://www.harborfreight.com
Email our technical support at: [email protected]
When unpacking, make sure that the product is intact and undamaged. If any parts are missing or broken, please call 1-888-866-5797 as soon as possible.
Copyright© 2022 by Harbor Freight Tools® . All rights reserved. No portion of this manual or any artwork contained herein may be reproduced in any shape or form without the express written consent of Harbor Freight Tools. Diagrams within this manual may not be drawn proportionally. Due to continuing improvements, actual product may differ slightly from the product described herein. Tools required for assembly and service may not be included.
WARNING
Read this material before using this product. Failure to do so can result in serious injury.
SAVE THIS MANUAL.
| WARNING SyMBOLS AND DEFINITIONS | |
| This is the safety alert symbol. It is used to alert you to potential personal injury hazards. Obey all safety messages that follow this symbol to avoid possible injury or death. | |
| Indicates a hazardous situation which, if not avoided, will result in death or serious injury. | |
| Indicates a hazardous situation which, if not avoided, could result in death or serious injury. | |
| Indicates a hazardous situation which, if not avoided, could result in minor or moderate injury. | |
| CAUTION | Addresses practices not related to personal injury. |
| Symbol | Property or statement |
| PSI | Pounds per square inch of pressure |
| CFM | Cubic Feet per Minute flow |
| SCFM | Cubic Feet per Minute flow at standard conditions |
| NPT | National pipe thread, tapered |
| NPS | National pipe thread, straight |
| WARNING marking concerning Risk of Eye Injury. Wear ANSI-approved safety goggles with side shields. |
| Symbol | Property or statement |
| Warning marking concerning Risk of Puncture Injury. Wear heavy-duty work gloves. | |
| Read the manual before set-up and/or use. | |
![]() | WARNING marking concerning Risk of Hearing Loss. Wear hearing protection. |
![]() | WARNING marking concerning Risk of Respiratory Injury. Wear NIOSH-approved dust mask/respirator. |
| WARNING marking concerning Risk of Explosion. |
Table A: Symbol Definitions
IMPORTANT SAFETY INSTRUCTIONS
INSTRUcTIONS pERTAINING TO A RISK OF FIRE, ELEcTRIc SHOcK, OR INJURy TO pERSONS
WARNING – When using tools, basic precautions should always be followed, including the following:
General
To reduce the risks of electric shock, fire, and injury to persons, read all the instructions before using the tool.
Work Area
a. Keep the work area clean and well lighted. Cluttered benches and dark areas increase the risks of electric shock, fire, and injury to persons.
b. Do not operate the tool in explosive atmospheres, such as in the presence of flammable liquids, gases, or dust. The tool is able to create sparks resulting in the ignition of the dust or fumes.
c. Keep bystanders, children, and visitors away while operating the tool. Distractions are able to result in the loss of control of the tool.
personal Safety
a. Stay alert. Watch what you are doing and use common sense when operating the tool. Do not use the tool while tired or under the influence of drugs, alcohol, or medication. A moment of inattention while operating the tool increases the risk of injury to persons.
b. Dress properly. Do not wear loose clothing or jewelry. contain long hair. Keep hair, clothing, and gloves away from moving parts. Loose clothes, jewelry, or long hair increases the risk of injury to persons as a result of being caught in moving parts.
c. Avoid unintentional starting. Be sure the Trigger is released before connecting to the air supply. Do not carry the tool with your finger on the Trigger or connect the tool to the air supply with the Trigger pressed.
d. Do not overreach. Keep proper footing and balance at all times. Proper footing and balance enables better control of the tool in unexpected situations.
e.
Use safety equipment. A dust mask, non-skid safety shoes and a hard hat must be used for the applicable conditions. Wear heavyduty work gloves during use.
f.
Always wear eye protection. Wear ANSI-approved safety goggles with side shields.
g.
Always wear hearing protection when using the tool. Prolonged exposure to high intensity noise is able to cause hearing loss.
h. Do not attach the hose or tool to your body. Attach the hose to the structure to reduce the risk of loss of balance if the hose shifts.
i. Always assume that the tool contains fasteners. Do not point the tool toward yourself or anyone whether it contains fasteners or not.
j. WARNING – Do not drive fastener on top of another fastener. This is able to cause the fastener to be deflected and hit someone, or cause the Tool to react and result in a risk of injury to persons.
k. WARNING – Remove finger from the Trigger when not driving fasteners. Never carry the Tool with finger on Trigger, the Tool is able to discharge a fastener.
Tool Use and care
a. Use clamps or another practical way to secure and support the workpiece to a stable platform. Holding the work by hand or against the body is unstable and can lead to loss of control.
b. Do not force the tool. Use the correct tool for the application. The correct tool will do the job better and safer at the rate for which the tool is designed.
c. Do not use the tool if the Trigger does not turn the tool on or off. Any tool that cannot be controlled with the Trigger is dangerous and must not be used until repaired.
d. Disconnect the tool from the air source before making adjustments, doing tool maintenance, clearing jams, touching the Workpiece contact, leaving work area, loading, or unloading the tool. Such precautionary measures reduce the risk of injury to persons.
e. Store the tool when it is idle out of reach of children and other untrained persons. A tool is dangerous in the hands of untrained users.
f. Maintain the tool with care. A properly maintained tool reduces the risk of binding and is easier to control.
g. check for misalignment or binding of moving parts, breakage of parts, and any other condition that affects the tool’s operation. If damaged, have the tool serviced before using. Many accidents are caused by poorly maintained tools. There is a risk of bursting if the tool is damaged.
h. Use only accessories that are identified by the manufacturer for the specific tool model. Use of an accessory not intended for use with the specific tool model, increases the risk of injury to persons.
i. Use only those fasteners listed in the Specifications chart of this manual. Fasteners not identified for use with this tool by the tool manufacturer are able to result in a risk of injury to persons or tool damage when used in this tool.
Service
a. Tool service must be performed only by qualified repair personnel.
b. When servicing a tool, use only identical replacement parts. Use only authorized parts.
c. Use only the lubricants supplied with the tool or specified by the manufacturer.
Air Source
a.
Never connect to an air source that is capable of exceeding 200 pSI. Over pressurizing the tool may cause bursting, abnormal operation, breakage of the tool or serious injury to persons. Use only clean, dry, regulated compressed air at the rated pressure or within the rated pressure range as marked on the tool. Always verify prior to using the tool that the air source has been adjusted to the rated air pressure or within the rated air-pressure range.
b. Never use oxygen, carbon dioxide, combustible gases or any bottled gas as an air source for the tool. Such gases are capable of explosion and serious injury to persons.
SAVE THESE INSTRUcTIONS.
Specific Safety Instructions
- Operators and others in work area MUST wear ANSI-approved safety goggles with side shields during use. The employer is responsible to enforce the use of eye protection by the operator and others in the work area.
- Keep fingers away from Trigger when not driving fasteners to avoid accidental discharge.
- Set the Trigger Safety Lock after use.
- choice of triggering method is important. check manual for triggering options.
- Always assume the Tool contains fasteners.
- Do not point the Tool toward yourself or anyone whether it contains fasteners or not.
- Do not actuate the Tool unless the Tool is placed firmly against the workpiece.
- Respect the Tool as a working implement.
- No horseplay. This Tool is not a toy and can be deadly if misused.
- Do not load the Tool with fasteners when any one of the operating controls, such as the Trigger or Workpiece Contact, is activated.
- Do not remove, tamper with, or otherwise cause the Tool operating controls to become inoperable.
- Do not operate the Tool if any portion of the Tool operating controls is inoperable, disconnected, altered, or not working properly.
- Disconnect the Tool from the air supply when:
a. Unattended.
b. Performing any maintenance or repair.
c. Clearing a jam.
d. Moving the Tool to a new location. - Do not make any modifications to this Tool.
- Refer to the Tool maintenance instructions for detailed information on the proper maintenance of the Tool.
- Drive fasteners into an appropriate work surface only. Do not attempt to discharge fasteners into surfaces too hard to penetrate. Do not drive fasteners on top of other fasteners, or at too steep of an angle. Fasteners can ricochet causing personal injury.
- Do not drive fasteners too close to the edge of a workpiece. They may split the workpiece and fly free, causing personal injury.
- Keep clear of the workpiece near the area being fastened. Fasteners may bend sideways during driving, causing them to exit the workpiece at an unexpected point, causing personal injury.
- Transport Tool safely. Always disconnect air supply when moving the Tool. Carry the Tool by the handle and avoid contact with the Trigger.
- Hold Tool away from head and body. During operation the Tool may kick back causing injury.
- Do not drive fasteners into a workpiece that has people, utility lines, or other objects behind or inside it.
- Keep balance while using this Tool. Keep area below clear if working in an elevated location, and secure air hose to prevent falls from bystanders accidentally pulling on it.
- Obey the manual for the air compressor used to power this Tool.
- Install an in-line shutoff valve to allow immediate control over the air supply in an emergency, even if a hose is ruptured.
- Do not engrave or stamp anything into the housing to avoid weakening it.
- The warnings and precautions discussed in this manual cannot cover all possible conditions and situations that may occur. It must be understood by the operator that common sense and caution are factors which cannot be built into this product, but must be supplied by the operator.
Vibration precautions
This tool vibrates during use. Repeated or long-term exposure to vibration may cause temporary or permanent physical injury, particularly to the hands, arms and shoulders. To reduce the risk of vibration-related injury:
- Anyone using vibrating tools regularly or for an extended period should first be examined by a doctor and then have regular medical check-ups to ensure medical problems are not being caused or worsened from use. Pregnant women or people who have impaired blood circulation to the hand, past hand injuries, nervous system disorders, diabetes, or Raynaud’s Disease should not use this tool. If you feel any symptoms related to vibration (such as tingling, numbness, and white or blue fingers), seek medical advice as soon as possible.
- Do not smoke during use. Nicotine reduces the blood supply to the hands and fingers, increasing the risk of vibration-related injury.
- Wear suitable gloves to reduce the vibration effects on the user.
- Use tools with the lowest vibration when there is a choice between different processes.
- Include vibration-free periods each day of work.
- Grip tool as lightly as possible (while still keeping safe control of it). Let the tool do the work.
- To reduce vibration, maintain tool as explained in this manual. If abnormal vibration occurs, stop immediately.
SAVE THESE INSTRUCTIONS.
Functional Description
Specifications
| Maximum Air Pressure | 100 PSI |
| Air Inlet | 1/4″ – 18 NPT |
| Air Consumption | 0.75 CFM @ 90 PSI |
| Nail Type | 23 gauge 1/2″ – 1″ Pin Nails |
components and controls

Initial Tool Set Up/Assembly
Read the ENTIRE IMpORTANT SAFETy INFORMATION section at the beginning of this manual including all text under subheadings therein before set up or use of this product.
Note: For additional information regarding the parts listed in the following pages, refer to the Assembly Diagram near the end of this manual.
Air Supply![]()
WARNING
TO PREVENT EXPLOSION:
Use only clean, dry, regulated, compressed air to power this Tool. Do not use oxygen, carbon dioxide, combustible gases, or any other bottled gas as a power source for this Tool.
- Incorporate a filter, regulator with pressure gauge, oiler, in-line shutoff valve, and quick coupler for best service, as shown on Figure A on page 10 and Figure B on page 11. An in-line shutoff ball valve is an important safety device because it controls the air supply even if the air hose is ruptured. The shutoff valve should be a ball valve because it can be closed quickly.
Note: If an automatic oiler system is not used, add a few drops of Pneumatic Tool Oil into the airline connection before operation.
Add a few more drops after each hour of continual use.
Note: This air Tool may be shipped with a protective plug covering the air inlet. Remove this plug before set up. - Attach an air hose to the compressor’s air outlet. Connect the air hose to the air inlet of the Tool. Other components, such as a coupler plug and quick coupler, will make operation more efficient, but are not required.
WARNING! TO PREVENT SERIOUS INJURY FROM ACCIDENTAL DISCHARGE: Do not install a female quick coupler on the Tool. Such a coupler contains an air valve that will allow the air Tool to retain pressure and operate accidentally after the air supply is disconnected.
Note: Air flow, and therefore Tool performance, can be hindered by undersized air supply components. - The air hose must be long enough to reach the work area with enough extra length to allow free movement while working.
- Release the Tool’s Trigger and empty its Magazine.
- Close the in-line safety valve between the compressor and the Tool.
- Turn on the air compressor according to the manufacturer’s directions and allow it to build up pressure until it cycles off.
- Adjust the air compressor’s output regulator so that the air output is enough to properly power the Tool, but the output will not exceed the Tool’s maximum air pressure at any time. Adjust the pressure gradually, while checking the air output gauge to set the right pressure range.
- The air pressure setting must not exceed job site regulations/restrictions. The air pressure setting must not exceed 90 PSI when being used with workpieces that have a thickness of less than 1-3/4″.
- Inspect the air connections for leaks. Repair any leaks found.
- If the Tool will not be used at this time, turn off and detach the air supply, safely discharge any residual air pressure, and release the Trigger to prevent accidental discharge.
Note: Residual air pressure should not be present after the Tool is disconnected from the air supply. However, it is a good safety measure to attempt to discharge the Tool in a safe fashion after disconnecting to ensure that the Tool is disconnected and unpowered.

| Description | Function | |
| A | Air Hose | Connects air to Tool |
| B | Filter | Prevents dirt and condensation from damaging Tool or workpiece |
| C | Regulator | Adjusts air pressure to Tool |
| D | Lubricator (optional) | For air Tool lubrication |
| E | Coupler and Plug | Provides quick connection and release |
| F | Leader Hose (optional) | Increases coupler life |
| G | Air Cleaner / Dryer (optional) | Prevents water vapor from damaging workpiece |
| H | Air Adjusting Valve (optional) | For fine tuning airflow at Tool |

| Description | Function | |
| A | Vibration Pads | For noise and vibration reduction |
| B | Anchor Bolts | Secures air compressor in place |
| C | Ball Valve | Isolates sections of system for maintenance |
| D | Isolation Hose | For vibration reduction |
| E | Main Air Line – 3/4″ minimum recommended | Distributes air to branch lines |
| F | Ball Valve | To drain moisture from system |
| G | Branch Air Line -1/2″ minimum recommended | Brings air to point of use |
| H | Air Hose | Connects air to Tool |
| I | Filter | Prevents dirt and condensation from damaging Tool or workpiece |
| J | Regulator | Adjusts air pressure to Tool |
| K | Lubricator (optional) | For air Tool lubrication |
| L | Coupler and Plug | Provides quick connection and release |
| M | Leader Hose (optional) | Increases coupler life |
| N | Air Cleaner / Dryer (optional) | Prevents water vapor from damaging workpiece |
| 0 | Air Adjusting Valve (optional) | For fine tuning airflow at Tool |
Operating Instructions
Read the ENTIRE IMpORTANT SAFETy INFORMATION section at the beginning of this manual including all text under subheadings therein before set up or use of this product.
Inspect Tool before use, looking for damaged, loose, and missing parts.
If any problems are found, do not use Tool until repaired.
Workpiece and Work Area Set Up
- Designate a work area that is clean and well-lit.
The work area must not allow access by children or pets to prevent distraction and injury. - Route the air hose along a safe route to reach the work area without creating a tripping hazard or exposing the air hose to possible damage.
The air hose must be long enough to reach the work area with enough extra length to allow free movement while working. - Secure loose workpieces using a vise or clamps (not included) to prevent movement while working.
- There must not be hazardous objects (such as utility lines or foreign objects) nearby that will present a hazard while working.
Loading the Tool
WARNING
TO PREVENT SERIOUS INJURY FROM ACCIDENTAL DISCHARGE, BEFORE LOADING:
- Wear ANSI-approved safety goggles with side shields.
Other people in the work area must also wear ANSI-approved impact safety goggles with side shields. - Release the Trigger.
- Detach the air supply.
- Attempt to discharge the Tool into a piece of scrap wood to ensure that it is disconnected and is incapable of driving any fasteners.
- Engage Trigger Safety Lock.
NOTE: PREVENT JAMS!
Empty magazine before loading nails of different length.
- Turn Nail Adjustment Knob to match length of nails being used.
- Press down on Magazine Lock, then pull out Magazine Cover.
- Load nail strip from bottom, making sure arrows on strip point down.
- Slowly close and lock the Magazine Cover.

CAUTION! To prevent injury, keep fingers away from Magazine Cover.
General Operating Instructions
WARNING! TO PREVENT SERIOUS INJURY:
There is no contact safety for the Trigger.
When Trigger Safety Lock is disengaged and Trigger is pressed, TOOL WILL FIRE.
Engage Trigger Safety Lock when not in use.
- If an automatic oiler is not used, add a few drops of Pneumatic Tool Oil to the airline connection before use. Add a few drops more after each hour of continual use.
WARNING! TO PREVENT SERIOUS INJURY: Keep second hand away from Tool discharge area, especially if holding workpiece.
Tool applies extreme force to fastener, and fasteners may deflect or discharge in an unexpected direction.
CAUTION! TO PREVENT INJURY:
Do not hold Tool near body while driving. Tool recoil can cause injury. cAUTION! Make sure Drive Guide is flush against workpiece during use. Release Trigger once fastener is driven into workpiece. - Disengage Trigger Safety Lock.
- Position tool at desired fastener location and place Drive Guide flush against workpiece.
- Squeeze Trigger to fire a fastener. Release Trigger.
- If the Tool requires more force to accomplish the task, verify that the Tool receives sufficient, unobstructed airflow (CFM) and increase the pressure (PSI) output of the regulator up to the maximum air pressure rating of this Tool.
CAUTION! TO PREVENT INJURY FROM TOOL FAILURE:
Do not exceed the Tool’s maximum air pressure rating.
If the Tool still does not have sufficient force at maximum pressure and sufficient airflow, then a larger Tool may be required. - After use, to prevent accidents:
a. Release the Trigger.
b. Detach the air supply.
c. Attempt to discharge the Tool into a piece of scrap wood to ensure that it is disconnected and is incapable of driving any fasteners.
d. Release the Trigger again.
e. Engage Trigger Safety Lock.
f. clean external surfaces with clean, dry cloth.
g. Store indoors out of children’s reach.
User-Maintenance Instructions
procedures not specifically explained in this manual must be performed only by a qualified technician.
WARNING
TO PREVENT SERIOUS INJURY FROM ACCIDENTAL DISCHARGE, BEFORE ANY MAINTENANCE OR REPAIRS ARE DONE (including clearing jams):
- Wear ANSI-approved safety goggles with side shields.
Other people in the work area must also wear ANSI-approved impact safety goggles with side shields. - Release the Trigger.
- Detach the air supply.
- Attempt to discharge the Tool into a piece of scrap wood to ensure that it is disconnected and is incapable of driving any fasteners.
- Empty the Magazine and leave it open during service.
The Magazine is spring-loaded and may cause parts or a fastener to fly out of the Tool.
TO PREVENT SERIOUS INJURY FROM TOOL FAILURE:
Do not use damaged equipment.
If abnormal noise, vibration, or leaking air is detected, have the problem corrected before further use.
TO PREVENT EXPLOSION: Lubricate only with specified lubricants. Lubricate the air inlet using only pneumatic tool oil. Lubricate the internal mechanism using only white lithium grease. Other lubricants may damage the mechanism and may be highly flammable, causing an explosion.
Note: These procedures are in addition to the regular checks and maintenance explained as part of the regular operation of the air-operated Tool.
- BEFORE EAcH USE, inspect the general condition of the Tool. Check for:
• proper safety trip mechanism operation
• free Workpiece Contact and Trigger movement
• loose hardware or housing
• misalignment or binding of moving parts
• cracked or broken parts
• any other condition that may affect its safe operation. - Daily – Air Supply Maintenance:
Every day, perform maintenance on the air supply according to the component manufacturers’ instructions. Maintain the lubricator’s oil level.
Drain the moisture filter regularly.
Performing routine maintenance on the air supply will allow the Tool to operate more safely and will also reduce wear on the Tool.
clearing Jams
WARNING
TO PREVENT SERIOUS INJURY FROM ACCIDENTAL DIScHARGE, BEFORE ANY MAINTENANCE OR REPAIRS ARE DONE (including clearing jams):
- Wear ANSI-approved safety goggles with side shields.
Other people in the work area must also wear ANSI-approved impact safety goggles with side shields. - Release the Trigger.
- Detach the air supply.
- Attempt to discharge the Tool into a piece of scrap wood to ensure that it is disconnected and is incapable of driving any fasteners.
- Empty the Magazine and leave it open during service.
The Magazine is spring-loaded and may cause parts or a fastener to fly out of the Tool.
- If a fastener is jammed in the Magazine:
a. Press down on Magazine Lock, then pull out Magazine Cover.
b. Pull out the jammed fastener and the remainder
of the fastener strip from the Magazine.
c. Dispose of the remaining fastener strip; it is likely bent or damaged and may cause repeated jamming or damage to the Tool if reused. - If fastener is jammed in the Drive Guide:
a. Use a hex key (not included) to remove the Cover Plate Bolts.
b. Remove the Cover Plate from the Drive Guide and remove any jammed fasteners.
c. Inspect the Drive Guide for any bends or breakage. If it is damaged, do not use the Nailer until it is repaired by a qualified technician.
d. Lightly oil the Drive Guide and replace the Cover Plate. - Close and lock the Magazine Cover.
- If the jam cannot be cleared using the methods above, have the tool serviced by a qualified technician. serviced by a qualified technician.
Troubleshooting
| Problem | Possible Causes | Likely Solutions |
| Insufficient fastener depth. | 1.Incorrect tool depth setting. 2.Not enough air pressure. 3.Incorrect lubrication or not enough lubrication. 4.Blocked air inlet screen (if equipped). 5.Mechanism contaminated. | 1.Adjust depth setting, if available. 2.Check for loose connections and make sure that air supply is providing enough air pressure (PSI) to the Tool’s air inlet. Do not exceed maximum air pressure. 3.Lubricate using air Tool oil and grease according to directions. 4.Clean air inlet screen of buildup. 5.Have qualified technician clean and lubricate mechanism. Install in-line filter in air supply as stated in Initial Set Up: Air Supply. |
| Fasteners drive too deeply. | 1.Incorrect Tool depth setting. 2.Too much air pressure. | 1.Adjust depth setting, if available. 2.Reduce air supply pressure (PSI). |
| Tool cycles without driving fastener. | 1.Jammed fastener. 2.Tool empty. 3.Incorrect fasteners used. 4.Magazine dirty or not lubricated properly. 5.Insufficient air flow. | 1.Clear jammed fastener according to Clearing Jams instructions. 2.Reload with correct fasteners. 3.Empty, then reload with correct fasteners. 4.Clean and lubricate Magazine and Pusher. 5.Check for loose connections and make sure that air supply is providing enough air flow (CFM) and pressure (PSI) to the Tool’s air inlet. Do not exceed maximum air pressure. |
| Frequent jamming. | Incorrect nail type. | Confirm nail collation type, diameter, angle, type, and length. Correct as needed. |
| Severe air leakage. (Slight air leakage is normal, especially on older tools.) | 1.Cross-threaded housing components. 2.Loose housing. 3.Damaged valve or housing. 4.Dirty, worn or damaged valve. | 1.Check for incorrect alignment and uneven gaps. If cross-threaded, disassemble and replace damaged parts before use. 2.lighten housing assembly. If housing cannot tighten properly, intemal parts may be misaligned. 3.Replace damaged components. 4.Clean or replace valve assembly. |
PLEASE READ THE FOLLOWING CAREFULLY
THE MANUFACTURER AND/OR DISTRIBUTOR HAS PROVIDED THE PARTS LIST AND ASSEMBLY DIAGRAM IN THIS MANUAL AS A REFERENCE TOOL ONLY. NEITHER THE MANUFACTURER OR DISTRIBUTOR MAKES ANY REPRESENTATION OR WARRANTY OF ANY KIND TO THE BUYER THAT HE OR SHE IS QUALIFIED TO MAKE ANY REPAIRS TO THE PRODUCT, OR THAT HE OR SHE IS QUALIFIED TO REPLACE ANY PARTS OF THE PRODUCT. IN FACT, THE MANUFACTURER AND/OR DISTRIBUTOR EXPRESSLY STATES THAT ALL REPAIRS AND PARTS REPLACEMENTS SHOULD BE UNDERTAKEN BY CERTIFIED AND LICENSED TECHNICIANS, AND NOT BY THE BUYER. THE BUYER ASSUMES ALL RISK AND LIABILITY
ARISING OUT OF HIS OR HER REPAIRS TO THE ORIGINAL PRODUCT OR REPLACEMENT PARTS THERETO, OR ARISING OUT OF HIS OR HER INSTALLATION OF REPLACEMENT PARTS THERETO.
Record product’s Serial Number Here:
Note: If product has no serial number, record month and year of purchase instead.
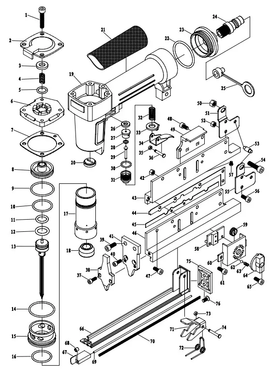
Note: Some parts are listed and shown for illustration purposes only, and are not available individually as replacement parts. Specify UPC 193175497314 when ordering parts.
parts List and Diagram
parts List
| part | Description |
| 1 | Bolt M5 x 20 |
| 2 | Exhaust Cap |
| 3 | Washer |
| 4 | Compression Spring |
| 5 | O-Ring |
| 6 | Cylinder Cap |
| 7 | Cylinder Cap Seal |
| 8 | Valve |
| 9 | O-Ring |
| 10 | O-Ring |
| 11 | O-Ring |
| 12 | O-Ring |
| 13 | Driver Blade Unit |
| 14 | O-Ring |
| 15 | Collar |
| 16 | O-Ring |
| 17 | Cylinder |
| 18 | Bumper |
| 19 | Body |
| 20 | Nozzle |
| 21 | Rubber Grip |
| 22 | O-Ring |
| 23 | End Cap |
| 24 | Air Inlet Plug |
| 25 | Air Plug Plug Cover |
| 26 | Sealing Gasket |
| 27 | Trigger Valve Seat |
| 28 | O-Ring |
| 29 | Trigger Valve Stem |
| 30 | O-Ring |
| 31 | Trigger Valve Guide |
| 32 | Spring |
| 33 | Trigger Lock |
| 34 | Trigger |
| 35 | O-Ring |
| 36 | Trigger Pin |
| 37 | Bolt M4 x 8 |
| 38 | Cover Plate |
| 39 | Bolt M5 x 16 |
| 40 | Bolt M4 x 10 |
| 41 | Drive Guide |
| 42 | Nut M4 |
| 43 | Left Magazine |
| 44 | Adjusting Plate |
| 45 | Nail Length Adjusting Piece |
| 46 | Right Magazine |
| 47 | Bolt M4 x 10 |
| 48 | Bolt M4 x 6 |
| 49 | Left Regulator Shell |
| 50 | Nut M5 |
| 51 | Left Support |
| 52 | Nut M4 |
| 53 | Pin |
| 54 | Bolt M5 x 18 |
| 55 | Right Support |
| 56 | Bolt M4 x 12 |
| 57 | Bolt M3 x 4 |
| 58 | Regulator Plate |
| 59 | Regulator Gear |
| 60 | Right Regulator Shell |
| 61 | Bolt M4 x 6 |
| 62 | Steel Ball |
| 63 | Spring |
| 64 | Nail Length Adjusment Knob |
| 65 | Bolt M4 x 10 |
| 66 | Magazine Cover |
| 67 | Pusher |
| 68 | Bushing |
| 69 | Pusher Guide |
| 70 | Pusher Spring |
| 71 | Magazine Lock |
| 72 | Spring |
| 73 | O-Ring |
| 74 | Pin |
| 75 | Rear Cover |
| 76 | Bolt |
Assembly Diagram

Limited 90 Day Warranty
Harbor Freight Tools Co. makes every effort to assure that its products meet high quality and durability standards, and warrants to the original purchaser that this product is free from defects in materials and workmanship for the period of 90 days from the date of purchase. This warranty does not apply to damage due directly or indirectly, to misuse, abuse, negligence or accidents, repairs or alterations outside our facilities, criminal activity, improper installation, normal wear and tear, or to lack of maintenance. We shall in no event be liable for death, injuries to persons or property, or for incidental, contingent, special or consequential damages arising from the use of our product. Some states do not allow the exclusion or limitation of incidental or consequential damages, so the above limitation of exclusion may not apply to you. THIS WARRANTY IS EXPRESSLY IN LIEU OF ALL OTHER WARRANTIES, EXPRESS OR IMPLIED, INCLUDING THE WARRANTIES OF MERCHANTABILITY AND FITNESS. To take advantage of this warranty, the product or part must be returned to us with transportation charges prepaid. Proof of purchase date and an explanation of the complaint must accompany the merchandise. If our inspection verifies the defect, we will either repair or replace the product at our election or we may elect to refund the purchase price if we cannot readily and quickly provide you with a replacement. We will return repaired products at our expense, but if we determine there is no defect, or that the defect resulted from causes not within the scope of our warranty, then you must bear the cost of returning the product. This warranty gives you specific legal rights and you may also have other rights which vary from state to state.
26677 Agoura Road
calabasas, cA 91302
1-888-866-5797



















