aube technologies TH150 Series VAV Thermostat

Introduction
The TH150 Series electronic thermostat is designed for low-voltage pressure-dependent variable air volume (VAV) applications.
It comes in four different models:
- TH150-1A
- TH150-1F
- TH150-1A2T
- TH150-1F2T
Depending on the model, the TH150 thermostat can have up to three outputs connected to the following control devices:
- actuators
- thermal valves (N.O. and N.C.)
- solenoid valves
- solid-state relays (SSRs)
- silicon-controlled rectifiers (SCRs)
- mechanical relays
- contactors
Accessories
- RC840 or RC840T electromechanical relay
- RT850 or RT850T solid-state relay
- AC146-410 temperature sensor
- AC144-03 temperature sensor
Instructions

Installation
Mounting Instructions
- Remove the thermostat from its base by unscrewing the captive screw and tilting the bottom of the thermostat up. The screw cannot be completely removed.

- Pass the wires through the center hole of the base and secure the base to the wall or onto an electrical box.
- Wire the thermostat. See section 2.2 for terminal designations and section 3 for typical wiring diagrams.
- Reinstall the thermostat onto its base and secure with the captive screw.
Terminal Designations
The designations of the terminals vary according to the particular model of the thermostat. Refer to the following table for the description of each terminal.
| TERMINAL | DESCRIPTION | ||
| 1 2 | 24 VAC COM | Power supply | |
| 3 4 | AN1 COM | Output 1 | Models TH150-1A and TH150-1A2T |
| 3 4 | OPEN CLOSED | Models TH150-1F and TH150-1F2T | |
| 5 6 | T2/AN2 T2/COM | Output 2 (models TH150-1A2T and TH150-1F2T) | |
| 7 8 | T3 T3 | Output 3 (models TH150-1A2T and TH150-1F2T) | |
| 9 10 | COM SENSOR | External sensor input. (For applications requiring an external sensor, see section 4.2.) | |
| 9 11 | COM C-Over | Mode Changeover input (N.O. contact). See sec- tion 5.5.2. | |
| 9 12 | COM NSB | Night Setback activation input (N.O. contact). See section 5.6. | |
| Note: To configure the terminals, see section 4. | |||
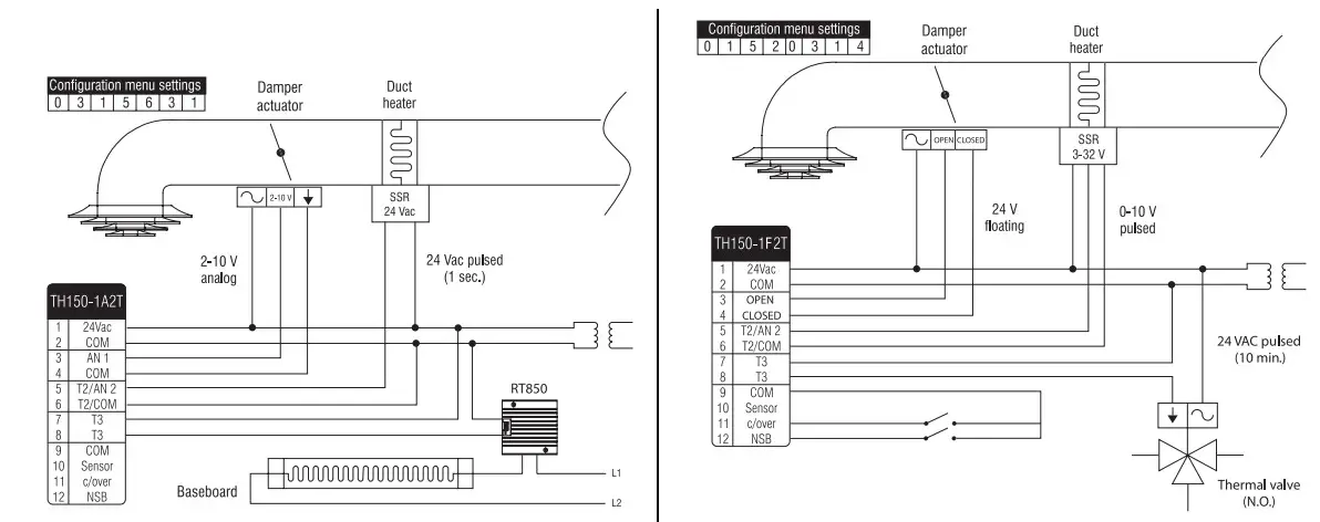
Typical Applications.

- Damper control with electric reheat and auxiliary baseboard heating.
- Damper control with electric reheat and auxiliary hot-water heating

- Damper control with automatic changeover, electric reheat and central cooling
- Temperature control of fresh air supply

- Changeover and NSB inputs sharing the same 24-Vac transformer
- Changeover and NSB inputs using different 24-Vac transformers
Configuration
Configuration Menus

- Remove the thermostat from its base and set the SW2 switch to MENU.
- Reinstall the thermostat. The thermostat is now in configuration mode. The first digit flashes to indicate that the first item of the menu can now be modified.
- To modify the setting, use the up/down arrows. Refer to the adjacent tables.
- Press Override to save the new setting and go to the next item.
- Repeat steps 3 and 4 for the remaining items.
- When the configuration is done, set the SW2 switch back to NORMAL.

NOTE: Factory settings are inside the shaded cells.

- If Output 2 type is set to 0-4, set the SW6 switch to Triac. If the output type is set to 5-8, set the switch to Analog (see section 4.7).

- If Output 2 type is set to 0-4, set the SW6 switch to Triac. If the output type is set to 5-8, set the switch to Analog (see section 4.7).
Application Types
The following table shows the different thermostat applications and their corresponding settings in the configuration menu.
| Menu setting | Description | |
| 0 | Internal sensor | To control the ambient temperature using the internal (built-in) sensor |
| 1 | Room | To control the ambient temperature using the AC144-03 temperature sensor (the internal sensor is not used) |
| 2 | Air return | To control the temperature at the air return using the AC146-410 temperature sensor (the internal sensor is not used) |
| 3 | Air supply | To control the temperature at the fresh air supply using the AC146-410 temperature sensor (the internal sensor is not used) |
| 4 | Automatic changeover | To control the ambient temperature using the internal sensor. The AC146-410 temperature sensor is used for automatic changeover. See section 5.5.1. |
|
5 |
Limited cooling | To use the outdoor air for cooling whenever possible. The AC146-410 temperature sensor is used to measure the outdoor air temperature. The internal temperature sensor measures the room temperature which is then compared with the setpoint. If the room temperature is lower than the setpoint, the air intake damper remains closed. If the room temperature is higher than the setpoint, the latter is then compared with the outdoor temperature. If the fresh air temperature is lower than the setpoint by more than 3°C (5.4°F), the damper opens to allow cool air in. |
Output 1 is used to control a damper. It controls heating when the thermostat is in heat mode or cooling when the thermostat is in cool mode.

Set the following configuration parameters:
- Default mode
- Output type (1A and 1A2T models only)
- Minimum opening
- Opening time (1F and 1F2T models only)
Default Mode / Output Type
The default mode (heat/cool) is used for the following:
- The default mode is the thermostat’s mode at power-up.
- The default mode is the active mode when the N.O. changeover contact is open (see section 5.5.2).
- When configured as a contact (see section 4.5), Output 3 controls either heating or cooling depending on whether the default mode is set to heat or cool respectively
The following table shows the different default modes, the different output types for Output 1, and their corresponding settings in the configuration menu.
| Menu setting | 1A & 1A2T models | 1F & 1F2T models |
| 0 | Cool / 0-10 V analog (max. of 10 min. refresh) | Cool (24 V tri-state floating) |
| 1 | Heat / 0-10 V analog (max. of 10 min. refresh) | Heat (24 V tri-state floating) |
| 2 | Cool / 2-10 V analog (max. of 10 min. refresh) | |
| 3 | Heat / 2-10 V analog (max. of 10 min. refresh) |
Minimum Opening
The minimum damper opening can be set between 0 and 50 %.
Note: It is not recommended to set the minimum damper opening to 0 % (fully closed) when a duct heater is connected to Output 2 or 3.
Opening time (1F and 1F2T models only) The damper opening time can be set between 80 and 160 seconds.
Output 2 (models TH150-1A2T and TH150-1F2T) Output 2 controls heating only, regardless of the thermostat’s mode. When the thermostat is in heat mode, Output 2 is activated as soon as Output 1 reaches its full capacity. When the thermostat is in cool mode, Output 2 is activated when the measured temperature drops below the setpoint.

The following table shows the output types for Output 2 and their corresponding settings in the configuration menu.
| Menu setting | Description |
| 0 | Not used |
| 1 | 24 VAC pulsed (triac) / 1 sec. cycle (e.g., 24 V SSR such as Aube’s RT850 or RT850T) |
| 2 | 24 VAC pulsed (triac) / 10 min. cycle / direct action (e.g., N.C. thermal valve) |
| 3 | 24 VAC pulsed (triac) / 10 min. cycle / reverse action (e.g., N.O. thermal valve) |
| 4 | 24 VAC pulsed (triac) / 15 min. cycle (e.g., mechanical relay such as Aube’s RC840 or RC840T) |
| 5 | 0-10 V pulsed / 1 sec. cycle (e.g., 3-32 V SSR) |
| 6 | 0-10 V analog / 1 sec. refresh (e.g., SCR controlled device such as a re-heater) |
| 7 | 0-10 V analog / max. of 10 min. refresh (e.g., valve) |
| 8 | 2-10 V analog / max. of 10 min. refresh (e.g., damper) |
Note: If 0-4 is selected, set the SW6 switch to Triac. If 5-8 is selected, set the switch to Analog (see section 4.7)
Output 3 (models TH150-1A2T and TH150-1F2T) The following table shows the output types for Output 3 and their corresponding settings in the configuration menu.
| Menu setting | Description |
| 0 | Not used |
| 1 | 24 VAC pulsed (triac) / 1 sec. cycle (e.g., 24 V SSR such as Aube relays RT850 or RT850T) |
| 2 | 24 VAC pulsed (triac) / 10 min. cycle / direct action (e.g., N.C. thermal valve) |
| 3 | 24 VAC pulsed (triac) / 10 min. cycle / reverse action (e.g., N.O. thermal valve) |
| 4 | 24 VAC pulsed (triac) / 15 min. cycle (e.g., mechanical relay such as Aube relays RC840 or RC840T) |
| 5 | N.O. contact (The contact closes when Output 1 reaches or exceeds set percentage. See section 4.1.) |
When any setting between 1 and 4 is selected, Output 3 controls heating only, regardless of the thermostat’s mode.

When setting 5 is selected, Output 3 controls heating or cooling depending on whether the default mode has been set to heat or cool respectively (see section 4.3.1). For example, if the default mode has been set to heat mode, the contact remains open when the thermostat is in cool mode. When the thermostat is in heat mode, the contact closes when Output 1 reaches a percentage of its capacity, set via the configuration menu.

Minimum and Maximum Setpoints
The minimum and maximum setpoints are factory-set at 10°C (50°F) and 35°C (95°F). The maximum setpoint can be set between 35°C (95°F) and (minimum setpoint + 1). The minimum setpoint can be set between 10°C (50°F) and (maximum setpoint – 1).
DIP Switches Three switches at the back of the control module are used to select various options.
Temperature Display (SW1) Selects the desired temperature display (°C or °F).
Access Mode (SW2) Selects the operation mode (NORM) or the configuration mode (MENU).
- Place the switch to MENU to access the configuration menu.
- Place the switch to NORM for normal display.
Output 2 Type (SW6) Sets Output 2 type (Analog or Triac).
WARNING: Place the switch according to the type of device (Analog or Triac) connected to Output 2. Failure to do so can result in thermostat damage.
Operation
Power-Up Upon power-up, the thermostat undergoes a series of test before displaying the actual temperature.
Note: On the TH150-1F and TH150-1F2T models, at power-up, the message OPEN appears at the top of the screen during the calibration of the damper opening. This can last up to 3 minutes.
Backlight To turn the backlight on, press any button. The display will illuminate for 12 seconds.
Temperature Display and Setting
The thermostat usually displays the actual temperature. To view the setpoint, press once on one of the UP & DOWN buttons. The setpoint appears for 5 seconds and is indicated by the RIGHT ARROW display. During the setpoint display, press one of the UP & DOWN buttons to change it.
Note: The temperature setpoint is automatically increased or decreased by 1°C (2°F) when the controller switches to the heating mode or to cooling mode respectively. For example, if the setpoint is at 25°C (77°F) in heating mode, it will become 26°C (79°F) in cooling mode and will return to 25°C (77°F) when the controller is back in heating mode.
Output Display

The bar graph represents the voltage for an analog output or the duty cycle for a triac output. The bar graph usually shows Output 1 power (% of damper opening). To view Output 2 or 3, press Override for 2 seconds to enter the diagnostic mode. Press Override momentarily to switch between the three output graphs. To exit the diagnostic mode, press Override for 2 seconds or wait for 1 minute for the mode to exit automatically.
Mode Changeover
The thermostat can switch between heat mode and cool mode either via:
- the automatic changeover
- the changeover input
Automatic changeover
In automatic changeover, the thermostat detects when the system switches between heat mode and cool mode by comparing the air supply temperature with the ambient temperature. If the thermostat is in heat mode, it switches to cool mode when the air supply is cooler than ambient by 5°C (9°F) or more. If it is in cool mode, it switches to heat mode when the air supply is warmer than ambient by 5°C (9°F) or more.
Note: Neither the heat mode icon ( ) nor cool mode icon ( ) appears when TH150 is placed in automatic changeover.
Changeover Input
The thermostat is in the default mode when the contact between terminals 9 and 11 is open and switches mode when the contact is closed. The default mode is set via the configuration menu.
Note: The changeover contact state is ignored if TH150 is configured in automatic changeover or in limited cooling.
Night Setback

The Night Setback (NSB) mode is activated when the contact between terminals 9 and 12 is closed. When TH150 is in the NSB mode, indicated by the ECONO display, the temperature is lowered or raised by the set NSB value depending on whether the thermostat is in heat mode or cool mode respectively. The NSB value is set via the configuration menu.
Night Setback Override

To temporarily override the NSB mode, press the Override button. The NSB mode is lifted for the next 2 hours or until the Override button is pressed again. During the override, the normal setpoint is used and OVERRIDE is displayed.
Error Codes The following error codes can appear at the top of the display.
- E1: The internal temperature sensor is defective
- E2: The internal temperature sensor is shorted
- E3: The external temperature sensor is defective or not connected
- E4: The external temperature sensor is shorted
Technical Specifications
- Power: 24 VAC
- Current consumption: 25 mA
- Output signals: Depends on output configurations
- Output ratings:
- – Triac output: 0.5 A maximum @ 24 VAC
- – Analog output (SCR connection): 0 – 10 V, 10 kW minimum
- – Analog output (SSR connection): 0 – 10 V, 45 mA maximum
- Setpoint range: 10°C to 35°C (50°F to 95°F)
- Temperature display: 0°C to 60°C (32°F to 140°F)
- Temperature display resolution: 0.5°C (1°F)
- Mode hysteresis: 2°C (4°F)
- Automatic changeover deadband: 5°C (9°F)
- Duty cycle: Depends on output configurations
- NSB offset: Programmable 1°C to 9°C (2°F to 18°F)
- NSB override period: 2 hours
- Memory protection: Configuration and setpoint
- Temperature control: Proportional integral adaptive (P.I.A.)
- Operating temperature: 32°F to 140°F (0°C to 60°C)
- Storage temperature: -4°F to 122°F (-20°C to 50°C)
- Humidity limits: 0 to 95% R.H., non-condensing
- Dimensions: 69 x 118 x 27 mm (2.7 x 4.6 x 1.0 in.)
WARRANTY
Aube warrants this product, excluding battery, to be free from defects in the workmanship or materials, under normal use and service, for a period of three (3) years from the date of purchase by the consumer. If at any time during the warranty period, the product is determined to be defective or malfunctions, Aube shall repair or replace it (at Aube’s option).
If the product is defective,
- Return it, with a bill of sale or other dated proof of purchase, to the place
from which you purchased it, or - contact Aube. Aube will make the determination whether the product should be returned, or whether a replacement product can be sent to you.
This warranty does not cover removal or reinstallation costs. This warranty shall not apply if it is shown by Aube that the defect or malfunction was caused by damage that occurred while the product was in the possession of a consumer. Aube’s sole responsibility shall be to repair or replace the product within the terms stated above.
AUBE SHALL NOT BE LIABLE FOR ANY LOSS OR DAMAGE OF ANY KIND, INCLUDING ANY INCIDENTAL OR CONSEQUENTIAL DAMAGES RESULTING, DIRECTLY OR INDIRECTLY, FROM ANY BREACH OF ANY WARRANTY, EXPRESS OR IMPLIED, OR ANY OTHER FAILURE OF THIS PRODUCT.
Some provinces, states or regions do not allow the exclusion or limitation of incidental or consequential damages, so this limitation may not apply to you.
THIS WARRANTY IS THE ONLY EXPRESS WARRANTY AUBE MAKES ON THIS PRODUCT. THE DURATION OF ANY IMPLIED WARRANTIES, INCLUDING THE WARRANTIES OF MERCHANTABILITY AND FITNESS FOR A PARTICULAR PURPOSE, IS HEREBY LIMITED TO THE THREE-YEAR DURATION OF THIS WARRANTY.
Some provinces, states or regions do not allow limitations on how long an implied warranty lasts, so the above limitation may not apply to you.
This warranty gives you specific legal rights, and you may have other rights which vary from one province, state or region to another.
SERVICE
If you have any questions on the product installation or operation, contact us at:
- 705 Montrichard Avenue Saint-Jean-sur-Richelieu, Quebec J2X 5K8 Canada
- Tel.: (450) 358-4600
- Toll-free: 1-800-831-AUBE
- Fax: (450) 358-4650
- Email: [email protected]
























