aube TH140-28 Electronic Programmable Thermostat

Installation
Guidelines
TURN OFF POWER TO THE HEATING SYSTEM AT THE MAIN POWER PANEL TO AVOID ELECTRICAL SHOCK.
Installation should be carried out by an electrician.
- For a new installation, choose a location about 5 ft. (1.5 m) above the floor.
- The thermostat must be installed facing the heating system and on an inside wall.
- Avoid locations where there are air drafts (top of staircase, air outlet), dead air spots (behind a door), direct sunlight or concealed chimneys or stove pipes.
- Loosen the captive screw holding the faceplate to the mounting plate.

- Pull the lower part of the faceplate to remove it from the mounting plate.

- Loosen the screw (captive) holding the wire cover and remove the wire cover.

- Pull wires through the hole in the mounting plate and secure the mounting plate to the wall (or onto an electrical box for line voltage wiring) using the enclosed wall anchors and screws.

- Wire the thermostat to the heating system (see section 1.2) and, if necessary, connect the remote input (see section 1.3).

- Once wiring is complete, re-install the wire cover.

- Use the switches located at the back of the faceplate to configure your thermostat (see section 1.4) according to your application.

- Install the batteries (see section 1.5).

- Mount the faceplate on the mounting plate and tighten the screw.

Thermostat Wiring
NORTH AMERICA
LOW VOLTAGE < 30 V: no polarity


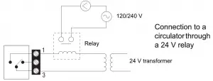
LINE VOLTAGE 120 to 240 VAC
Must be installed onto a certified electrical box.

EUROPE
For a 2-wire connection: no polarity


For a 3-wire connection: observe the polarity

Remote Input Wiring
The TH140 is equipped with a remote input which allows connection of a telephone controller (optional Aube CT240), a home automation system or any other remote control system. When a signal is received through this input, the TH140 will automatically switch from normal operating mode to Vacation mode, or vice versa when the signal is removed.
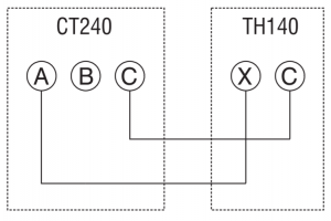
Connection to the CT240
Connect CT240 terminals A and C to TH140 terminals X and C. You must respect the polarity.
For details on operating the telephone controller, refer to the instruction manual.
Connection to a home automation system
Connect the TH140 to the home automation system as displayed in the wiring diagram.
Configure the Thermostat
The switches are located on the back of the faceplate. Default settings are highlighted.
Switch | Description | UP | DOWN |
1 & 2 | Cycles (proportional) | 15 min (see 1.4.1) | |
| Span (conventional) | 0.5°C (0.9°F) (see 1.4.2) | ||
3 | Clock display | 12H | 24H |
| 4 | Temperature display 1 | °F | °C |
5 | Temperature control mode | Proportional (see 1.4.1) | Conventional (see 1.4.2) |
| 6 | Pump protection 2 | Deactivate | Activate |
- If you change from °C to °F (or vice versa), you will need to reprogram your Comfort, Economy and Vacation settings
- For hot water installations, it is recommended to enable this option to activate the pump for one minute every 24 hours to prevent pump seizure
Proportional Adaptive Mode (switch #5)
This mode analyzes previous cycles to define the the next duty cycle.
This control mode guarantees optimal temperature control based on the system’s capacity. To extend the life of the system, a minimum On/Off time of 10% of the cycle has been implemented. For example with a 15-minute cycle, the system would not start or stop for less than 1.5 minutes.
Ideal for:
- Radiant or convection electrical heating system
- Circulator control in a hot water system
- Electrical hot-air furnace
- Conventional gas or fuel hot-air furnace
Not recommended for:
- Gas or fuel furnace or boiler with a wall chimney having a 30-second or higher combustion gas purging cycle. To figure out the gas purging cycle of your system, count the time between the heating command sent by the thermostat and the moment when the burner actually goes on.
- Multi-zone systems, where several thermostats command a single heating unit.
Note: In these last two cases, conventional mode with anticipation is recommended.
Heating Cycle Selection (switches #1 and #2)
Select the cycle using switches #1 and #2. Short cycles help eliminate temperature variations, thus increasing user comfort. Since shorter cycles can lead to premature system wear, it is important to select the temperature control cycles appropriate to your heating system. In general, the bigger your heating unit is, the longer the cycles should be.
Cycles | EUROPE | AMERICA | Position |
| 5 minutes | Not recommended for furnaces | Not recommended for central units | ![]() |
| 10 minutes | Gas or electric wall furnace | Radiant or convection electric heating | ![]() |
| 15 minutes | Fuel or gas floor furnace, forced air heating | Central heating | ![]() |
| 20 minutes | Commercial unit | ![]() | |
Conventional mode with anticipation (switch #5)
This mode is compatible with all heating systems.
Programmable Span Selection (switches #1 and #2)
Select the span using switches #1 and #2. The default temperature span is 0.5°C (0.9°F). For example, if the temperature setpoint is 20°C (68°F), the heating system will turn on at 19.5°C (67.1°F) and turn off at 20.5°C (68.9°F).
| Span | Hot Water Heating | Forced Air Heating | Position |
| 0,3°C (0,5°F) | Not recommended for furnaces | Not recommended for central units | ![]() |
| 0,4°C (0,7°F) | Gas or electric wall furnace | Radiant or convection electric heating 1 | ![]() |
| 0,5°C (0,9°F) | Fuel or gas floor furnace | Central heating | ![]() |
| 0,6°C (1,1°F) | Commercial unit | ![]() | |
- 240 volt heating with relay (baseboard, convector, radiant ceiling, etc.)
Install the Batteries
When you first install the batteries, the unit runs a sequence of tests and a complete reset to zero. The screen should display 0:00 MO
and the ambient temperature. The current setpoint is 20°C.
The ambient temperature could be higher if you are holding the TH140 in your hands. It will return to normal about one hour after installation.
Replacing the batteries
The TH140 will display an icon indicating that the batteries must be replaced. This icon will be displayed for 60 days; after this delay, the TH140 will shut down the heating unit.
The time and programming are saved for 15 seconds when replacing the batteries.
Basic Configuration
Note: You may program the thermostat while holding it in your hands or when it is mounted on the mounting plate.
Set the Time and Day
- Set the time, using the Hour and Minute buttons.
- Set the day, using the Day button.
Configure the Setpoints
Comfort and Economy
These setpoints are associated to the schedule’s programs and are pre-programmed as follows:
Comfort
20°C (68°F) Programs 1 and 3
Economy
18°C (64°F) Programs 2 and 4
Vacation
This pre-programmed setpoint is used when the Vacation mode is activated.
Vacation
10°C (50°F)
To Modify a Setpoint
- Set the temperature using ▲▼.
- Press and hold one of the setpoint buttons (
or
or
) until the icon is displayed on the screen (approx. 3 seconds).
View the Current Setpoint
To view the current setpoint, quickly press once one of the arrow buttons ▲▼.
The screen displays the setpoint; the arrow indicates a setpoint.
Select the Operating Mode
The TH140 offers three operating modes:
Automatic 
This mode executes the schedule. To activate:
- Press Manual/Auto until
is displayed. The program setpoint icon is displayed.
Temporary Bypass
When in Automatic mode, you can temporarily bypass the current program setpoint until the beginning of the next program. To bypass:
- Set the desired temperature ▲▼ OR quickly press or to use a pre-defined setpoint.
Manual 
This mode allows you to maintain a constant temperature.
To activate this mode:
- Press Manual/Auto until
is displayed. - Set temperature ▲▼ OR quickly press
or
to use a pre-defined setpoint.
Vacation 
Maintains a specific temperature when away for a prolonged absence (e.g. vacation).
- From the TH140, quickly press to activate.
- Can also be activated remotely (CT240, home automation system or any other system) if the remote input is connected to one of these systems.

Note: When the Vacation mode is activated remotely, it can only be deactivated remotely.
Note: For details on how to activate the Vacation mode using a telephone, refer to the CT240 Instruction Manual.
Program Your Schedule
The TH140 allows four setting changes for each day of the week. There are no pre-set programs. Your heating system switches between the Comfort setpoint and the Economy setpoint according to the times you would have set.
For example, enter each day the time at which you wake up (PROG 1), the time you leave for work (PROG 2), the time you return home (PROG 3) and the time you go to bed (PROG 4):
Programs | Associated Setpoint | Time |
PROG 1 | Wake-up | |
| PROG 2 | Leave | |
PROG 3 | Return | |
| PROG 4 | Sleep |
Note: For temperature increases (PROG 1 and 3), allow at least 15 minutes per 1°C (2°F). For example, if you have lowered the temperature by 3°C (6°F) while you sleep and you wake up at 7 a.m., change the setting at 6:15 a.m.
Set or Modify the Programs
- After 60 seconds of inactivity, the thermostat will automatically exit programming mode.
- It is sometimes faster to program the same schedule for the entire week and then modify the exception days.
- Press Program. The screen displays MO and PROG 1.
- Press Day to select the day (hold for 3 seconds to select all days of the week).
- Press Hour and Minute to set the start time.
To clear an entry, press Clear, the time zone displays –:– when the program is inactive. - Press Program to select the program number (2, 3 or 4).
- Repeat steps 3 and 4 for remaining programs.
- Press Manual/Auto to exit.
Programming Example
Comfort (programs 1 and 3):
- Monday to Friday between 6:00 a.m. and 8:30 a.m. and between 4:00 p.m. and 11:00 p.m.
- Saturday and Sunday between 6:00 a.m. and 11:00 p.m.
Economy (programs 2 and 4):
- Monday to Friday between 8:30 a.m. and 4:00 p.m. and between 11:00 p.m. and 6:00 a.m.
- Saturday and Sunday between 11:00 p.m. and 6:00 a.m.
PROG | MON | TUE | WED | THU | FRI | SAT | SUN | |
1 | 6:00 | 6:00 | 6:00 | 6:00 | 6:00 | 6:00 | 6:00 | |
| 2 | 8:30 | 8:30 | 8:30 | 8:30 | 8:30 | –:– | –:– | |
3 | PM 4:00 | PM 4:00 | PM 4:00 | PM 4:00 | PM 4:00 | –:– | –:– | |
| 4 | PM 11:00 | PM 11:00 | PM 11:00 | PM 11:00 | PM 11:00 | PM 11:00 | PM 11:00 | |
To program this schedule:
- Press Program. The screen displays MO and PROG 1.
- Press and hold Day for 3 seconds to select all days of the week (MOTUWETHFRSASU).
- Set the time (6:00) for the first program (PROG 1) using the Hour and Minute buttons.
- Press Program to select PROG 2. Set the time (8:30) using the Hour and Minute buttons.
- Press Program to select PROG 3. Set the time (4:00 p.m.) using the Hour and Minute buttons.
- Press Program to select PROG 4. Set the time (11:00 p.m.) using the Hour and Minute buttons.
- Press Manual/Auto to exit.
To erase programs 2 and 3 for Saturday and Sunday:
- Press Program to access programming mode.
- Press Program until PROG 2 is selected.
- Press Day to select Saturday (SA).
- Press Clear to erase the time (–:–).
- Press Day to select Sunday (SU).
- Press Clear to erase the time (–:–).
- Repeat steps 2 to 5 for PROG 3.
- Press Manual/Auto to exit.
Technical Specifications
Power supply: 2 AA or LR6 alkaline batteries 1.5 V
Max. resistive load: 5 A @ 240 VAC / 5 A @ 30 VDC
Max. inductive load: 2 A @ 240 VAC / 2 A @ 30 VDC (P.F. = 0.4)
Remote input: 12 VDC, ± 10%, 2.5 mA
Certifications: CE, c UL us
Control device: Electronic
Automatic action: Type 1 B
Number of programs: 4 programs / day, total of 28 programs
Storage temperature: -20°C to 50°C (-4°F to 122°F)
Operating temperature: 0°C to 50°C (32°F to 122°F), 95% R.H.
Temperature setting range: 5°C to 30°C (40°F to 85°F)
Temperature display resolution: 0.1 degree
Temperature reading accuracy: ± 0.5°C (± 0.9°F)
Software: Class A
Protection class: II
Protection degree: IP 40
The terminals are designed to handle a cross-section of wire measuring up to 2.5 mm2 (14 AWG).
Environmental Compliance: RoHS-Directive 2011/65/EU
![]()
Warranty
Resideo warrants this product, excluding battery, to be free from defects in workmanship or materials, under normal use and service, for a period of three (3) years from the date of first purchase by the original purchaser. If at any time during the warranty period the product is determined to be defective due to workmanship or materials, Resideo shall repair or replace it (at Resideo’s option).
If the product is defective,
(i) return it, with a bill of sale or other dated proof of purchase, to the place from which you purchased it; or
(ii) call Resideo Customer Care at 1-800-468-1502. Customer Care will make the determination whether the product should be returned to the following address: Resideo Return Goods, 1985 Douglas Dr. N., Golden Valley, MN 55422, or whether a replacement product can be sent to you.
This warranty does not cover removal or reinstallation costs. This warranty shall not apply if it is shown by Resideo that the defect was caused by damage which occurred while the product was in the possession of a consumer.
Resideo’s sole responsibility shall be to repair or replace the product within the terms stated above.
RESIDEO SHALL NOT BE LIABLE FOR ANY LOSS OR DAMAGE OF ANY KIND, INCLUDING ANY INCIDENTAL OR CONSEQUENTIAL DAMAGES RESULTING, DIRECTLY OR INDIRECTLY, FROM ANY BREACH OF ANY WARRANTY, EXPRESS OR IMPLIED, OR ANY OTHER FAILURE OF THIS PRODUCT.
Some states do not allow the exclusion or limitation of incidental or consequential damages, so this limitation may not apply to you.
THIS WARRANTY IS THE ONLY EXPRESS WARRANTY RESIDEO MAKES ON THIS PRODUCT. THE DURATION OF ANY IMPLIED WARRANTIES, INCLUDING THE WARRANTIES OF MERCHANTABILITY AND FITNESS FOR A PARTICULAR PURPOSE, IS HEREBY LIMITED TO THE THREE YEAR DURATION OF THIS WARRANTY. Some states do not allow limitations on how long an implied warranty lasts, so the above limitation may not apply to you.
This warranty gives you specific legal rights, and you may have other rights which vary from state to state. If you have any questions concerning this warranty, please write Resideo Customer Care, 1985 Douglas Dr, Golden Valley, MN 55422 or call 1-800-468-1502.
Resideo Technologies, Inc.
1985 Douglas Drive North, Golden Valley, MN 55422
33-00055—03 M.S. Rev. 05-20 | Printed in United States
© 2020 Resideo Technologies, Inc. All rights reserved.
The Honeywell Home trademark is used under license from Honeywell International, Inc.
This product is manufactured by Resideo Technologies, Inc. and its affiliates.










































