SIEMENS VTA2001-A1 Cerberus PRO (UL) Planning Poster

INSTALLATION INSTRUCTIONS
Model VTA2001-A1 Voice Terminal Board – Class B
The option Model VTA2001-A1 Voice Terminal Board is the central wiring terminal for internal and external wiring of the VR2005 Remote Microphone station. The VTA2001-A1 provides connection points between the microphone and switch modules in the VR2005 and the system components located in the FV2025/FV2050, FV922/FV924 Fire Voice Control Panel.
FEATURES
The principal features of the VTA2001-A1 Voice Terminal Board include:
- Provides a cable interface between the FV2025/2050, FV922/FV924 Fire Voice Control Panel and the remotely located microphone and switch modules which are mounted in the VR2005 Remote Microphone station
- Provides connections for routing microphone audio, 24 VDC power and CAN Bus communications
- Routes control and indicator signals to the microphone and switch modules
- Provides an interconnection point for the loudspeakers and the optional tune-down relay used to suppress audio feedback
- Supports networking of up to four VR2005 Remote Microphone enclosures
PRE-INSTALLATION
There are no pre-installation steps required before mounting the VTA2001-A1 Voice Terminal Board in the VR2005 Remote Microphone station.
OPERATION
The VTA2001-A1 Voice Terminal Board:
- Routes external cabling from the FV2025/2050, FV922/FV924 Fire Voice Control Panel to system components mounted in the VR2005 Remote Microphone station
- Routes option module signals (audio and control communication) and 24VDC power within the VR2005 Remote Microphone station via a 16-conductor ribbon cable
- Provides a pass-through connection between the disconnected or muted speaker(s) and the optional use tune-down relay mounted in the microphone module
Controls and Indicators
There are no controls or indicators on the VTA2001-A1 Voice Terminal Board.
MOUNTING
CAUTION: Power down the VR2005 Remote Microphone station before mounting the VTA2001-A1 Voice Terminal Board on the 1HU backbox.

- Please refer to Figure 2. Connect the ground lug to the building ground.
- Align the VTA2001-A1 Voice Terminal Board with the six standoffs indicated on Figure 2.
- Please refer to Figure 3. Insert six #4-40 x ¼ inch round-head screws into the mounting holes on the VTA2001-A1 and tighten.

WIRING
Internal Wiring
The internal wiring procedure for the VTA2001-A1 Voice Terminal Board will vary according to whether the system includes one or multiple VR2005 Remote Microphone stations.
NOTE: Always install ribbon cables so that the red wire is connected to pin 1 of the mating connector.
- For the installation of the internal wiring for a single station or the last station in a multiple station system, please refer to Figure 4. Install a CAN ribbon cable between connector X9 on the VTA2001-A1 Voice Terminal Board and connector X205 on the VTO2001-U2/U3 Option Module (24 Switches). CAN ribbon cables are needed to connect the VTO2001-U2/U3 Option Module (24 Switches) and VTO2004-U2/U3 Option Module (Microphone). Refer to instructions listed in Step 3.Also install an A5Q00055918 End-of-Line termination on connector X205 of the microphone interface board of the VTO2004-U2/U3 Option Module (Microphone) (see detail in Figure 4).


- If the system contains multiple VR2005 Remote Microphone Stations, please refer to Figure 5. Install in the intermediate stations a CAN ribbon cable between the right most VTO2001-U2/U3 Option Module (24 Switches) connector X205 and VTA2001-A1 connector X10. Also install a CAN ribbon cable between VTA2001-A1 connector X9 and connector X204 on the microphone interface board of the VTO2004-U2/U3 Option Module (Microphone) as shown in the detail of Figure 5. No EOL termination is required on X205. Refer to Step 3 for connecting the VTO2001-U2/U3 Option Module (24 Switches).
- Instructions for installing the remaining CAN ribbon cables which interconnect the VTO2001 U2/U3 Option Module (24 Switches) to each other and to the VTO2004-U2/U3 Option Module (Microphone) are provided in the following Siemens Industry, Inc., Building Technologies Division, documents:
- A6V10370342 Installation Instructions for the Model VTO2001-U2/U3 Option Module (24 Switches)
- A6V10370377 Installation Instructions for the Model VTO2004-U2/U3 Option Module (Microphone)
External Wiring
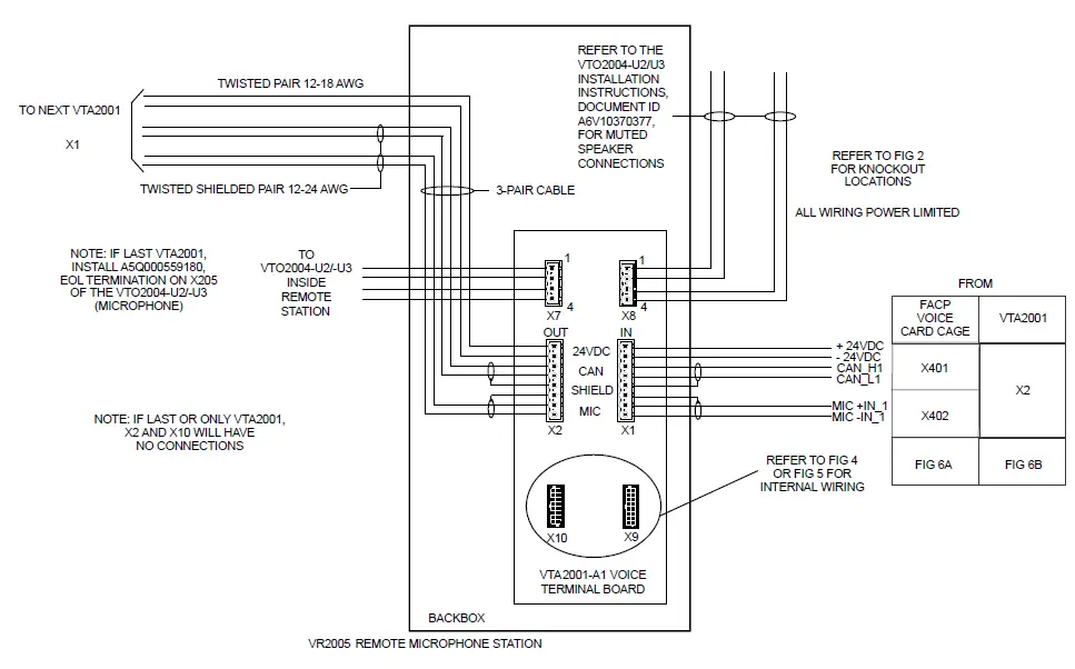
External wiring connects the VTA2001-A1 Voice Terminal Board in the VR2005 Remote Microphone station to the VCA2002-A1 Card Cage in the FV2025/2050, FV922/FV924 Fire Voice Control Panel. External wiring also interconnects the VR2005 Remote Microphone stations to each other in multiple station systems. Table 1 wiring limits detail overall system length for reliable system operation. Overall system length cannot exceed the listed limitations regardless of the number of Remote Microphone Stations. When the optional tune-down relay on the VTO2004-U2/U3 Option Module (Microphone) is used to disconnect or mute local speakers in the area of the VR2005 Remote Microphone station, additional external wiring is used to connect those speakers to the VTA2001-A1 Voice Terminal Board and then from the terminal board to the tune-down relay. For connections to the muted speaker(s), refer to VTO2004-U2/U3 Option Module (Microphone) instructions (A6V10370377).
- For a single or the first Remote Microphone station, use the diagram in Figure 6a to construct a 3- pair cable of the required length, having the wire specifications presented in Table 1. Terminate the cable at each end using 8-position, Phoenix-style terminal blocks.
Connection Wire Gauge Resistance, (max) Wire Configuration Cable Length (Max) 24VDC 12 AWG, max 18 AWG, min
6 ohms max, per pair Twisted pair 300 m (1000 ft) CAN 12 AWG, max 24 AWG, min
15 ohms max, per pair Shielded, Twisted pair 600 m (2000 ft) Audio 12 AWG, max 24 AWG, min
15 ohms max, per pair Shielded, Twisted pair 600 m (2000 ft) 


- Please refer to Figure 7. Install the cable constructed in Step 1, above, between connector X1 on the VTA2001-A1 Voice Terminal Board and connector X401 and X402 located on the upper left corner of the backplane of the VCA2002-A1 Card Cage mounted in the FV2025/2050, FV922/FV924 Fire Voice Control Panel.
- For systems that include only one VR2005 Remote Microphone station, skip to Step 4, below. For systems that include more than one VR2005 Remote Microphone station, a series of cables must be prepared to interconnect the multiple VR2005 stations in daisy-chain fashion. Refer to Figure 8 or Figure 9 depending upon system configuration. To prepare these cables, proceed as follows:
- Measure the distances between the stations. The combined distance from the FV2025/FV2050, FV922/FV924 Fire Voice Control Panel to the second VR2005 station cannot exceed the 24VDC cable length limit listed in Table 1. Likewise, the combined distance from the second to the fourth VR2005 station cannot exceed the 24VDC cable length limit listed in Table 1. Exceeding this limitation will result in CAN communication loss and subsequent loss of ALL Remote Microphone stations.
- Use the procedure presented in Step 1, above, to prepare additional 3-pair cables to interconnect each pair of adjoining VR2005 stations in the system, as illustrated in Figure 6b.
- Install the prepared cables between adjoining VR2005 stations, connecting the VTA2001-A1 Voice Terminal Board’s connector X2 in one VR2005 station to the VTA2001-A1 Board’s connector X1 in the next station. Refer to Figure 8 or Figure 9 depending upon quantity of VR2005 Remote Microphone Stations.
- Note: that the third and fourth VR2005 Remote Microphone Stations are powered from a separate UL864-listed 24VDC power supply, such as a PAD-4, to provide the necessary power to supply these additional stations. The FV2025/FV2050, FV922/FV924 Fire Voice Control Panel can only supply sufficient power to supply the first and second stations in the system.
- WARNING! Ensure that ONLY the NEGATIVE 24VDC connection is maintained between the second and third Remote Microphone stations. The positive supply connections should ABSOLUTELY NOT be paralleled under any circumstance. The negative 24VDC lead is used as a system common signal reference for the CAN and Audio connections.

- If the optional tune-down relay is used to disconnect or mute the speaker(s) near the VR2005 Remote Microphone station. Refer to the VTO2004-U2/U3 Option Module (Microphone) instructions (A6V10370377).
NOTE: Wire gauge specifications for the muted speaker lines are a function of run length. Guidelines are provided in the VCI2001-U1 Installation Instructions, Document ID A6V10370410.
| Connector | Connects to | Pins | ||
| ID | Name | No | Function | |
| X1 | Input 24VDC, CAN bus and microphone audio | From FV2025/2050, FV922/FV924 Panel or previous VTA2001-A1 Voice Terminal Board | 1 | +24VDC |
| 2 | -24VDC return | |||
| 3 | CAN Bus HI | |||
| 4 | CAN Bus LO | |||
| 5 | Earth | |||
| 6 | Earth | |||
| 7 | Mic Audio IN+ | |||
| 8 | Mic Audio IN- | |||
| X2 | Output 24VDC, CAN bus and microphone audio | To next VTA22001-A1 Voice Terminal Board, if the network includes additional VR2005 Remote Microphones | 1 | +24VDC |
| 2 | -24VDC return | |||
| 3 | CAN Bus HI | |||
| 4 | CAN Bus LO | |||
| 5 | Earth | |||
| 6 | Earth | |||
| 7 | Mic Audio IN+ | |||
| 8 | Mic Audio IN- | |||
| X7 | Tune down relay internal connection | To X206 on MIB mounted atop the VTO2004-U2/U3 Option Module (Microphone) | 1 | Speaker wire A1 IN |
| 2 | Speaker wire A2 OUT | |||
| 3* | Speaker wire B1 IN | |||
| 4* | Speaker wire B2 OUT | |||
| X8 | Tune down relay external connection | From speaker zone | 1 | Speaker wire A1 IN |
| 2 | Speaker wire A2 OUT | |||
| 3* | Speaker wire B1 IN | |||
| 4* | Speaker wire B2 OUT | |||
ELECTRICAL RATINGS
| VTA2001-A1 Voice Terminal Board | ||
| Input | Voltage | 24.0 VDC nominal |
| Current | Dependent upon the number of modules installed | |
| CAN Bus | Voltage of CANBUS-H and CANBUS-L signals | 3.3 VDC maximum |
| Current | 6 mA | |
| Audio | Output | +6 dBu (4.4 VV, p-p) |
| Frequency | 100 Hz to 15 kHz, ± 3 dB | |
Cyber security disclaimer
Siemens products and solutions provide security functions to ensure the secure operation of building comfort, fire safety, security management and physical security systems. The security functions on these products and solutions are important components of a comprehensive security concept. It is, however, necessary to implement and maintain a comprehensive, state-of-the-art security concept that is customized to individual security needs. Such a security concept may result in additional site specific preventive action to ensure that the building comfort, fire safety, security management or physical security system for your site are operated in a secure manner. These measures may include, but are not limited to, separating networks, physically protecting system components, user awareness programs, defense in depth, etc. For additional information on building technology security and our offerings, contact your Siemens sales or project department. We strongly recommend customers to follow our security advisories, which provide information on the latest security threats, patches and other mitigation measures. http://www.siemens.com/cert/en/cert-security-advisories.htm
Siemens Industry, Inc.
Building Technologies Division Florham Park, NJ
Siemens Canada, Ltd.
1577 North Service Road East Oakville, Ontario L6H 0H6 Canada



















