SIEMENS VCC2001-A1 Voice CPU Card

The Model VCC2001-A1 Voice CPU card is installed in the VCA2002-A1 Card Cage of the FV2025/2050
Fire Voice Control Panel of the FS20 System. Together with the VCC2002-A1 Voice I/O card and one or more VCI2001-U1 Voice Amplifier cards, it enables voice announcements to be made through the Fire/Voice System.
FEATURES
The principal features of the VCC2001-A1 include:
- Stores digitized voice announcements and routes them to audio amplifiers
- Accepts digitized live voice input from the VCC2002-A1 Voice-I/O Card
- Communicates with Person Machine Interface (PMI), Mass Notification System (MNS) and the Desigo CC global management system
- Supports an Ethernet Ring to distribute digitized announcements among connected Voice Panels over copper or fiber optic cable
- Manages the voice subsystem via the CAN bus
- Controlled by an on-board Taurus module
- Communicates over Ethernet with the Siemens FXS2002 Desigo configuration tool
- Provides degrade functionality to the Voice system
- Delivers 3.3VDC power to the VCC2002-A1 Voice I/O module
- Provides connectors for Barix Voice over IP (VoIP) plug-in module
- Provides connector for Ethernet plug-in modules
- Indicates operational status via LEDs
- ROHS compliant and meets performance specifications within the commercial temperature range
- Can be used in the UL and ULC markets

PRE-INSTALLATION
There are no pre-installation operations needed for the VCC2002-A1 Voice CPU Card.
OPERATION
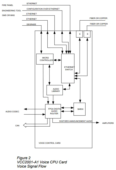
- Please refer to Figure 2. The VCC2001-A1 Voice CPU Card stores and routes digitized voice announcements. Those announcements can be sent to the local loudspeakers and also to remote networked Panels which then broadcast the announcements to speaker groups in their vicinity. The Voice CPU Card manages both pre-recorded announcements which are stored digitally in an on-board Audio Library and live emergency announcements that originate using microphones. These live analog announcements are digitized by the associated VCC2002-A1 Voice I/O Card and are then routed to both the Voice CPU Card and to speakers which are co-located with the remote microphones.
- Live or recorded announcements can be originated remotely at a networked FV2025/2050 Fire Voice Control Panel, at an MNS, or at a VR2005-U1 Remote Microphone station. They are transmitted to the host Panel for local broadcast. After being received and digitized by the VCC2002-A1 Voice I/O Card, such announcements are routed by the VTO2001-A1 Voice CPU Card to the appropriate VCI2001-U1 Voice Amplifier Card(s) for conversion back to analog and subsequent broadcast over the local loudspeaker system.

Controls and Indicators
The VCC2001-A1 contains a card RESET button and six LEDs located along the card edge and visible through the Card Cage cover (see Figure 3). The meaning of each LED is described in Table 1. When the CPU card is inactive, only the green power LED should be steady on. If that LED starts blinking, the panel has switched over to battery power. When an alarm occurs, the red alarm LED should also turn on. Any of the yellow LEDs turning on indicates a fault condition either with the card itself or with the connections going to it. The only exception to this is the card fail LED. It will blink for a time after the card is reset while it is initializing itself and during a software load.

| LED | COLOR | NORMAL STATE | ACTIVE STATE | FAULT CONDITION | DESCRIPTION |
| Alarm | Red | OFF | ON | ALARM active in the Voice system | |
| ExtComms Fail | Yellow | OFF | ON | Failure of Ethernet communication | |
| Ground Fault | Yellow | OFF | ON | Ground fault detection in the Standalone mode | |
| Voice Comms Fail | Yellow | OFF | ON | Failure of Voice communication within the system | |
| Card Fail | Yellow | OFF | BLINK | ON | Blinking during start-up and SW load. Steady on is a card failure. |
| Power | Green | ON | OFF | All card voltages are at the correct value. · Steady ON when powered from the system power supply. · Blinking when running on battery power. |
MOUNTING
Remove electrical power prior to working on equipment.
- Open the middle and lower inner doors of the FV2025/2050 Fire Voice Control Panel.
- Unscrew the latch on the center-bottom of the VCA2002-A1 Card Cage front cover and slide the cover up until it clears the cage assembly.

- Orienting the VCC2001-A1 Voice CPU Card as shown in Figure 4, gently insert the card into the backplane connector marked X202. Use the raised channel guides on the inside top and bottom of the Card Cage to guide it into place.
CAUTION
When inserting the VCC2001-A1 Voice CPU Card into the backplane connector, avoid grippng the top and bottom of the Card Cage. Instead, push gently on the center of the molded plastic card handle until the card snaps into place. Be sure that the card is perpendicular to the front of the card cage and is positioned between the two indented metal cards guides in the top and bottom of the Card Cage. The card needs to be between all three sets of card guides as it is slid into place to correctly mate with the backplane connector.
WARNING
To avoid damaging the VCC2001-A1 card or the backplane connector, DO NOT FORCE THE CARD INTO POSITION. - If the Fire Voice Panel is to be connected to an Ethernet Ring, install the required VN2001-A1, VN2002-A1 or VN2003-A1 Ethernet Modules though the knockouts at the top of the Card Cage, as directed in the installation instructions enclosed with these modules.
- Replace the Card Cage cover by re-inserting it into the top of the Card Cage and sliding it downward until it reaches bottom.
- Screw the latch back into the Card Cage cover.
Removing the VCC2001-A1 Voice CPU Card from the Card Cage
- First remove power from the card cage.
- If present, remove any Ethernet modules connected to the VCC2001-A1 Voice CPU Card.
- Unscrew the latch on the center-bottom of the Card Cage front cover and slide the cover up.
- Grip the VCC2001-A1 card by the molded plastic card handle and pull the card gently out of the backplane connector.
- Replace the Card Cage cover and reinsert the latch.
WIRING
- Connections for the VCC2001-A1 Voice CPU Card, P/N A5Q00057954B, are made through:
- the card’s edge connector when the VCC2001-A1 is installed into the VCA2002-A1 Card Cage
- one or two Ethernet modules that plug into the VCC2001-A1 through the top panel of the VCA2002-A1 Card Cage
- Wiring instructions for the VCC2001-A1 are provided in the following Siemens Industry, Inc., Building Technologies Division documents:
- A6V10380472, Installation Instructions for the Model VCA2002-A1 Card Cage
- A6V10370415, Installation Instructions for the Model VN2001-A1 Ethernet Module (10/100 Base Tx)
- A6V10370419, Installation Instructions for the Model VN2002-A1 (MM) and VN2003-A1 (SM) Ethernet Modules (multi-mode and single mode optical fiber)
ELECTRICAL RATINGS
The following table gives the voltage and current requirements for the VCC2001-A1 Voice CPU Card. The amount of current used by the card is dependent upon whether or not the card is in the active state.
| VCC2001-A1 Voice CPU Card | ||
| Input | Voltage | 24.0 VDC normal operating voltage (can operate between 19 and 28 volts) |
| Current | Standby1: 200mA Active2: 210mA | |
- No Alarm conditions exist in the Voice system.
- An Alarm or Evacuation event has occurred. All outputs of the system are either Active or On.
Cyber security disclaimer
- Siemens products and solutions provide security functions to ensure the secure operation of building comfort, fire safety, security management and physical security systems. The security functions on these products and solutions are important components of a comprehensive security concept.
- It is, however, necessary to implement and maintain a comprehensive, state-of-the-art security concept that is customized to individual security needs. Such a security concept may result in additional sitespecific preventive action to ensure that the building comfort, fire safety, security management or physical security system for your site are operated in a secure manner. These measures may include, but are not limited to, separating networks, physically protecting system components, user awareness programs, defense in depth, etc.
- For additional information on building technology security and our offerings, contact your Siemens sales or project department. We strongly recommend customers to follow our security advisories, which provide information on the latest security threats, patches and other mitigation measures. http://www.siemens.com/cert/en/cert-security-advisories.htm
ABUT COMPANY
- Siemens Industry, Inc.
- Building Technologies Division
- Florham Park, NJ
- Siemens Canada, Ltd.
- 1577 North Service Road East Oakville, Ontario
- L6H 0H6 Canada




















