ECT600C4 Cooktops Archives
User Manual
USAGE AND
CARE GUIDE
PRODUCT
CODE:
ECT600C4
Congratulations on the purchase of your new Ceramic Hob.
We recommend that you spend some time to read this Instruction/Installation
Manual in order to fully understand how to install correctly and operate it.
For installation, please read the installation section.
Read all the safety instructions carefully before use and keep this Instruction /Installation Manual for future reference.
Product Overview
Top View

| 1. max. 1200 W zone | 5. Glass plate |
| 2. max. 1800 W zone | 6. ON / OFF |
| 3. max. 1200 W zone | 7. Control panel |
| 4. max. 1800 W zone | |
Control Panel

- ON/OFF control
- Power regulating controls
- keylock control
- Timer regulating controls
Product Information
The microcomputer ceramic cooker hob can meet different kinds of cuisine demands because of resistance wire heating, micro-computerized control and multi-power selection, really the optimal choice for modern families.
The ceramic cooker hob centers on customers and adopts personalized design.
The hob has safe and reliable performances, making your life comfortable and enjoyable.
Before using your New Ceramic Hob
- Read this guide, taking special note of the ‘Safety Warnings’ section.
- Remove any protective film that may still be on your ceramic hob.
Using the Touch Controls
- The controls respond to touch, so you don’t need to apply any pressure.
- Use the ball of your finger, not its tip.
- You will hear a beep each time a touch is registered.
- Make sure the controls are always clean, dry, and that there is no object (e.g. a utensil or a cloth) covering them. Even a thin film of water may make the controls difficult to operate.
Preface
Thank you for choosing our gas cooktop.
To use this appliance correctly and prevent any potential risk, read these instructions before using the appliance.
Keep these instructions in a place where you can find them easily.
If you are unsure of any of the information contained in these instructions, please contact our customer care center.
The manufacturer shall not be responsible for any damages to persons or property caused by incorrect installation or use of the appliance.
The appliance has been certified for use in countries other than those marked on the appliance.
The manufacturer also reserves the right to make any modifications to the products as may be considered necessary or useful, also in the interests of the user, without jeopardising the main functional and safety features of the products themselves.
The appliance is designed for a domestic environment and not a commercial one.
Safety Instructions
- Please take the time to read this Instruction Manual before installing or using the appliance.
- This instruction booklet must be kept with the appliance for any future reference. If the appliance is sold or transferred to another person, ensure the booklet is passed on to the new user.
- The manufacturer declines any liability should these safety measures not be observed.
- The following marks are made to be easily understood so that you can prevent any accident caused by misuse in advance, and use the appliance more conveniently.
- Read the following contents thoroughly and ensure you understand them.
Danger/Warning
Neglect of this mark may result in severe personal injury or death.
Caution
Neglect of this mark may result in minor personal injury or property damage. - The following marks are used in the Instruction Manual as follows:
Caution
No Fire Tool
No Access
Must-Do
Danger - If gas seems to leak, take the actions as follow:
– Do not turn on the light.
– Do not switch on/off any electrical appliance and do not touch any electric plug.
– Do not use a telephone.
1 Stop using the product and close the middle valve.
2 Open the window to ventilate. 3 Contact our service center by using a phone outside.

*The fuel gas contains mercaptan so that you can smell the gas leak (smell of rotten garlic or egg) even where only 1/1000 of the gas is in the air.
Installation
Warning
- This appliance shall be installed in accordance with regulations in force and only used in a well-ventilated space.

- Do not use this appliance as a space heater.

- Prior to installation, ensure that the gas and electrical supply complies with the type stated on the rating plate.

- The gas pipe and electrical cable must be installed in such a way that they do not touch any parts or the appliance.

Caution
- This appliance should be installed by a qualified technician or installer.
- The adjustment conditions for this appliance are stated on the label or data plate.
- Remove all packaging before using the appliance.
- After unpacking the appliance, make sure the product is not damaged and that the connection cord is in perfect condition. Otherwise, contact the dealer before installing the appliance.
- The adjacent furniture and all materials used in the installation must be able to withstand a minimum temperature of 85t above the ambient temperature of the room it is located in, whilst in
- In the event of burner flames being accidentally extinguished, turn off the burner control and do not attempt to re-ignite the burner for at least one minute.
- The use of a gas cooking appliance results in the production of heat and moisture in the room in which it is Ensure that the kitchen is well ventilated: keep natural ventilation holes open or install a mechanical ventilation device (mechanical extractor hood).
- Prolonged intensive use of the appliance may call for additional ventilation, for example, the opening of a window, or more effective ventilation, for example increasing the level of mechanical ventilation where present.
Child and People Safety
Warning
- Do not allow children to play near or with the appliance.
- The appliance gets hot when it is in use.
- Children should be kept away until it has cooled.

Caution
- This appliance is designed to be operated by adults.
- Children can also injure themselves by pulling pans or pots off the
- This appliance is not intended for use by children or other persons whose physical, sensory, or mental capabilities or lack of experience and knowledge prevents them from using the appliance safely without supervision or instruction by a responsible person to ensure that they can use the appliance safely.
During Use
Warning
- Only use the appliance for preparing food.

- The use of a gas cooking appliance results in the production of heat and moisture in the room in which it is installed. Ensure that the kitchen is well ventilated: keep natural ventilation holes open or install a mechanical ventilation device (mechanical extractor hood).

- The heating and cooling surfaces of the appliance become hot when they are in use, take all due precautions.

- Never leave the appliance unattended when cooking.
CAUTION: The cooking process has to be supervised. A short-term cooking process has to be supervised continuously.
WARNING: Unattended cooking on a hob with fat or oil can be dangerous and may result in a fire.
- Do not modify this appliance. The burner panel is not designed to operate from an external timer or separate remote control system.

- Do not use this appliance if it comes in contact with water. Do not operate this appliance with wet hands.

- Do not use large cloths, tea towels, or similar as the ends could touch the flames and catch fire.

- Unstable or misshapen pans should not be used on the appliance as they can cause an accident by tipping or spillage.

- Do not use or store flammable materials in the storage drawer near this appliance.

- Do not spray aerosols in the vicinity of this appliance while it is in operation.

- Perishable food, plastic items, and aerosols may be affected by heat and should not store above or below the appliance.
– Danger of fire: Do not store it, Lens on the cooking surface
- Ensure the control knobs are in the ‘
‘ position when not in use.
Caution
- This appliance is intended for domestic cooking only. lt is not designed for commercial or industrial purposes.
- Prolonged intensive use of the appliance may call for additional ventilation, for example, the opening of a window, or increasing the level of mechanical ventilation where present.
- Use heat-resistant pot holders or gloves when handling hot pots and pans.
- Do not let potholders come near open flames when lifting cookware.
- Take care not to let pot holders or gloves get damp or wet, as this causes heat to transfer through the material quicker with the risk of burning yourself.
- Only ever use the burners after placing pots and pans on them. Do not heat up any empty pots or pans.
- Never use plastic or aluminum foil dishes on the appliance.
- When using other electrical appliances, ensure the cable does not come into contact with the appliance surfaces of the cooking appliance.
- If you have any mechanical parts eg. an artificial heart in your body, consult a doctor before using the appliance.
- Do not use a tea towel or similar materials in place of a potholder. Such clothes can catch fire on a hot burner.
- When using glass cookware, make sure it is designed for top plate cooking. If the surface is made of glass-cracked, switch off the appliance to avoid defeat electrocution.
- To minimize the possibility of burns, ignition of flammable materials, and spillage, turn cookware handles toward the side or center of the top plate without extending over adjacent burners.
- Always turn burner controls off before removing cookware.
- Carefully watch foods being fried at a high flame setting.
- Always heat fat slowly and watch as it heats.
- Foods for frying should be as dry as possible. Frost on frozen foods or moisture on fresh foods can cause hot fat to bubble up and over the sides of the pan.
- Never try to move a pan of hot fat, especially a deep fat fryer. Wait until the fat is completely cool.
Cleaning and Service
Warning
- Never use abrasive or caustic cleaning agents.

- This appliance should only be repaired or serviced by an authorized Service Engineer and only genuine approved spare parts should be used.

Caution
- Before attempting to clean the appliance, it should be disconnected from the mains and cooled.
- You should not use a steam jet or any other high-pressure cleaning equipment to clean the appliance.
Environmental Information
- After installation, please dispose of the packaging with due regard to safety and the environment.
- When disposing of an old appliance, make it unusable, by cutting off the cable.

Correct Disposal of This Product (Waste Electrical & Electronic Equipment) - This marking shown on the product or its literature indicates that it should not be disposed of with other household wastes at the end of its working life. To prevent possible harm to the environment or human health from uncontrolled waste disposal, please separate this from other types of wastes and recycle it responsibly to promote the sustainable reuse of material resources
- Household users should contact either the retailer where they purchased this product, or their local government office, for details of where and how they can take this item for environmentally safe recycling.
- Business users should contact their suppliers and check the terms and conditions of the purchase contract. This product should not be mixed with other commercial wastes for disposal.
Description of the appliance
| Top Plate | Dimension (W*D’H) | Ignition device | Gas Connection | Electric supply | Burner Feature | ∑Qn |
| Glass | 900’512’45 | Continuous Ignition Type | G112 thread | 220-240Vac, 50Hz-60Hz, 2W | Rapid (1), Semi-rapid (2). Auxiliary (1), Triple-Crown (1) | 11 .1kW |
Description of the appliance
Accessories
How to Use the appliance
The following symbols will appear on the control panel, next to each control handle :

Black circle: gas off
Large flame: maximum setting
Small flame: minimum setting
- The minimum setting is at the end of the anti-clockwise rotation of the control handle.
- All operation positions must be selected between the maximum and minimum positions.
- The symbol on the control panel, next to the control handle will indicate which burner it operates.
Automatic ignition with flame failure safety device
The appliance is fitted with a flame failure safety device on each burner, which is designed to stop the flow of gas to the burner head in the event of the flame going out.
How to Use the appliance

Automatic ignition with flame failure safety device
The appliance is fitted with a flame failure safety device on each burner, which is designed to stop the flow of gas to the burner head in the event of the flame going out.
To ignite a burner:
- Press in the control knob of the burner that you wish to light and turn it anti-clockwise to the maximum position.
- If you keep the control knob depressed, the automatic ignition for the burner will operate.
- You should hold down the control knob for 15 seconds after the flame on the burner has lit. If after 15s the burner has not lit, stop operating the device and open the compartment door and/or wait at least 1 min before attempting a further ignition of the burner.
- After this 15-second interval, to regulate the flame you should continue turning the control knob anti-clockwise until the flame is at a suitable level.
The operating position MUST be at a position between the maximum and minimum position. - To switch the burner off, turn the control knob fully clockwise to the gas-off position.
- In case of power failure, the burners can be lit by carefully using a match.
Abnormal Operation
Any of the following are considered to be abnormal operations and may require servicing:
- Yellow tipping of the hob burner flame.
- Sooting up cooking utensils.
- Burners not igniting properly.
- Burners failing to remain alight.
- Burners extinguished by cupboard doors.
- Gas valves, which are difficult to turn.
In case the appliance fails to operate correctly, contact the authorized service provider in your area.
Safety and Energy-saving advice
The diameter of the bottom of the pan should correspond to that of the burner.
| BURNERS | PANS | |
| min. | max. | |
| Triple-Crown | 200mm | 240mm |
| Rapid | 200mm | 240mm |
| Semi-Rapid | 160mm | 180mm |
| Auxiliary | 120mm | 160mm |
Do not use cookware that overlaps the edge of the burner
| NO | YES | ||
![]() | Do not use small diameter cookware on large burners. The flame should never come up the sides of the cookware. | Always use cookware that is suitable for each burner, to avoid wasting gas and discoloring the cookware. | ![]() |
![]() | Avoid cooking without a lid or with the lid half off -as this wastes energy | Place a lid on the cookware. | ![]() |
![]() | Do not use a pan with a convex or concave bottom. | Only use pots, saucepans, and frying pans with a thick, flat bottom. | ![]() |
![]() | Do not place cookware on one side of a burner, as it could tip over. | Always place the cookware right over the burners, not to one side. | ![]() |
| Do not use cookware with a large diameter on the burners near the controls, which when placed on the middle of the burner may touch the controls or be so close to them that they increase the temperature in this area and may cause damage. | |||
![]() | Never place cookware directly on top of the burner. | Place the cookware on top of the trivet. | |
![]() | Do not place anything, eg. flame tamer, asbestos mat, between pan and pan support as serious damage to the appliance may result. | ||
![]() | Do not use excessive weight and do not hit the cooktop with heavy objects. | Handle cookware carefully when they are on the burner. | ![]() |
It is not recommended to use roasting pans, frying pans, or grill stones heated simultaneously on several burners because the resulting heat build-up may damage the appliance.- Do not touch the top plate and trivet whilst in use for a certain period after use.
As soon as a liquid starts boiling, turn down the flame so that it will barely keep the liquid simmering.
Cleaning and Maintenance
![]()
- Cleaning operations must only be carried out when the appliance is completely cool.
- The appliance should be disconnected from your main supply before commencing any cleaning process.
- Clean the appliance regularly, preferably after each use.
- Abrasive cleaners or sharp objects will damage the appliance surface; you should clean it using water and a little washing-up liquid.
| Usable | Unusable |
![]() | ![]() |
(Pan support, Control handles )
- Take off the Pan support.
- Clean these and the control handle with a damp cloth, washing up liquid and warm water. For stubborn soiling. soak beforehand.
- Dry everything with a clean soft cloth.
(Top plate)
- Regularly wipe over the top plate using a soft cloth well wrung out in warm water to which a little washing-up liquid has been added.
- Dry the top plate thoroughly after cleaning.
- Thoroughly remove salty foods or liquids from the hob as soon as possible to avoid the risk of corrosion.
- Stainless steel parts of the appliance may become discolored over time. This is normal because of the high temperatures. Each time the appliance is used these parts should be cleaned with a product that is suitable for stainless steel.
BURNERS
- Remove the burner lids and Flame Spreaders by pulling them upwards and away from the top plate.
- Soak them in hot water and a little detergent or washing up kith.
- After cleaning and washing them, wipe and dry them carefully. Make sure that the flame holes are clean and completely dry.
- Wipe the fixed parts of the burner cup with a damp cloth and dry them afterward.
- Gently wipe the ignition device and flame supervision device with a well wrung-out cloth and wipe dry with a clean cloth.
- Before placing the burners back on the top plate. make sure that the injector is not blocked.
- Re-assemble the Auxiliary, Semi-Rapid, Rapid, and Triple-Crown burners as follows
Re-assemble the Auxiliary, Semi-Rapid, Rapid, and Triple-Crown burners as follows :

- Place the flame spreader ( 4 ) onto the burner cap ( 5 ) so that the ignition device and the flame supervision device extend through their respective holes in the flame spreader. The flame spreader must click into place correctly.
- Position the burner lid ( 1.2.3 ) onto the flame spreader ( 4 ) so that the retaining pins fit into their respective recesses.
Place parts in the correct order after cleaning.
Do not mix up the top and bottom.
The locating pins must fit exactly into the notches.
Using instructions
Warnings
- Do not modify this appliance.
- This appliance must be installed by an authorized technician or
- Prior to installation, ensure that the local distribution conditions (nature of the gas and gas pressure) and the adjustment of the appliance are compatible.
- The adjustment conditions for this appliance are stated on the label (or data plate).
- This appliance is not connected to a combustion products evacuation It should be installed and connected in accordance with current installation regulations. Particular attention should be given to the relevant requirements regarding ventilation.
- Before installing, turn off the gas and electricity supply to the
- All appliances containing any electrical components must be earthed.
- Ensure that the gas pipe and electrical cable are installed in such a way that they do not touch any parts of the appliance which may become hot.
- Gas pipe or the connector shouldn’t be bent or blocked by any other
- Check the dimensions of the appliance as well as the dimensions of the gap to be cut in the kitchen unit.
- The panels are located above the work surface. directly next to them must be made of non-flammable material. Both the stratified surfacing and the glue used to secure it should be heat resistant. to prevent deterioration.
- Turn on the appliance tap and light each burner. Check for a clear blue flame without yellow tipping. If burners show any abnormalities check the following:
– Burner lid on correctly
– Flame spreader positioned correctly
– Burner vertically aligned with injector nipple - A full operational test and a test for possible leakages must be carried out by the fitter after installation.
- The flexible hose shall be fitted in such a way that it cannot come into contact with a moveable part of the housing unit and does not pass through any space susceptible of becoming congested.
- Turn on the appliance tap and light each burner. Check for a clear blue flame without yellow tipping. If burners show any abnormalities check the following:
- Grease cranes produced at the factory to meet the requirement of all life hob.
- This appliance is not suitable for use with aftermarket lids or covers.
Positioning
CLEARANCES ARE REQUIRED WHEN FITTING THE HOB WITH A COOKER HOOD ABOVE

This appliance is to be built into a kitchen unit or 600mm worktop, providing the following minimum distances are allowed;
- The edges of the hob must be a minimum distance of mm from a side or rear wall.
- 650 – 750 mm between the highest point of the hob surface (including the burners) and the underside of any horizontal surface directly above it.
- 400 mm between the hob surfaces, providing that the underside of the horizontal surface is in line with the outer edge of the hob. If the underside of the horizontal surface is lower than 400 mm, then it must be at least 50 mm away from the outer edges of the hob.
- 50 mm clearance around the appliance and between the hob surface and any combustible materials.
- You must have a gap of at least 25 mm and at most 74 mm between the underneath of the appliance and any surface that is below it.
– An oven must have forced ventilation to install a hob above it.
– Check the dimensions of the oven in the installation manual.
– The cutout size must obey the indication.
Installing the appliance
![]() | ![]() |
- Remove the pan supports, the burner lid, and the flame spreader, and carefully turn the appliance upside down and place it on a cushioned mat.
Take care that the Ignition devices and flame supervision devices are not damaged in this operation. - Apply the sponge provided around the edge of the appliance.
- Do not leave a gap in the sealing agent or overlap the thickness.
Sponge
The thickness of the sponge is 3 mm.
The width of the sponge is 10 mm.
Bottom view
![]() | ![]() |
Do not use a silicone sealant to seal the appliance against the aperture.
This will make it difficult to remove the appliance from the aperture in the future, particularly if it needs to be serviced.
- Place the bracket (B) over the holes that match the size of the screws. There are one set of screw holes in each corner of the hob (H).
Slightly tighten a screw (C) through the bracket (B) so that the bracket is attached to the hob, but so that you can still adjust the position. - Carefully turn the hob back over and then gently lower it into the aperture hole that you have cut out.
- On the underneath of the hob, adjust the brackets into a position that is suitable for your worktop.
Then fully tighten the screws (C) to secure the hob into position.
Gas Connection
This appliance must be installed and connected in accordance with installation regulations in force in the country in which the appliance is to be used.- This appliance is supplied to run on natural gas only and cannot be used on any other type of gas without modification. Conversion for use on LPG and other gases must only be undertaken by a qualified person.
Turn off the power for safety and appliance protection. Close the middle valve to prevent gas leakage.
Keep away from inflammable materials around appliances.
Before work, put on gloves.
CAUTION
Cool off the appliance for a while right after using the appliance for your safety because you can get burners by high temperature from the appliances.
Most of the tools that you might need are shown below. Some are optional.
| Item | How to use | Pictures |
| Screwdriver | Use for assembly and disassembly of all screws | ![]() |
| Tubing Wrench | Use for assembly and disassembly of tubing to the burner cup | ![]() |
| 7mm Vox Driver | Use for assembly and disassembly of injector nozzles. | ![]() |
Replacement of gas-type fitting
Tool: Open-end wrench
Steps for operation:
A: Disassemble with a wrench the gas-type fittings from the main gas tube.
When you disassemble/assemble the gas connection, use 2 spanners. One for fixing gas connection elbow, the other for tightening gas hose.
B: Look tightly a replaceable gas-type fitting onto the main gas tube.
Statutory requirements
This installation must conform with the following:
- Manufacturer’s Installation instructions
- Local Gas Fitting Regulations
- Municipal Building Codes
- Refer to AS/NZS 5601.1 for Gas Installations
- AS/NZS 3000 – Wiring Rules
- Local Electrical Regulations
- Any other statutory regulations
Preparing to install
Refer to AS/NZS 5601.1 for piping size details. These built-in cooktops are intended to be inserted in a benchtop cutout. Only an officially authorized technician should connect the appliance. Before you begin, turn off the gas and electricity supply.

![]()
- A full operational test and a test for possible leakages must be carried out by the fitter after installation.
- Access to the whole length of the connection hose must be possible and the gas hose must be replaced before its use before the end of service life (indicated on the hose.)
- Before Leaving-Check all connections for gas leaks with soap and water.
- It is necessary to allow disconnection of the appliance from the supply after installation. The disconnection can be achieved by having the plug accessible or by incorporating a switch in the fixed wiring in accordance with the wiring rules.
- DO NOT use a naked flame for detecting leaks. Ignite all burners both individually and concurrently to ensure the correct operation of gas valves, burners, and ignition. Turn gas taps to low flame position and observe the stability of the flame for each burner individually and all together. Adhere the duplicate data plate to an accessible location near the hotplate. When satisfied with the hotplate, please instruct the user on the correct method of operation. In case the appliance fails to operate correctly after all checks have been carried out, refer to the authorized service provider in your area.
- Flexible Hose: If installed with a hose assembly, it must comply with AS/NZS 1869,10mmID, class B or D, no more than 1mm long, and installed in accordance with S/NZS 5601.1.
- Ensure that the hose does not contact the hot surfaces of the hotplate, oven, dishwasher, or any other appliance that may be installed underneath or next to the hotplate. The hose should not be subjected to abrasion, kinking, or permanent deformation and should be able to be inspected along its entire length with the cooktop in the installed position. Unions compatible with the hose fittings must be used and all connections tested for gas leaks. The supply connection point shall be accessible with the appliance installed.
- WARNING: Ensure that the hose assembly is restrained from accidental contact with the flue outlet of an under-bench oven.
![]() | ![]() |
Gas Connection
Install in accordance with relevant gas standards and/or codes of practice applicable.
Connect the elbow fitting to the appliance gas manifold connection, and check that seals between the elbow and manifold connection are in place and in good condition.
- For Natural gas: connect the natural gas appliance regulator (pictured opposite) with an integral test point using approved gas thread tape or compound to the elbow fitting.
- For Universal LPG: connect the brass test point adaptor (pictured opposite) using approved gas thread tape or compound to the elbow fitting.
Ensure the supply connection point, test point, and natural gas regulator adjustment screw (for Natural gas installation) are accessible for testing and/or adjustment with the hotplate in the installed position.

Inlet connection region for flexible hose
Where a flexible hose assembly is used, ensure it is approved to AS/NZS 1869, Class B. Any hose assembly used must be restrained from accidental contact with the flue outlet of an under-bench oven.
This hose assembly shall be suitable for connection to a fixed consumer piping outlet located as follows:
Hotplates at a point 800 mm to 850 mm above the floor and in the region outside the width of the appliance to a distance of 250 mm.
After connecting to gas, check for leaks using the soapy solution, never a naked flame.
Gas Specification
| Gas type & pressure | Heat input and orifice size marked(mm) | |||
| Wok burner | Rapid burner | Semi-rapid | Auxiliary | |
| 12.96MJ/h | 10.8MJ/h | 6.3MJ/h | 3.6MJ/h | |
| ULPG 2.75kPa | 0.97 | 0.88 | 0.68 | 0.53 |
| Natural Gas 1.0kPa | 1.60 | 1.50 | 1.12 | 0.83 |
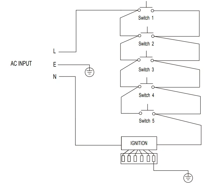
Electrical Connection
- This appliance must be earthed.
- This appliance is designed to be connected to a 220-240V, 50Hz-60Hz AC electricity supply.
- The wires in the mains lead are colored in accordance with the following code;
– Green/yellow = Earth
– Blue = Neutral
– Brown = Live
– It is necessary to allow disconnection of the appliance from the supply after installation.
The disconnection can be achieved by having the plug accessible or by incorporating a switch in the fixed wiring in accordance with the wiring rules.
The wire which is colored green and yellow must be connected to the terminal which is marked with the letter E or by the earth symbol.
WIRING DIAGRAM

If the supply cord is damaged, it must be replaced by the manufacturer, its service agent, or similarly qualified persons in order to avoid a hazard.
Gas adjustment
![]()
- Take precautions on the operations and adjustments to be carried out when converting from one gas to another.
- All work must be carried out by a qualified technician.
- Before you begin, turn off the gas and electricity supply to the appliance.
1. Change the injector of the burners.
Remove the pan support, Burner lid, and Flame spreader.
Unscrew the injector using a 7mm box spanner and replace it with the stipulated injector for a new gas supply. Carefully reassemble all components. After injectors are replaced, it is advisable to strongly tighten the injector in place.
2. Adjustment of a minimum level of the flame.
1. Turn the taps down to a minimum.
2. Remove the knob from the tap and place a small bladed screwdriver in the center of the tapped shaft.
3. The correct adjustment is obtained when the flame has a length of about 3 – 4 mm.
– For butane/ propane gas, the adjusting screw must
– be tightly screwed in.
– Refit the control knob.
Make sure that the flame does not go out by quickly turning from maximum flow to minimum flow. If it does then remove the control knob and make further adjustments o the gas flow, testing it again once the adjustment has been made.
4. Repeat this process for each one of the gas taps.
- Do not dismantle the tap shafe: in the event of a malfunction, change the whole tap.
- Before placing the bumpers back in the top place, make sure that the injector is not blocked.
- A full operational test and a test for possible leakages must be carried out after gas conversion. (such as soap water or gas detector)
- After completing a conversion, a qualified technician or installer has to mark “V” on the right gas category to match with the setting in the rating plate. Remove the previous setting “V” mark.
Troubleshooting
- Repairs should be performed by a licensed technician only. improper repair may result in considerable danger to you and
- However, some minor problems can be resolved as follows :
Problem Probable cause Solution Not ignited No Spark. Check the electricity supply. The burner lid is badly assembled. Assemble the lid correctly. The gas supply is closed. Open the gas supply completely. Badly ignited The gas supply is not completely open. Open the gas supply completely. The burner lid is badly assembled. Assemble the lid correctly. The ignition plug is contaminated with an alien substance. Wipe alien substance with a dry cloth. The burners are wet. Dry the burner’s lids carefully. The holes in the flame spreader are clogged. Clean the flame spreader. The noise made when combusted and ignited The burner lid is badly assembled. Assemble the burner lid correctly. The flame goes out when in use. The flame supervision device is contaminated with an alien substance. Clean the flame supervision device. The product being cooked has boiled over and extinguished the flame. Turn off the burner knob. Wait one minute and reignite zone. A strong draught may have blown the flame out. Please turn off the zone and check the cooking area for draught such as open windows. Wait one minute and reignite the zone Yellow Flame The holes in the flame spreader are clogged. Clean the flame spreader. Different gas is used. Check the gas used. Unstable Flame The burner lid is badly assembled. Assemble the burner lid correctly. Gas Smell Gas leakage Stop using the product and close the middle valve. Open the window to ventilate. Contact our service center by using a phone outside.
If the problem is not solved, please contact the customer care center.
Pronto
Service + Support: 1800 440 335
Email: [email protected]
HEAD OFFICE
65 Glynburn Road, Glyne SA 5070
Ph: 08 8165 1012
www.euroappliances.com.au
































– An oven must have forced ventilation to install a hob above it.




























