Vaillant VPV P 385-6 M BBF Photovoltaics

Validity of the instructions
| VPV P 385/6 M BBF | VPV P 400/6 M BWF |
| VPV P 390/6 M BBF | VPV P 405/6 M BWF |
| VPV P 395/6 M BBF | VPV P 410/6 M BWF |
For the end user and the competent persona
Safety
Action-related warnings
The action-related warnings are classified in accordance with the severity of the possible danger using the following warning symbols and signal words:
Warning symbols and signal words
- Danger! Imminent danger to life or risk of severe personal injury
- Danger! Risk of death from electric shock
- Warning! Risk of minor personal injury
- Caution! Risk of material or environmental damage
Intended use
There is a risk of injury or death to the user or others, or of damage to the product and other property in the event of improper use or use for which it is not intended. Photovoltaic modules are designed as stationary power generators for photovoltaic installations in combination with a suitable inverter.
The photovoltaic modules must never be used for mobile operation or a façade installation. Do not install the modules on vehicles and do not use them in aviation, space travel, or maritime applications, and – in accordance with the IEC certification – do not use the above 2000 m above sea level. It is not permitted to use mirrors or lenses to concentrate the sunlight on the surface of the module.
Intended use includes the following:
- Observance of all other applicable documents for the product and any other system components
- Installing and fitting the product in accordance with the product and system approval
- Compliance with the inspection and maintenance condi-tions.
Intended use also covers installation in accordance with the IP code. Any other use that is not specified in these instructions, or use beyond that specified in this document, shall be considered improper use. Any direct use in industrial or commercial processes is also deemed to be improper.
General safety information for the end user and competent person
The danger caused by improper operation
Improper operation may present a danger to you and others, and cause material damage.
- Carefully read the enclosed instructions and all other applicable documents, particularly the „Safety“ section and the warnings.
- As the end user, you should only carry out those activities for which these operating instructions provide instructions.
Risk of death from electric shock
Photovoltaic modules can create a high DC voltage at any time.
- Keep away from current-carrying components.
Risk of injury and material damage due to mainte-nance and repairs carried out incorrectly or not carried out at all
- Have faults and damage eliminated immediately?
- Adhere to the maintenance intervals specified.
Risk of death caused by missing fall protection
- Secure people and materials against falls.
General safety information for the competent person
Risk caused by inadequate qualifications
All of the work that is described in the installation and main-tenance instructions must only be carried out by sufficiently qualified competent persons.
- Proceed in accordance with current technology.
Risk of death from electric shock
There is a risk of death from electric shock if you touch live components.
Before commencing work on the product:
- Disconnect the product from the power supply by switching off all power supplies at all poles (electrical partition with a contact gap of at least 3 mm, e.g. fuse or circuit breaker).
- Secure against being switched back on again.
- Check that there is no voltage.
- Ensure that the insulation is not missing or defective. When the photovoltaic module is de-energized and earthed, this may result in a high voltage.
- Before carrying out any electrical work on the photovoltaic module, remove the earthing from the photovoltaic module.
The photovoltaic modules generate high DC voltages even when the light incidence is low.
- Never touch the electrical connections without wearing protective gloves.
- When working on the cabling, de-energize the photovoltaic installation as described in the instructions for the inverter.
- Always use a suitable insulated tool.
- Cover the photovoltaic modules with an opaque plastic film or a fleece.
If the connections are not established or disconnected pro-perly, this may lead to an arc forming.
- Avoid working on electrical components when the incidence of solar radiation is high.
Damage to the insulating film on the rear of the photovoltaic module may lead to a potentially lethal electric shock, fire or severe burns. - Prevent sharp or pointed objects from coming into contact with the insulating film.
- Ensure that the insulating film is not damaged.
Risk of death due to the inadequate load-bearing capacity of the roof
A roof may collapse as a result of the additional load of the photovoltaic modules.
Additional wind and snow loads may cause the roof to collapse.
- Ensure that a structural engineer has confirmed the roof as suitable for installing photovoltaic modules.
- Only install the photovoltaic modules on a roof that has adequate load-bearing capacity and a suitable mounting frame.
Risk of death from falling photovoltaic modules
- Perform all work steps as described in this manual.
- Ensure that everything is sufficiently secured in place.
Risk of death due to lack of safety devices
- Install the necessary safety devices in the installation.
Risk of burns from hot surfaces
Take suitable protective measures.
Risk of injury due to breaking glass
The glass in the photovoltaic modules may break unexpectedly.
- Wear suitable protective gloves and suitable protective goggles.
Risk of material damage due to lightning
- Connect the photovoltaic installation to a lightning protection device in accordance with the applicable regulations.
Risk of injury from snow falling from roofs
- Install snow guards.
Risk of material damage caused by using an unsuitable tool
- Use the correct tool.
Accident prevention regulations
- Observe all regulations that ensure safe work when mounting photovoltaic modules at the appropriate heights.
Regulations (directives, laws, standards)
- Observe the national regulations, standards, directives and laws.
For the end user and the competent person
Notes on the documentation
Observing other applicable documents
- Observe all of the instructions that are intended for you and are enclosed with the components of the installation.
Storing documents
- As the end user, keep this manual and all other applicable documents safe for future use.
Product Description
For the product design, an overview of the photovoltaic installation, and overview of the photovoltaic modules, see the title page.
Information on the data plate
| Information on the data plate | Meaning |
| VPV P …/6 … | Type designation |
| PMPP | Nominal output in W with classification tole- rance in W and measurement accuracy tole- rance in % |
| VMPP | Nominal voltage in V |
| IMPP | Nominal current in A |
| VOC | No-load voltage in V |
| ISC | Short-circuit current in A |
| max Usyst | Maximum system voltage in V |
| STC | Standard test conditions |
| IR | Reverse current capacity |
| Information on the data plate | Meaning |
| IP 67 | IP rating |
| Protection class II | |
| class C | Fire protection class |
| Control.No.: … | For identification |
| Ser.No.: … | For identification |
| VDE test symbol |
Serial number
The serial number is located on a plate on the side of the product and on a plate beside the data plate (1, image 1).
CE marking
The CE marking shows that the products comply with the basic requirements of the applicable directives as stated on the data plate.
The declaration of conformity can be viewed at the manufacturer‘s site.
Troubleshooting
- Contact a competent person.
Care and maintenance
Carrying out a visual inspection
- In regular intervals, especially in bad weather, carry out a visual inspection of the photovoltaic installation.
- If there is visible damage, temporarily decommission the photovoltaic installation.
- If there is visible damage, contact a competent person and have the photovoltaic installation properly checked and, if required, repaired.
Caring for the product
- Only clean the modules with a soft sponge and rainwater.
- For stubborn dirt, use a 1:1 mixture of rainwater and isopropanol.
Maintenance
Annual inspection and maintenance of the product by a competent person is required to ensure that the product is permanently ready and safe for operation, reliable, and has a long service life.
Decommissioning
Temporarily decommissioning
- Temporarily decommission the photovoltaic installation in accordance with the operating instructions for the inverter.
Danger!
Risk of death due to disconnecting live direct current cables.
- Call a competent person who can carry out the necessary work on the cabling.
Recycling and disposal
Disposing of the packaging
- As the competent person, dispose of the packaging correctly.
- Observe all relevant regulations.
- If the product is labeled with this mark:
- In this case, do not dispose of the product with household waste.
- Instead, hand in the product to a collection centre for waste electrical or electronic equipment.
Customer service
The contact details for our customer service are provided in the Country Specifics appendix or on our website.
Product Description
See operating instructions and/or title page
Set-up
Transporting the photovoltaic module
- Where possible, carefully transport the photovoltaic module in its packaging.
- Avoid bumping, knocking or pushing the surface, the edges, and the corners of the glass panels.
- Transport the photovoltaic module upright.
- Carry the photovoltaic module with the help of a second person. Hold the modules by the long sides when doing so.
- Wear clean and soft gloves.
- Do not exert tension or pressure on the connection boxes or the cabling.
Storing the photovoltaic module
- Always store the photovoltaic module in a dry, padded location.
- Always store the photovoltaic modules upright.
- Secure each photovoltaic module against toppling over.
- Do not stack the photovoltaic modules.
Unpacking the photovoltaic module
- Carefully remove the packaging and padding. Do not use any pointed or sharp objects.
Checking the scope of delivery
| Number | Designation |
| 1 | Photovoltaic module |
Checking the mounting frame
Ensure that the mounting frame has been aligned and installed in accordance with the planning requirements and set-up instructions (images 7, 8 and 9).

Correctly guiding the mounting rails
See appendix A, „Installation drawing“
Requirements for the installation site
- No heavy soiling expected
- No shading
- For maximum permissible suction and pressure loads, see appendix A, „Installation drawing“
Preparing the installation
Before you start installing the modules, prepare for the electrical installation.
Checking the photovoltaic module
- Before installing each photovoltaic module, check its mechanical integrity.
- Do not set up and install damaged components.
Installing the photovoltaic module
Observing the clamping surface
- a-clamping length at least 30 mm
- b-clamping depth 3 – 7 mm
Ensure that the clamping length and depth on the PV module frame are sufficient.
Attaching the end/middle clamps
Observe the set-up instructions for the mounting frame and the end/middle clamps (¬ image 3).
Electrical installation
Only qualified electricians may carry out the electrical installation.
Preparing the electrical installation
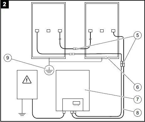
Calculate the maximum number of photovoltaic modules connected in series and/or parallel (6, image 2) in accordance with the maximum permissible system voltage and reverse current capacity, and create a wiring plan.
Note
Under expected operational conditions, a photo-voltaic module can provide a greater current and/or a greater voltage than would be stated in the standardized test conditions. Multiply the values of Isc and Voc stated on the module by a factor of 1.25 to dimension the components provided in the installation.
- Check whether overvoltage and lightning protection is required and whether there is an overvoltage and lightning protection concept that complies with the relevant regulations.
- If a generator connection box is integrated into the system, check whether string diodes are required.
Cabling the photovoltaic module
- Protect the cable against direct sunlight and high tensile loading.
- Route the cabling behind the photovoltaic module, if possible so that it is below the frame.
- If extension cables (8, image 2) are required, use only suitable cables and observe the instructions for the plug connectors.
- Position the connector boxes (2, image 1), as shown in image 9.
Carrying out the electrical installation
- Carry out the electrical installation based on the wiring plans.
- Install suitable overvoltage and lightning protection, if required or stipulated.
- Install module string/bypass diodes, if required, and the required overcurrent protection.
Cabling requirements
- No plasticizers
- UV-resistant
- Performance-related cross-section (³ 4 mm2)
- Temperature range: – 40 °C … +120 °C
- MC4 plug connections (5, image 2)
Series circuit
- Wire several photovoltaic modules in series; schematic diagram (¬ image 4).

- Avoid a ring main (¬ image 5).

Requirements for inverters and earthing
- Observe the installation instructions for the inverter (7, image 2).

- Check whether local regulations stipulate protective earthing (9, image 2).
- With the protective earthing, establish a secure electrical connection between the PV module frame and the earth potential or the earthed mounting frame.
- If required, install lightning protection in addition to the protective earthing.
- Never use the PV module frames or their protective earthing as active components of lightning protection.
- Use separate arresters for connecting the lightning arrester to the lightning-protective earth.
- Always have competent persons plan and install the outdoor and, if required, indoor lightning protection.
- When directly installing it on the PV module frame, use suitable materials that do not encourage electrical corrosion.
Start-up
- Observe the installation instructions for the inverter.
Handing over to the operator
- Hand all of the documents over to the end user.
- Inform them how they should respond if faults and damage occur, and about the maintenance and inspection intervals.
Troubleshooting
Eliminating faults
- Observe the instructions for the inverter.
Procuring spare parts
The original components of the product were also certified by the manufacturer as part of the declaration of conformity. If you use other, non-certified, or unauthorized parts during maintenance or repair work, this may void the conformity of the product and it will therefore no longer comply with the applicable standards.
We strongly recommend that you use original spare parts from the manufacturer as this guarantees fault-free and safe operation of the product. To receive information about the available original spare parts, contact the contact address provided on the reverse of these instructions.
- If you require spare parts for maintenance or repair work, use only the spare parts that are permitted for the product.
Repair
- Before carrying out repair work, temporarily decommission the entire photovoltaic installation.
- Replace any defective components.
- Do not carry out any repairs to the connection box.
- Start up the photovoltaic installation again.
Inspection and maintenance
- Follow the inspection and maintenance plan in the appendix.
- Temporarily decommission the photovoltaic installation.
Checking the insulation and stability of the cabling
- Check the cabling, insulation, and plug connections for cleanliness, integrity, and stability.
- Document and eliminate all faults.
Checking the end and middle clamps
Check all of the end and middle clamps on the photovoltaic modules to ensure that they are correctly connected to the mounting frame and the PV module frame.
Checking the protective earthing
Check the cabling of the protective earthing for cleanliness, integrity, and stability.
Completing inspection and maintenance work
- Document the inspection work that was carried out in an inspection report.
- Point out to the end user that they must always keep the inspection report safe.
- Start up the photovoltaic installation again.
Decommissioning
Permanently decommissioning the photovoltaic installation
- Observe the instructions for the inverter.
- Cover the photovoltaic modules with an opaque plastic film or a fleece in order to minimize the generation of direct current.
Removing the photovoltaic module
- Decommission the photovoltaic installation.
- Remove the photovoltaic modules and observe the information on the electrical installation and set-up.
Technical data
| VPV P | ||||||
| 385/6 390/6 395/6 M BBF | 400/6 405/6 410/6 M BWF | |||||
| Nominal output PMPP | 385 W | 390 W | 395 W | 400 W | 405 W | 410 W |
| Voltage at PMPP UMPP | 31,21 VDC | 31,40 VDC | 31,60 VDC | 31,14 VDC | 31,34 VDC | 31,53 VDC |
| Current at PMPP IMPP | 12,34 A | 12,42 A | 12,50 A | 12,84 A | 12,92 A | 13,00 A |
| Short-circuit current Isc | 12,94 A | 13,02 A | 13,10 A | 13,46 A | 13,55 A | 13,63 A |
| Open circuit voltage Voc | 37,05 VDC | 37,17 VDC | 37,29 VDC | 37,08 VDC | 37,20 VDC | 37,32 VDC |
| Dimensions (W x H x D) | 1752 x 1144 x 40 mm | |||||
| Frame height | 40 mm | |||||
| Weight | 22 kg | |||||
| Frame material | Al | |||||
| VPV P | ||||||||
| 385/6 | 390/6 395/6 M BBF | 400/6 | 405/6 M BWF | 410/6 | ||||
| Connections | Connection box (2, image 1) with three bypass diodes, 4 mm² cable and MC4 plug connection. Length per pin: 1200 mm (+) (4, image 1) and 1200 mm (−) (3, image 1) | |||||||
| Module efficiency | 19,21 % | 19,46 % | 19,71 % | 19,96 % | 20,21 % | 20,46 % | ||
| Current coefficient α | 0,03 %/K | |||||||
| Voltage coefficient β | −0,26 %/K | |||||||
| Power coefficient γ | −0,34 %/K | |||||||
| Maximum permissible system voltage UMAX | 1000 VDC | |||||||
| Reverse current capacity | 25 A | |||||||
| Pressure load (test load) | 8100 Pa 1 | |||||||
| Pressure load (design load) 2 | 5400 Pa 1 | |||||||
| Suction load (test load) | 3600 Pa 1 | |||||||
| Suction load (design load) 2 | 2400 Pa 1 | |||||||
Mechanical load in accordance with IEC/EN 61215:2021
- Observe the installation conditions in the installation instructions
- Test load/safety factor 1.5 = Design load
This module is rated as application class A in accordance with IEC 61730. The electrical performance data can be found in the datasheet or on the data plate.
Inspection and maintenance work Overview
The table below lists the manufacturer’s requirements with respect to minimum inspection and maintenance intervals. If national regulations and directives require shorter inspection and maintenance intervals, you should observe these instead of the intervals listed.
| No. | Maintenance work | Interval |
| 1 | Checking the end and middle clamps | Annually |
| 2 | Cleaning the photovoltaic module | Annually |
| 3 | Checking the installation site | Annually |
| 4 | Checking the protective earthing | Annually |
| 5 | Checking the inverter | Annually |
Appendix


Contact Information
Austria
Vaillant Group Austria GmbH
Clemens-Holzmeister-Straße 6 1100 Wien
Telefon: 05 7050 Telefax: 05 7050 1199
Telefon: 05 7050 2100 (zum Regionaltarif österreichweit, bei Anrufen aus dem Mobilfunknetz ggf. abweichende Tarife – nähere Information erhalten Sie bei Ihrem Mobilnetzbetreiber)
E-Mail: [email protected] E-Mail Kundendienst: [email protected] Internet: http://www.vaillant.at
Internet Kundendienst: http://www.vaillant.at/werkskundendienst/.
CH, Switzerland
Vaillant GmbH (Schweiz, Suisse, Svizzera)
Riedstrasse 12 CH-8953 Dietikon
Tel.: +41 44 744 29 29 Fax: +41 44 744 29 28
Techn. Vertriebssupport: +41 44 744 29 19
[email protected] www.vaillant.ch
Vaillant Sàrl
Z.I. d’In-Riaux 30 CH-1728 Rossens
Tél.: +41 26 409 72 10 Fax: +41 26 409 72 14
Service aprèsvente tél.: +41 26 409 72 17
Service aprèsvente fax: +41 26 409 72 19
[email protected] www.vaillant.ch.
DE, Germany
Vaillant Deutschland GmbH & Co.KG
Berghauser Str. 40 D-42859 Remscheid
Tel. +492191 18 0 Fax +492191 18 2810
Auftragsannahme Vaillant Kundendienst: 021 91 5767901
[email protected] www.vaillant.de
ES, Spain
Vaillant Saunier Duval, S.A.U
Polígono Industrial Ugaldeguren III
Parcela 22 48170 Zamudio
Teléfono: +34 94 48 96 200
Atención al Cliente: +34 910 77 88 77
Servicio Técnico Ofi cial +34 910 779 779
http://www.vaillant.es
FR, France
SDECC SAS (une société de Vaillant Group en France)
SAS au capital de 19 800 000 euros – RCS Créteil 312 574 346 Siège social: 8 Avenue Pablo Picasso 94120 Fontenay-sous-Bois Téléphone: 01 4974 1111 Fax: 01 4876 8932
http://www.vaillant.fr.
Publisher/manufacturer
Vaillant GmbH
Berghauser Str. 40 D-42859 Remscheid
Tel. +492191 18 0 Fax +492191 18 2810
[email protected] www.vaillant.de.
These instructions, or parts thereof, are protected by copyright and may be reproduced or distributed only with the manufacturer’s written consent.
















