the serviced apartment company
Operating Instructions – Washer Dryer Candy CDB 854 D UK
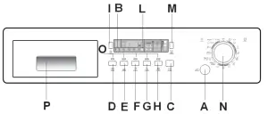
Control Panel
| A. Door open button B. “Door Security” indicator light C. “Start/Pause” button D. “Stain Vanish” button E. “Allergy Care” button F. “Delay Start” button G. “Temperature Selection” button | H. “Drying Selection” button I. “Spin Speed” button L. Digital display M. Stain Level button N. Programme selector with “OFF” position O. Buttons indicator light P. Detergent drawer |
To start a wash
- Open the door by using the button “A”
- Select laundry and put it in the machine
- Close the door
- Put detergent in the compartments
- Select programme
- The display will show the settings for the programme selected.
- Adjust the wash temperature if necessary.
Drying
If you would like the drying cycle to begin automatically after washing, select the programme required using the Drying Selection button. Otherwise, it is possible to finish the wash and then decide on the drying programme and load.
- Press additional function buttons (if required)
- Press the “Start/Pause” button
- The programme starts.
After washing
- The word “End” will appear on the display.
- Wait for the door lock to be released (about 2 minutes after the programme has finished). The “Door Security” indicator light will go out.
- Switch off the washing machine by turning the selector to the “OFF” position.
- Open the door and remove the laundry.
Programme Table
| Programme for: | Programme selector on: | Weight Max. Kg | Recommended Temp. °C | Max. Temp°C | Detergent | ||
| Resistant fabrics Cotton, linen with Prewash | 8 | 60°C | Up to 90°C | ||||
| Cotton, mixed resistant, Coloureds | 8 | 40°C | Up to 60°C | ||||
| Mixed fabrics and synthetics Cotton, mixed fabrics, synthetics | 4 | 40°C | Up to 50°C | ||||
| Very delicate fabrics | 2.5 | 40°C | Up to 40°C | ||||
| “MACHINE WASHABLE” woollens | 2 | 40°C | Up to 40°C | ||||
| Hand wash | 1.5 | 30°C | Up to 30°C | ||||
| Rinse | – | – | – | ||||
| Fast spin | – | – | – | ||||
| Drain only | – | – | – | ||||
| Mix & Wash system programme | 8 | 40°C | Up to 40°C | ||||
| Resistant fabrics Mixed fabrics and synthetics Rapid 14 minute |
| 1.5 | 30°C | Up to 30°C | |||
| Resistant fabrics Mixed fabrics and synthetics Rapid 30 minute | 2.5 | 30°C | Up to 40°C | ||||
| Resistant fabrics Mixed fabrics and synthetics Rapid 44 | 3.5 | 30°C | Up to 40°C |
| minute | |||||||
| Mixed, delicate synthetics | 3.5 | 30°C | Up to 40°C | ||||
| Mixed – Drying | 5 | – | – | ||||
| Cotton – Drying | 4 | – | – | ||||
| Cotton – Mixed | 1.5 | 30°C | Up to 30°C | |
Detergent drawer

Programme Selector 



















