
CPV
CENTER CONSOLE REFRIGERATOR

CCF-T Refrigerator
Installation and Operation Manual
WARNING
Cancer and Reproductive Harm www.P65Warnings.ca.gov
Revision A Form No. 3317634.000 | 04/2021 | ©2021 Dometic Corporation
Service Center & Dealer Locations Visit: www.dometic.com
Please read these instructions carefully and follow all instructions, guidelines, and warnings included in this product manual in order to ensure that you install, use, and maintain the product properly at all times. These instructions MUST stay with this product.
By using the product, you hereby confirm that you have read all instructions, guidelines, and warnings carefully and that you understand and agree to abide by the terms and conditions as set forth herein. You agree to use this product only for the intended purpose and application and in accordance with the instructions, guidelines, and warnings as set forth in this product manual as well as in accordance with all applicable laws and regulations. A failure to read and follow the instructions and warnings set forth herein may result in an injury to yourself and others, damage to your product, or damage to other property in the vicinity. This product manual, including the instructions, guidelines, and warnings, and related documentation, may be subject to changes and updates. For up-todate product information, please visit www.dometic.com.
Explanation of Symbols and Safety Instructions
This manual has safety information and instructions to help you eliminate or reduce the risk of accidents and injuries.
Recognize Safety Information
This is the safety alert symbol. It is used to alert you to potential physical injury hazards. Obey all safety messages that follow this symbol to avoid possible injury or death.
Understand Signal Words
A signal word will identify safety messages and property damage messages, and also will indicate the degree or level of hazard seriousness.
DANGER! Indicates a hazardous situation that, if not avoided, will result in death or serious injury.
WARNING Indicates a hazardous situation that, if not avoided, could result in death or serious injury.
CAUTION Indicates a hazardous situation that, if not avoided, could result in minor or moderate injury.
NOTICE: Used to address practices not related to physical injury.
Indicates additional information that is not related to physical injury.
Supplemental Directives
To reduce the risk of accidents and injuries, please observe the following directives before proceeding to install and operate this product:
- Read and follow all safety information and instructions.
- Read and understand these instructions before installing and operating this product.
- The installation must comply with all applicable local or national codes, including the latest edition of the following standard:
U.S.A.
ANSI/NFPA70, National Electrical Code (NEC)
General Safety Messages
WARNING: ELECTRICAL SHOCK AND/OR
FIRE HAZARD. Failure to obey the following warnings could result in death or serious injury:
- Use only Dometic replacement parts and components that are specifically approved for use with the appliance.
- Avoid improper installation, adjustment, alterations, service, or maintenance of the unit. Service and maintenance must be performed by a qualified service person only.
- Do not modify this product in any way. Modification can be extremely hazardous.
- Do not immerse this product in water.
- Do not use this product for any purpose other than as a mobile cooling device.
- Use care when diagnosing and/or adjusting components on a powered unit.
WARNING: CARBON MONOXIDE AND/ OR VEHICLE SAFETY . Failure to obey the following warnings could result in death or serious injury:
- Park the vehicle in a well-ventilated area during the installation process.
- Ensure the vehicle is in Park with the emergency brake engaged at all times during the installation process.
- Follow all vehicle manufacturer safety procedures.
CAUTION Avoid touching the compressor or front fan blades during installation. Failure to obey this caution could result in minor or moderate injury.
NOTICE: Failure to obey the following notices could result in property damage:
- Do not use a power strip or two-way splitter.
- Do not use power cord adapters other than those provided by the manufacturer.
- Do not fill this product with ice cubes or water. If frost or condensation accumulates inside this product, wipe dry with a soft sponge or microfiber cloth.
Intended Use
The center console refrigerator (or “refrigerator”) provides vehicle passengers with easy access to refrigerated items from within the comfort of the vehicle cabin. The refrigerator is designed to fit within the existing console footprint and to provide an automatically controlled cooling environment for packaged items. This refrigerator is only suitable for the intended purpose and application in accordance with these instructions.
This manual provides information that is necessary for proper installation and/or operation of the refrigerator. Poor installation and/or improper operating or maintenance will result in unsatisfactory performance and a possible failure. The manufacturer accepts no liability for any injury or damage to the product resulting from:
- Incorrect assembly or connection, including excess voltage
- ncorrect maintenance or use of spare parts other than original spare parts provided by the manufacturer
- Alterations to the product without express permission from the manufacturer
- Use for purposes other than those described in this manual
Dometic reserves the right to change product appearance and product specifications.
General Information
This section provides information on the included parts, installation tools and materials, component locations, and the refrigerator.
The images used in this document are for reference purposes only. Components and component locations may vary according to specific product models. Measurements may vary ±0.38 in. (10 mm).
Tools and Materials
Dometic recommends using the following tools and materials while installing the refrigerator.
| Included Parts | Quantity |
| Refrigerator Unit | 1 |
| Rubber Mat | 1 |
| Top Closeout Tray | 1 |
| Front Fan with Housing | 1 |
| Front Fan – Template | 1 |
| Foam Console Wall Spacer | 1 (Right-hand), 1 (Left-hand) |
Included Parts
Refrigerator Unit Rubber Mat Top Closeout Tray Front Fan with Housing Front Fan – Template Foam Console Wall Spacer
Recommended Tools
| Drill | Pen |
| 3.5 in. Hole Saw Drill Bit | Vacuum or Shop Vac |
| Phillips Screwdriver | Removable Tape |
| Multimeter |
Model Identification
This section provides the location of the refrigerator model identification label. Have this information readily available if you have to call the Dometic Customer Support Center.

1 Model ID Label Location
Component Locations
This section identifies the refrigerator’s main components.
2 Refrigerator Component Locations
| 1. EPP Foam Wall Spacers 2. Refrigerator Unit 3. USB Port(s) 4. ON/OFF Button with LED 5. Closeout Tray 6. 12 VDC Power Cord | 7. Twist Lock 8. Front Fan 9. Condenser Fan 10. Power Retaining Latch 11 12 VDC Power Plug 12. Rubber Feet |
External Dimensions
This section identifies the refrigerator’s external dimensions.
3 Refrigerator Exterior Dimensions
- Height: 13 in. (320 mm)
- Depth: 16 in. (404 mm)
- Width: 12 in. (310 mm)
Specifications
This section provides the physical and electrical specifications for the refrigerator.
| Weight | 14.3 lbs (6.5 kg) |
| Voltage Input | 12.3 –16.0 VDC |
| Low Voltage Protection | 12.3 VDC |
| Energy Consumption at Startup | 5.6 A |
| Energy Consumption during Operation at 90 °F Ambient and 23 °F Internal Temperatures | 4.5 A |
| Storage/Internal Volume | 8 L |
| Beverage Storage | • 6 – 20 oz (0.6 L) bottles • 12 – 12 oz (0.4 L) cans |
| Refrigerant | R1234YF 1 oz (26 g) |
| Internal Operating Temperature Range (Auto-Controlled) | 32–41 °F (0–5 °C) |
| Vehicle Models1 | • Ford F-150 (2015-2020) • Ford Super Duty F-250/350/450/550 (2017 and newer) • Ford Expedition (2018 and newer) |
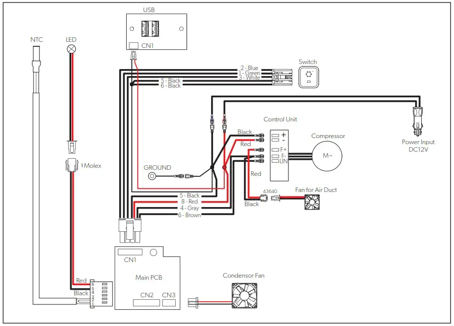
Wiring Diagram
4 Refrigerator Wiring Diagram
Pre-Installation
WARNING: CARBON MONOXIDE AND/ OR VEHICLE SAFETY. Failure to obey the following warnings could result in death or serious injury:
- Park the vehicle in a well-ventilated area during the installation process.
- Ensure the vehicle is in Park with the emergency brake engaged at all times during the installation process.
NOTICE: Avoid pinching, crushing, or breaking the wires or power cord. Otherwise damage to the refrigerator could occur.
This section describes the assessment and location preparations to install the refrigerator.
Assessing the Installation Location
- Confirm your vehicle is the correct model, model year, and trim level to accept the refrigerator. See “Specifications” on page 6 for more information. Only trim packages with an integrated center floor console are eligible.
- Verify you have the correct parts and tools to perform the refrigerator installation. See “Tools and Materials” on page 4 for more information.
Testing the Refrigerator
- Open the console lid and remove all items stored in the console bin, including the original trim tray and the console floor liner.
The console lid should remain open during the preinstallation and installation procedures. - Place the refrigerator unit in an upright position on a stable surface next to the console.
- Insert the refrigerator unit’s 12 VDC power cord plug into the vehicle’s 12 VDC power receptacle.
- Start the vehicle engine.
- Confirm the blue LED is illuminated on the refrigerator unit’s ON/OFF button. If not, press and hold the button for one second, and then release.
- Listen for the condenser fan to start. See “Troubleshooting” on page 14 if the condenser fan does not start.
- Turn the vehicle engine OFF.
- Press and hold the ON/OFF button to turn the refrigerator unit OFF.
- Unplug the 12 VDC power cord.
- Set the refrigerator unit away from the console.
Preparing the Front Fan Location
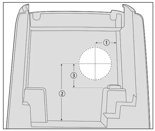
5 Using the Front Fan Template
- 2.4 in. (60 mm)
- 6.2 in. (158 mm)
- 2.6 in. (67 mm)
- Tape the front fan template to the inside, front wall of the console bin.
- Using a pen, trace the center point opening from the template onto the console bin wall.
6 Drilling the Front Fan Opening
- 3.5 in. (89 mm) Hole Saw Drill Bit
- 3.5 in. (89 mm) Hole
Installation
NOTICE: Avoid lifting the weight of the refrigerator unit by the plastic edges. Otherwise damage to the edges could occur.
NOTICE: Do not leave the refrigerator unit in an inverted position or run the compressor soon after having the refrigerator in an inverted position. Otherwise damage to the compressor could occur.
NOTICE: Avoid pinching, crushing, or breaking the wires or power cord. Otherwise damage to the refrigerator unit could occur.
This section describes how to install and wire the fan and the refrigerator unit, and how to install the foam protection material.
Installing the Front Fan
7 Installing the Front Fan
- Front Fan
- Black Fan Wire
- Hold the front fan vertically by the housing.
- Insert the front fan into the new 3.5 in. (89 mm) opening inside the console bin until it snaps into place.
- Tape the black fan wire to the top right lip of the console bin to hold it in place and to protect it from damage.
Installing the Foam Spacers
8 Placing the Foam Spacers
- Foam Spacer
- Console Bin Ledge
- Peel off the tape covering from the right-hand foam spacer.
- Affix the right-hand foam spacer to the inside of the right-hand console bin wall:
a. Hold the foam spacer inside the console bin with the 45 degree angled corner to the rear of the console bin.
b. Rest the foam spacer on the console bin ledge.
c. Press the 45 degree angled corner of the foam spacer into the rear corner.
d. Press the entire foam spacer into place. - Repeat steps 1 and 2 to apply the left-hand foam spacer to the left-hand console bin wall.
Installing the Refrigerator Unit
9 Engaging the Receptacle Locks
- 12 VDC Power Plug
- Power Supply
- Set the refrigerator unit upright near the console bin and insert the 12 VDC plug into the power supply.
10 Lowering the Refrigerator Unit into the Console Bin1. Refrigerator Unit
2. Left Foam Spacer3. Console Bin Frame Lip
4. Power Retaining Latch - Note the power retaining latch located at the bottomleft corner of the refrigerator unit.
- Gently rock the refrigerator unit from left to right while lowering the refrigerator unit into the console bin.
- Use a screwdriver to rotate the power retaining latch 180 degrees from the refrigerator unit. The top lip of the latch will secure the 12 VDC plug into the power supply.
11 Engaging the Receptacle Locks1. Receptacle Locks (2) 2. Console Bin - Continue to lower the refrigerator unit until it is fully seated with the receptacle locks engaged. The top edges of both the refrigerator unit and the console bin should be level.
Connecting Power to the Fan
12 Connecting the Front Fan
- Front Fan
- Fan Power Plug
- Black Fan Wire
- Remove the temporary tape holding the black fan wire in place.
- Locate the fan power plug below the USB port.
- Routing the black fan wire away from the fan blades, connect it to the fan power plug.
- Gently push the connected fan wires back into the opening, protecting the wires from the fan blades.
- Start the vehicle engine.
- Press and hold the ON/OFF button for one second to turn the refrigerator unit on and to listen for the condenser fan to start. See “Troubleshooting” on page 14 if the condenser fan does not start.
- Press and hold the ON/OFF button for one second to turn the refrigerator unit OFF.
- Turn the vehicle engine OFF.
13 Securing the Twist Locks
1. Twist Locks (2) - At the front edge of the refrigerator unit, ensure the twist lock horizontal tabs fit underneath the front lip of the console bin.
- Using a Phillips screwdriver, turn each twist lock clockwise until the horizontal tabs are snug against the console bin.
Completing the Installation
14 Installing the Closeout Tray
- Closeout Tray
Align the vented closeout tray over the fan housing and snap it into place.
Operation
WARNING: FIRE AND/OR EXPLOSION HAZARD . Failure to obey the following warnings could result in death or serious injury .
- This refrigerator must be properly installed and located in accordance with these instructions before it is used.
- Do not store gasoline or other flammable vapors and liquids in this refrigerator.
- Do not store explosive substances, such as aerosol cans with a flammable propellant, in this refrigerator.
NOTICE: Avoid spilling liquid into the closeout tray’s fan vents. Doing so could cause damage to the refrigerator’s fan or electrical wiring.
This section provides instructions on the proper use of the refrigerator.
Turning the Refrigerator ON
Press and hold the ON/OFF button for one second, and then release. The button’s blue LED indicator will illuminate when the refrigerator is ON.
The refrigerator will remain ON until it is manually turned OFF. If the refrigerator is ON and the vehicle engine is turned OFF:
- The refrigerator will continue to draw power from the battery until the voltage drops below 12 V. If this threshold is reached, the refrigerator will cycle OFF until the engine restarts.
- The refrigerator will return to an ON status when the engine restarts.
Turning the Refrigerator OFF
Press and hold the ON/OFF button for one second, and then release. The button’s blue LED indicator will not illuminate when the refrigerator is OFF.
The refrigerator will remain OFF until it is manually turned ON. If the refrigerator is OFF and the vehicle engine is turned OFF, the refrigerator unit will maintain the OFF status.
Adjusting the Refrigerator Temperature
The cooling temperature is automatically maintained and is not adjustable.
Opening and Closing the Refrigerator
Open and close the refrigerator by lifting the console lid and then lifting the refrigerator lid.
Be sure the console lid does not interfere with the refrigerator’s lid when opening or closing.
The refrigerator lid is designed to remain closed unless held open manually. When the refrigerator lid is open, an LED illuminates the interior.
Storing Refrigerated Goods
For optimal use of the refrigerator, observe the following instructions:
- Avoid placing materials 75 °F (24 °C) or warmer in the refrigerator. For optimal use, allow materials to cool to 50 °F (10 °C ) or cooler before placing them inside the refigerator.
- Never put hot liquids or food in the interior.
- Never put ice or uncontained liquids in the interior.
- The total amount of goods placed into the interior should not exceed its storage volume.
- To maintain constant temperature, minimize the amount of time the lid stays open.
Maintenance
WARNING: ELECTRICAL SHOCK, FIRE, AND/ OR EXPLOSION HAZARD.
Always turn the refrigerator OFF before cleaning and/or servicing. Maintenance must be done by a qualified service person only. Failure to obey this warning could result in death or serious injury.
The maintenance and cleaning instructions provided in this section should be performed at the intervals indicated, or as needed depending on the frequency of use. Failure to properly maintain the appliance may void the warranty and could result in unsafe operation. Preventive maintenance is not covered under the warranty.
Cleaning the Refrigerator
NOTICE: Do not use abrasive cleaning materials or harsh chemicals, or damage to the refrigerator could occur.
If the refrigerator becomes dirty, wipe clean with a damp, soft sponge or microfiber cloth.
If condensation or liquid accumulates in the interior, remove it with a soft sponge or microfiber cloth.
Maintaining the Refrigerator When Not in Use
For optimal care of the refrigerator when not in use, observe the following instructions:
- Clean and dry the interior of the refrigerator to avoid lingering odor.
- Avoid storing refrigerated goods in the refrigerator when it is not turned ON.
- Avoid storing any sharp items or items not intended for refrigeration in the refrigerator .
Troubleshooting
| Problem | Possible Cause | Recommended Solution |
| The refrigerated goods are not cold. | The refrigerator is not turned ON. | • Confirm the refrigerator is ON. • See “Turning the Refrigerator ON” on page 12. |
| The refrigerator is not eiving power. | • Remove the closeout tray and confirm the power cord and fan wires are not damaged. • Use a multimeter to test for power. | |
| The fan is not operating. | ||
| There is condensation around the refrigerator unit lid. | The refrigerator lid is not closing properly. | • Remove any obstructions from around the refrigerator lid and console lid to allow both lids to close completely. |
| The lid gasket is damaged. | • Inspect and replace the lid if the gasket is damaged. | |
| There is an electronic control unit (ECU) malfunction. | • Contact a qualified service technician. | |
| The USB port does not work. | The refrigerator is not receiving power. | 1. Confirm the refrigerator is OFF. 2. Remove the closeout tray and confirm the power cord and fan wires are not damaged. • Use a multimeter to test for power. |
| The fan is noisy. | There is an obstruction. | 1. Confirm the refrigerator is OFF. 2. Remove the closeout tray and remove any obstruction from the fan or the fan blades. • If Contact a qualified service technician. |
| There is an odor coming from the refrigerator interior. | Residue has built up inside the refrigerator. | • Clean the interior of the refrigerator. See “Cleaning the Refrigerator” on page 13. |
Disposal
Place the packaging material in the appropriate recycling waste bins, whenever possible. The refrigerant circuit contains R1234yf. Consult a local recycling center or specialist dealer for details about how to dispose of the product in accordance with all applicable national and local regulations.
Warranty Information
Refer to the sections below for information about warranty and warranty support in the US, Canada, and all other regions.
United States and Canada
LIMITED WARRANTY AVAILABLE AT DOMETIC.COM/ EN-US/TERMS-AND-CONDITIONS-CONSUMER/ WARRANTY.
IF YOU HAVE QUESTIONS, OR TO OBTAIN A COPY OF THE LIMITED WARRANTY FREE OF CHARGE, CONTACT:
DOMETIC CORPORATION CUSTOMER SUPPORT CENTER 5155 VERDANT DRIVE ELKHART, INDIANA, USA 46516 1-800-544-4881 OPT. 1
All Other Regions
The statutory warranty period applies. If the product is defective, please contact the manufacturer’s branch in your region or your retailer (see the back of this instruction manual for the web addresses to locate your region or retailer). For repair and guarantee processing, please include the following documents when you send in the device:
- A copy of the receipt with purchasing date
- A reason for the claim or description of the fault
CONTACT US
dometic.com/en-us/terms-and-conditions-consumer/contact-us
A complete list of Dometic companies, which comprise the Dometic Group, can be found in the public filings of:
DOMETIC GROUP AB Hemvärnsgatan 15 SE-17154 Solna Sweden
11 Engaging the Receptacle Locks
13 Securing the Twist Locks


















