CCF-T GM Console Refrigerator
Instruction Manual
GM CCF-T CPV
CENTER CONSOLE REFRIGERATOR
CCF-T GM Console Refrigerator
WARNING
Cancer and Reproductive Harm www.P65Warnings.ca.gov
Service Center & Dealer Locations
Visit: www.dometic.com
Please read these instructions carefully and follow all instructions, guidelines, and warnings included in this product manual in order to ensure that you install, use, and maintain the product properly at all times. These instructions MUST stay with this product. By using the product, you hereby confirm that you have read all instructions, guidelines, and warnings carefully and that you understand and agree to abide by the terms and conditions as set forth herein. You agree to use this product only for the intended purpose and application and in accordance with the instructions, guidelines, and warnings as set forth in this product manual as well as in accordance with all applicable laws and regulations. A failure to read and follow the instructions and warnings set forth herein may result in an injury to yourself and others, damage to your product, or damage to other property in the vicinity. This product manual, including the instructions, guidelines, and warnings, and related documentation, may be subject to changes and updates. For up-todate product information, please visit www.dometic.com.
Explanation of Symbols and Safety Instructions
This manual has safety information and instructions to help you eliminate or reduce the risk of accidents and injuries.
1 .1 Recognize Safety Information
This is the safety alert symbol . It is used to alert you to potential physical injury hazards. Obey all safety messages that follow this symbol to avoid possible injury or death.
1 .2 Understand Signal Words
A signal word will identify safety messages and property damage messages, and also will indicate the degree or level of hazard seriousness.
DANGER!
Indicates a hazardous situation that, if not avoided, will result in death or serious injury.
WARNING
Indicates a hazardous situation that, if not avoided, could result in death or serious injury.
CAUTION
Indicates a hazardous situation that, if not avoided, could result in minor or moderate injury.
NOTICE: Used to address practices not related to physical injury.
Indicates additional information that is not related to physical injury.
1 .3 Supplemental Directives
To reduce the risk of accidents and injuries, please observe the following directives before proceeding to install and operate this appliance:
- Read and follow all safety information and instructions.
- Read and understand these instructions before installing and operating this product.
- The installation must comply with all applicable local or national codes.
1 .4 General Safety Messages
WARNING: ELECTRICAL SHOCK, FIRE, AND/ OR EXPLOSION HAZARD . Failure to obey the following warnings could result in death or serious injury:
- Use only Dometic replacement parts and components that are specifically approved for use with the appliance.
- Avoid improper installation, adjustment, alterations, service, or maintenance of the appliance. Service and maintenance must be done by a qualified service person only.
- Do not modify this product in any way. Modification can be extremely hazardous.
- Do not immerse this product in water.
- Do not use this product for any purpose other than as a mobile cooling device.
- Use care when diagnosing and/or adjusting the components on a powered unit.
- Turn off the vehicle’s engine during installation.
- Dispose of properly in accordance with the applicable federal or local regulations.
- Do not drill or puncture the refrigerator assembly or refrigerant tubing. Follow handling instructions carefully.
WARNING: CARBON MONOXIDE AND/ OR VEHICLE SAFETY . Failure to obey the following warnings could result in death or serious injury:
- Park the vehicle in a well-ventilated area during the installation process.
- Ensure the vehicle is in Park with the emergency brake engaged at all times during the installation process.
- Follow all vehicle manufacturer safety procedures.
CAUTION
Avoid touching the compressor or front fan blades during installation. Failure to obey this caution could result in minor or moderate injury.
NOTICE: Failure to obey the following notices could result in property damage:
- Do not use a power strip or two-way splitter.
- Do not use power cord adapters other than those provided by the manufacturer.
- Do not fill this product with ice cubes or water. If frost or condensation accumulates inside this product, wipe dry with a soft sponge or microfiber cloth.
Intended Use
The center console refrigerator (or “refrigerator”) provides vehicle passengers with easy access to refrigerated items from within the comfort of the vehicle cabin. The refrigerator is designed to fit within the existing console footprint and to provide an automatically controlled cooling environment for packaged items. This refrigerator is only suitable for the intended purpose and application in accordance with these instructions.
This manual provides information that is necessary for proper installation and operation of the refrigerator. Poor installation and/or improper operating or maintenance will result in unsatisfactory performance and a possible failure. The manufacturer accepts no liability for any injury or damage to the product resulting from:
- Incorrect assembly or connection, including excess voltage
- Incorrect maintenance or use of spare parts other than the original spare parts provided by the manufacturer
- Alterations to the product without express permission from the manufacturer
- Use for purposes other than those described in this manual
Dometic reserves the right to change the product appearance and the product specifications.
General Information
This section provides information on the included parts, installation tools and materials, component locations, and the refrigerator.
The images used in this document are for reference purposes only. Components and component locations may vary according to specific product models. Measurements may vary ±0.38 in. (10 mm).
3 .1 Tools and Materials
Dometic recommends that the following tools and materials be used while installing the appliance.
| Included Parts | Quantity |
| Refrigerator Unit | 1 |
| Rubber Mat | 2 |
| Front Fan with Housing | 1 |
| Front Fan – Template | 1 |
| Attachment Bracket | 2 |
| Bracket Fastener | 4 |
Recommended Tools
| Drill | Phillips Screwdriver |
| 3.5 in. Hole Saw Drill Bit | Removable Tape |
| 1-1/8 in. Hole Saw Drill Bit | T15, T20 Torx Screwdrivers |
| Marker | Vacuum or Shop Vac |
| Multimeter |
3 .2 Data Plate
This section provides the location of the refrigerator data plate. Have this information readily available if you have to call the Dometic Customer Support Center.
3 .3 Component Locations
This section identifies the refrigerator’s main components.
- Refrigerator Unit
- ON/OFF Button w/LED
- Front Fan
- 10 A Fuse
- VDC Power Cord
- VDC Power Plug
- Condenser Fan
3 .4 External Dimensions
This section identifies the refrigerator’s external dimensions.
- Height: 11.0 in. (279 mm)
- Depth: 11.5 in. (292 mm)
- Width: 13.5 in. (343 mm)
Specifications
| Weight | 12.5 lbs (5.7 kg) |
| Voltage Input | 12.0–16.0 VDC |
| Low Voltage Protection | 12.3 VDC |
| Energy Consumption at Startup | 5.6 A |
| Energy Consumption during Operation at 90 °F Ambient | 4.2 A |
| Internal Volume | 7 L |
| Beverage Storage Capacity | • Six 16.9 oz (500 mL) Bottles • Nine 12 oz (355 mL) Cans |
| Refrigerant and Charge | R134a 1 oz (26 g) |
| Temperature Setpoint | 37 °F (3 °C) |
| Vehicle Models 1, 2 | • Chevrolet Silverado 1500 (2019–2021) • Chevrolet Silverado HD 2500/3500 (2020 and newer) • GMC Sierra 1500 (2019–2021) • GMC Sierra HD 2500/3500 (2020 and newer) |
- Only available for models with a floor console configuration.
- Excludes models with BoseⒸ Premium Sound System.
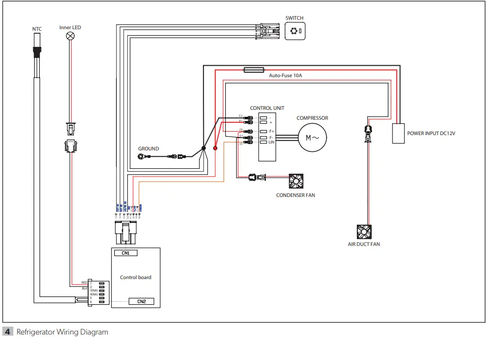
Wiring Diagram
WARNING: ELECTRIC SHOCK HAZARD .
Turn the power off before performing any electrical installation or maintenance activities. Failure to obey this warning could result in death or serious injury.
Preinstallation
WARNING: CARBON MONOXIDE AND/ OR VEHICLE SAFETY . Failure to obey the following warnings could result in death or serious injury:
- Park the vehicle in a well-ventilated area during the installation process.
- Turn off the vehicle’s engine.
- Ensure the vehicle is in Park with the emergency brake engaged at all times during the installation process.
NOTICE: Avoid pinching, crushing, or breaking the wires or power cord. Otherwise damage to the refrigerator could occur.
This section describes the assessment and location preparations to install the refrigerator.
6 .1 Assessing the Installation Location
- Confirm your vehicle is the correct model, model year, and trim level to accept the refrigerator. See “Specifications” on page 6 for more information. Only trim packages with an integrated center floor console are eligible.
- Verify you have the correct parts and tools to perform the refrigerator installation. See “Tools and Materials” on page 4 for more information.
6 .2 Removing the Cupholders
1.Cupholders 2.Screw
- Lift up the rubber trim at the front of the cupholders to access the screw.
- Use a T15 Torx screwdriver to loosen and remove the screw.
- Firmly pull up the cupholders to release the hidden retainer clips, and remove the cupholders from the console.
6 .3 Removing the Console Back Panel
1. Console Back Panel 2. Screw
- Use a T15 Torx screwdriver to remove the screw from the top of the console back panel.
- Firmly pull the console back panel away from the console to release the hidden retainer clips, taking care not to strain the internal electrical connections.
1. Center Console
2. 12 V Rear Power Connector Red Tab
3.12 V Rear Power Connector
4. Console Back Panel - Remove the red tab from the 12 V rear power connector.
- Disconnect the 12 V rear power connector from the console back panel.
- Disconnect all remaining electrical connections from the console back panel, and set the console back panel aside.
6 .4 Testing the Refrigerator
The console lid should remain open during the preinstallation and installation procedures.
- Place the refrigerator unit upright on the floor, near the rear of the console (second row area).
- Insert the vehicle’s 12 V rear power connector into the refrigerator unit’s 12 VDC power cord plug.
- Start the vehicle engine.
- Confirm the blue LED is illuminated on the refrigerator unit’s ON/OFF button. If not, press and hold the button for one second, and then release.
- Listen for the condenser fan to start. See “Troubleshooting” on page 15 if the condenser fan does not start.
- Turn the vehicle engine OFF.
- Press and hold the ON/OFF button to turn the refrigerator unit OFF.
- Unplug the 12 VDC power cord.
- Set the refrigerator unit away from the console.
6 .5 Replacing the Side Brackets
1. Side Bracket 2. Console Bin 3. Screws
- Open the console bin to locate the side brackets.
- Use a T20 Torx screwdriver to loosen and remove the screws from each side bracket.
Retain the screws. - Remove the existing side brackets.
Retain the side brackets. - Insert the provided mounting brackets.
- Reverse these steps to install the new mounting brackets.
6 .6 Preparing the Front Fan Location
1. Console Bin Front Wall 2. Front Fan Template
- Tape the front fan template to the inside, front wall of the console bin.
- Using a marker, trace the center point opening from the template onto the console bin wall.
1. 3.5 in. (89 mm) Hole 2. 3.5 in. (89 mm) Hole Saw Drill Bit - Remove the front fan template.
- Use the 3.5 in. (89 mm) hole saw drill bit to drill an opening for the front fan.
- Vacuum any debris from the console and console bin area.
6 .7 Preparing the Rear Power Connector Location

1. Equal Width 2. Hole Location for the 12 V Rear Power Connector 3. 2 in. (50 mm) 4. Black Bracket
- Identify the hole location for the 12 V rear power connector.
The hole location is on the rear passenger side of the console, measured 2 in. (50 mm) above the black bracket and centered horizontally. - Using a marker, trace the center of the drill hole location.
- Use the 1 1/8 in. (29 mm) hole saw drill bit to drill an opening for the 12 V rear power connector.
- Vacuum any debris from the console and console bin area.
- Place the refrigerator near the center console opening.
- Insert the end of the refrigerator’s 12 VDC power cord plug into the 1 1/8 in. (29 mm) hole until it snaps into place. See “Connecting the Front Fan” on page 12.
1. 12 V Rear Power Connector - Push the gray 12 VDC rear power connector (that was disconnected from the console back panel in “Removing the Console Back Panel” on page 8) into the refrigerator’s 12 VDC power cord plug.
Installation
WARNING: FIRE HAZARD . Failure to obey this warning could result in death or serious injury .
Keep ventilation openings, in the appliance enclosure or in the built-in structure, clear of obstruction.
NOTICE: Do not leave the refrigerator unit in an inverted position or run the compressor soon after having the refrigerator in an inverted position. Otherwise damage to the compressor could occur.
NOTICE: Avoid pinching, crushing, or breaking the wires or power cord. Otherwise damage to the refrigerator unit could occur.
This section describes how to install and wire the fan and the refrigerator unit and to reinstall the console back panel and cupholders.
7 . 1 Installing the Front Fan
1.Console Bin 2. Front Fan 3. Tape 4. Black Fan Wire
- Hold the front fan vertically by the fan housing.
- Insert the front fan into the new 3.5 in. (89 mm) opening inside the console bin until it snaps into place.
- Tape the black fan wire to the bottom passenger side of the console bin to hold it in place and to protect it from damage.
7 .2 Connecting Power to the Fan
1. 12 VDC Power Cord Plug
2. Auxiliary Fan Power Connector
3. Refrigerator Unit
4. Front Fan
- Place the refrigerator unit in an upright position on a stable surface next to the console.
- Connect the front fan power plug to the auxiliary connector coming from the refrigerator power plug.
7 .3 Securing the Refrigerator
1. Refrigerator Lid 2. Refrigerator Unit 3. Screws
- Lower the refrigerator into the console.
- Open the refrigerator lid.
- Using a #2 Phillips screwdriver, hand tighten the provided screws to secure the refrigerator to the mounting brackets.
7 .4 Reinstalling the Console Back Panel
1. Retainer Clip
2.Console Back Panel
3. Retainer Slot
- Excluding the 12 VDC rear power connector that now powers the refrigerator, reconnect all the electrical connections to the console back panel.
- Aligning the retainer clips with the retainer slots, push the console back panel into the console until it snaps into place.
- Use a T15 Torx screwdriver to reinstall the screw at the top of the console back panel.
7 .5 Reinstalling the Cupholders
1. Retainer Clips
2. Screw Hole
3. Retainer Slots
- Aligning the retainer clips with the retainer slots, press the cupholders down into the console until they snap in place.
- Lift up the rubber trim at the front of the cupholders to access the screw hole.
- Use a T15 Torx screwdriver to reinstall the screw.
Operation
WARNING: FIRE AND/OR EXPLOSION HAZARD . Failure to obey the following warnings could result in death or serious injury:
- This refrigerator must be properly installed and located in accordance with these instructions before it is used.
- Do not store gasoline or other liquids with flammable vapors in this refrigerator.
- Do not store explosive substances, such as aerosol cans with a flammable propellant, in this refrigerator.
- Do not use electrical appliances inside the food storage compartments of the refrigerator.
NOTICE: Avoid spilling liquid into the closeout tray’s fan vents. Doing so could cause damage to the refrigerator’s fan or electrical wiring.
This section provides instructions on the proper use of the refrigerator.
8 .1 Turning the Refrigerator ON
Press and hold the ON/OFF button for one second, and then release. The button’s blue LED indicator will illuminate when the refrigerator is ON.
The refrigerator will remain ON until it is manually turned OFF. If the refrigerator is ON and the vehicle engine is turned OFF:
- The refrigerator will continue to draw power from the battery until the voltage drops below 12.3V. If this threshold is reached, the refrigerator will cycle OFF until the engine restarts.
- The refrigerator will return to an ON status when the engine restarts.
8 .2 Turning the Refrigerator OFF
Press and hold the ON/OFF button for one second, and then release. The button’s blue LED indicator will not illuminate when the refrigerator is OFF.
The refrigerator will remain OFF until it is manually turned ON. If the refrigerator is OFF and the vehicle engine is turned OFF, the refrigerator unit will maintain the OFF
status.
8 .3 Adjusting the Refrigerator
The cooling temperature is automatically maintained and is not adjustable.
8 .4 Opening and Closing the Refrigerator
Open and close the refrigerator by lifting the console lid and then lifting the refrigerator lid.
Be sure the console lid does not interfere with the refrigerator’s lid when opening or closing.
The refrigerator lid is designed to remain closed unless held open manually. When the refrigerator lid is open, an LED illuminates the interior.
8 .5 Storing Refrigerated Goods
For optimal use of the refrigerator, observe the following instructions:
- Avoid placing materials 75 °F (24 °C) or warmer in the refrigerator. For optimal use, allow materials to cool to 50 °F (10 °C) or cooler before placing them inside the refrigerator.
- Never put hot liquids or food in the interior.
- Never put ice or uncontained liquids in the interior.
- The total amount of goods placed into the interior should not exceed its storage volume.
- To maintain constant temperature, minimize the amount of time the lid stays open.
Maintenance
WARNING: ELECTRICAL SHOCK, FIRE, AND/ OR EXPLOSION HAZARD . Failure to obey the following warnings could result in death or serious injury:
- Always turn the refrigerator OFF before cleaning or servicing.
- Maintenance and repair must be done by a qualified service person only.
- Do not use mechanical devices to defrost the refrigerator.
- Do not puncture refrigerant tubing.
- To be repaired only by trained service personnel.
The maintenance and cleaning instructions provided in this section should be performed at the intervals indicated, or as needed, depending on the use of the appliance. Failure to properly maintain the appliance may void the warranty and could result in unsafe operation. Preventive maintenance is not covered under the warranty.
9 .1 Cleaning the Refrigerator
NOTICE: Do not use abrasive cleaning materials or harsh chemicals, or damage to the refrigerator could occur.
If the refrigerator becomes dirty, wipe clean with a damp, soft sponge or microfiber cloth.
If condensation or liquid accumulates in the interior, remove it with a soft sponge or microfiber cloth.
9 .2 Maintaining the Refrigerator
When Not in Use
For optimal care of the refrigerator when not in use, observe the following instructions:
- Clean and dry the interior of the refrigerator to avoid lingering odor.
- Avoid storing refrigerated goods in the refrigerator when it is not turned ON.
- Avoid storing any sharp items or items not intended for refrigeration in the refrigerator.
Troubleshooting
| Problem | Possible Cause | Recommended Solution |
| The refrigerated goods are not cold. | The refrigerator is not turned ON. | •Confirm the refrigerator is ON. •See “Turning the Refrigerator ON on page 13. |
| The refrigerator is not receiving power. | •Locate and inspect the vehicle fuse. If the fuse is blown, replace it. •Locate and inspect the refrigerator fuse. If the fuse is blown, replace it. | |
| The fan is not operating. | ||
| There is condensation around the refrigerator unit lid. | The refrigerator lid is not closing properly. | •Remove any obstructions from around the refrigerator lid and console lid to allow both lids to close completely. |
| The lid gasket is damaged. | •Inspect and replace the lid if the gasket is damaged. | |
| There is an electronic control unit (ECU) malfunction. | •Contact a qualified service technician. | |
| The fan is noisy. | There is an obstruction. | 1.Confirm the refrigerator is OFF. 2.Remove the refrigerator, inspect the fan, and remove all obstructions. 3.If the problem is not resolved, contact a qualified service technician. |
| There is an odor coming from the refrigerator interior. | Residue has built up inside the refrigerator. | Clean the interior of the refrigerator. See “Cleaning the Refrigerator” on page 14. |
Disposal
Place the packaging material in the appropriate recycling waste bins, whenever possible. Consult a local recycling center or specialist dealer for details about how to dispose of the product in accordance with all applicable national and local regulations.
Warranty Information
Refer to the sections below for information about warranty and warranty support in the US, Canada, and all other regions.
12 .1 United States and Canada
LIMITED WARRANTY AVAILABLE AT DOMETIC.COM/EN-US/TERMS-AND-CONDITIONS-CONSUMER/WARRANTY.
IF YOU HAVE QUESTIONS, OR TO OBTAIN A COPY OF THE LIMITED WARRANTY FREE OF CHARGE, CONTACT:
DOMETIC CORPORATION CUSTOMER SUPPORT CENTER 5155 VERDANT DRIVE
ELKHART, INDIANA, USA 46516
1-800-544-4881
12 .2 All Other Regions
The statutory warranty period applies. If the product is defective, please contact the manufacturer’s branch in your region or your retailer (see the back of this instruction manual for the web addresses to locate your region or retailer).
For repair and guarantee processing, please include the following documents when you send in the device:
- A copy of the receipt with purchasing date
- A reason for the claim or description of the fault
| YOUR LOCAL DEALER dometic.com/dealer | YOUR LOCAL SUPPORT dometic.com/contact | YOUR LOCAL SALES OFFICE dometic.com/sales-offices |
A complete list of Dometic companies, which comprise the Dometic Group, can be found in the public filings of:
DOMETIC GROUP AB Hemvärnsgatan 15 SE-17154 Solna Sweden
1. Center Console
1. 3.5 in. (89 mm) Hole 2. 3.5 in. (89 mm) Hole Saw Drill Bit
1. 12 V Rear Power Connector


















